Fórum témák
» Több friss téma |
Fórum » Csöves erősítő készítése
Ne feledd betartani a fórum viselkedési szabályait, és a topik megmaradásának feltételeit. [link]
A téma átmenetileg fagyasztva lett, hozzászólni nem tudsz!
Szia! a belvilágról kérhetnék lépet illetve milyen kapcsolás alapján készült mekkora kimenő teljesítményre lett tervezve ,a hálózati trafót nagyon kicsinylem .
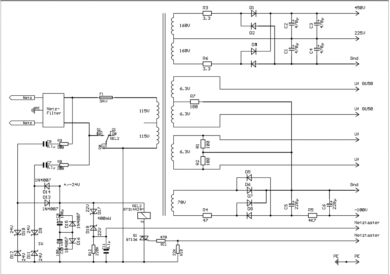
Szia! A kapcsolást már mutattam itt, de megint felrakom. A belvilág elég gubancos lett, de a hétvégén rakok fel képeket, hátha kapok valami tanácsot a macival kapcsolatban. A kimenő teljesítmény 30-40 watt körüli. Méréseket nem csináltam, mert nem tudom hogyan kell
A kimenő a te erősítőd alapján készült. A hálózati trafónak ez volt a legnagyobb amit itthon találtam. Egy videójátékban volt eredetileg. Két-három óra hallgatás után még bőven fogható. A hozzászólás módosítva: Márc 11, 2013
A kapcsoláson annyit változtattam, hogy a subout kimenetet megszűntettem, az ax7 bemeneti rácsáról a két ellenállást kiváltottam egy 1Mohm-ossal. Az instrument bemenet is megszüntetve. A visszacsatolás nincs bekötve, mert a 100K-val begerjedt mint az állat, és egyenlőre nem kísérletezek vele. Talán majd később.
A hozzászólás módosítva: Márc 11, 2013
Szia.Nem tudok az érzékenységről semmit mondani mert nem értek annyira hozzá és multiméteren kivül nincs más műszerem sem.Felteszem a kapcsolást ami alapján épitettem és pirossal javitottam az értékeket amit én használok.Eggyencsőnek 5V4g-t használok amit 30 mikros kondi követ majd szűrőtrafó a többi a kapcsolás szerint.Nekem kinézetre nagyon tetszik ez a cső Bővebben: Link
Idézet: „6N3P Sziasztok . Találkozott már valaki ezzel mint elöfokcsö” Valami ruszki előfokban használják, de nem igazán értem, mit akarnak az ECC 85-höz hasonlóan rossz linearitású triódával.
Én úgy tudom,hogy hasonló felépítésű görbesereggel rendelkezik,mint a 6SZ3P,de nekem az is tökéletesen megfelel.A GU-17 -et meg ECC82 hajtja,és azzal sincs semmi gond,bár nem igazán audio célokra fejlesztették ki.
A 6s3p lineárisabb és a hangja is jobb, de még a 6n3p is használhatóbb, mint az ECC85. A hangsúly igazából a hogyanon van. Ezek, akárcsak a szovjet fejlesztőknek (akarom mondani, másolóknak) ihletet adó, hasonló felépítésű 2c51/5670/396A viszonylag alacsony anódfeszültségű típusok, emiatt komolyabb eredményt konstans anódárammal (áramgenerátor vagy induktív munkaellenállás) lehet kihozni belőlük. Anódellenállásos erősítőfokozatba hiába veszed meg a drága WE 2C51 csövet, ott az sem fog brillírozni...
0312 röl volt szo de azért köszi
Mert nyilván nem a végcsőről volt szó, hanem a meghajtásról...
Sziasztok, az nagyon bezavar a rendszerbe, ha nem ugyanolyan márkájú potmétereket használok?
Ez egy igen jó kérdés.Sajnos a körülmények és részletek ismerete nélkül,és ismeretében sem hiszem,hogy ezt meg tudja neked valaki is mondani.Ma tönkrement két ugyanolyan márkájú sztereó potméterem ugyan azon oldalai.Ez megtörtént volna mondjuk,ha eltérő a márkájuk?Fogalmam sincs.
Használj ugyan olyan márkájú potmétert és meglátod.Feltéve,ha ténylegesen ez a gond.
Esetleg Budapesten hol van olyan bolt ahova el tudnék menni tanácsot kérni, és árulnak normális minőségű potmétereket. Mert igazából tanácstalan vagyok, hogy milyet vegyek. Gitárerősítő lesz egyszer belőle. Hallottam, hogy az alpha-k nem rosszak, de mindenfélét olvasni a neten. Esetleg ebben tudna nekem valaki segíteni?
Nyugodtan vegyél Alpha potikat.
Ha a Marshall cuccokba megfelel, akkor Neked is. (www.etronic-parts.com)
A lineáris a a logaritmikus poti között mi a különbség? Ha nem írja, akkor mindegy milyet veszek?
Mivel a fül érzékenysége kb. logaritmikus, a hangerőszabályzáshoz logaritmikus potmétert használunk, hogy egyenletes elforgatáshoz nagyjából egyenletes hangosság érzet társuljon. Más helyekre, pl. balansz, rácsfeszültség beállító, lineáris potmétert kell alkalmazni.
Tehát, ha nekem kell egy volume, gain, tone, akkor mindenhova jó a logaritmikus, igaz?
A hangszín szabályzóba is lin potméterek kellenek. (nem tudom, mi a gain)
A gain potméter a jel erősséget állítja, ha pl nagyon feltekered betorzít.
Azt hiszem, akkor hívják így a jel erősítő szabályozót, ha az egy belső beállító pl. trimmerpoti.
Amúgy csak simán volume - hangerő, amit szabadod tekerget a jónép, ha nem hallja a bazsevát eléggé...
Szokták azt gian/volume -nak is becézni,közvetlenül a végfok előttit meg master volume -nak. Amiket meg Blackmore írt,oda logaritmikust szoktak rakni,de az érdekes szabályzásuk miatt van,hogy a lineárist szorgalmazzák inkább.
Ahány ház,annyi szokás.
Tehát, akkor most mindegyikhez használhatok logaritmikust? Vagy a tone-hoz használjak lineárist? Egyébként meg ízlés kérdése az egész?
Két napja tesztelgetek egy ilyet, a teszt abból áll, hogy esténként 1-2 órán át ütközéstől-ütközésig tekergetem. Szerintem egy erősítőben nem lesz ilyen igénybevételnek kitéve, ha az árát nem sokallod, bátran merem ajánlani.
A klasszikus Fender/Vox/Marshall 3-as passzív hangszínben a magas poti általában 250k lin, a mély 1M log, a közép 20-25k lin. De kapcsolás függő, nem lehet ilyet kijelenteni, hogy általánosságban milyen a célszerű, de az esetek 90% ban amit írtam. Zs.
Bátran ajánlom a Justice által javasolt etronicos ALPHA potmétereket. Nekem van 1-2 darab és ha megtekered az olcsó (100-250Ft-os) és ezt a kb. sztereó változatban 1200Ft-os potmétert, ordítani fog a különbség (ugyanakkor a LOMEX-es fémházas poti is tökéletes (az is azt hiszem, hogy ALPHA gyártmány). Pihert és társait, no meg a műanyagokat alapból kerülném kész knstrukciók esetében. Az előfeszültség potinál igen is számít a minőség (ha a poti megszakad, a a végcső megszalad...
).Budapesten a Blaha mellett a Tajti Musicnál lehet beszerezni az etronicos cuccokat (megrendelik neked). No meg a Conradból lehet ALPS potit is szerezni, állítólag az a csúcs...
Az alpha potikban biztos vagyok, meg abban is, hogy nem a 300 ft-osat veszem meg.
|
Bejelentkezés
Hirdetés |


A kimenő a te erősítőd alapján készült. A hálózati trafónak ez volt a legnagyobb amit itthon találtam. Egy videójátékban volt eredetileg. Két-három óra hallgatás után még bőven fogható. 


).