Fórum témák
» Több friss téma |
Fórum » Csöves erősítő készítése
Ne feledd betartani a fórum viselkedési szabályait, és a topik megmaradásának feltételeit. [link]
A téma átmenetileg fagyasztva lett, hozzászólni nem tudsz!
Ne foglalkozz ilyen dumákkal, ha saját szórakozásodra építed. Persze, ha kiállításra, vagy mások lenyűgözésre készíted, az más, oda lehet speciális, drága vadi új alkatrészeket használni, (hadd essen hasra a bámuló nép), de semmivel nem lesz jobb, mintha bontott, többször felhasznált alkatrészeket használod. Praktikus, ha beépítés előtt ellenőrzöd az alkatrészeket a további szívások elkerülésére, de ez új alkatrészeknél is érdemes megtenni.
A hozzászólás módosítva: Márc 18, 2018
Volt-e alkalmad összehasonlítani a 6P1P PP-t a PCL86 PP-vel, hasonló, vagy ugyanolyan kimenőkkel? Ha igen, melyik szólt szebben?
Köszi.
Ebben az esetben várhatóan teljesen ugyanolyan magra kerül fel az a tekercselés, amit djhans számított. Lehet rá számítani, hogy az ő NFB értékei jók, vagy közel jók lesznek. Persze mindenképpen hangolom a visszacsatolást először négyszögjellel, szkóppal, aztán meg fülre. Előfordult már, hogy az erősítő szkóppal legjobbnak látszó NFB-vel szólt fülre kevésbé jól, mint minden NFB nélkül. Ilyen ez a "popszakma".
Sziasztok!
Mivel csak most láttam hogy van ilyen topic is, és a kérdésem passzol mindkettőhöz így bátorkodom ide is betenni Bővebben: Link
Szia. Igen volt. PCL86PP szebben szól. Mindkét esetben volt átfogó vcs. 6P1P PP UL-ben szól jobban átfogó vcs. nélkül, 6N1P parafázisú meghajtással.
Bár csöves otl fülesnél 42 ohm meglehetősen alacsony impedancia, azért szerintem Morgan Jones féle earmax-al, illetve sarjhajtásaival (csőtől függően) érdemes lehet próbálkozni. Láttam régebben egy Borbély féle mosfetes végű füles erősítő kapcsolást is (eleje ECC88 volt), ezt ugyan nem hallottam, de igencsak finom hangú szerkentyűnek gondolom. Nekem earmax van philips E182CC véggel, de próbáltam orosz 6N6P-vel is, semmivel nem volt rosszabb azzal sem. Kimenőtrafós is lehet a jó csöves füles erősítő, ez esetben akár egyetlen 6E5P vagy hasonló is megfelelhet.
Adott ez a rádiós kimenő egy Rossini Stereo gépállatból. Lefényképeztem a primer oldalt, jól látszik, hogy három kivezetése van. Rámértem és nekem az értékekből UL-nek tűnik, de érdekes módon a rádió rajzán nem látok UL bekötést. Ismeritek ezt a rádiót? Mellékeltem a rajzot is.
A hozzászólás módosítva: Márc 19, 2018
A rajz, az nem UL kapcsolás. Ettől még a kimenő ultralineár megcsapolást tartalmazhat. A középső kivezetés nem volt forrasztva, nem használták. Valószínűleg több kapcsoláshoz alkalmazhatták a kimenőt. Ha tudsz induktivitást mérni, abból kiszámolható az impedancia 1kHz-re. Az EL84 terhelő impedanciája 5kohm kellene hogy legyen. Jók ezek a régi kimenők.
Sziasztok!
Adott egy mono 600v anód PP erősítő EL34 végcsövekkel aminek a kimenőjét én készítettem el. A gondom az hogy magas terhelésnél felizzik mindkét végcső segédrácsa. Munkapontot ellenőriztem, feszültség értékek is rendben vannak s arra jutottam hogy biztosan a kimenőnél szúrtam el valamit. Lehet az hogy kevesebb primer menetet tekertem fel primerre ~1860 menet..? Utána számoltam és erre a vasra 3200 menet dukálna 6k illesztés mellett.
Mekkora az "erre a vasra"? Tényleg lehet.
Sajnos kicsi, 14-es vaskeresztmetszet és csak ennyi (0.3mm) huzal fért fel rá. Azzal számoltam hogy nem fogja tudni a névleges teljesítményt de hogy e végett ilyen problémák lesznek arra nem is gondoltam. A hangminőséggel nincs semmi gond, de kábé fél hangerőn ha jellel terhelve van már beizzik a rács és apró pattogást is hallok a hangszóróból. Gondolom az elektronok leválása miatt.
Mekkora a segédrácsok feszültsége? (+400V-nál nem jó ha több.)
Mekkora a segédrácsra menő soros ellenállás értéke? (Minimum 100Ohm/2W-tól legfeljebb 470Ohm/5W között jó.) Milyen gyártmányúak a végcsövek? ( A régebbi gyártású Tesla EL34-es csövek nem szeretnek +430V fölött dolgozni, hamar felizzik a segédrács, esetleg az anód is és hamar tönkremennek a csövek.) A kimenőtranszformátor illesztése nem befolyásolja a segédrács felizzását, - a 6kOhm hogyan jött ki? A kevesebb menetszám a mélyhang-átvitelét csökkenti elsősorban, attól nem izzhat fel a segédrács, ha egyébként a munkapont beállítása megfelelő. Csak ha gerjed a végfok, akkor izzik a segédrács, vagy túl magas a segédrács feszültsége, vagy a cső előfeszültsége nem stabil, kevés a megfelelő munkaponthoz, nagy hangerőnél esetleg "elfogy" az előfeszültség. Tessék mérni! Mi is kíváncsiak vagyunk, hogy mi történik. Üdv!
Csak 0.3 mm-esed volt? Még 0.25 is erős lett volna, elég 0.22-es is Ia 100 mA-hez (J=2.5-nél).
Már elkövettem azt hogy a segédrács feszültségét 570v-ről 425v-ra stabizáltam egy FET-tel s csak egy picit javult ezzel a helyzet.
Electro hamonix 6CA7 végcsövet tettem be alapból a gyári EL34 helyett, a segédrácson pedig 1K-s huzalellenállások vannak. A munkapont ~24mA és terheléskor amikor felizzik felmegy 35mA-re is miközben az előfeszültség stabil -50V. Gyárilag ezekhez a laney supergroubokhoz 6.4K kimenő trafó van a magas anódfesz miatt, más egyebet erről nem tudok sajnos.
Igen, a 0.30 drót szerintem is erős, akkor csak ez volt egy mikrosütő trafójából lefejtve amikor csináltam egy éve.
Ugyanakkor beszereztem azóta 0.24-es huzalt és nagyobb tisztességesebb vasat kimenőnek de úgy gondoltam előbb érdeklődöm tőletek, s kutatgatok mielőtt belefogok újra kimenőt tekerni.
Még lejjebb kéne menni a segédrács feszültségével 400V-ra, ekkora legyen maximum. Az 1kOhm-os segédrács ellenállás-érték jó. Ha teljes kivezérlésnél a segédrács árama felmegy kb. 25mA-re, akkor van kb. 375V-os segédrács feszültség, ami ha minden jó, akkor nem izzhat fel a segédrács. E-feszültség értéke közvetlenül nem szól bele a kimenőteljesítménybe.
Mekkora a végcsövek rács-levezető-ellenállása? Ha nagy értékű, akkor csökkenteni kell, 270-300kOhm-ra, ezekhez a csövekhez. A vezérlő-rácsokhoz is kell soros 1-10kOhm ellenállás, elkerülendő a gerjedést. A végcsövek katódjaiba érdemes betenni egy 10Ohm/2W-os "mérőellenállást", amin lehet ellenőrizni a munkapontot. (Ejnye, Laney!) (Nagyon spórolnak.) Üdv!
Köszönöm
A mérőellenállás pótolva 10ohm-ra (nem volt benne semmi). A rács levezető ellenállások 220k ohm és picit úgy tűnik hogy van valami gerjedés magas kivezérlésnél de nem mentem el 270k-ig . Most még az lesz hátra hogy segéd rácsfesszel lemegyek stabil 385v-ra hogy mit csinál. Idézet: „összehasonlítani a 6P1P PP-t a PCL86 PP-vel” Hogyan lehet trióda + pentóda kombicsövet pentódával vagy tetródával összehasonlítani? ![]() ... ... ... Címszavakban fogalmazva is legalább fél oldalt meg lehetne töltelni az efféle összehasonlítások gyenge pontjaival, melyek összessége óriási eséllyel vezethet hamis következtetésekhez és -sajnos- nem ritkán önámításhoz. Túl komplex történet ez ahhoz, hogy ilyen egyszerűen el lehessen intézni... eleve, mi az hogy "zeneibb"? Lehet még fokozni? Nem igazán... ez a D.L. által meghonosított fogalom olyan előnyt takar, amit végképp nem lehet analizálni, avagy "ortóban" számszerűsíteni. Minőségi különbség, a szó legszorosabb értelmében.
A mi szempontunkból leginkább az a minőségi alkatrész, ami "szónikusan transzparens" ill. a saját karaktere _nem_ zavaró jellegű.
Fájóan gyenge pont szokott lenni a rádióból bontott kimenőtrafó frekiátvitele és torzítása, a tesztmérés pedig éppen az öreg alkatrészekre jellemző, hő hatására felbukkanó kontakthibákat vagy kondiszivárgást nem mutatja ki. Régen is tudtak kiváló, hosszú élettartamú alkatrészeket gyártani, melyeknek a legigényesebb erősítőben is helye lehet; gondos formázás után akár még 50 éves elkóknak is. Ugyanakkor pl. a műgyantával kiöntött Remix "fóliakockák" között akadnak rossz sorozatok (nagyon megváltozott kapacitás, megbízhatatlanság).
Hogyan kell gondosan elkót formálni? Nekem is van néhány régi darabom.
Köszönöm!
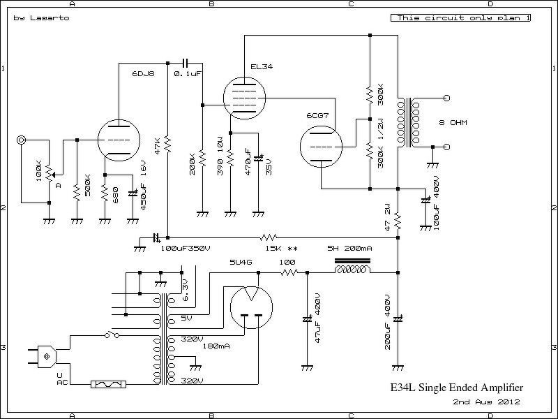
A csöves kimeneti fokozat és az anódtáp CHZ tervei szerint készült. Alkatrészileg igyekeztem a saját fülemre igazítani mindent. Ellenállás ügyileg PRP, Kiwame, visszacsatolásban Arcok szén kompozit. Ebbe a pozícióba többfélét is próbáltam, nálam ez nyert. A shunt hangerő szabályozó 64 lépésben állítható, ez még némi finomításra szorul.. Egy darabig egyenletes a szabályozás, utána hirtelen ugrással csökken a hangerő. Az ellenállás osztó értékeivel be lehet lőni, félig már kész Előnye a dinamikus hang, no meg a jelútban összvisz 1db ellenálló van, a többi shunt-ként van rákapcsolva hogy leossza a jelet.Hangja nekem nagyon tetszik, tesztelés alatt alkatrész csereberével beállítottam a saját ízlésemre. A hozzászólás módosítva: Márc 20, 2018
Üdv!
Lenne egy amatőr kérdésem, korábban írtam nem vagyok otthon az erősítők építésében, a csöves dolgokban még annyira sem. Kimenő transzformátorok tényleg ennyire drágák? Nekem akartak tekerni, de mivel nem vagyok jártas a témában nem tudom hogy ekkora összegek reálisak e.
Mi a véleményetek az alábbi kapcsolásban kivitelezett UL bekötésekről?
A hozzászólás módosítva: Márc 20, 2018
Igen érdekesek. Persze én nem értek hozzá. Azt viszont nem értem, miért lenne nagyon jó. Ha az lenne, akkor a gyártók alkalmaznák ezeket a kapcsolásokat, de nem.
Lehet igazad van bár a sok gyártó termékeit elnézve nem minden esetben törekednek az úgymond jó dolgokra ,de annál inkább a köcséghatékony és olcsóbb megoldásokra na meg mennyivel egyszerűbb kivitelezni az UL kimenetet a kimenőn mint plussz csöveket alkalmazni ami többlet energiát és költséget jelent.De azért kiváncsi lennék a tapasztalatokra .
Ez egyik sem UL-kapcsolás.
Az UL, azaz, Ultra-Lineár kapcsolásban a végcső(vek) segédrácsa(i) és a kimenőtranszformátor-leágazása(i) vannak bekötve, nem pedig ellenállás-osztóval csatolunk a csőre(?) vissza, - mit is csatol vissza? Ezek a rajzok inkább a segédrács feszültségének lehetséges előállításait mutatja és semmi köze a klasszikus UL-kapcsoláshoz. Üdv!
Ez valóban így van bár ennek ellenére mégis így tüntetik fel de nem is ezen van a hangsúly hanem sokkal inkább azon mit hozhat ez hangban ha már az UL. kivezetés nem elérhető.Mi a véleményed erről?
Meg kell nézni mekkora feszültséget bír és aszerint kell a formázáshoz előkészülni. Egy digit-multiméterrel figyelhetjük a töltés-kisütés feszültségét. Kis feszültség esetén 5-63V között, elég egy kettős-tápegység, aminek a kimeneti feszültségét rákapcsoljuk a kondenzátorunkra, polaritás helyesen persze, lassan növelve a táp kimeneti feszültségét a kondenzátor lassan töltődik. Ha elértük a beállított feszültséget, akkor süssük ki egy ellenálláson keresztül, ( 100Ohm-1kOhm között, de legalább 2W-os), majd ismét lassú felszabályozással töltsük, majd ismét kisütés, ezt kell néhányszor elvégezni, 5-6 alkalom után a kondenzátorunk sokkal gyorsabban töltődik fel és közben nem melegedett föl, ami káros lenne neki, ha hirtelen a maximális feszültségre töltjük előzetes formázás nélkül.
A magasabb feszültségű kondenzátorokat 100V-500V között pedig, a hálózati transzformátorunk segítségével, egyenirányítás után, vagy közvetlenül a hálózati feszültség egyenirányítása és sorosan kapcsolt 1-10kOhm/5W-os ellenállás szükséges a formázáshoz. Először a 10kOhm-al kezdünk, 2-3 töltés-kisütés, majd ha azzal már elég gyors a töltődés, akkor (minden töltés után kisütés, az adott ellenálláson keresztül, tehát előbb a 10kOhm, majd 2,2kOhm, utána pedig 1kohm) csökkentsük az ellenállás értékét. Vigyázzunk, az érintésvédelem is fontos! Töltött kondenzátor kivezetéseit ne tapizzuk, megrázó élmény lehet! A cél az, hogy az adott szükséges feszültségre minél gyorsabban és melegedés nélkül feltöltődjön a kondenzátorunk. Feltöltve ne tároljuk a kondenzátort mindig süssük ki egy ellenálláson keresztül. A csavarhúzó nem kisütő szerszám, ne rongáljuk, meg a rövidzár árt a kondenzátornak is! Ha töltés közben erősen melegszik, az már nem jó, dobjuk ki. Próbáljuk még nagyobb ellenálláson keresztül az első töltést, tehát esetleg 47kOhm-on keresztül, lassan, akár egy-két óra is kellhet, mire feltöltődik a nagy kapacitású kondenzátor az egyenirányított feszültségre, ha jó. Sok sikert! Üdv!
Hangzásban biztos van eltérés a normál pentóda(tetróda) végfok és ezek között.
Hívhatjuk ezt a visszacsatolási módot "kvázi-triódás visszacsatolásnak", mert a segédrácsra csatoljuk vissza az anód-feszültségének leosztott részét, illetve, anódáram-változásának egy részét. Veszteséges megoldás mindenképpen. Jobb lesz-e ezáltal a hang? Nem tudom, nem izgat, maradok a hagyományos kapcsolás-technikáknál. ![]() Üdv! |
Bejelentkezés
Hirdetés |


Ebben az esetben várhatóan teljesen ugyanolyan magra kerül fel az a tekercselés, amit djhans számított. Lehet rá számítani, hogy az ő NFB értékei jók, vagy közel jók lesznek. Persze mindenképpen hangolom a visszacsatolást először négyszögjellel, szkóppal, aztán meg fülre. Előfordult már, hogy az erősítő szkóppal legjobbnak látszó NFB-vel szólt fülre kevésbé jól, mint minden NFB nélkül.



Nem igazán... ez a D.L. által meghonosított fogalom olyan előnyt takar, amit végképp nem lehet analizálni, avagy "ortóban" számszerűsíteni. Minőségi különbség, a szó legszorosabb értelmében. 


