Fórum témák
» Több friss téma |
Fórum » Csöves erősítő készítése
Ne feledd betartani a fórum viselkedési szabályait, és a topik megmaradásának feltételeit. [link]
A téma átmenetileg fagyasztva lett, hozzászólni nem tudsz!
Annak az osztónak az eredő impedanciája 113K körül van.
Inkább 84dB az. /-5/dB+79dB, az abszolult értékben 84-re van egymástól. Persze nem kellene ekkora külömbség, de este, mikor a hallás kiélesedik az evolúció miatt, nagy élmény a csöndet hallani, ha éppen az van a műsorban.
Akkor is, méréssel ki is mutathatod.
A hozzászólás módosítva: Okt 22, 2019
Én még az audio célra tartott számítógépemet is hagyományos tápról hajtom. Komoly. Egyszer hallottam FET-es erősítőt szólni kapcs. tápról. Lehetett változtatni az üzemi frekvenciát is rajta menetközben. Változott a hang is. Viszont kicsit szemcsés volt a hang, ami engem zavart, valamint egy nagy frekis fütty is jött a hangszóróból, ami valami kikevert termék lehetett. Szóval nem nyerő a technika.
7pF az össz kapacitas. Azzal úgy 200kHz fölött lenne mint aluláteresztő szűrő a fölső határfrekvenciája. De igazad van, 20kHz-en már igy kb 5fokot fázistol. Áttervezhető egyrészt az osztó is, másrészt kisebb rácskapacitású csövet is lehet használni.
Idézet: + szerelési kapacitások... „7pF az össz kapacitas”
Nekem is csönd a mániám a műsorban. Ez az, amit piszok nehéz elérni. Persze ezen kívül is van még jónéhány paraméter amit azért több kevesebb nehézség árán lehet mérni, és hallani is lehet.
Azt még hozzátenném az előbbi gyenge szintekhez, hogy a legtöbb kommersz műsorforrás sem tud sokkal többet. Stúdiótechnikában ez az érték 90 dB, minimum, de inkább 100 feletti.
Mégis ezeket a csöveserősítőket többen veszik. Nyilván neked a legjobb a hallásod kerek a földön, de ne hidd, hogy csak az NFB-t nem tartalmazó torzításgépek szólnak jól. A legnagyobb hiba a gondolatmenetedben az, hogy az antiNFB géppel akarsz olyan szintén csöves erősítőt hallgatni, amiben meg van visszacsatolás. Gondolj pl a Hammond orgonára.
Szerintem kevés a meghallgatási tapasztalatod, azért állítasz ilyen butaságot. Példának okáért egy multi NFB-t tartalmazó McIntos MC275-öt még senki sem mondott rossznak. Most egy ilyen erősítő állapottól függően 1,5-2,4 millió Ft. Az eredeti, de használt csőkészletét meglehet venni úgy 600 000Forintért. Ne hidd már, hogy egy 6AS7G-nek nevezett szovjet 6N13S tápcsővel, vagy egy akármilyen amerikai nem audio csővel, kimenő nélkül, NFB nélkül utol lehet érni az Mc275-öt. Kicsit gondolkodni kellene mielőtt valamit szarnak nevezel. Ez komolyan rosszul esett. Amúgy a kapcsolásod szimpatikus, csak még mindig semmi sem biztosítja a két módusú jel szimmetriáját működés közben. Akárcsak a TM-é. De ezlegalább szimmetrikusabb mint az. Igaz, ahogy CHZ írja, gond lesz a magasátvitellel az egyik oldalon, ezért nagyon meg fog nőni most már nem csak a mélyek torzítása, hanem a magasaké is.
Egy Tascam stúdió hangkártya zaja -95db.
Igen, de semmi sem tökéletes. Van egy 1963-as orgonafelvételem, amin Bach műveket adnak elő. Az első felvétel a Dmoll Toccata és fuga. Mindenki megdöbben, mikor nálam ezt meghallja, ugyanis mikor elindul a felvétel, de még a zene nem szól, már akkor lehet hallani, hogy beléptünk a templomba. Egy ilyen nagy térnek még a csöndje is más. Sajna egy ilyen információ egy 1% feletti torzítású erősítőn elveszik Hívatkozhatnak az NFB hiányának jóságára, de egy ilyen erősítő az első két Watton szól elfogadhatóan. Az első két Watt egy hangszórót éppen, hogy megmozdít. Egy ilyen csönd meg a főműsor alatt van vagy 60 dB-vel. A fenti erősítőre kötött hangfal ilyenkor még gondolkodik, hogy egyáltalán sustorogjon-e. Egyébként meg mindenki ismeri a jelenséget, csak nem mindenkiben tudatosul, hogy a torzítás még nem túl nagy, mondjuk 0,5%, addig becsapja az ember fülét. Olyan, mintha részletesebb lenne a hangkép. Valójában nem, csak kezdünk meghallani olyan komponenseket, amik a műsorban nincsenek benne. Voltam párszor olyan meghallgatáson, ahol csak triódás SE erősítők voltak. Mondjuk estére úgy fájt a fejem, hogy majd szét esett.
Az már igen jó. Gondolom a THD+N% is hasonlóan jó adatot produkál. A két erősítővel az is a baj, hogy ha a szimmetriát nem lehet biztosítani, akkor a közös módusú zajelnyomás nemleges lesz. Tehát az erősítő zajos is lesz, nem csak torzít.
Mértem zajt. Fél mV alatti. Na akkor számold ki kérlek az hány dB.
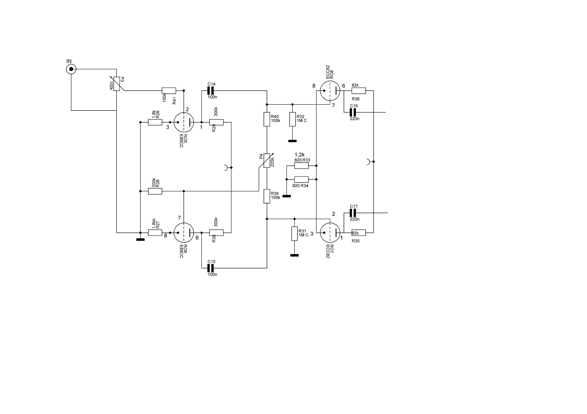
Talán az egész problémára az alábbi (egy méltán híres erősítő) kialakítása a megoldás, ha már a küllönc kapcsolástechnika a téma. Az áramkörben a differenciál erősítő biztosítja a működésközbeni szimmetriát. Persze ez a kapcsolás csak akkor nem tartalmaz NFB-t, ha elfogadjuk azt, hogy a diff. erősítő alap kapcsolásban nem tartalmaz NFB-t. Egyébként az eredeti erősítőben van NFB a kimenőtrafó külön tekercséről. Volt szerencsém sokat hallgatni. A hangja meglehetősen jó volt, amúgy meg nagyon leverte az AI600-at, meg a 900-at is. Na azok azok az erősítők, amik kevés NFB-t tartalmaznak.
A hozzászólás módosítva: Okt 22, 2019
Ha lehet hinni a marketing adatoknak, akkor vannak már bőven 100dB felettiek is, sőt meg is vásárolható, nincs aranyárban. Amit pl. most hoz mindjárt nekem a futár, azt a gyártó audiophile kártyának hirdeti, és 114dB SNR-t ír rá.
De mondjuk nézz meg egy igazi hiteles normális stúdió használatra való full csöves Avalon Design VT 747 dinamikus kompresszor adatait. Nagyon nagyon drága cucc. -92dB. Én hallottam már a hangját elő koncert körülmények közt a Campona mellett a Klauzál művel.házban Big Band Fesztiválon tíz éve. Adatok itt http://www.avalondesign.com/vt747sp.html
A hozzászólás módosítva: Okt 22, 2019
Mivel korábban jó pár napja szóba kerűlt, az előző hsz.-ebben emlitett kis csöves gyöngyszem kompresszoron szokták ( illetve erre is való) át ereszteni a masterelés végén, vagy előtte még a kész stúdió felvételt az adott zenekarról, ha azt szeretnék, hogy un.régi “vintage” csöves, füstös, múlt század elei “meleg hangzást” adjon a hallgatott kiadott album zenei világa. Az eq-val lehet beállogatni a beavatkozni kívánt frekvenciák szintjeit. Még az eq is szokatlan értékeken szabályoz. Nem szokásos. Pl. a mély az 15Hz!
Azért tettem be ide mindenkinek, hogy lássátok mivel is alakitgatják az audiophile pl. jazz zenék hsngzásvilágát. És ehez pl. Dukál még vokál felvételre egy több millás AKG c14 csöves, Neumann U87, vagy egy Audio-technica ribbon mikrofon. Pl. Ezekkel is meg lehet tenni minden további nélkűl. Szép napot mindenkinek A hozzászólás módosítva: Okt 22, 2019
Rosszúl írtam elnézést, AKG C12 lett volna. /Már nem tudom javítani/
ehhez képest egy a Magyar Rádióban használt keverőpultnál ez az adat 110 dB, még az STM magnó is bőven 90 dB felett tudott. (a mostani állapotot nem ismerem)
Jól írod, mikor meghallod az ilyen "csöndet", borsódzik az ember háta. (a valóságban is)
De azt nem írtam, hogy ez csak egy középkategória, de teljesen csöves, mint az összes Avalon termék. Más ketyerék vegyítik processzorokkal tranyókkal, stb.egyebekkel, azok csendesebbek , de pl. Neumann, tengeren túli Telefunken egyébb legendás cuccok csövesei kuriózumok is, de még drágábbak is némelyik rack-esíthető kincseik.
Sok tapasztalatot nyújtó élmény lehetett.
Idézet: „Egyébként igen látszik szkópon. Pont az latszik, hogy mennyire rohadtul asszimetrikus a differencialerositos meghajtas. Az egyk rácson mikor 40V a vezerlojel, a masikon kb 10V. Sajnos ez nem tranzisztor, nincs az az atom meredeksége, ebből kifolyólag az asszimetria is rendekkel nagyobb sajnos.” Tehát azt írod, hogy az elvileg már a lokális NFB-t használó diff. erősitős fázisfordító (long tailed) helyből nem szimmetrikus? Aha....és ha globál NFB-s áramkörbe kerül, akkor ez a tulajdonsága hová lesz? Mert a megértési nehézségekkel küzdők nem akarják felfogni azt, hogy EZ A FÁZISFORDÍTO a vezérlőjelek minden pillanatában ezzel a tulajdonságával hasítja a fázist. Ismétlem - minden egyes pillanatában.
Ami pedig a fázisforditáshoz használt jel előállítását illeti - egy többfokozatú erősítőben az első, a második, a harmadik, vagy kimenőről nyert jellel lesz tökéletesebb az áramkörünk?
Elárulom - a legjobb eredményt az első fokozatban megoldott fázisfordítás hozza, és nem pedig a kimenőről visszahozott ellenfázisú jel. Itt lehet megérteni, hogy hiába van NFB egy erősítőben, ha fokozatok továbbra is ugyanúgy torzítanak... Mi ebből a tanulság? Minél kevesebb erősítő fokozat + már az első fokozatnál megoldani a fázisfordítást....és no NFB ![]() TJ. A hozzászólás módosítva: Okt 22, 2019
Nagyon beindult itt a forgalom.
![]() Addig tupírozzátok a fázisfordító fokozatot, míg eljutunk az ARC D-76-os kapcsolásához, - na az jó. Meg is kérik az árát annak az erősítőnek, Én is elfogadnám, szépen szól és dögösen! - A csöves erősítőknél minden fokozatban lehet helyi visszacsatolást létesíteni egyszerűen. Mindenféle visszacsatolási mód alkalmazható! Ez nagy szó, mert félvezetőknél nem. Az átfogó negatív-visszacsatolás csak a stabilitás megtartásához szükséges, tartalékokkal, hogy az adott impedanciájú komplex-terhelés ne rontsa el az erősítő egyébként már jó átvitelét! Gondos, előrelátó méretezés-tervezés-elkészítés! - már eleve garancia a jó minőségre. Üdv!
Ebben a Radford STA25-ben van a létező legszimmetrikusabb fázisforgató - van itt kérem NFB
Kicsit ki kell ábrándítanom a tisztelt konstruktőröket. Én nagyon kimért, és udvarias ember vagyok. Nem akartam "beszólni" ennek a képtelenségnek a kapcsán:
"mennyire rohadtul asszimetrikus a differencialerositos meghajtas. Az egyk rácson mikor 40V a vezerlojel, a masikon kb 10V." Mindenki érzékeny, s büszke, de azért ha már valaki vitatkozik, vagy okoskodik (nem kívánt törlendő)kicsit is tisztában kellene lenni a fogalmakkal. Ha már ír. És igen AHA, meg globál, meg BG, meg amerikai, meg FÁZISFORDÍTÓ kifejezések ellenére a dolog nem így van a valóságban. Ezekkel a szövegekkel, max egy prospektusban lehetne hülyíteni a zene kedvelő embereket. Az meg nem erkölcsös, mivel a zeneszeretők nagy része nem ért a műszaki dolgokhoz. Először is mit mérünk, s hol. Egy LONG TAILED PAR fázisfordítót, amelynek szép magyar neve a differenciál erősítős fázisfordító. Ha valaki megnéz egy 1962-es szakmunkás könyvnek ide való részét, az tudja, hogy ezen kapcsolás második triódájának rácsa a földre van kapcsolva általában egy 1M-ás ellenállóval, és hidegítve van, azaz AC szempontból a földre van kötve egy kondival is. Nos ha ez igaz, márpedig a szakkönyvek szerint igaz, akkor a második cső rácsán nem van 10 Volt, legfeljebb az alkatrészek tökéletlensége miatt pár mV AC fesz. Persze lehet 10 Volt is, ha rossz a földelés, mert azon földhurok formájában ott a hálózati 50Hz, meg annak többszöröse az egyenirányítástól függően. Gratula, ha ilyen a tápotok. Mondjuk ilyet egy ide író átlag fórumozó sem készít, akit Tunerman úr a másik fórumon gyakorlatilag hülyének nevez. Szóval TJ kollega mivel Sütix mérése rossz volt, Te azt meg bevetted, így meglehetősen mellébeszélésnek tűnik a hozzászólásod. Megértési nehézséggel az küzd, aki ezt nem érti. Pedig tudom, megérted, csak nem akarod, mivel innentől kezdve dől az egész torzítás generátorodnak a műszaki alapja. Nehéz ezt beismerni. Hibás az NFB-t tartalmazó erősítőnek a lehúzása is. Mert az igaz, hogy a jel vissza megy az egyszer már torzító erősítő egységen, de csak egyszer. Miután ez az egység már NFB-vel rendelkezik,az az erősítő egy más erősítő. Egyszerűbben fogalmazva egy áramkör csak 1 ciklusban torzít, a másodikban már az egy más erősítő, mivel működésbe lép az NFB. Az NFB-t tartalmazó áramkör torzítása pedig csökken. De félre téve az 1962-es szakmunkás könyvek nem ismerésének problematikáját, még mindig csak egy dolgot várok: Valaki nekem, meg az egész fórumnak magyarázza már el, hogy TJ és SX kapcsolása hogy biztosítja a dinamikus működés közben a két módusú jel szimmetriáját. Semmi mást nem kérek, csak a magyarázatot arra, ha ez így egzaktul működne, akkor miért nem alkalmazták 100 évvel ezelőttől kezdve. Nyilván azért, mert az elv rossz, hibás, hibás gondolat kísérlet, és hibás mérésekre alapozódik. Az elvetek az, hogy egy differenciál erősítős fázisfordítót nem differenciál erősítősre változtatjátok, és ezt kombináljátok egy lebegő parafázisú fázisfordítóval, ami meg nem lebeg, mivel ki van hagyva az a része, ami CSAK fázist fordít a 100%-os NVCS miatt. Szerintem ez egy tovuhabohu, a végeredmény pedig egy szmörcsil erősítő. Szóval nem lenne egyszerűbb bevallani, hogy sikerült nagyon drága alkatrészekkel készíteni egy hifi normát sem megütő erősítőt? Amúgy taps jár érte, mert ekkora lúzerséget még az Ezermester című újságban sem követtek el, ezért jár a taps: meg az ünneplés:
"többfokozatú erősítőben az első, a második, a harmadik, vagy kimenőről nyert jellel lesz tökéletesebb az áramkörünk" Ilyen korrekt erősítőben pedig nincsen. A kimenőről soha nem csinálnak visszafelé fázisfordítást, ugyanis nem lehet a fázis viszonyok miatt. Ez ostobaság.
Szép ez a hosszú leírás, csak az a baj vele, hogy szimplán nem igaz.
A D76-nál van egy érdekesebb erősítő is, az ARC D51. Annak majdnem olyan a fázisfordítója mint a Süteményx-é, csak meg van duplázva, és természetesen van benne NFB-is. Lásd a fotót. Ezek az erősítők legendásan jól szólnak. Hál Istennek, minden héten tudok ilyet hallgatni egy barátom révén. Felteszem a D51 kapcsolási ábráját. Tanulságos, mivel ellent mond minden non NFB-s teóriának, és mégis a hangminősége csodálatos. Olyan mély, torzítatlan basszussal való megszólalás, artikuláció, természetes hangszer hang előadás, tér leképzés a sajátossága, amilyen más erősítőknek nem igen van. Mindezt úgy, hogy a végletekig "lineárosított" kis érzékenységű hangfalakon is hatalmas dinamikával adja elő. Mert ugye a 3 Wattos SE egy nagyon érzékeny, tehát nem optimalizált átvételű hangfalon nagyon, sőt a világon a legjobban szól. Ja, NFB sincs benne.
Semmi gond az észrevételeddel. Olvass utána. Más is utána fog nézni. De ha meg tudod magyarázni, hogy a diff. erősítős fázisfordítónak rácslevezető ellenállással, és hidegítő kondenzátorral miért nincs nulla AC a rácsán, akkor kiutalunk neked egy Nóbel Díjat. Szóval hajrá!
|
Bejelentkezés
Hirdetés |


Szerintem kevés a meghallgatási tapasztalatod, azért állítasz ilyen butaságot. Példának okáért egy multi NFB-t tartalmazó McIntos MC275-öt még senki sem mondott rossznak. Most egy ilyen erősítő állapottól függően 1,5-2,4 millió Ft. Az eredeti, de használt csőkészletét meglehet venni úgy 600 000Forintért. Ne hidd már, hogy egy 6AS7G-nek nevezett szovjet



Mondjuk ilyet egy ide író átlag fórumozó sem készít, akit Tunerman úr a másik fórumon gyakorlatilag hülyének nevez. Szóval TJ kollega mivel Sütix mérése rossz volt, Te azt meg bevetted, így meglehetősen mellébeszélésnek tűnik a hozzászólásod. Megértési nehézséggel az küzd, aki ezt nem érti. Pedig tudom, megérted, csak nem akarod, mivel innentől kezdve dől az egész torzítás generátorodnak a műszaki alapja. Nehéz ezt beismerni. Hibás az NFB-t tartalmazó erősítőnek a lehúzása is. Mert az igaz, hogy a jel vissza megy az egyszer már torzító erősítő egységen, de csak egyszer. Miután ez az egység már NFB-vel rendelkezik,az az erősítő egy más erősítő. Egyszerűbben fogalmazva egy áramkör csak 1 ciklusban torzít, a másodikban már az egy más erősítő, mivel működésbe lép az NFB. Az NFB-t tartalmazó áramkör torzítása pedig csökken. De félre téve az 1962-es szakmunkás könyvek nem ismerésének problematikáját, még mindig csak egy dolgot várok: Valaki nekem, meg az egész fórumnak magyarázza már el, hogy TJ és SX kapcsolása hogy biztosítja a dinamikus működés közben a két módusú jel szimmetriáját. Semmi mást nem kérek, csak a magyarázatot arra, ha ez így egzaktul működne, akkor miért nem alkalmazták 100 évvel ezelőttől kezdve. Nyilván azért, mert az elv rossz, hibás, hibás gondolat kísérlet, és hibás mérésekre alapozódik. Az elvetek az, hogy egy differenciál erősítős fázisfordítót nem differenciál erősítősre változtatjátok, és ezt kombináljátok egy lebegő parafázisú fázisfordítóval, ami meg nem lebeg, mivel ki van hagyva az a része, ami CSAK fázist fordít a 100%-os NVCS miatt. Szerintem ez egy tovuhabohu, a végeredmény pedig egy szmörcsil erősítő. Szóval nem lenne egyszerűbb bevallani, hogy sikerült nagyon drága alkatrészekkel készíteni egy hifi normát sem megütő erősítőt? Amúgy taps jár érte, mert ekkora lúzerséget még az Ezermester című újságban sem követtek el, ezért jár a taps:






