Fórum témák
» Több friss téma |
Fórum » Csöves erősítő készítése
Ne feledd betartani a fórum viselkedési szabályait, és a topik megmaradásának feltételeit. [link]
A téma átmenetileg fagyasztva lett, hozzászólni nem tudsz!
Hello!
Tudnál valami weblap elérhetőséget adni ehhez a szépséghez...Az asszony azt mondta, hogy gyönyörű és hogy a következő lakásunkba építhetek ilyet. Ja meg amúgy is tetszik, és legalább AutoCAD-ben megrajzolnám.
Azok valóban PL-ek, viszont nekem PCL86-ból áll a rendelkezésemre "akárhány"
Sziasztok!
GG-nek üzenem, hogy megjött, és köszi! Kérdés hozzátok: 6AS7G,vagy 6080,v. 6H5C,v. 6H13C kéne nekem 4db olcsón, legutolsó esetben ecső.hun 1750Ft, de mivel a talibörzén 4db-ra szert tettem, ezért kipróbálok "deszkamodell" szinten egy OTL kapcsolást, mert minden megvan hozzá, és miért ne?!(Azt ott lent!)
Itt a párja, ha kevés lenne.
/A képen az nem én vagyok, az csak illusztráció /
Meglehet,ehhez az "attrakcióhoz" még 10W-ra sem lenne szüksége...
Az anyagárát meg sem merném saccolni,nyilván nem "hétköznapi" használatra szánták. Egy jó barátom épített fostex meghajtóval tölcsért,nem volt rossz,de(...)Isten tudja...én valahogy nem kultiválom az egyutas rendszereket,-ízlések és pofonok,-azért csodálom az erényeiket.
Sajnos ma már a faanyag sem olcsó mulatság,s egy tölcsérnél ezen nemigen lehet spórolni.
Azt lehagytam a végéről,h az ajánlás még félig sem komoly,csak érdekességképp tettem fel.Ezekhez irdatlan méretű szoba(?)...inkább terem kellene,ahhoz,h ki tudják futni magukat...de a hangja,-miképp a megjelenése,-monumentális lehet.Amúgy a meghajtó inkább lowther,az még háromszor drágább.
A mindenit,ez se piskóta,s ott van alatta a két monoblokk is.Azért ezt (is) meghallgatnám...
Nos, így a leírást nézve, valóban OTL-nek tűnik.
Üdv.
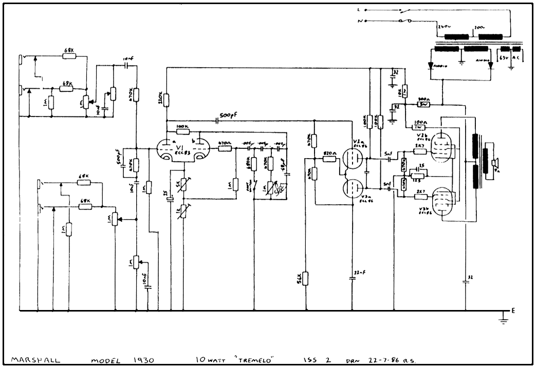
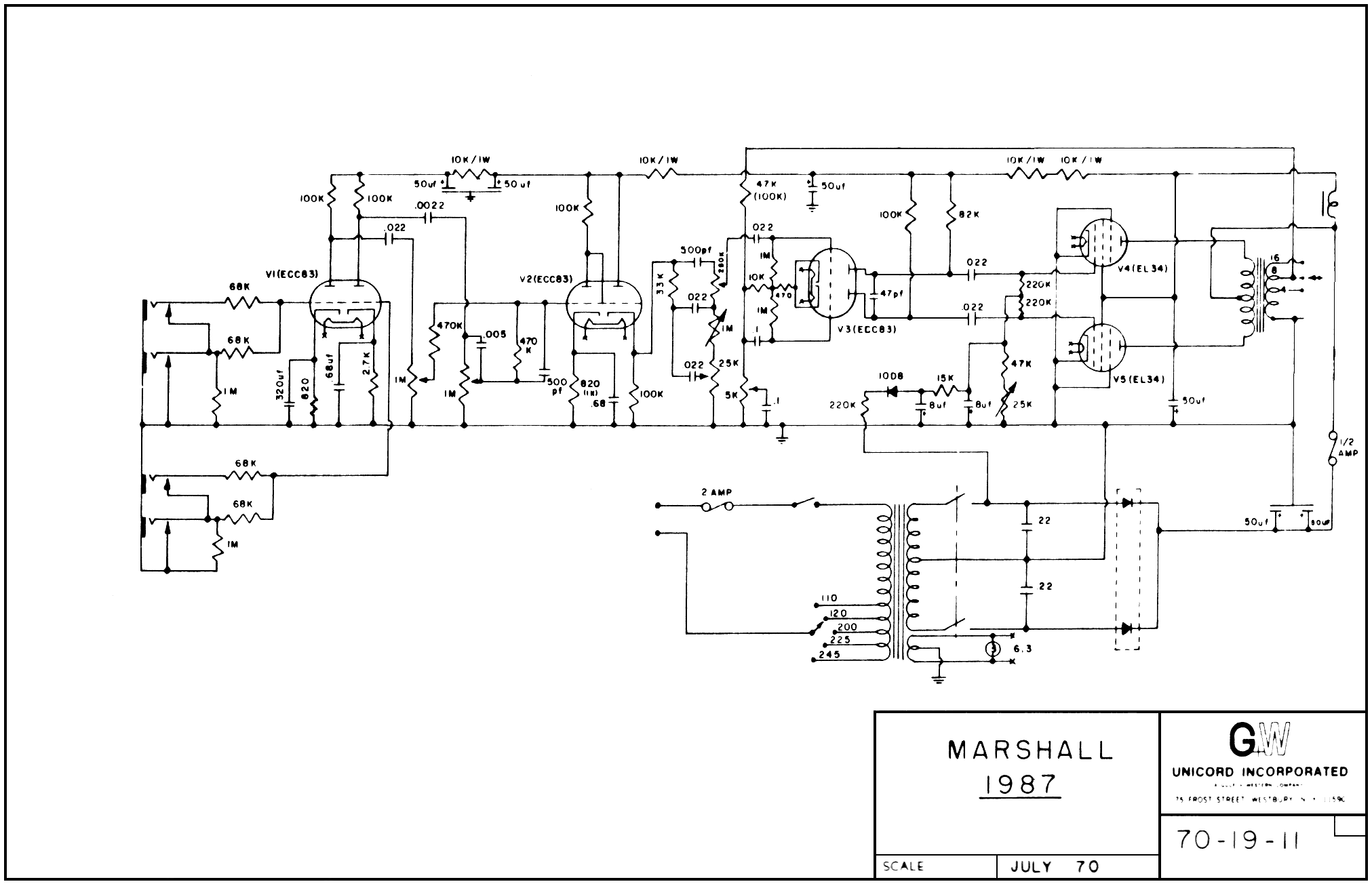
Tudna valaki mondani táp- és kimenőtrafó adatokat marshall 1987 -hez ? (eredeti, nem X ) neten ilyesmit nem találni
Ezt aztán ne!
Ebből sosem lesz jó otl. Ciklotron vég, differenciális meghajtó a minimum. A meghajtás is legyen erős, nem lehet ennyivel elintézni.
Ha valakit komolyan érdekel egy otl megépítése, azzal szívesen konzultálok privátban.
otlm@freemail.hu Az érdeklődők meghallgathatják az enyémet is és eldönthetik ez alapján hogy érdemes-e belevágniuk. Mindezt csak azért ajánlom fel, nehogy lukra fussanak és aztán ebből vonják le a következtetéseiket. Akinek nem csak a lejáratás a célja hanem komolyan gondolja, annak szívesen segítek amiben tudok.
otlm kolléga, mi lett a régi neveddel? /rádszálltak?/
No mindegy... Én csak kipróbálás szinten szerettem volna eleve, bár kétségeim is voltak, hogy a 2x130mA hogy is lesz elég akár még a 16 ohm/ 35w-hoz is, hát még a 8ohm-ra... Ha ezekkel a csövekkel esetleg van jó kapcsolásod, és nem annyira bonyolult, akkor szívesen venném!
Valami túlbuzgó letiltott
!Jó kapcsolásom nem igazán van, mert a neten leginkább csak elgagyizott alkalmatlanságokat lehet találni. Tervezni kell egyet, nem lehet nagy probléma. Kapcsolást semmi szín alatt nem teszek közzé fórumon, sőt leginkább már semmit!
Nekem kicsit gyanús ez a kapcsolás...4 szem 6ASG szerintem kevés egy tisztességes OTL-hez. Triódánként 13 W disszipáció lehet, ha elfogadom hogy egy cső akkor 26 W-ot tud disszipálni (ami ugye nem így szokott lenni, ilyenkor inkább kevesebb), akkor is csak 86-87 mA lehet a nyugalmi áram egy csőfélre, ennek fényében az odaírt wattok túlzónak tűnnek, főleg egy egyszerű futtermannál.
Az már egy másik kérdés, hogy a katodin előtt ott van egy diff. erősítő, miért nem inkább az fordítja a fázist (akkor egy-egy másik csővel tisztességesebb meghajtás is lehetne (amúgy a diff. erősítő ilyen alkalmazása tetszik nekem))...meg a 220 K rácslevezetőnél sokkal kisebb kellene szerintem (bár akkor a katodin valószínűleg ki sem tudná hajtani 6AS7G-ket). Az, hogy a lebegő föld, nyugalomban mennyire lesz föld négy csővel.....(próba).
Jó meglátás.
Négy ilyen csővel már lehet azért olyan erölködőt faragni ami nyomokban hasonlít egy tisztességes erősítőre, de ennyivel még inkább a kimenőtrafó. Ez a buli csak agyament méretekben ütőképes szerintem, akkor viszont naon.
Hát, van pár választás az 1987-és a 1990-ig épitett
Silver Jubilee sorozatból nem mindegy, hogy 50-es vagy 100 wattos vagy előfokcsöves (hibrid). Egyébként a neten nagyon sok kapcsolást találsz a Marshallokrol. Pl: Dr Tube. Eredeti kimenőtrafót lehet vásárolni EtronicShop nevü web áruházban. A hálózati trafó adatait is nagyon könnyű megtalálni csak keresni kell a megfelő helyeken! a gugli a barátod!
1987- 6 TIPUS van. 1987T 1987X 1987 LEAD MKll 1987 std power, 1987 std pre 1987 notated. Ezek között 1 csak előfok, a többi 50 Wattos EL34 vagy 6550 végcsővel hajtott. Adamnak kimenő leírás kellene, amit tényleg nem talál a neten.Nem nagyon publikus.
Sziasztok!
Szereztem egy pár nagytudású Remix ellenállást és potit a 90%-uk még új, sosem talált gazdira, ha valakinek kell, ingyen viheti. Persze szivesen fogadok érte 1db ECC88-at, ha valakinek túl sok lenne esetleg
Éppen néztem az Etronic Sshop-ban az eredeti marshall kimenő trafókat van közöttük egy aminek az ára 47 euro és tudja az 50 wattotBővebben: Link
lehet hogy tudja az 50 Wattot, de beleizzad.néhány Marshall kimenőt szétszedtem, eléggé érdekes módon mókolják össze a kínaiak. Valahogy kiszámolják hogy 3-4 évig működjön csak. Úgy mint a hálózatit. Egy óra múlva olyan forró, hogy tojást lehetne sütni rajta.Sorok között semmi szigetelés csak a lakk.1,5-2 T-re gerjesztik kevesebb drót kell, és még fűt is.
Én az 50 Wattos Soldanoban olyan trafókat csinálok hogy 4 óra teljes kihajtás után éppen hogy csak langyos.
igen tudom hogy sok kapcsolás van a neten, a dr. tube-ról van az a kapcsolás is ami alapján építem. Csakhogy ezeken nincs trafó adat, ezért kérdeztem, hátha tudja valaki. Egyébként 50w-os, "sima". szóval nem MKII, stb.
Egy kicsit azért nézelődtem a neten (vagyis elég sokat) és arra jutottam hogy a JCM800 és a JTM szériák kompatibilisak trafó téren. Onnan gondolom hogy valahol árulnak táp és kimenő trafót is, és azt írják hogy JCM800/plexi (JTM)... szóval egy ilyenről szereztem néhány adatot, szerintetek jó lesz? Itt a kapcsolás is ami alapján építem:
Igen ezt írtam priven is neked, hogy nem sok eltérés van közöttük, de a kimenő tekercselrendezése mindnél ill majdnem mindnél más.Ez is befolyásolja a hangzást.Azt hogy egy marshall kimenőtrafó 3,2 kohm, az EL 34 vagy a 6550 csövekre vonnatkozik.Befolyásolja a csövekről lejövő feszültség is a teljesítményt. A szekunder úgy van kialakítva hogy az adott anódfeszhez a kimenet pl 8 ohom 20 volt, 16 ohmon 28,8 Volt legyen.
Milyen érdekes. A Marshall ECL86-os gitárerősítője.... Lehetne egy cikket írni "Hogyan csináljunk régi TV-inkből Marshall erősítőt"
Ez jó! ECC83 van a TV-ben?[off] Tudsz cikket írni Te is! Csak rajta! Engem érdekelne!
Üdv.Tegyetek föl olyan helyeket ahol 2 EL34,3 ECC83 erősítők találhatók-van egy gyári kimenőm hozzá/LANY/ Köszönöm.
Bővebben: Link
A home-ra kattintasz és válogathatsz a márkák között
Az LC 50 -et csináld meg. Egyszerű mint a zsíroskenyér, és egy Marshall jcm 800 valamelyik tipusa koppintása.
|
Bejelentkezés
Hirdetés |


/ 





