Fórum témák
» Több friss téma |
Fórum » Csöves erősítő készítése
Ne feledd betartani a fórum viselkedési szabályait, és a topik megmaradásának feltételeit. [link]
A téma átmenetileg fagyasztva lett, hozzászólni nem tudsz!
Idézet: „Ráadásul ezzel a kimenővel sem járható a feszültségnövelés, mert ez egy adott kimenő, egy adott áttétellel. Nagyobb feszültségnél a cső nagyobb illesztőellenállást "kér", amihez nagyobb áttételű kimenőtrafó kell! Szóval mindenféleképp kell új kimenő ... ” Ha elolvasnád, hogy mit írtam, ezt nem írtad volna le! PL504-ről beszélünk, ha jól tudom, az többet bír. A sorvégfokban hány V az anódfesz? Mert nem hiszem, hogy 200V. Mit beszéltem én 4,5kV-ról. szegény PL504-eseknek biztos nem adnék ennyit! [OFF]De mostmár akkor sem írok semmit, ha utánanéztem, valakinek fontos lenne a válasz, senki nincs egy hétig itt. Mert úgysem jó, amit írok...
Figyelembe kell venni a PL504 disszipációját , hibába növeled a tápfeszt egy szint után , a kivehető teljesítményt nem igazán tudod emelni .
Az adatlapból megtudod , hogy Wa = 16W , ez meghatározza a max. kivehető teljesítményt , SE estén ez kb. 20% , nagyobb torzítással legfeljebb 25% lehet. Bővebben: Link
természetesen a 4,5 kV nem Neked szólt, de ha megnézitek a PL504 adatlapját, akkor látható, hogy amax anódfeszt 550 V-ban szabják meg, amit ugye megközelíteni sem célszerű. Szóval a 700 V sem járható út. De a hozzászólásom nagy része BodyGuardnak szólt,..
Én is egy ilyesmire gondoltam. R4 helyett itt is lehet áramgenerátort alkalmazni?
EL84 PP meghajtására, és fázisfordítónak mi szerinted a legjobb cső, illetve kapcsolás?
Lehet félvezetővel , de csövel is , hogy ne "botozzanak" meg .
Ha kevés csövet szeretnél használni , akkor ECC83 , 6N2P , már magában elegendő , az előző vázlat jól használható .
Áramgenerátorral már ECC88 elegendő magában EL84 meghajtásához . Csatoltam egy megoldási lehetőséget , R6 helyén trimerrel belőhető a csövek munkapontja .
Oké, bocs, már megint mellényúltam én is. A 4,5kV tényleg csúcsfeszültsége, nem tudom, hány ms-ig bírja ki.
[OFF]Reggel egy 'kicsit' "harapós" voltam. Bocsi!
Most egyelőre azon vagyok, hogy a PL504-est úgy állítsam majd be push-pull ba hogy tökéletesen üzemeljen, de gondolkozom rajta, mert mivan ha kifogy a csőkészletem és nem lesz több PL504?
az EL34-est meg gyártják, lehet átépítem a végfokot arra, csak az Oktál foglalatra kell átmoddolni az egészet "szinte"
Idézet: „mivan ha kifogy a csőkészletem és nem lesz több PL504?” Szeretnék én addig élni, amik ki nem fogy a PL504 (PL500).
Eljössz a börzére és 100-150Ft-ért dobálják hozzád a PL500-504 csöveket. EL34 az már drága 2500-3500Ft attól függ milyen gyártmány. És ahhoz már nagyobb áttételű kimenő kell mert annak magasabb az Ra-ja.
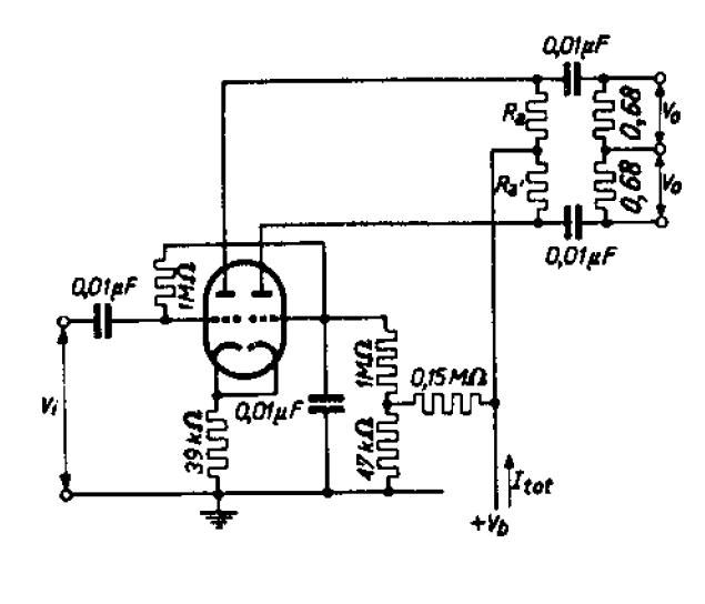
Valakinek van valami tuti előerősítő kapcsolása ecc83 vagy ez80-al.(de ne az legyen hogy a google
ezt meg ezt kidobta elsőre, mert valami bevált dolog kéne ami biztos jó)előre is közsönöm
Nekem van egy bevált kapcsolás.
Ezt raktam az én erősítőmbe is és egész zsír én +185V-al hajtom (de ha kisseb feszel üzemelteted pl 12V tökéletes csöves torzítónak is gitárhoz ) Én ECC85-el építettem meg, de működik ECC83-al is ugyan úgy
Itt van egy. A tápot remélem tudod. Az EZ80 az egyenirányítócső, ilyenekre nem jó.
Az összetartozó lábak az 1,2,3, és a 6,7,8. Úgy nem fog szólni, ha pl. az 1,2,8-as lábat használod.
Hiányzik innen valami nem?
Húúú, bocsi! Itt a rajz.
Semmi gond köszi.
Ez gitárhoz egy st151-es végfok elé?
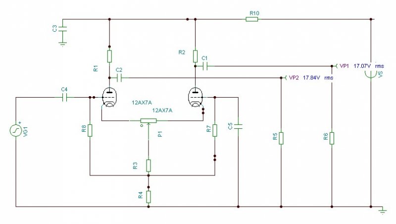
nem szivesen pofázok bele más dolgába, de az anódról kicsatoló 1,5 Mohm-ot a következő fokozat
rácslevezetője nagyon leterheli, és a frekimenetet is elrontja. Talán segít, ha a rácslevezetőt 3Mohra választod, de így se az igazi
Mit szeretnél hajtani róla, mi lesz a jelforrás?
Rácslevezető? Hol látsz Te olyat? Nem lesz következő fokozat, Ákos ST151 elé rakja.
Egy félvezetős végfok elé semmi értelme csöves előfokot tenni. Attól nem lesz csöves hangzás. Az st151 bemeneti ellenállása 12k ezt csak egy katódkövetővel lehetne maghajtani. A katódkövető elé meg a Márk rajza de pár módosítással.
Márk, és egy félvezetősnek szerinted mennyi a bemenő impedanciája?
Nem tudom mennyi lehet.. De akkor nem kell a 10nF, és az 1,5M. Át kell kötni, oszt' jólvan.
A Márk rajzán nagyon hasraütés szerűek az értékek. A katódellenállás két részre osztása, és csak a felső része van hidegítve. Visszacsatolás nélkül értelmetlen. Az anódellenállással párhuzamos kondi meg magascsökkenést idéz elő.
Idézet: Nem bizony de én mégis megtettem ! Ami azt illeti csöves hangzás az nem lessz de viszont azért más lessz tőle a hangzás ha egy félvezetős elé csövet rakunk ! Aki ebben kételkedne annak betudom bizonyitani van két egyforma erősítőm az egyik csupa csupa tranzisztoros a másikban van egy árva cső az elején ! Nos ezt a kettőt összevetve van azért némi külömbség , de hozzáteszem nagyon elenyésző ! Csöves előfokkal ez a valami ! „Egy félvezetős végfok elé semmi értelme csöves előfokot tenni”
Ne már... Nem is néztem, milyen rajzból szedtem... Na, akkor ezt is el lehet felejteni.
Ebben a formában igen.
|
Bejelentkezés
Hirdetés |





az EL34-est meg gyártják, lehet átépítem a végfokot arra, csak az Oktál foglalatra kell átmoddolni az egészet "szinte"
Ezt raktam az én erősítőmbe is és egész zsír én +185V-al hajtom (de ha kisseb feszel üzemelteted pl 12V tökéletes csöves torzítónak is gitárhoz
) Én ECC85-el építettem meg, de működik ECC83-al is ugyan úgy 

