Fórum témák
» Több friss téma |
Fórum » Csöves erősítő készítése
Ne feledd betartani a fórum viselkedési szabályait, és a topik megmaradásának feltételeit. [link]
A téma átmenetileg fagyasztva lett, hozzászólni nem tudsz!
Lehet hogy nem a csöves hangzás a lényeg neki, hanem a zajszegénység, én is csináltam ilyen Hybridet és tudom hogy tényleg IC Sustorgás mentes ha a végfok 100% tranyó és az előfok 100% cső (Mellesleg tényleg kicsit más lesz a hangja mint ha IC-vel hajtanád)
Köbzoli beszólása nagyon teccik
[OFF] Bocs de az előbb EZT a linket akartam !
Ez nem hibrid ! [quote] A köbzoli beszólása meg nekem is tetszik ! [OFF]
Sikerült összeválogatnom 2-2 egyforma paraméterű csövet. Így már egészen más a leányzó fekvése.
![]() Egy kérdésem lenne. Miképp állítsam be a pentódák nyugalmi áramát? Most minden pentóda 20mA-re van állítva, de mikor játszogattam vele, nem tapasztaltam különösebb változást.
Ő, én már elvesztettem a fonalat ki mit rakna az ST elé de akkor valami konkrét kapcsolást esetleg valaki.
(őszintén szólva csak a hangzása érdekel )
Idézet: „Nekem van egy bevált kapcsolás. Ezt raktam az én erősítőmbe is és egész zsír én +185V-al hajtom (de ha kisseb feszel üzemelteted pl 12V tökéletes csöves torzítónak is gitárhoz ) Én ECC85-el építettem meg, de működik ECC83-al is ugyan úgy” Magyarul és röviden, én ezt raknám elé Le van tesztelve nagyon jó az átvitele és szépen szól
Meggyőztél
Lehet hogy buta kérdés(ez most egy cső a kapcsolásban vagy kettő
1 db cső de a búrán belül két darab trióda található.
Azt hiszem 187BodyGuard kapcsolását választom.
Hogy kéne vezetékezni az előerősítőt valaki van valami képe a megvalósításról.( forleces megoldás esetleg) nem nagyon készítettem még ilyen szerkezetet. nagyon szépen köszönöm az összes választ
Köszi! Ha befejeztem a PCL PP-t, akkor majd kísérletezgetek !
Ennek örülök .
Szerintem 25 mA-ig felnyomhatod , ha a tápod 300V alatti . Nézd meg kicsit túlvezérlve is , hogy szimmetrikus-e a vágás .
Ok , akkor majd kitárgyaljuk még a lehetőségeket .
Azért ne hidd el , hogy a felsorolt 3 csö csak úgy behelyettesíthető ebbe a kapcsolásba .
A hang át fog menni , de milyen minőségben ... Katódellenállásokat megfelelően méretezni kell !
Mit akarsz erősíteni a végfokoddal ?
Ha CD szintű forrást használsz , akkor az ajánlatok közül egy sem lehet jó választás . Csak zaj , gerjedés túlvezérlés lesz az eredménye . Gitár , mikrofon használatához már szükséges előerősítő , de nem az ajánlatok közül választanék ilyen célra sem .
0,5-ös duplán zománcozott rézhuzalja nincs véletlenül valakinek eladó, elcserélhető, kb. egy negyed-fél kilónyi?
Sajna nekem nincsen
egyszeresen zománcozott van, de csak annyi, amennyi nekem is kell. Bajkeverő hazsnál kétszeresen zománcozott, 200 fokig hőálló huzalt ! Szerintem kérdezd meg Őt! (abból a hiperszilből lesz még esetleg mondjuk október felé? )
Este megkérdezem, ha jön gép elé.
A 2600-at sokallom negyed kilóért, amikor vaterán 6000-ért vettem 6 kilónyit. Csak persze olyan nincs benne ami kéne. Lesz még szerintem hiperszil trafó, majd kérdezz rá, ha aktuális lesz. Nekem is kell venni még kettőt, ha kitalálom mit is csináljak belőle. Van otthon két 6080-am, abból lehet valami értelmeset kihozni?
Gitárhoz kel egy st151-es elé (de már írtam egyszer)
Akkor te mit ajánlanál?
Pl. az SLO clean-crunch csatija, csatoltam. A V2 és a hozzávalók, C3-tól VR2-ig nem kellenek, ha elég egy dögös rockos torzítás. Ez mondjuk két ecc83, a tápot meg lehet oldani ez80-al.
Nem tudtam , hogy gitárhoz kell .
Amennyiben csak erősíteni szeretnél , akkor egy csővel simán megoldható , de gitárhoz hangszín és egyébb szolgáltatások is kellhetnek . Cavalier már mutatott is példát rá .
én beletenném az overdrive csatit is, az egy igazi zuzda, aki szereti a metált.
Végülis az már nem sokkal több, és optó helyett lehet kézzel is kapcsolni, ha nem lényeg a lábkapcsoló. A hangszínkört meg be lehet rakni a katódkövető után, és egy hangerőpotit is, az meg mehet a végfokra, gondolom valami műverősítő a bemenete, az nem terhel be talán.
Nem, sajnos 12k a bemeneti impedanciája az st151-nek. De egy izmos katódkövető (ECC82) megbírkózhat vele.
Az optók helyett /4db/ lehet reléket használni, de az optó kényelmesebb megoldás, és csak 1 kapcsoló kell hozzá.
igaz jóval drágább is, az optók db-ja közel 2000ft. Ha csak church meg clean hangzás kell, egyszerűbb megoldás a marshall JCM 800.
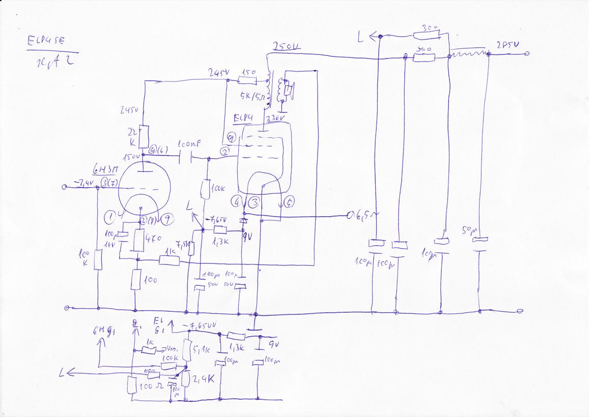
Megszületett az EL 84 SE kapcsolása. Végülis találtam egy 4*27 Kohmos hangolópoti egyságet, és ezt muszály volt felhasználnom rácselőfesz beállítása céljából (enélkül is megoldható persze, ahogy eredetileg akartam, az EL 84 fűtőfeszének egyenirányításával, de ezzel a négyes potival nagyon elegáns beállítás valósítható meg). Meghajtó cső 6N3P lett.
Egészen jó hangja lett, mérve sem rossz. A kapcsolás:
Pár oszcillogramm:
Sajnos alacsony frekin nem az igazi, és magas frekin sem (nagy vezérléssel).
Hangsugárzót is csináltam a Sábáim feléből. A fuvallat is megszólaltatja és elképesztően életszerű hangja van. A hangszórók úgy vannak bekötve, ahogyan gyárilag is volt, a 25-ős (mély-közép) és a 20-as (közép-mély) egyszerűen párhuzamosan a magas 10µF-al leválasztva.
Nem rossz , mekora reljesítményt tudtál összehozni így ? Kimenő milyen vasmagra készült ?
Most lettem teljesen kész a függvény generátor dobozolásával.
A tápot, külön dugasztápról kapja. |
Bejelentkezés
Hirdetés |


Köbzoli beszólása nagyon teccik
Ez nem hibrid ! [quote] A köbzoli beszólása meg nekem is tetszik ! [OFF] 
Le van tesztelve nagyon jó az átvitele és szépen szól 

nagyon szépen köszönöm az összes választ
egyszeresen zománcozott van, de csak annyi, amennyi nekem is kell. Bajkeverő hazsnál kétszeresen zománcozott, 200 fokig hőálló huzalt ! Szerintem kérdezd meg Őt! 











