Fórum témák
» Több friss téma |
Fórum » Csöves erősítő készítése
Ne feledd betartani a fórum viselkedési szabályait, és a topik megmaradásának feltételeit. [link]
A téma átmenetileg fagyasztva lett, hozzászólni nem tudsz!
Köszi! Pedig ez csak sima mattfekete spray. A sasszit újabban már acélból készítem. Az alu nagyon sérülékeny és nem jó festeni.
Szép lesz ! Selyemfényű festék ?
Ezek nagyon jó minőségű, és hangú ellenállások! Újonnan vetted, vagy bontottad? Ha az előbbi, akkor hol ( ha nem titok ) ? ![]() Ja , most olvasom, hogy mattfekete Azzal könnyen, és szépen lehet dolgozni,és viszonylag gyorsan szárad !De ezek a fóliakondik minőségben ezek mellé az ellenálások mellé már nem illenek. Minimum Wima MKP4, MKP10, vagy ERO MKP kellene , vagy valami Remix, a lényeg, hogy polipropilén, vagy olajpapír. Ezek a tömb MKT-k sem nem hangban, sem nem minőségben nem járnak élen ...
Ezek a kondik voltak itthon. Nekem nincsenek rossz tapasztalataim velük. Az ellenállások újak. Ki voltak dobva én meg megmentettem őket.
Mázlista
Azért egyzser kipróbálhatsz egy pár MKP, vagy olajpapír kondit csatolónak !
Lehet, hogy a kondikat majd lecserélem MKP-re. Nem lehet olyan nagy összeg.
Üdv urak, összeszereltem a dolgot, nem szól a kis mocsok, a cső szépen izzik, pont annyira kap fütést ami jó lenne neki váltó 12V 1.2A DC trafóról, viszont az alapkapcsolásban a negatív ágamon kicserélt 470µF 63V os kondik vannak fő a biztonság kedvéért, V+15,45 megvan de a V-0.65 mérek! hol lehet a hiba? a kapcsolást úgy építettem meg ahogy itt van!
Idézet: „váltó 12V 1.2A DC trafóról” Ennek nincs értelme Nem lehet, hogy zárlatos a negatív ágban a kondid? Biztos, hogy váltó 12 V-ot adsz neki?
Hoppá a elírtam, szal dc-t nem akartam írni, bocsi,
a kondikat most vettem, szinte kizárt hogy zárlatos legyenek. arra gondoltam hogyha meg lennének szakadva a diódák, de akkor meg azon az ágon egyáltalán nem lenne feszültség. csak az egyenirányítás lesz a gond úgy érzem! Ha nincs más ötlet akkor külön csinálom meg neki a szim. tápot, viszont az nem lehet e gond itt, hogy a trafó egyik vége az a földelésen van?, mert az ijen féloldalas tápoknál úgy rémlik van szimulált föld és az mintha nem így lenne,
Kicsit méricskéltem, megvan az a miniusz is de a 3.7 es lábra tehát a plate re a csőben -0.68V jut, ileltve az ic 4. lábára! Szerintem ez lehet a gond, holnap tüzetesebben átnézem a kapcsolást, lemérek mindent már fáradt vagyok hozzá!
Sziasztok, par perce elesztettem fel eletem elso erositojet, ami raadasul egy csoves gyonyoruseg. Az erosito alapja, es meghajtoja egy ECL82-es cso, az elesztes es osszerakas szamomra eleg erdekes volt, bonyolultnak tunt, de mar elsore is izgalmasnak igerkezett, es minden egyes ujabb kis siker megerositette bennem azt a gondolatot, hogy en szeretem a csovesek vilagat! Szeretnem megkoszonni csoves baratomnak es mentoromnak Doncsonak a segitseget, nelkule nem sikerult volna, mikor feladtam volna is mellettem alt, es segitett megoldani a problemakat. Jelenleg is hallgatom ezt az 1-2W-os csodat, es mar tudom, hogy ezt a vilagot en nem fogom elfeledni, sot beallok enis a sorba, es igazi csoves leszek, a szo pozitiv ertelmeben!
Kepeket is hamarosan mellekelek! Megegyszer koszonet Doncsonak, es a forum aktiv tagjainak! Udv Hulla!
Az egyenirányítással mi lehet a gond? 2 db dioda. Az egyik a pozitív félhullámokat, a másik a negatívokat engedi át a közös ponthoz ( test, a hálózati trafó secunderének egyik vége ide kell, hogy jöjjön ) képest. Olyan egyszerű, mint a faék ! egyutas egyenirányító, 2 db.
átnéztem a beültetésit a kapcs rajzhoz képest. Szerintem jó.
Megreggelizek aztán kimarom a táppanelom én is. Aztán hátha nekem is lesz ilyen problémám, vagy leglaább jobban megértem..
A nyákrajz jó,a beültetésen néhány alkatrész értéke helyiértékileg eltér, valamint a beültetési rajz DC 12V-ot mutat, ami megtévesztő, és "hibásan működő" pedálhoz vezet !
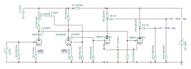
Kipróbáltam a DC csatolt meghajtást gyakorlatban is .
Hozza az elvárásaim , 2x 65V eff. 51K terhelésre , (bemenet 700mV) . Negatív 50V finom beállításával tökéletes szimmetrikus vágás érhető el , kimenet szimmetriája is csak mV nagyságrendű eltérést mutat . Tudom sokan idegenkednek a DC csatolástól , rajzoltam egy kondis csatolású variációt is , ezt még gyakorlatban nem teszteltem . Ez is megfelelő lenne a 6AS7 PP meghajtására , itt szimmetrikus NFB is beköthető.. Idézet: Nyugott lelkiismerettel bele vágnék ! Sajnos a 6AS7 -el nincs szándékom építkezni , csak egy füles erősítőt ! Ugy - hogy ezzel majd rajtad kívűl megbarátkozik más is talán ? „Tudom sokan idegenkednek a DC csatolástól”
Ha 50 voltot is tekerek a trafóra, ha ráfér, akkor én is a DC csatolt rajzot építem.
Biztos ráfér ,0,15- 0,2mm vezeték is elegendő .
Az a meghajtás sok más végcsövet is kiszolgál , akár GU50-et is .
Szia !
Örülök , hogy mégis összejött . Idézet: Nos ez már jobban érdekelne ? Akár bele is vághatnék már megvan mindkét kimenőhöz a tervezett vas mennyiség ! A hálózati is adott csövek foglalatok egyszóval minden adott lenne . Csak hát a doboz ? meg egy jó kis kapcsolási rajz . Sajnos még nem sokat konyitok a tervezés mélységeibe , kapisgálok némi apróságot de az még édes kevés ? „akár GU50-et is”
Akkor azt is rárajzolom a trafóm rajzára.
A doboz , az probléma ??
Nekem esetleg , de Te ne mondj ilyet . Sok tervezést már nem igényel , csak hozzá kötöd a végcsöveket megfelelő mukapontban , + a kimenő és kész .
A doboz , az probléma ?? Még nekem is beletellik egy napba legalább ?
Idézet: No ez már azért több lenne mint egy nap ! „csak hozzá kötöd a végcsöveket megfelelő mukapontban” Idézet: Ezt meg ha nekem kéne kiszámolni biztos kész is lenne 2020 -ra ? :hide: „+ a kimenő és kész .”
Tudod , hogy megoldjuk , ha komolyan gondolod .
Szoktam én viccelni ? szoktam de ez komoly ! Ez már egy eltervezett projekt csak eddig nem volt megfelelő vasam a kimenőkhöz , most már van ! Ezek szerint lessz belőle valami , ha lessz megfelelő kapcsolásom . Tudod a többi az majd megy magától , no meg némi segítséggel !
CHZ, és a többiek biztos fognak segíteni rajz, és kimenőméretezés ügyben. Szerintem ég az évben kész lesz az erősítőd!
Én kíváncsi vagyok, egyzser kipróbálom. Most majd egy El84 PP-t készítek, bár karácsonyra kész kellene lennie, szóval sokat nem tudok kísérletezni vele, de ha időben elkészülnek a trafók, akkor kipróbálom, és amelyik jobban tetszik, az marad !
nekem meg az a bajom a 6AS7-tel, azonkívül, hogy egyzser rendeltem kettőt vaterán, elég jó áron, de az egyik összetört a postázás során, hogy jelenleg csak egy 6N5Sz, és egy 6N13Sz van a birtokomban ...
biztos én vagyok a hülye, de hol a DC csatolt rajz ? bocsi ..
|
Bejelentkezés
Hirdetés |



Azért egyzser kipróbálhatsz egy pár MKP, vagy olajpapír kondit csatolónak !


a kondikat most vettem, szinte kizárt hogy zárlatos legyenek. arra gondoltam hogyha meg lennének szakadva a diódák, de akkor meg azon az ágon egyáltalán nem lenne feszültség. csak az egyenirányítás lesz a gond úgy érzem! Ha nincs más ötlet akkor külön csinálom meg neki a szim. tápot, viszont az nem lehet e gond itt, hogy a trafó egyik vége az a földelésen van?, mert az ijen féloldalas tápoknál úgy rémlik van szimulált föld és az mintha nem így lenne, 





