Fórum témák
» Több friss téma |
Fórum » Digitális sebességmérő motorra LED-es kijelzővel
Témaindító: tbence3, idő: Ápr 30, 2006
Témakörök:
A ds18s20-as hőmérsékletszenzort ismerem én is, egy másik projektben nagy megelégedéssel használom is. Arról nem is beszélve, hogy a microchip is gyárt speckó i2c, illetve spi-s szenzorokat, csak ezeknek egy hátrányuk van! Én ugyebár a motor hőmérsékletét szeretném mérni. Vagyis a motorból kijövő víz hőmérsékletét. Ezért a szenzor a fagyállós vízbe kerül elhejezésre. Mivel a ds18s20 to92 tokozású, nagyszerűen használható a hőmérsékletmérésre, de a lábak szigetelését nehéz megoldani. A pt100 ezzel ellentétben nyugodt szívvel belerakható ílyen közekbe. Csupán ez volt a fő érv a pt 100 mellett.
Abban igazad van, hogy egy grafikus lcd jobb lett volna, sőt még háttérvilágítása is van, de a nyákot télen terveztem, illetve marattam, és raktam is össze. A teszt ideje alatt a nyári napfény töredékével sütött a nap, és így nem volt gondom. Úgy gondoltam, nyáron is látszani fog, de a direkt napfényben sajna nagyon halvány. Azért is írtam ide a fórumba, hogy ebből tanuljunk. Használjunk háttérvilágításos grafikus lcd-t erre a célra
elkanyarodtatok a témától!
digitális sebességmérő vs hőmérsékletszenzor
azé írtam azt mert az van ithon :
, de van grafikus is csak nincs háttérvilágítás ![]() kijelzőnek ahogy mondtad vagy csinálni kell egy ilyen takarást és folyamatosan megy a háttérvilágítás, estleg használhatunk OLED kijezőket :
Ha mobiltelefonéhoz hasonló a kijelző, (szval majdnem át lehet látni rajta) ahhoz baromi egyszerü háttérvilágitást barkácsoni... Fogsz egy darab 4-5mm-es plexilapot, mindkét lapját 360-as papirral felcsiszolod mattra, majd oldalról megvilágitod ledekkel.. és a plexit természetesen be kell tenni a kijelző mögé.. :nyes:
ha esetleg nem elég a fény, akkor még egy fehér müanyag lapot tehetsz a plexi mögé.. nekem ilyen van a sz.gép elejében, és kéken világit.. pöpec!
Én anno (1992) már használtam kerékpárra való kilométerórát egy 500-as Hondához. Az 150 km/h ig mért,kalibrálható a kerékméret,napi számláló, egyéb finomságok.A legolcsóbb alternatíva.
Valszeg akkor jó lehet...
De a kmóra spriálra szerelt motor, mint generátor is szimpi 5let... Nekem, legalábbis.
egy bibi van vele (motornál) ha az eredetit is szeretnéd hogy működjön ez nem jó
én valmi hall szenzoros megoldásra gondoltam késöbb elmondom mire csak most fáradt vok :S
De végülis azt nem lehet megoldani hogy ami eredetileg van a motorban km/h óra az gyorsabban mozogjon amikor kell akkor a pontos km/h mutassa?
Nem vagyok biztos benne, hogy értem, mit kérezel...
Az elején olyasmit vetettél fel, ha jól emléxem, hogy a km óra lassan (lomhán) reagál a sebesség-változásra. Ugye? Nos, már akkor felvetődőtt bennem, hogy ez nem üzemszerű működés! Két gyanúm van: 1. A spirál "bowden"-szerű vezetéke szorul 2. A befogadó (vagy a menesztő, esetleg mindkét) persely kopott, ezért alul- iletve túlpörög a "bowden". Ezt a kettőt kellene ellenőrizned. Ha egyik sem, akkor az órában lehet még baj, de ezt javítani (házilag) nem nagyon lehet. Viszont ezek egyike sem elektronikai téma... Szal ezt a részét fejezzük be, és ne OFFoljunk tovább a fórumot!
Lehet.
De nem azért kérdeztem hanem lehet hogy egyszerübb lenne.De akkor amúgy van valakinek valami más ötlete vagy kapcsolása?Az a Hell annak minek kellene lennie?De amúgy pontosan akkor mi is ez a hell? Ami az inpulzososkat veszi?
A hell az pokol, de nem arról beszélünk.
A Hall érzékelő egy olyan kis bigyó ami a mágneses tér változására reagál. Ilyen van a számgépbe való ventikben, a CD meghajtók motorjánál, stb, stb. Tehát majdnem minden olyan motorban ami nem kommutátoros és DC feszről megy. Van több fajta kivitelben, de a leg jellemző a 4 és a 3 lábú kivitel. A 4 lábú-ban csak az érzékelő van benne, ez a mágenses tér erősségével és polarizáltságával arányos feszt ad ki magából. A 3 lábúban pedig már van erősítés es jelformálás, ezt szokták használni impulzus létrehozására.(PC ventikben is ilyen van) A Kimenete TTL szintű. Röviden ennyi vóna.
aha asszem akkor értem.Végülis akkor ezután kellene egy pic ami ezeket a "hullámokat" veszi és átkonverlálja a 7szegire mind km/h.az elvi müködése akkor ennyi lenne ugye?
jah! nagyvonalakban! Lényegében egy frekimérőt kell csinálni ami számolja az impulzusok számát mondjuk úgy 0.1s-onként.
és a frek mérőt lehet állítani hogy mikor mennyi ideig? vagy külön idő csoportokba vanna megadva hogy mennyi ideig számol?
Huh! Az az igazság hogy nem nagyon vagyok otthon frekimérő terén. Magamtól még nem építettem csak meglévőt raktam össze. Ezért nem igazán tudom hogy hogy is megy a mérés......
csak annyit tudok hogy bizonyos időközönként ráengedik a bemenő imulzusokat a bemenetre és amig a feldolgozás tart addig nem megy jel a bemenetre. A bemeneten meg egy számláló vagy valami ilyesmi értékét jelzi ki a PIC programja.
Sziasztok! Van két problémám. kellene nekem eggy méterszámlkáló terepjáróra. olyan kellene aminek be lehet programozni hogy mennyit vegyen 1000 méternek és ha én megnyomok eggy gombot akkor mindig nullátol kezdjen számolni valami ledkijelzüs kéne hogy sötétben terepen is jól láthattó legyen. a másik motorkerékpárra kellene nekem eggy km óra azt valami lcd re gondoltam ami a megtett km et is ki tudja jelezni és a pillanatnyi sebességet is az se lenne baj ha a sebességet valami mutatós modszerrel mutatná. tudnátok nekem ezekben segíteni? előre is köszi a válaszokat!
Idézet: „Van több fajta kivitelben, de a leg jellemző a 4 és a 3 lábú kivitel. A 4 lábú-ban csak az érzékelő van benne, ez a mágenses tér erősségével és polarizáltságával arányos feszt ad ki” amiket én láttam négy lábút az is úgy müködik mint a 3 lábú, csak nem egy "féle" mágneses térre hanem kettőra reagál, (ha nincs "egyik" akkor automatikusan másik van )de ilyennel eljaccanák ami feszt ad ki arányosan! üdv
Sziasztok!
Ma egész délután ilyen sebeségmérővel szórakoztam, vagyis még mindig szórakozok.... A motor (csoda Romet ) első kerekére fel van rakva egy kis mágnes, meg egy HALL-IC. AVRrel próbálom megoldani ezt a feladatot úgy, hogy mérem a két impulzus közötti időt. A kerék kerülete 1.13méter és ezt megszorozva 3.6-tal (m/s >>km/h)=4.068. A sebesség v=s/t >> v=4.068/t. Eddig minden szép és jó. v=4.068/4.068=1km/h. Ha ezt a 4.068 sec-et felosztanám 256-részre akkor kijön hogy 0,015..... Tehát beálítok az egyik 8bites timernek hogy 0,015 másodpercenként átforduljon(255->0=megszakítás), ekkor léptet egy változót, hozzáad egyet. tehát 256ilyen lépés után kijön (0,015..*256=4.068sec>>>1km/h). Ez is ok. Csak az a baj hogy az v=4.068/t függvényt ábrázolva egy hiperbola jön ki. (Excelben ábrázolva). Az a legnagyobb gond, hogy nagyon sok szám jön kerekítve 1km/h-ra meg 2-re meg ezek körül, de már 40km/h-nál már 10-esével ugrik a sebesség értékeSzóval most nem tudom ,hogy lehetne lineárissá tenni az egész dolgot.... vagy egy normálisabb eljárást találni
Szerintem fordítva csináld: számold meg adott idő alatt a beérkező impulzusokat. Ehhez persze 2 timerrel kell: az egyik a bejövő impulzusokat számlálja, a másik ezt a számlálót az időalapnak megelelően kiolvassa/újraindítja. Az első számláló lehet tisztán hardware is, erre jó az "input capture" üzemmód. Az időalap lehet pl. 1s, de bármi más is, ezzel a frekvenciával frissülhet a kijelzés is.
A bejövő impulzusszámlálás nem jó... Kéne vagy 4,vagy több mágnes, kicsi lenne a felbontás vagyis kb így nőne a sebesség gyorsulás közben 0-4-8-12-16.....
Azóta rájöttem a megoldásra. Eddig táblázatból akartam kikerestetni az időhöz tartozó sebességet.... Megoldható lenne de nagyon nagy táblázat kéne hozzá. Tehát az 1MHz léptetni fogja a 8bites számlálót, az egy 16bites számlálót (egy változót) növel, 1MHz/256= 3906,25Hz-el, ennek a reciprokát véve T=0,000256sec egy egység. Most már annyi a dolog, hogy amikor jön az impulzus (fordult egyet a kerék) akkor a 16bites számlálóval meg kell szorozni ezt az kicsi időt, Majd a v=s/t képlettel kijön a sebesség értéke nagyon szép felbontással. (kb 0.1km/h-ra). Mondjuk ez a felbontás a hibebola miatt nem ugyanannyi mindig, ezért 160 fölött már 2km/h-val lép. 220 fölött már 3-mal. De hogy menne 160-at egy romet vagy simson, vagy egy mákdaráló robogó Szóval ez így tökéletes lesz
1MHz timer interrupt? brrrr...
persze ha más dolga nincs a procinak akkor mehet, de egy komolyabb alkalmazásban én kerülném. Inkább tennék fel még néhány mágnest és rábíznám a dolgot a hardwaréra (az autókon tipustól függően 60 vagy 100 jel jön fordulatonként)
Azóta megírtam működik tökéletesen.... Más dolga nincs a procinak, csak a sebességet méri. Azért 1MHzről, meg belső oszcillátorról megy, mert szerintem a kvarc nem bírná a rázkódást...
Közben rájöttem, hogy a timer IT ebben az esetben csak 1Mhz/256=3906.25Hz-en fut, ami teljesen elfogadható érték.
A technikai részleteken innentől kezdve lehet vitatkozni, de tény hogy egy adott problémára mindig több jó megoldás létezik, amik közül nem mindig könnyű a legjobbat kiválasztani. A legfontosabb az, hogy a kiválasztott megoldást stabilan működő állapotba hozzuk, ami itt sikerült is. Gratulálok hozzá! ![]()
hello mindenkinek
azt szeretném kérdezni h világitás h oldható meg a digitális kijelzőre mert ha veszek egy bicklire való kijelzőt azt is rárakhatom a gépemre de este nem látok semmmmmiiitttt
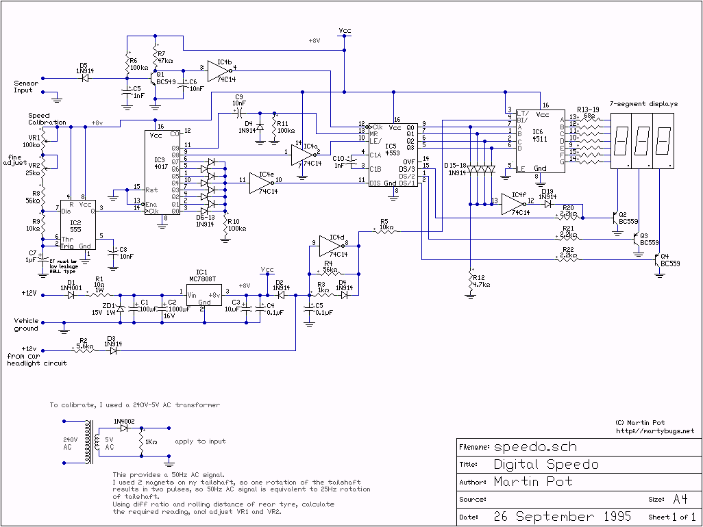
Itt van egy egész jó 3-digites km/h: http://martybugs.net/electronics/speedo.cgi
Feltettem most a HE szerverére is slambi2 által linkelt oldalon lévő rajzot, ugyanis sose tudni, hogy HE-től független lapok mikor válnak végleg elérhetetlenné a rajtuk tárolt tartalommal együtt...
sziasztok
szerintem az egyszerűbb és láthatatlanabb dolog az lenne ha inkább a generátort mérnénk le és azt alakítanánk át hogy kijelezze a digites kijelző mert szerintem egy mágnes a motor küllőjén hát nem túl szép látvány |
Bejelentkezés
Hirdetés |




csak nincs háttérvilágítás 






