Fórum témák
» Több friss téma |
Szia!
Tehát működik, ez jó hír, akkor megcsinálom én is. Köszönöm gyors választ.
Mint írtam, ezt NEM ismerem. Nem ezt építettem meg, hanem az elejéből azt, ahol fordítva van az NPN tranyó az IC-k közt.
vízkőmentesítő Üdv Inhouse
Ehhez mit szóltok?Túl egyszerű hogy hatásos legyen?
Vélemények?
Szia!
valami hasonló kinait használó ismerősömnél azóta nem kell vizkövezni a boylert (kb 4 éve) De, hogy" hiszek -e" benne? ezt nem tudom!
Két ellenállás, meg egy kondi az IC mellé megér egy misét!
![]() Honnan lőtted a rajzot?
Szia!
Olyan sok hozzaszolas van mar es annyifele hogy mar nem egyertelmu nekem 2 dolog. Vegul forditva vagy normalisan kell rakni a tranzisztort, ugyanis az egyik hozzaszolasban a megepitett mukodonek leirt keszulekben nem forditva van. A sarga led villogva vagy folyamatosan kell vilagitson? esetleg belinkeled azt a rajzot amit te epitettel meg? johet maganban is. Kosz!
Szia!
6 hozzászólással ezelőtt linkeltem be. Fordítottal megy, de nem biztos, hogy elsőre menni fog, függ a tranzisztor jellemzőitől. Próbálni kell... Üdv Inhouse
Ok, kosz, most mar tiszta a rajz, a led villog vagy folyamatosan vilagit?
Üdv !
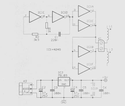
Egy barátom megkért hogy építsem meg neki a mellékelt kapcsolást. Kérdés hogy szerintetek a kondenzátorok melletti M15, M1, 1G, 2G2, 4G7 feliratot hogyan kell értelmezni ?
Ez gyors volt, köszi. Amúgy miféle jelölési rendszer, vagy nyelv ez ? Soha nem láttam még ilyet.
Én egy kicsit másképpen látom:
1G=1000u 2G2=2200u 4G7=4700u akit érdekel itt a teljes leírás (csehül) http://sel.wz.cz/download2/h2o.zip http://sel.wz.cz/download2/h2o_2.zip
Ez valami 7. galaxis beli jelölés lehet.
Azért egy rajzon belül ennyi féle, és egyedi jelölés nem semmi. Egyedül a C3 van normálisan jelölve. Ha 1500µF et meg 4700µF et akart tervezni, azt 1m5 és 4m7-el kellett volna jelölni, mivel 1000µF az egyenlő 1mF-al. Vagyis mili farad. A G az mifelénk gigát jelöl a M pedig megát. Kondiban elég érdekes méretek jönnének ki. Egyébként 100nF, 150nF, 1000uF, 1500uF, 2200µF és 4700µF lesz az.
Köszi mindkettőtöknek ! Lassan lesz trafó, aztán nekilátok a termosztát nélküli változatnak.
Megépült a cucc. Frekimérőt rákötve 1600 -hz et-et mutat, de ezt modulálja fel-le 5Hz -el. Szerintetek ?
Szia
Lenne egy kis problémám rémlem tudsz segíteni. Megépítettem a vízkő mentesítőt és valamiért nem villog a sárga led. Tápot kap mert a zöld led világít. Próbáltam a hangszóróval is (fülhallgatóval) de semmi.
Üdv Mindenkinek!
Megint megjelent a vízkő. Egy egyszerű készüléket szerettem volna ezért megépítettem az alábbi kapcsolást. Szerintetek mennyire lehet hatékony? Próbáltam az előző kapcsolásokból ellopni pl. a "végfokot", csak ez FET-tel megy nem tudom jó-e igy? Ilyen hangot ad. A freki magasról indul és kb 1kHz-ig csökken majd kezdődik előről. Itt az egyszerű szoftver: DEVICE = 12F629 CONFIG INTRC_OSC_NOCLKOUT,MCLRE_OFF,WDT_OFF DIM a AS WORD DIM c AS WORD kezd: a=a+1 IF a=500 THEN a=25 FOR c=1 TO 100 HIGH GPIO.2 DELAYUS a LOW GPIO.2 DELAYUS a NEXT GOTO kezd Várom a tippeket ötleteket...
Itt meg is lehet rendelni a kit-etBővebben: Link
Én használok, de a fűtőszálon lazább a vízkő de lerakodik. Gondolkodok rajta hogy frekis fűtérvezérlést kellene készíteni!
Sziasztok!
Ami az én saját tapasztalatom az elektronikus vízkőmentesítővel kapcsolatban az ,hogy semmit nem ér.Az a gyanúm,hogy egy humbuk az egész!Ez az otthoni felállás: Saunier Duval Renovastar kazánt használunk,amiről persze utólag derült ki,hogy egyáltalán nem tartozik a jó készülékek közé.Maga a forgalmazó is bevallotta...Sajnos a hőcserélőjét évente kellett savazni,mert ahol mi lakunk rendkívül kemény a víz.Éves szinten probléma volt a HMV körrel.A kazán elé be lett építve egy polifoszfátos vízlágyító ,ami adagolta a vízlágyítót ,de ez sem segített.Aztán mint lenni szokott az ember mégy egy utolsó mentsvárként vettem egy elektronikus vízkőmentesítőt a CONRAD-ból,és láss csodát,hétvégén megint savazni kell.Ez év áprilisában lett beüzemelve.Szóval ez az elektronikus kütyü is csak egy pénzkidobás volt,pedig mágnesezik,meg bombázza a kristályokat,meg"átszerkezti"a molekulákat,stb...Jaaa,persze max. vmi sci-fi-ben )Úgyhogy próba képpen azért érdemes építeni egyet,de venni semmi esetre sem,ne kövessétek el azt a hibát,amit én,hogy drága pénzért vesztek egy baro***ágot! Azért,ha vkinek még van vmi ötlete a vízkő elleni harcban és megosztaná velünk,hálásak lennénk,mert azért nem adjuk fel a küzdelmet!!!
Tessék meosztom amit én tudok...
Bővebben: Link Bővebben: Link Olyan helyen dolgoztam ahol vizsgálni tudtuk vizes laborban a működését. Működik. A képen, a két üvegben lévő mintán is jól látszik. Zárt rendszerben (a folyamat felgyorsításáér) folyt a teszt. A két üveg víz között egy hónap telt el. Az elektronikában a T1-es tranzisztor HELYESEN! van rajzolva! Alacsony áramú üzemmódban fordított tápfeszültségen is működik, méghozzá óriási meredekséggel, ide meg pont az kell.
Szia!
Miféle kiterjesztés? mivel nyitható?
7zip, ingyenes tömörítő program, tudja az összes többit is. Érdemes kipróbálni.
Üdv Inhouse
Sziasztok!
Inhouse, és Tom Lord: Köszi a segítséget! :yes:
Üdvözlet!
- sok mindenhez nem értve! ,- az elektromos töltés és a hang is, mint ezgés igen jól terjed a vízben! - lásd bálnák sok km-ről társalognak... - végig olvastam a topic-ot: ,s két megoldás is volt: az utóbbi egy tekercs (zárt) vagy a két "nyitott antenna" tekercs a hatásosabb, vagy csak az elvi megvalósítás más? (gyondolom a zárt tekercs egyértelműen elektromágnes, gerjesztett tekercs) - egyébként a szkeptikus hozzállás szerintem csak tudás alapon célra vezető - sok jó dolgot olvastam, de még több fölösleges hitetlenséget, mely szerinte sokszor fakadt abból, hogy nem volt tisztában ezt a készüléket mire is lehet használni. (ugyebár nem vízlágyításra és nem vízkőmentesítésre, hanem lerakódás mérséklésre!Szemantikai probléma, téves név társítás, azaz a név jelentéséből fakadó elvárt eredmény bizony ezek szerint elmarad! lsd. a hivatkozott v.hivatal határozat.) - egyébként, hogy 1-2eFt-ból kihozható és mennyiért adják, az szerintem nem teljesen átverés, ha mindenki tudná, hogy milyen sok termék van ilyen! Így lehet gazdagodni! lsd. termék bemutatók pl... - szóval szerintem fogok építeni egyet, és várakozásnak megfelően beválik! Még a kétkedőknek egy kérdés: értik a rádió működését? ,voltak már reumatológiai kezelésen, meszesedés kezelésen?
Szia!
Lenne pár kérdésem, mert nem tudok németül. Szóval az első Idézet: „Az R2 -es ellenállással lehet 1 Hz és 20 Khz közé beállítani” Vagyis R2 3,3k ohm poti? Ha nem, akkor hogy kell számolni R2-őt frekvenciára? Mitől függ, hogy milyen frekvenciára kell méretezni, és azt én laboratóriumi körülmények nélkül, kúti vízzel, hogy állapíthatom meg? A tekercsek milyen átmérőjű, anyagú, szigetelésű huzalból/vezetékből legyenek? 1 szálas? Sodrott? Hány menet kell belőle? Függ-e ez a cső anyagától, átmérőjétől, vastagságától? Ha igen, hogy állapíthatom meg, milyen kell? Mennyit fogyaszt?
Nálunk fúrt kút van és szivattyú látja el a házat a
36nk° keménységű vízzel. (Budapesti csapvíz kb. 12-15 nk°keménységű! Lehet viszonyítani...). 3 havi bojler tisztítást már egy kicsit untam ezért ma megépítettem az alábbi változatot egy bináris osztós, 3 IC-s verziót, BC182vel és BC212-vel, ( ugyanez a kapcsolás BC182-212 ill. BC546-556-tal is szerelepl). Elméletileg ez egy full automatikus áramkör, normál és rendszerkarbantartó periódusok váltakoztatásával, külső beavatkozást nem igényel. jelek alapján elméletileg még jelet is ad a tekercsnek. Az 556-os kimenetére kötött controll led 8 mp-ig világít, majd 8 másodpercig villog kb. 25-öt, és ez így váltja egymást már lassan 4 órája. A tekercsek közelében lévő középhullámú rádiót iszonyat zavarja a gerjesztett sípoló hang, innen gondolom, hogy működik is az áramkör. Viszont passzolom, hogy ennek tényleg így, ilyen periódusba kell-e működnie. Mert elméletileg van benne egy egy hetes periódus is. Mindenesetre 3-4 hónap múlva beszámolok a bojler állapotáról, az eddigi takarításokhoz képest. |
Bejelentkezés
Hirdetés |














