Fórum témák
» Több friss téma |
- Ez a felület kizárólag, az elektronikában kezdők kérdéseinek van fenntartva és nem elfelejtve, hogy hobbielektronika a fórumunk!
- Ami tehát azt jelenti, hogy a nagymama bevásárlását nem itt beszéljük meg, ill. ez nem üzenőfal! - Kerülendő az olyan kérdés, amit egy másik meglévő (több mint 17000 van), témában kellene kitárgyalni! - És végül büntetés terhe mellett kerülendő az MSN és egyéb szleng, a magyar helyesírás mellőzése, beleértve a mondateleji nagybetűket is!
Heló!
Kéne egy 10K-s termisztor, de csak 47k-s volt. Hát megvettem. Hogy lehetne ebből 10K-s-at csinálin? Milyen ellenállást kell mellé tenni párhuzamosan? Köszi előre!
A termisztorral ne köss pótlólagosan semmilyen értékű ellenállást. Lényeges tulajdonságát :adott hőmérsékleten mutatott ellenállását változtatod meg. Inkább tedd fel a kapcs rajzot,amit szeretnél megépiteni,lehet hogy tudunk áthidaló megoldást a rajz ismeretében adni.
Sziasztok!
PC-speaker 4-8 vagy 16 ohmos nyugodtan kotheted a lejatszora de csak PROBALNI!! nem hazibulit zenelni vele :beka2:
Bővebben: LinkItt van!
Boldika. Tegyél a 10µF helyére 2.2µF-ot,és igy próbáld...
Helló
csak 1 gyors kérdésem lenne hozzátok: Ehhez az erősítőhöz szimpla vagy szimetrikut tát kell? (azok a csíkok elvileg a földet jelentik akkor az a 0V vagy a mínusz?) | | | ˇ
+-17V-os szimmetrikus táp kell. A föld (V alakú csíkozással jelölve) az a pont, amihez képest a +17 és a -17V potenciálok mérhetők, magyarul a 0V.
szia! Egy helyetesitoje van neki,KA317.
Maskor,mashol is probaljal rakeresni igy ni: Bővebben: Link sok sikert
Sziasztok!!
Nagyon szépen működik a fordulatszámmérőm!!! Köszönöm a segítséget!!Még be kell állítani, de már működik és bent van a kocsiban! Itt szeretném megköszönni, mindazoknak, akik segítettek a műszer létrejöttében. Üdv.
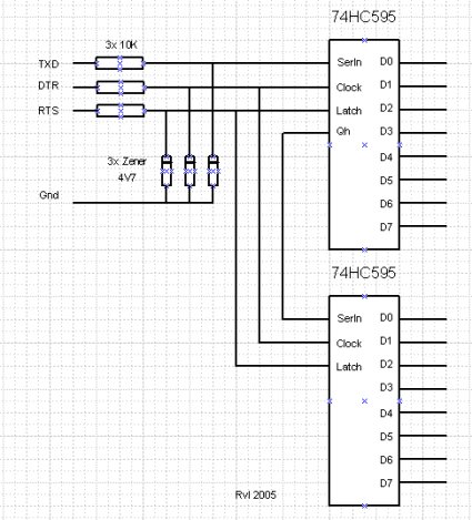
És még egy kérdés:
Hol van ezeknek a Serin, Clock és Latch lába?
Köszi, már megvan, de az adatlapot is néztem. Azon nem így van, hogy Latch... Egyébként hány voltot ad a ki?
Hali!
Az lenne a kérdésem, hogy az ilyen "nyomó gombokat", mint amit a képen mellékeltem (bocsi a minőségért), hogyan lehet tisztítani? Arra gondoltam, hogy gyógyszertári alkohollal átmosom! Gondolom kárt nem teszek benne?
Az alkohol az jó lesz. Ha ilyet javitok akkor én sniccerrel(törhető pengéjű kés) finoman "megvakarom a gumit" egy-két húzás után teljesen tiszta jól vezető felületet kapok. Természetesen a nyákon levő érintkező felületeket is le kell mosni alkohollal.
Hali!
En ezeket vizzel szoktam mosni(pl taviranyitoban is ez a szenes megoldas talahato),de alkohollal sem teszed tonkre,ha csak nem asztatod egy fel orat. Megmosod,majd szarazra torolod.
Helló mindenkinek !
Meg tudja valaki mondani, hogy az MWS5101-es IC pontosan mire való? Kerestem a neten, de nem találtam semmi használhatót
akkor keress rá mégegyszer google-ban mert ezrével hozza a találatokat...
egy kis segítség
http://www.chinaxhr.com/down/pic/MWS5101.PDF (ha beírod google be az alkatrész nevét és .pdf, akkor kidobja a datasheet et xxxx.pdf )
Hali!
Én még ugyan új vagyok, de azért már lenne egy kérdésem.. Megépíteném az ICL7107-es IC-vel működő feszmérőt, de mint látom, az csak DC-re készült. Én AC-re szeretném használni 2V-os méréshatárban. Jó-e, ha egy diódával (esetleg graetz-cel) egyenirányítok és egy kondival simítom a jelet? Méretezhető-e és milyen számítással, hogy 2 VDC-t mutasson a kijelző, de ehhez mekkora bemenő AC kell, illetve az AC változásra a DC lineárisan változik? Köszi a segítséget Tucsi :nemtudom:
Hello.
Tud nekem valaki mondani, video converter integrált áramköröket?
Pontosítok: Hasonló IC mint az mp3 converter, az mp3 lejátszókban, csak ugye ez videjókat konvertálna.
Egyébként létezik ilyen?
Az asztali DVD-lejátszókban pl. pont ilyen áramkörök (DSP-k) vannak...
Hi
Szerintem sincs más megoldás... csak úgy tudsz Ac-t mérni ha előtte egyenirányítod, és kondival kisímítod a jelet, viszont, így Vmax-ot fogsz mérni, neked pedig az Ac effektív értéke kell , ami mint tudjuk gyök2-ed része. Terhát a voltmérődet egy másik (hiteles) voltmérő segítségével be kell kalibrálni, azon kívül mivel elég kicsi feszt akarsz vele mérni, számolnod kell az egyenirányító diódák nyitófeszültség küszöbével. üdv
|
Bejelentkezés
Hirdetés |




:beka2: 
sok sikert
Köszönöm a segítséget!!







