Fórum témák
» Több friss téma |
- Ez a felület kizárólag, az elektronikában kezdők kérdéseinek van fenntartva és nem elfelejtve, hogy hobbielektronika a fórumunk!
- Ami tehát azt jelenti, hogy a nagymama bevásárlását nem itt beszéljük meg, ill. ez nem üzenőfal! - Kerülendő az olyan kérdés, amit egy másik meglévő (több mint 17000 van), témában kellene kitárgyalni! - És végül büntetés terhe mellett kerülendő az MSN és egyéb szleng, a magyar helyesírás mellőzése, beleértve a mondateleji nagybetűket is!
Feszültségosztóról hallottál már? 3 év alatt kellett volna. Vannak hozzá segédprogramok. Úgy érzem hiába írnám le a képletet.
Amúgy ezt ne nagyon akard terhelni :yes: Mire kell?
Hallottam már feszültségosztóról, igen.
Amúgy arra kellene, hogy van egy 24v-os tápom, amit szimmetrikus táppá akarok alakítani, hogy +-12V-ot kapjak az aluláteresztő szűrőmhöz (van is róla egy cikk/kapcsolás Subwoofer szűrő címmel, tl062-es icvel stb)
Sziasztok
Egy 555-ös IC mekkora frekvenciát képes maximum előállítani?
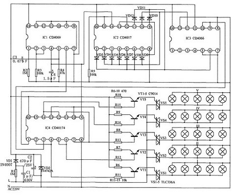
urak találtam ezt a futófényt a netten tudna valaki
nyákotn készíteni hozzá ha nagyon meg kőszőnném? ugyanis nem sokat értek hozzá
Sziasztok!
Milyen cucc kel a mikrofonnak hogy tisztabb legyen a felvetel? Mikrofon eloerosito?
Látom, hogy kapcsolást találtál, de a billentyűzeten a "SHIFT" gombot nem leled... :no:
Akkor mikrofon eloerosito kell?
![]() S annak ha teszek egy hangszinszabalyzot akkor avval lehet allitani a mikrofonak a bemeneti jelet?
Ezt neztem ki magamnak!Ez jo?
Ezt nemertem:|
örülők neki, hogy ebben a klassz szomorkás időben íjjen jó kedved van és ki gúnyolod a kisebbet, a helyet, hogy segítenél rajta
Én adatlapokat és fotókat is küldtem be, nem is árat, de az én hozzászólásom törölték. Érdekesen működik ez a moderáció.
Az, hogy maradt pár db ilyenem, az reklám. OK.
Az, hogy nálam 200 Ft-ért kapható, az nem reklám. Sajátságos.
Sziasztok. Van egy ilyen riasztó távirányító. Szerintetek mi az amitől nem működik? Ellenállást,diódát,kondit mértem azok jók. Azt az IC-t le lehet mérni valahogyan? "Elemet cseréltem benne tehát az most új"
köszi a válaszokat.
A kapcsoló szokott elkoszolódni és elem érintkezői.
Idézet: „zöld izé” Izé... Az nekem kék.
Na de ez a trimer kondija csak úgy elállítódna magától?
Ahogy nyomom a gombot a led nem gyullad ki.(nem világít)A led jó mert kipróbáltam.
A két leggyakoribb hiba az elemcsatlakozó (oxidos, vagy kitört a NYÁKról), és a nyomógomb. Mindkettőt műszerrel ellenőrizd!
És ezeket melyik bótba lehet kapni?[/i]
Nekem is volt már olyan, hogy a nyomógomb romlott el. Belül koszolódott el. Kitisztítottam, utána jó lett egy darabig, de a korrekt megoldás az, hogy veszel egy újat.
Például itt: (Elemcsatlakozó is volt már hibás.)
Üdv Urak !
Bocsánat, nem találtam jobb topikot, vagy csak nem kerestem kitartóan? Készítettem egy LED-es áramkört, változó polaritású 0-12 V egyenáram, egyenirányítás, utána 1000µF 16V tárolókondi, majd 1kohm-os (ez elég?) ellenállás... Ezek után bekötöttem 3 fehér ledet párhuzamosan, működik is. De kellene egy másik panel is , egy a negyedik leddel (piros) . Ennek beforrasztása után ez csak "pislákol, a fehérek meg meg se mukkannak. Kérek egy hozzáértőt, segítsen. Köszönöm
Sokat segítene egy kapcsrajz, hogy mit hova kötöttél. A ledeknek külön-külön tettél előtét ellenállást?
Sziasztok még elég kezdő vagyok , és azon gondolkoztam, és kérdezném meg, hogy a tranzisztorok, és a kondenzátorok előellenállását, hogyan határozzam meg?
Pl egy astabil multivibrátornál , láttam leírásokat , de ezeknek az értékét szeretném módosítani, de nemtudom hogyan.+ anyit még tudok , hogy a LED a tranzisztor , és a kondenzátor ellenállásának módosításával is lehet a villogás mértékét módosítani , de ezt nem értem hogy. Kössz , és kérném a moderátorokat , hogy ne rakják át e kezdő kérdésekhez. THX
Üdv! Pl 2 tranzisztoros astabil multivibrátornál, ha a bázisra menő töltőellenállásokat növeled csökken a villogás sebessége, ha csökkented nő. Ugyanez érhető el csak tágabb határok között, ha a kondenzátorokat cseréled. Növelve az értéküket lassul, csökkentve gyorsul a villogás sebessége. Ha mindkét kondi, és elelnállás értéke azonos, akkor 50%-os kitöltésű tényezőt kapsz, ami annyit jelent, hogy azonos ideig világít mindkét led. Ha csak az egyik kondi, vagy ellenállás értékét változtatod, akkor ez eltolódik, az egyik led rövidebb, a másik hosszabb ideig fog világítani.
Üdv! A ledeket nem célszerű párhuzamosan kapcsolni, főleg nem különböző fajtákat. Itt nem a feszültség a fontos, hanem a rajtuk átfolyó áram. Ezen áram hatására alakul ki rajtuk egy feszültség, ami minden lednél más, és más, beáll egy a lednek megfelelő értékre, és ott tartja a feszültséget. Ezért párhuzamos kapcsolásnál mindíg csak az a led fog jó esetben világítani, amelyiknek a legkisebb a nyitófeszültsége, mivel efőlé az érték felé nem tud meni, ezért a nagyobb nyitófeszültségűek, nem tudnak normálisan működni. Az azonos típusok, közel azonos nyitófeszültséggel működnek, ezért képesek világítani együtt, de nem a legjobb így. Javaslom, hogy a 3 fehéret kösd sorosan, eléjük egy pl 330 ohmos ellenállást köss, a piroshoz pedíg külön ellenállást, az maradhat az 1K-s. így kösd mindegyik összeállítást a 12V-ra.
Sziasztok!
Azt akarom kerdezni hogy,hogy lehet kivenni a telefon memoriakartyabol(micro sd) az irasvedettseget?Nemtudok semmit ra tenni szamitogeprol?Mar probaltam leformazni.
Hello.
Itt az idő felszerelni a karácsonyi fényeket.Szerintem most ez a téma eléggé aktuális. Van ez a kínai ledes villogós cucc. Rámértem, és mindenhol fázis van. Én ezt nem merem felszerelni, mert ha megsérül a szigetelésnek nevezett műanyag bevonat hát..... A vezérlő hálózati feszültséggel működik. Szerintetek hogy lehetne biztonságossá tenni? Esetleg egy leválasztótrafóval? Vagy átalakítani a vezérlőt törpefeszültségűre? Csinált valaki már hasonlót? |
Bejelentkezés
Hirdetés |












