Fórum témák
» Több friss téma |
- Ez a felület kizárólag, az elektronikában kezdők kérdéseinek van fenntartva és nem elfelejtve, hogy hobbielektronika a fórumunk!
- Ami tehát azt jelenti, hogy a nagymama bevásárlását nem itt beszéljük meg, ill. ez nem üzenőfal! - Kerülendő az olyan kérdés, amit egy másik meglévő (több mint 17000 van), témában kellene kitárgyalni! - És végül büntetés terhe mellett kerülendő az MSN és egyéb szleng, a magyar helyesírás mellőzése, beleértve a mondateleji nagybetűket is!
Értem, köszönöm!
De akkor ennek mi értelme van, hogy ilyet tettek rá?
Hello!
Hogy a beültetőgép ezt vidáman elhelyezi és beforrassza mint egy ellenállást. Nem kell átkötés. üdv! proli007 Idézet: „Szerinted. Szerintem pedig az készít (és készíttet) ilyeneket, aki valamennyire képben van a piacot és a doboz belsejét illetően. A 30 ezres kínai az kb. a házibuli kategória (a papír és a felirat mindent elbír).” Nyugodj meg, más sem azért fáradozik... Ugyan te pwm terülten én bipoláris / hibrid területen.. Az illető a saját hibridem kapcsán megpróbált lejáratni de nem jött össze neki mert végül rájöttek ki is és én is ... Érdekes hogy a mesternek becéző magát emberke feltud azért venni itt normális hangnemet is (azon szakterületen amit még csak kóstolgat, de erre Pafi már kitért..).. még ha velem nem is tudott. Néki csak annyit üzennék hogy a saját B five erősítőét méregesse és aztán oktasson ki másokat mi mért van a kapcsolásban meg a kimeneti tagoknál.. mert míg az ő végfoka egy ramaty bizonyos mérésekre addig ő ne vessen rám még csak követ sem (De nem baj, ahogy a monás is tartja.."utólag már minden szép.. ) ..
Sziasztok!
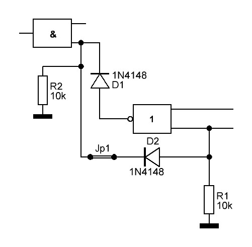
A melléklet szerint összeköthetek két CMOS kaput? Van amikor meg kell kerülnöm az első kaput és úgy gondoltam ezt junperrel oldom meg. Nem tudom, hogy hova kell/nem kell dióda.
D2-őt azt máshová kéne tenni... D1 meg felesleges.
Sziasztok!
Nem tudom, jó helyre írok-e. Van egy öreg NDK-s AKA márkájú szeletelőgépem. Miután szét kellett szedni tengelyek olajzása végett, megnéztem a motorját, ami számomra meglehetősen érdekes. Egy olyan villanymotorról van szó, melyben az állórészben van két tekercs között a forgórész. Ez szinkronmotor lenne? Mert abból, hogy a forgórészen a kommutátor olyan, mint az egyenáramú motorokon, erre következtetek. Forgás közben 50 Hz-es hangot hallat. Tudja valaki közületek, hogy milyen motor ez pontosan? Mi hozza forgásba a forgórészt? Van benne valamilyen inverter? Nem tudok elképzelni váltóáramú motoron ilyen kommutátort. Továbbá sajnos fizikán keveset tanultam a villanymotorokról, mégkevesebbet a szinkronmotorokról. Kérem, hogy ha írtok, képeket ne küldjetek, mert nem látom őket. Üdv: István
Szia !
Ha tennél fel képet könnyebb dolgom lenne, ami a forgást illeti az állórész (tekercs) egy elektromágnes tehát állandóan "be van kapcsolva" mikor a készülék működik mintha állandó mágnes lenne innen szerintem már érthető a működése , ha teszel fel képet többet tudok mondani róla!
Sziasztok!
Szerintetek honnan tudnék kiműteni törésgátlót kábel végére, vagy hol lehet olyat venni? Két helyen is kerestem... Pontosabban a Weller páka végére kellene...
Sziasztok!
Simsonhoz akarok feszültségszabályzót csinálni az akksi töltéséhez. 12 V-os testfüggetlen töltőtekercs van benne.Szerintetek ez a kapcsolás jó lesz? Persze egy graetz hidat rakok még közé. Köszi előre is
Input=bemenet,Output=kimenet,GND= test.A be és kimenetre tegyél 100n kerámia kondit,a másik lábuk a testre,közvetlenül az IC lábaira,még az elektrolit kondenzátorokon kívül,lehet,hogy gerjed és az a baja.
Szia @! Vastagabb szívószál(ha kell duplán), koax (TV antenna)kábel külseje. De ha nem metélted széjjel a hosszabbító kabátját, ráhúzol 5-8cmes darabot. Benzincső, bármi. Végső soron szigszalag, több réteg.
Szia! 12V-ról nehéz 12V-os akkut (rendesen)tölteni, a diódákon is esik 1-2v (mondjuk egyutas, germánium D-vel, 0.2-0.4V), amennyiben pörgés(menet) közben több 12V-nál, van esélyed.
Sziasztok ! Hozzáértők segítségét szeretném kérni a következőben. Kaptam még régen egy Grundig rádiós erősítőt (RTV 600) aminek csak az erősítő része működik (a mai napig) szeretném feléleszteni a rádió részét is. Találtam hozzá rajzot s a problémám az volna, mint tapasztaltam valaki már próbálta bütykölni és hiányzik a tápegységből egy (valószínűleg) stabilizátorként működő tranzisztor (Rajz T751-es) annyi info van a rajzon hogy T2087 de ez nekem nem nagyon mond semmit ha ti tudjátok ez mi is lehet vagy mivel lehetne pótolni az nagyon sokat segítene... Előre is köszönöm a válaszokat !
Hello!
Nehezen olvasható a kép, de ezeket olvastam le róla: A tranyó, maximum 78V feszültséget kap, 56V a kimeneti feszültség, és 100mA a fogyasztás. Tehát minimum 80V-os tranyó, kell, és ami 2..3W disszipációt képes elviselni. Vagy is egy BD240C vagy egy BD422 megfelelő választás lehet. Attól függően, hogy T0220 vagy TO126 az eredeti tranyó tokozása. üdv! proli007
Az bizony egy soros motor, ami alapvetően egyenáramú motor. Mivel azonban az állórész, és a forgórész tekercselése sorba van kötve, a forgásirány nem változik a váltóáramú táplálás esetén sem, mert mindkét tekercsben egyszerre változik a gerjesztő áram iránya. Ezen tulajdonsága miatt hívják univerzális motornak, és működik egyen, és váltóáramú hálózatban is. A soros motornak kedvező a nyomatékgörbéje (a nyomaték fordítva arányos a fordulatszámmal) a kéziszerszámok, konyhai háztartási kisgépek ilyen motorral rendelkeznek.
Szinkron motorokat is használnak kisgépeknél, de ott probléma az indító nyomaték, ezért asszinkron motorként indítják, és a forgórésze nem kommutátoros, hanem állandó mágnes. Olyan helyen használják, ahol fontos a fordulatszám állandó értéken tartása.
Szia! Álltalában szendvicssütőkön van a kábel végén ami a szerkezetbe megy rugószerű cucc az én pákámon az van , működik
Köszönöm, de nekem a gumi féle kellene !
Már talán az összes lehetőséget elmondták, de lehet gyárit is venni. Egy gond lesz vele. Ha jól vettem ki, ősidő előtti pákára akarsz új tip. nyelet rakni. Sajnos, a két verziónak eltér a belseje, ezért a gyári törésgátló vissza fog csúszni a nyélbe, mert nincsen ami megtartaná...
![]() Amúgy nem gondolod, hogy már túl sok topicban építgeted az egy szál pákádat?
Szia!
Hát, ezért akarom elvinni az üzletbe a nyelet, hogy megpróbáljuk a pontos méretet! [OFF]Nem gondolom, mivel a Welleresből kiraktak , mint a ***os macskát, így most nem is fogok visszatérni. Van ott akinek el kellene gondolkoznia egyéb dolgokról, és miket hordott össze, szóval...
Remélem, látszik a lényeg a képen, direkt szétszedtem most az egyiket. A fehér "műanyag" alkatrész, amin a forrasztások is vannak, az támasztja ki a nyélben a törésgátlót. Ellenben, a régi fajtában máshogy volt megoldva, belül egy rövidebb bakelit forrléc, a vezetéket a törésgátlóval együtt egy műanyag csavarral rögzítették a nyélben.
Ne csodálkozz, 4-5 oldalnyi irományt a pákához sem adtak, de a Te pákád kapcsán ott is ennyi született, sec perc alatt... És talán az ötöde szólt ténylegesen a Wellerről.
Igen, ez a gond! Nekem még a régi van a bakelites cuccal, és a csavaros megoldást olvastam, de nem tudom hova mit kéne csavarozni...
Köszönöm a választ. Sajnos mostanában nem tudom a készüléket szétszedni, de amint lesz időm, teszek fel képet.
Sziasztok, egy tényleg kezdő kérdés következik:
A tranzisztornak hány volt esik két-két lába között? Amikor multiméterrel megmérem, a pl. bázis-emitter között 654-es ír ki, akkor 0,654 volt a nyitóárama. Eddig OK. És mindig ekkora feszültség esik rajta, vagy ez hogy van?
Szia! Gondolom a multimétered diódavizsgálójáról olvastál le értéket. Ez lehet épp a tranzisztor bázis emitter diódájának nyitó feszültsége is millivoltban. Nem miden műszer pontosan kalibrált.
Ez nemcsak tranzisztoronként, félvezetőnként változó, hanem az előtted levő példány is változtatja értékét a hőmérséklet hatására. Kísérlet képen pákával melegítsd meg kissé a tranzisztor egyik lábát és ismételd meg a mérést. Ezt a megfigyelésed a későbbiekben még kamatoztathatod.
Bocs, rosszul fogalmaztam.
Azt értem, de úgy akartam írni, hogy például rákötjük egy 12 voltos elemre a BE átmenetet nyitóirányban. Akkor a BE-n 12 volt van. Nem? Amúgy igen, Idézet: „0,654 volt a nyitóárama” helyett feszültséget akartam írni.
Nyitó irányban a bázis-emitter csak véges áramerősséget visel el, ezt az adatlap többnyire tartalmazza. Ezen áramerősségen belül a nyitóirányú feszültség változhat, nagyobb áram hatására nagyobb feszültségesés jön létre. Tipikus értéke az 1-2V-ot nem szokta túllépni. Szintén az adatlapon nézhetsz utána.
A 12V rákötése nyitó irányban a B-E-re a tranzisztor károsodásával járhat. |
Bejelentkezés
Hirdetés |




) .. 
, ha teszel fel képet többet tudok mondani róla! 




Amikor multiméterrel megmérem, a pl. bázis-emitter között 654-es ír ki, akkor 0,654 volt a nyitóárama. Eddig OK. És mindig ekkora feszültség esik rajta, vagy ez hogy van? 


