Fórum témák
» Több friss téma |
- Ez a felület kizárólag, az elektronikában kezdők kérdéseinek van fenntartva és nem elfelejtve, hogy hobbielektronika a fórumunk!
- Ami tehát azt jelenti, hogy a nagymama bevásárlását nem itt beszéljük meg, ill. ez nem üzenőfal! - Kerülendő az olyan kérdés, amit egy másik meglévő (több mint 17000 van), témában kellene kitárgyalni! - És végül büntetés terhe mellett kerülendő az MSN és egyéb szleng, a magyar helyesírás mellőzése, beleértve a mondateleji nagybetűket is!
Hello!
Bocs, valóban nem neked írtam volna.. A tápok általában túláram védettek, de nem abban az értelemben mint egy labortáp. Hanem inkább mint egy végfok. Jobb nem kipróbálni. Ha tartósan így üzemel, szinte biztos, hogy megadja magát. Az AT táp, ráadásul önrezgő üzemmódban indul, vagy is lendít néhányat, hogy a kondi feltöltődjön, utána már a TL494 végi a dolgát. Ha zárlat van, akkor ez az önrezgő mód tartósan fennáll, ahol a jelalakok nem megfelelőek, és hűtés sincs.. Péter: Ha a 12V-os aksit rákötöd, várhatóan áram nem fog folyni, mivel abban is kb. ez a feszültség van. De 12V-al tölteni egy aksit? Annak semmi értelme nincs. üdv! proli007
Köszi, utánanézek
mostmár legalább tudom merrefelé induljak el
Az a baj hogy ez komoly táp így a megbbarálására esély sincs. Gondolom olyan kapcsolás meg rámbonyolult és hülyeség ami 12ből csinál 14et
![]() csak akkor nem folyna áram ha egyenlő a feszültség. De egy merült akksiba van mikor csak 11V van.
Hello!
Jól gondolod, értelmetlen. A lemerült aksiról annyit, hogy amikor bikázol, és a jó aksit párhuzamosan kötődik a másikkal, szinte nincs közöttük átfolyó áram. Pedig azt várnád, hogy majd jó nagyot fog szikrázni.. üdv! proli007
Igaz...
És esetleg meglehet oldani hogya 12ből 14 legyen? Mert 6V-os akkut tudok tölteni atx-ről a +12(+) és a +5(-) ról. Úgy hoyg az 5V-ot terhelem meg az áramot szabályzom.
Hello!
5V terhelésére nőni fog ugyan a feszültség, de várhatóan nem annyit, hogy annak értelme lenne. Igazából csak az átalakítás segít. Ez nem elem. A két feszültség között nem lehet terhelés. Mert egyből felhúzza az 5V-os rész feszültségét. Minden azonos polaritású feszültséget, csak a GND-hez lehet terhelni. A 6V-os aksit töltheted a 12V-ról egy áramkorlátozó ellenállással.. üdv! proli007
Az ellenállás milyen teljesítményű legyen? Egy 0,25W-os poti kevés gondolom...
Hello! Sos! Fisher CA-520-as erősítőt akartam megjavítani mert annak idején elszálltak a végek benne!
Következő a gondom hogy kicseréltem benne végeket és frissen pasztáztam majd a hűtőbordára csavaroztam őket bekapcsoláskor rögtön kiment benne a biztosíték. Levetem a bordáról a végeket kicseréltem a biztit és úgy nem csapja ki. Mi lehet a baj? A végek! 2db BD243C, 2db DB244C, 2db 2SD947 ezek egy bordán vannak.
Rakd őket külön bordára, vagy szigeteld el őket a bordától. Lehet venni szigetelő alátéteket a tranzisztorokhoz meg műanyag perselyt a csavarhoz hogy ne okozzon zárlatot.
Helló! Basszus
Erre tényleg nem is gondoltam. Az volt a baj hogy annak idején már le volt véve a bordáról a cucc és most nekem meg eszembe sem jutott a szigetelés! Nagyon szépen köszönöm a kapaszkodót. Megyek is a műhelybe!
Nincsmit
Sok sikert
helló! Meg is vagyok vele! Kifogástalanul szól!
Már be is hoztam ide, dugom is a gépre hagy melegedjen . Köszi még egyszer!
Nincs mit
Sziasztok
Tudnátok nekem adni egy jó kis kivezérlésjelző tervet ami be tudok építeni a kocsimba akár ledes vagy akármilyen vagy olyat amire neoncsövet tudok kötni hogy az villogjon ütemre? Előre is köszönöm
Hello!
Hűha, 0,25W, ráadásul poti? Ha a tápod 12V és az aksi feszültsége 6V, akkor az ellenállásra is 6V különbözeti feszültség jut. Ha a töltőáram pedig mondjuk csak 1A, akkor P=U*I képlet alapján már 6W. Sokkal élszerűbb ellenállás helyett egy soros pld. 12V/21W-os izzót használni. 6V-on nem fog csak parázslani, és az áram is kicsit kevesebb lesz mint az I=P/U képlettel számítanál, viszont a töltőáram közel állandó értékű, vagy is az aksi pillanatnyi feszültségétől szinte független lesz. Azt viszont tudni kell, hogy az így töltött aksit nem lehet magára hagyni, mert simán túltöltheti azt. Vagy is figyelni kell a töltési feszültséget, és 7,2.7,5V felett a töltőről le kel venni. üdv! proli007
Miért szokták kisütni a Litiumos akumlátorokat töltés elött?
Amúgy se soktam az akkukat magukra hagyni. Ez az akksi szerintem kuka. Eddig egy másik ugyan iilyennel volt sorba kötve a 12V-hoz de a napokba elment a 12V-om. Kivettem ezt a másik jól tratja a 6V-ot. Ezt meg tegnap egész este töltöttem és este 10kor vettem le akkor jól világított vele a 6V20W-os halogén most délután hogy hazajöttem rákötöttem és csak parázslik.
Sziasztok! Az lenne a kérdésem hogy Bővebben: Link ennél az ellenállásnál, a10K azt jelenti hogy 10k ohm? Illetve mi azaz 1%-os megjelölés? És a 0,4w mit jelent?
10K=10 kilo ohm (10 000 ohm)
1%=> Az érték tűrése. Ennyire térhet el a névlegestől 0,4W=> A terhelhetősége Wattban.
Szia!Itt olvasgass. Igen a 10k az 10k ohm-ot jelent.
Ez a kisütés töltés előtt dolog csak a NiCd akkumlátoroknál volt, a memória effektus miatt. A modern akkucelláknál már nincs ilyen probléma.
Sziasztok.
PCR406-ot mivel lehetne helyettesíteni, hogy nagyobb áramerősséget bírjon a kapcsolás? Előre is köszönöm.
Sziasztok elnézést ha véletlen rossz helyen tenném fel kérdésem de ha valaki véletlen megtalálná EZT a programot úgy hogy win 7 -en is működjön és a linket megosztaná velem nagyon hálás lennék
Nálam 220 Forintért kapható napelem!
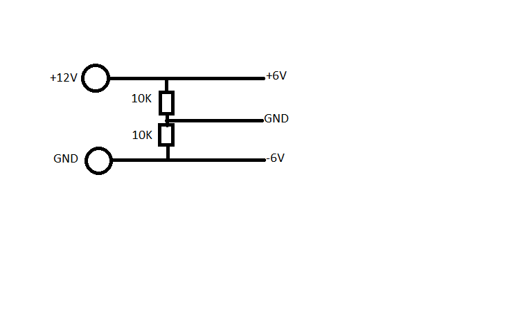
Adott ez a kis kapcsolás, amely a sima tápból szimmetrikusat készít. Hogyan változtassam emg az ellenállások értékét, hogy ne 12 hanem 24 volt feszültségű tápegységgel lehessen használni?
Én nem nagyon értek az elekrtohoz de ez így működik?
|
Bejelentkezés
Hirdetés |




mostmár legalább tudom merrefelé induljak el






