Fórum témák
» Több friss téma |
- Ez a felület kizárólag, az elektronikában kezdők kérdéseinek van fenntartva és nem elfelejtve, hogy hobbielektronika a fórumunk!
- Ami tehát azt jelenti, hogy a nagymama bevásárlását nem itt beszéljük meg, ill. ez nem üzenőfal! - Kerülendő az olyan kérdés, amit egy másik meglévő (több mint 17000 van), témában kellene kitárgyalni! - És végül büntetés terhe mellett kerülendő az MSN és egyéb szleng, a magyar helyesírás mellőzése, beleértve a mondateleji nagybetűket is!
helló. Van a tranzisztror szigetelés és hűtőborda.
A hővezető pasztát hova kenjem? a tranzisztor, és aszigetelés közé?
Kensz a tranyó hátára, a szigetelő mindkét oldalára és a bordára is, az a biztos, és nem kell hogy tocsogjon tőle (anélkül is átmegy ott a hő).
Ha csillámot akkor az alaktrész és a csillám, majd a csillám és a hűtőborda közé is kell hővezető paszta természetesen.
igen csillám. köszi a választ.
Peti_85 természetesen neked is köszi
Sziasztok!
Lenne egy egyszerű kérdésem ha egy szimmetrikus toroid trafónak csak az egyik oldalát használom attól lesz valami baja? Egyáltalán működik úgy? Üdv!
Semmi baja nem lesz, rendeltetésszerű használat...
Addig nem lesz baja amig a levett teljesitmény nem haladja meg a trafó névleges teljesitményének a felét. A tekercset túlterhelve az bizony megég...
Ha a terercsek egymástól függetlenek (nincsen közös, középmegcsapolásos pontja fixen), akkor párhuzamosíthatók! Így teljesen kihasználható a trafó teljesítménye... (Azonos szek fesz esetén!)
Sziasztok.
segítségeteket szeretném kérni abban hogy hogyan kell autóerősítőt áthidalni és mire jó az ha áthídalom.válaszotokat előre köszöszönöm.
Sziasztok!
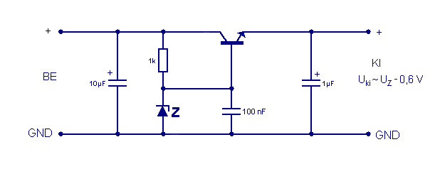
Ha a kocsiban szeretnék stabil 12V-ot, akkor oda jó ez a kapcsolás? Kb. ez hány mA-t ad le? Tranzisztornak jó a BC182? Köszi Üdv.
Nem igazán jó ez oda, mert nem lesz a stabilizáláshoz feszültségtartaléka. Mondjuk úgy 9V-ra még jó lenne.
A tranyó, jó hűtéssel 200mA-t tud leadni.
Akkor szerinted milyen stabilizátort kellene ekéraknom?
Mert úgy tudom, hogy a stab IC nem ide való, mert itt alig van pár volt feszültség különbség.
Jöhet a stabkocka, de egy alacsonyabb feszültségű, pl 9V-os. A feszültségkülönbség ugyanúgy problémája a stabkockának is, mint az emitterkövetőnek.
(Nos igen, Fongab, lehet low dropout is, egy darabig az is jó...kapcsolóüzemű is lehet a tápunk, nem tudom meddig mehetünk el....)
Esetleg LM2940CT12 26V…..12,6V be > 12Vki /1A
De mért kell a pontos 12V?
Na ezt most nem értem! De az áramkör 12V-os!
Sziasztok.
segítségeteket szeretném kérni abban hogy hogyan kell autóerősítőt áthidalni és mire jó az ha áthídalom.válaszotokat előre köszöszönöm.
Igen 12, de én ugy gondolom, ravasz módon, hogy elmegy az 9-ről is...Nem ártana kipróbálni, ha ez jó lesz! (Menjünk át az eredeti Topikba sztem!
)
Sziasztok!
Volna egy kérdésem. Hogyan kell bekötni egy Roe típusú, 4 kivezetéses elektrolit kondenzátort? A kivezetések számozása 1,2,3 és - . Gondolom ez utóbbi a negatív lenne. Amúgy a kondi 10000 µF és 40V-os. Keresgéltem, de nem jutottam előbbre. Előre is köszönöm a válaszokat. Üdv.
Sziasztok!
Lenne egy olyan gondom, hogy a kocsimban pixelhibás lett a fedélzeti computer kijelzője. Ez már a második. Ami eredetileg benne volt, az is pixeles lett így vettem helyette egyet bontóban, de ez is elszállt. Azt tudtam, hogy ez típushiba. Az első már nincs meg, a másodikat szétszedtem. Magára a kijelzőre szalagkábel volt ragasztva, ami szinte csak azért érintkezett még valamennyire, mert volt egy gumi is, ami valamennyire rászorította. Sajnos ilyennel nincs tapasztalatom, ezért tudna valaki valami ötletet adni, hogy hogyan oldjam meg a dolgot. Nagyon szépen köszönöm!
Helló nem akarok új topicot nyitni,ezért itt kérdezek.
Van egy bazi nagy aksi töltőm,2,5 mm huzallal,12,24 voltos,5 kivezetéssel,mindegyik 2 kivezetés között 12 volt van,van hűtőbordán 2 darab PBY305 dióda,na most a 12/24 es átváltó kapcsolót be tudom kötni,a gond a 2 dióda,mert nem tudom miért van 2,a nagy áram erősség elosztása miatt?Vagy ha nem ezért akkor miért?Ezenkivűl van egy másik kapcsoló 5 fokozattal,ami a trafó primer oldalához van kötve,ezt is értem,csak az egyen irányitás a gond. Szokták e a negativ félhullámot levenni?Es a trafotól egy másik vezetéket kivezetni direktben ami ez esetben a pozitiv pólus lenne,eddig mind csak olyannal találkoztam ahol a + félhullámot vették le,de szoktak e a negativat?Még amit nem értek,miért van 4 biztositék?Ajde 3mat megértek,de 4?Még elég kezdo vagyok és az a baj hogy megálltam az olvasással,de itt megfogadom ,hogz nem fogok itt megállni.Engem pont minden érdekel az elektróval kapcsolatbab,ok aki tud kérem segitsen. Köszi Kérlek segitsetek,hogy kössem be a diódákat:?
hi
mi a különbség a végfok, és egy szimpla erősitő között? van egyáltalán különbség?
Sziasztok, valaki tudna segíteni hogy az erősítőknél a mute inputot hova kell kötni? Jelen esetben TDA2615-ról van szó. Az adatlapban nem találtam erre vonatkozó leírást.
Azt irja
Idézet: „When a current of 300 uA is present at pin 2, the circuit is in the mute condition.” Ha 300uA folyik a 2-es lábon, akkor az áramkör némított állapotba kerül. A láb impedanciája 9kOhm. Hmm... ennyi...
Az erősítő olyan áramköri elem, ami a bemenő jelet megfelelő karakterisztika szerint erősíti. A végfok pedig olyan erősítő (általában audio), aminél a kimenő csatorna közvetlenül hajt meg pl. hangszórót.
|
Bejelentkezés
Hirdetés |





)
Szokták e a negativ félhullámot levenni?Es a trafotól egy másik vezetéket kivezetni direktben ami ez esetben a pozitiv pólus lenne,eddig mind csak olyannal találkoztam ahol a + félhullámot vették le,de szoktak e a negativat?Még amit nem értek,miért van 4 biztositék?Ajde 3mat megértek,de 4?Még elég kezdo vagyok és az a baj hogy megálltam az olvasással,de itt megfogadom





