Fórum témák

» Több friss téma
Fórum » Elektronikában kezdők kérdései
- Ez a felület kizárólag, az elektronikában kezdők kérdéseinek van fenntartva és nem elfelejtve, hogy hobbielektronika a fórumunk!
- Ami tehát azt jelenti, hogy a nagymama bevásárlását nem itt beszéljük meg, ill. ez nem üzenőfal!
- Kerülendő az olyan kérdés, amit egy másik meglévő (több mint 17000 van), témában kellene kitárgyalni!
- És végül büntetés terhe mellett kerülendő az MSN és egyéb szleng, a magyar helyesírás mellőzése, beleértve a mondateleji nagybetűket is!
Lapozás: OK   2837 / 4061
(#) proli007 válasza Fidel hozzászólására (») Aug 22, 2016 /
 
Hello! Egy tápegység nem elem, hogy ampermérővel rövidre zárjuk! Terhelő ellenállással nézzük az áramát és a feszültségesését.
(#) Fidel válasza proli007 hozzászólására (») Aug 22, 2016 /
 
A terhelő ellenállás az egy huzaltekercs egy kerámia rúdon, ami egy alagút szerű rácsos fémházban van, és két kivezetés van rajta, a tekercsen meg van egy csúszka?

Pontosabban, hogyan kell gondolkodni, ha berakok egy ellenállást? Egy műszer kell, vagy kettő? Nekem nem teljesen világos, hogy árammérésnél a műszer ismeretlen ellenállásával mihez kezdjek a méréskor? Mekkora ellenálláson érdemes mérni?
(#) proli007 válasza Fidel hozzászólására (») Aug 22, 2016 / 1
 
Amit említesz, az a Rheostat. (Én a tolóellenállás megnevezést jobban szeretem.) Ez szerencsés megoldás, de általában amatőr viszonylatban nem szokott ilyen rendelkezésre állni. Egyszerű mezei teljesítmény ellenállások (vagy ezek vegyes kapcsolása) is megfelel a célnak. Vagy mint jelen esetben is tudható, hogy 5V mellett 2,5A-re vagy kíváncsi, akkor OHM törvénye szerint egy 2ohm-os de12,5W-nál nagyobb ellenállás is megfelelne. De természetesen 5db. 10ohm/2W-os ellenállásból is előállítható (olcsóbban). Sőt ekkor még 10-5-3,3-2,5 és 2ohm terhelést is lehet összeállítani belőle.
De "szegény ember vízzel főz" jeligére ahogy a kolléga is írta, izzó is megfelel. De ott figyelembe kell venni, hogy annak ellenállása jelentősen változik a hőre. Tehát előfordul, hogy elvileg el kellene viselnie a tápnak az izzó terhelését, de rákapcsolásakor akár 5..10-szer nagyobb áram is folyhat, amire a táp esetleg lekapcsol és szidjuk, hogy nem bírja a terhelést. Pedig a hidegellenállás az oka az egésznek.
Minden mérésnél beszámít a műszer ellenállása. Feszültség mérésnél ez ritkán derül ki, mert egy digitnek általában 10Mohm az ellenállása. De ha pld. egy 1Mohm forrás-ellenállású valamin mérünk, akkor már ez is 10% hibát okozhat. Persze ennél a gyakorlatban kisebb ellenállású pontokon mérünk, de azért ezt tudnunk kell, és ez szerint értékelni a mért adatot.
Árammérésnél egy digit ellenállása megtudható (jobb esetben a műszer kézikönyvéből), mert az esetek többségében a digit alapérzékenysége 200mV. Tehát ha 10A-es méréshatárban mérünk, akkor 200mV/10A=20milliohm a sönt ellenállása. Ez sorba kapcsolódik a terhelő ellenállással, vagy is értéke hozzáadódik a terheléshez. Ha pld. az említett 2ohm a terhelés, akkor 1% mérési pontatlanságot okoz. De ha megnézed a műszer vagy a terhelő ellenállásod pontosságát, lehet ez már az elhanyagolható tartományba esik. De tudni illik, hogy van ilyen, hogy súlyosságát a problémának a helyén tudjuk kezelni.
(#) Fidel válasza proli007 hozzászólására (») Aug 22, 2016 /
 
Pont van egy ilyen kütyüm!

Valahogyan nem tudom ezt összerakni, ezt a rész sosem tudott megvilágosodni fizikából!
Ha a jelen esetet vesszük, akkor 5V a névleges feszültség, és 2,5A az áram.
Ha kiszámoljuk, a 2Ω-os ellenálláson 2,5Anek kellene folynia. De mit érek el azzal, hogy ha megmérem a feszültséget a terhelés alatt, mondjuk 4,5V, akkor I=4,5/2=2,25A?
(#) BarnaPili hozzászólása Aug 22, 2016 /
 
Sziasztok!
Egy 750 Wattos villanymotornak(állandó üzemi kondival) 230V-ról hogyan tudom pontosan megmérni a felvett áramát? Multiméterrel mérve 2,8 és 3,8 A közötti áramerősséget mérek,ami ugrál. A motor egy keverőgépben van,alul,mint egy mosógép keveri a folyadékot, Van vele sorba egy 3A-s hőkioldó,amit elég sokszor kiold,pedig elvileg nem kellene.Mennyire bolondíthatja meg a multimétert az,hogy motor van a terhelésen,nem pedig Ohmos valami?
István
(#) Lamprologus válasza BarnaPili hozzászólására (») Aug 22, 2016 /
 
Ha nem veszem figyelembe, hogy a motor induktív fogyasztó, akkor is a névleges áramfelvétele 3,26A lenne. (750W/230V)
Ha ehhez még hozzáveszek 0,9-es cosfit akkor már 3,5A felett járunk... szerintem jogos, hogy a 3A-es hőkioldó leold!
(#) BarnaPili válasza Lamprologus hozzászólására (») Aug 23, 2016 /
 
Hasonló eredményre jutottam én is. Viszont a gép gyártója ezzel a hőkioldóval gyártja. A hazai több mint 100 gépből kb 5-6 dobálja le a motor hőkioldót. Hogy miért,arra nem tudtam mindezidáig rájönni. Rejtélyes . A hőkioldó típusa: Schurter T11-211 3A.
Kösz a választ!
István
(#) Bakman válasza BarnaPili hozzászólására (») Aug 23, 2016 /
 
A motornak és a hőkioldónak is van gyártási szórása, valószínűleg szerencsétlen kombináció az, amelyik nem működik. A motor egy kicsivel több áramot vesz fel, a hőkioldó pedig kicsivel kevesebb áramra már lekapcsol.
(#) pont válasza BarnaPili hozzászólására (») Aug 23, 2016 /
 
Az is lehet, hogy a gyártó szerint üzemszerűen nincs kihasználva a 750w, a gép normál üzem, csak pl.500w-os terhelést jelent, ezért rakott rá ekkora hőkioldót. De az eredeti kérdésre, a válasz a lakatfogó, annak "pontosan" kell mutatnia tized Amperokig.
(#) majorka hozzászólása Aug 23, 2016 /
 
Szerbusztok.Hogyan kell ételmezni az eggyeirnyitó kockánál(Gréc) iletve a jelölés mit jelent.majorka. B4C5000/3300.
(#) granpa válasza majorka hozzászólására (») Aug 23, 2016 /
 
Mielőtt elküldöd, olvasd el, mit írtál. Lehet javítani, hogy helyes legyen.
40 V, 5/3.3 A; 5 A a csúcsterhelés. A lábaknál jelöve van mit, hova kell kötni.
(#) kadarist válasza majorka hozzászólására (») Aug 23, 2016 /
 
Szervusz(v-vel)!
Ezt a típusszámot nézd meg még egyszer, mert ilyen típus nincs.
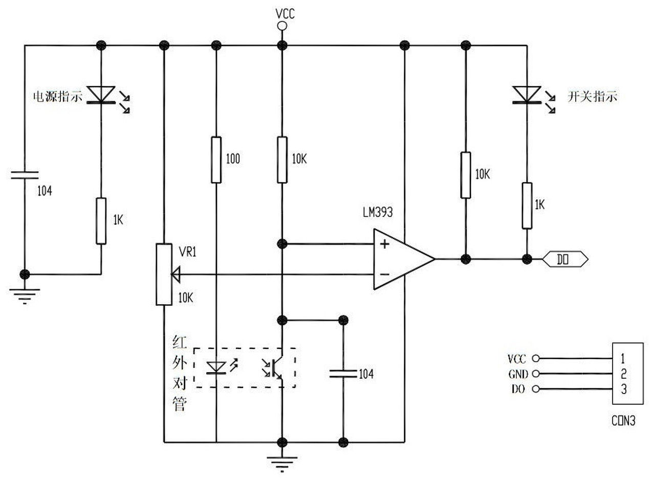
(#) eadx hozzászólása Aug 23, 2016 /
 
Üdv mindenkinek!

Egy nagyon egyszerű bekötésre vagy áramkörre lenne szükségem, amit a képen szereplő ir érzékelő vezérel. Egy beep hangot kellene kiadnia egy piezonak vagy hangszórónak hasonlót,mint a multi áruházak vonalkódolvasójának. A lényeg, hogy ne folyamatosan beepeljen csak egyszer.
A hozzászólás módosítva: Aug 23, 2016
(#) proli007 válasza Fidel hozzászólására (») Aug 23, 2016 /
 
Nem az a lényeg. Ha bírja a táp a 2,5A terhelést (2ohm) akkor a feszültség nem fog esni. Feltéve hogy stabilizált a tápegység. Ha pedig esik, Te el tudod dönteni, hogy az megfelelő-e számodra vagy sem. De ha ilyeneket írsz, félek cseppet elmisztifikálod a dolgot.
(#) proli007 válasza BarnaPili hozzászólására (») Aug 23, 2016 /
 
Hello! Mellesleg a hőkioldó ugyan azt látja mint a multiméter. Mert egyiknek sincs fogalma sem hogy létezik a cosfi. Egyébként egy hőkioldó nem az a kapkodó idegbeteg, hogy névleges áram mellet kiköpje a pöcköt. A karakterisztikában közlik, hogy adott terhelőáramon mennyi a leoldási idő. De ha a névleges áramának közelében működik tartósan, akkor idővel elfáradhat és hamarabb nyugovóra tér. És nem egy digitális majális, hogy három tizedes pontosan mérje az áramot. Van szórása szépen, főleg egy ilyen kis nokedlinek..
(#) proli007 válasza eadx hozzászólására (») Aug 23, 2016 /
 
PLd. De önrezgő piezo-t tegyél hozzá..

Beep.png
    
(#) BarnaPili válasza proli007 hozzászólására (») Aug 23, 2016 /
 
Az adatlapját már áttanulmányoztam,ott látni karakterisztikákat... Érdekes módon száz gépből néhány vacakol,látszólag minden ok nélkül. Talán ez a nagyobb áramú segít,amit beépítettem. Egyébként úgy van ahogy írod,hogy elfárad a hőkioldó,és akkor kezd kioldogatni kevertetés közben.
Köszönöm mindenkinek a hozzászólásokat!
István
(#) Gergolein hozzászólása Aug 23, 2016 /
 
Üdv!

Az alábbi képen bekeretezett két érték közül melyik a mérvadó? Mi a különbség a kettő közt, és végül is maximum mekkora feszültséggel táplálhatom az IC-t?

Előre is köszönöm!

Névtelen.png
    
(#) pont válasza Gergolein hozzászólására (») Aug 24, 2016 /
 
Rendeltetésszerű használatra max 18v. (9-18v) De ez egyébként autórádió ic, ezért, 12v-ra való igazán.
(#) fater0827 válasza majorka hozzászólására (») Aug 24, 2016 /
 
Üdv
B40C5000/3300 szerintem !
Hűtve 5 Amper egyébként csak 3.3 Amper !
Üdv
(#) eadx válasza proli007 hozzászólására (») Aug 24, 2016 /
 
Köszönöm a rajzot. Ha nincs önrezgő piezom a fiókban akkor jó az egyszerű "mezei" piezó is?
Eddig azt sem tudtam, hogy létezik önrezgő.
(#) Zsora válasza eadx hozzászólására (») Aug 24, 2016 /
 
A mezei nem jó, csak az erdei.
Olyan típus kell, ami egyenfeszültségről működik.
(#) proli007 válasza eadx hozzászólására (») Aug 24, 2016 /
 
Azért nem jó, mert akkor a rezgés frekvenciáját is elő kell állítani, nem csak a ki-be kapcsolást.
(#) Gergokek hozzászólása Aug 24, 2016 /
 
Hello! Szeretnék a szobámba egy kis dekorációt!

Úgy nézne ki, hogy egy vékonyabb deszkát felfurnék a falra amiben 5 kis lámpa lenne, amelyek a rájuk helyezett üvegeket világítják meg. Mivel dekoráció lenne csak nem kell, hogy erős fénye legyen a lámpáknak és szeretném, ha lenne egy kapcsoló rajta. Ehhez kérnék segítségét! Forrasztó pálkát kaptam kölcsön.
(#) vargaf válasza Gergokek hozzászólására (») Aug 24, 2016 /
 
Azt nem írtad meg miben kell segíteni?
(#) Gergokek hozzászólása Aug 24, 2016 /
 
Lámpa/LED ajánlás, soha nem csináltam még ilyet, szóval kicsit elveszett vagyok.
(#) vargaf válasza Gergokek hozzászólására (») Aug 24, 2016 /
 
Miről táplálod, mekkora fényt szeretnél?
(#) Gergokek hozzászólása Aug 24, 2016 /
 
220ról szóval kéne majd egy transzformátor is, nem kell túl nagy fény, elég mint egy asztali lámpa fénye
(#) Gergokek hozzászólása Aug 24, 2016 /
 
Egy ilyen dc-t ráköthetek?

Termékjellemzők
Gyártó: V-TAC
Típusszám: VT-23060
Teljesítmény: 60 Watt
Áramerősség: 5 Amper
Feszültség: 12 Volt DC (egyenáram)
Bemeneti feszültség: AC 110-240V 50/60Hz
IP védelmi szint: IP20
A hozzászólás módosítva: Aug 24, 2016
(#) vargaf válasza Gergokek hozzászólására (») Aug 24, 2016 /
 
Akkor most a "Kezdő kérdések"-ben leírt LED szalaggal és táppal építenél, vagy ez attól független kérdés?
Következő: »»   2837 / 4061
Bejelentkezés

Belépés

Hirdetés
XDT.hu
Az oldalon sütiket használunk a helyes működéshez. Bővebb információt az adatvédelmi szabályzatban olvashatsz. Megértettem