Fórum témák
» Több friss téma |
- Ez a felület kizárólag, az elektronikában kezdők kérdéseinek van fenntartva és nem elfelejtve, hogy hobbielektronika a fórumunk!
- Ami tehát azt jelenti, hogy a nagymama bevásárlását nem itt beszéljük meg, ill. ez nem üzenőfal! - Kerülendő az olyan kérdés, amit egy másik meglévő (több mint 17000 van), témában kellene kitárgyalni! - És végül büntetés terhe mellett kerülendő az MSN és egyéb szleng, a magyar helyesírás mellőzése, beleértve a mondateleji nagybetűket is!
Sziasztok,
Segítséget szeretnék kérni! A problémám, hogy egy iskolában kellene 3 emeleten egymás alatt elhelyezni és működtetni 3 hangszórót, aminek a funkciója a csengőhang helyetti zene lejátszása lenne és iskolarádióként is használni szeretnék a kolégák. A vezetékelés nem jön szóba sajnos, így valamilyen Bluetooth megoldás lenne az ideális, de olyan, ami valahogy egyszerre szól. Létezik erre értelmes megoldás?
Szia
A Bluetooth kis hatótávolságú (papir szerint 10m) , tehát ha az irodából adod a jelet a 3-ik szinten már nem fog müködni. Esetleg valami több sávos walkie talkie renszerre épűlő adó vevő. A hozzászólás módosítva: Okt 22, 2022
Szerintem használj kész rendszert amit direkt erre fejlesztettek ki: Bővebben: Wi-Fi jelerősítők
WIFIs hangszórókkal meg tele van a net...
De azt meg nem mondom látatlanban, hogy melyik válik be.
Megnéznék egy olyan iskolai wifit, ami több szintet lefed…
Sziasztok.
Egyszerű kérdésem lenne. Rendeltem kinaikatól egy powerbank házat vezérlő modullal . Belehelyeztem 10 db bontott akkumulátort feltöltöm 100% ra és lehúzom a töltöröl és 2% esik és azon is marad. Lehet hogy az egyik cella már gyengébb ? Sajnos szétszedni már nem tudom roncsolás nélkül.
2 %-ot (98 %-ra) vagy 2 %-ra esik? Ha előbbi, akkor spongyát rá, mérési hiba is lehet.
Én meg megnéznék olyan iskolát, ahol nincsen az emeletek között lehetőség semmiféle vezeték áthúzására.
A munkám során már nagyon sok olyan esettel találkoztam, ahol a vezetékezést utólag csak nagyon bonyolultan, nagyon csúnyán lehetett volna megcsinálni. A legszomorúbb az, amikor mostanában újítanak fel egy épületet, és a kommunikációs vezetékekről elfeledkeznek, nem készül csövezés, csatorna, utólag kapnak észbe, hogy hány helyre kellene internet...
Vezetékes internet elavult dolog, telefon is, kamerák és a riasztó is vezeték nélkül megy. Még a termosztát is rádiós... Okostelefonról lehessen nézegetni.
![]() Főnökasszony meg azt mondja most lett a nyáron kifestve, itt márpedig nem lesz lyuk sem fúrva, nemhogy vésés. Bézs színű dobozt feltehetik a falra. Szereltem "nagy" embereknél, ismerem az észjárást.
a) Műsorszóró adók rádióengedélyezési eljárása – útmutató
b) vezetékezés.
Kikapcsolt állapotban biztosan lezárja a tranzisztort.
Köszi. Fet-nél ismerős volt az eljárás de tranyónál nem.
Ez fura! Valahogy csak szét lehet azt pattintani. Vagy tényleg ennyire béna megoldású egy olyan ház, amibe a felhasználó rakhatja be a cellákat? Linkeld légy szíves a típust, amit vettél!
De ettől függetlenül ilyen esetekben mindig válogatott cellákat kell alkalmazni, nem csak úgy ad-hoc belerakni az éppen kibontottakat. Hiszen nem tudhatod, hogy melyik milyen állapotban van, függetlenül attól, hogy lánykorában mekkora kapacitást tudott. A válogatásnál arra kell törekedni, hogy lehetőleg egyforma, vagy nagyon közeli kapacitású cellák legyenek berakva, mert a bontott cellák között eszetlen nagy különbségek lehetnek kapacitásukat tekintve. Sok laptop akkut bontottam cellákra, és 200mAh-tól 2500mAhig minden előfordult. És ha ezeket vegyesen használod, a legkisebb kapacitásúak fogják meghatározni, a powerbank teljesítményét. Mérni kell !!! A hozzászólás módosítva: Okt 23, 2022
Bővebben: Link
Ezt vettem . Össze pantintottam aztán alig bírom szétszedni .
Jópofa kis szerkezet, az biztos. De szétpattintható óvatosan, hogy a fülek ne törjenek le.
A kapacitás méréséhez ezt a kis kütyüt javaslom, nekem bevált.
Szia szetpattintottam.
Elöl a fülek sajnos törnek vagy nyúlik a műanyag mindegy nincs baj vissza tudtam még pattintani. Mertem cellakat egyforma a fesz de a készülék ismét 100% rol 98 rá eset így a modul bugja .
A cella feszültsége semmit nem árul el a kapacitásáról. Ha töltöd, akkor a töltő ugyanúgy 4,2V körül kapcsol le, és jelzi, hogy fel van töltve a cella, akkor is ha csak az eredeti kapacitásának a töredékét tudja.
Mielőtt beraktam feliratoztam a mèrt kapacitást.
Lemeriti a töltő és feltölti és így mert kapacitást.
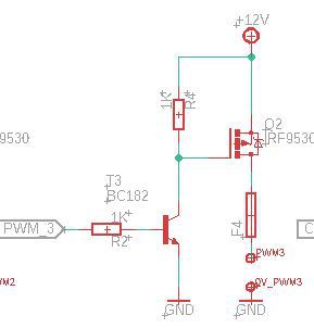
Kocsiba szeretnék LED világítást PIC-es PWM fényerőszabályozással FET meghajtással ...
Mi lenne az ideális frekvencia? Ha túl kicsi, akkor vibrál, ha túl nagy, nincs ideje lezárni a FET-nek
Mi a fogyasztó? Led vagy égő?
Idézet: „Kocsiba szeretnék LED világítást ...” Őőőőőőőő .... asszem LED!
Szia!
Korábban keresgéltem nagyobb hatótávú Bluetooth-os modulokat, és akkor voltak elérhető áron kb. 100m-es hatótávúak, az úgynevezett "class 1"-es típusokat kell keresni. Persze ez nyílt téren értendő, de az átlagosnál akkor is nagyobb hatótávú modulokról van szó. Megfelelő környezetben kialakíthatsz láncolt kommunikációt, amihez minden átjátszó ponton 2db modul kell. Tudtommal lehet olyat is, hogy egy adó van, és több vevő. Az ilyen beállításokhoz azonban el kell mélyedni a modulok lelkivilágában, mert ezek alapvetően párban szeretnek lenni. Továbbá a szükséges hardver környezet kialakítása is kihívásokat jelenthet.
Az ideális az lenne, ha FET meghajtót használnál, sok az az 1 kΩ. Ha nincs nagy fogyasztás (max 1 A), akkor még elég meghajtó nélkül úgy, hogy 200 - 250 Hz-nél nem több a PWM frekvenciája.
A hozzászólás módosítva: Okt 24, 2022
Lelki szemeim előtt megjelenik a pedellus, ahogy esténként járja körben az épületet az alumínium létrájával, és elemet cserél a vezetéknélküli hangszórókban. Kantáros nadrágjában bal zsebben a "jó" elemek, középsőben a multiméter, a jobban meg a "nem jó" elemek. Vagy ha nincs multiméter, az feltesz valami jó hangtesztet a telóról, és körbejárja a sulit.
Nekem még az 1kHz is alacsony frekvenciának tűnik. Este, ha a kocsiban megy a világítás és kiszállok kint a sötétben "vibrál" a szemem.
3-4W-os a világítás. Az 1kΩ-os ellenállással, már elég gyorsan lezár a FET, 1KHz-es frekin, így le tudom tekerni a fényerőt eléggé. Nagyobb frekin viszont már csökkentetem kéne amit meg nem nagyon akarok a nagyobb áramfelvétel miatt...
|
Bejelentkezés
Hirdetés |












