Fórum témák
» Több friss téma |
- Ez a felület kizárólag, az elektronikában kezdők kérdéseinek van fenntartva és nem elfelejtve, hogy hobbielektronika a fórumunk!
- Ami tehát azt jelenti, hogy a nagymama bevásárlását nem itt beszéljük meg, ill. ez nem üzenőfal! - Kerülendő az olyan kérdés, amit egy másik meglévő (több mint 17000 van), témában kellene kitárgyalni! - És végül büntetés terhe mellett kerülendő az MSN és egyéb szleng, a magyar helyesírás mellőzése, beleértve a mondateleji nagybetűket is!
Hello!
Igen, ha a hatásfoka 100%. Csak érdekes módon, mintha ez egy elektronikus valami lenne, és még csak nem is egy mezei trafó. Annak, pedig van hatásfoka. De a 450mA*230V is csak 103,5W lenne és a biztit inkább fölé, mint alá szokták méretezni. ?? üdv! proli007
Na igen, csak találgattam mert mint írtam is nem láttam még ilyen tápot. Csak a 105W ot visszaosztottam és nem figyeltem a bemenő oldat meg nem számoltam a hatásfokkal sem mert a kérdés az volt tudhat-e 7-8A-t.
Mit jelent az ohmos terhelés?
Ha egy fetes végfokot hajtanék róla az úgy jó? Köszönöm a segítségeket
Én ehhez (hangtechnikához) nem értek, de szerintem nem igazán.
Fűtőszálat, izzót hajthatsz vele, motort, hangszórót viszont nem (mert ezekben tekercs van). Szerintem általánosságban R=Z tulajdonságú terheléseket használhatsz vele. De ha valaki kijavít, akkor neki van igaza.
Van valami olyan lencse amin keresztül az ember látja az inftra fényt?
PL. mobilteló, vagy digitális kamera. De nem tudom mekkora hullámhossz tartományban képes erre.
Próbáld ki a távirányítóval (persze ami IR ledes).
Hello!
Megvan pár berendezés használati utasítása és szeretném ha rajtam kívül mások is hasznát vennék. Van rá lehetőség, hogy közzétegyem itt az oldalon?Ami van: Spirit Folio 16/2 keverőpult; Behringer Feedback Destroyer Pro dsp1124p használati utasítások Képzeljétek, elkezdtem kitermelni a kincsesbányát
szerintem azokat a kezelési útmutatókat és specifikációs dokumentumokat internetről is le lehet tölteni a gyártó, esetleg forgalmazó honlapjáról a terméktámogatás/support, vagy termék/products listából.
Már van vagy 100Kiló ugye? Ha tudsz képet csinálni róla, rakj már fel párat, csak érdekességképpen..
Ma már nem mászok le a pincébe
De holnapra tuti hozok képet Eddig egyetlen alkatrész van amit nem tudok beazonosítani... a képét felteszem az erre létrehozott témába.
A Legdurvább dolog amit találtam az a fénymásolóban volt, az a tengely amin a szkenner mozog, egy 80 cm hosszú, 2 cm átmérőjű krómozott acél rúd
min van 5 kiló minek ekkora?!
Sziasztok!
Egy elég amatör kérdés. Ha komparátor ic után pnp tranzisztor kapcsolódik akkor kell-e bázis ellenállás? Mert azt tudom hogy a komparátor ic-ben a végtranzisztor lehúzná a pnp bázisát a földre, de nemtudom kellene-e ellenállás. Csak annyira vagyok kíváncsi hogy igen vagy nem. Köszi előre is.
Szia!
Kapcsolás nélkül nehéz megmondani, de valószínű hogy kell.
Helló. Mi történik ha 16v 330µF helyet 16v 220µF kondit rakok be? pc táp...
Szerintem nagy bajt nem csinálsz.
Szia!
Kell.
Köszi a gyors választ.
Helló
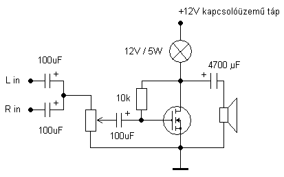
Ezt a kapcsolást tudnám használni azzal a táppal itt van izzó is ami gondolom ohmos ellenállású,... Szerinted?
Ezt nem tudom (írtam, hogy nem vagyok otthon ebben), szerintem nem. Attól, hogy van benne egy olyan terhelés, a teljes áramkör nem változik Ohmos terheléssé. Ebben csak így ránézésre van pár kondi meg egy hangszóró, szerintem ezek nem tipikus Ohmos terhelések. De megint mondom, elég kezdő vagyok, ne hallgass rám, majd valaki, aki érti is ezeket az összefüggéseket, válaszol "rendesen".
Sziasztok! Uj vagyok itt es nem vagyok profi. A segitsegeteket szeretnem kerni. Egy keslelteto aramkorre lenne szuksegem. Mellekeltem egy altalam keszitett primitiv rajzot, aminek a kovetkezo a lenyege: van egy "A" aramkor (rele kapcsolas), van egy "B" aramkor (rele altali motorvezerles), es van egy "C" aramkor (szinten a rele altal mukodtetve). Amikor az egyik motor megy, nem mehet a masik. Nekem a "?" helyere kellene egy olyan keslelteto aramkor, ami nagyjabol 1-3 perc (potival szabalyozhato) utan kapcsolja csak a "B" aramkort, noha a rele adott esetben mar szabad utat biztositana. "A" aramkor 220V-os, "B" aramkor 220V-os, "C" aramkor talan 12V-os. "B" aramkor motorja kb. max. 100W, de inkabb csak 70W. Van valami 5let? Termeszetesen egyszeru alkatreszekbol kellene megepiteni. Udv...
Helló mindenkinek.
Lenne egy kérdésem.Lehet hogy nem ide való de végül is először szeretnék vásárolni a netről.Szóval az a kérdésem hogy a HEStore.hu ról ha vásárlok (Ha postán küldik nekem)akkor muszáj utánvételbe kérni vagy elküldik nekem simán(azaz mindíg ki kell fizetnem a +990 vagy 1 110 Ft-t)Ha nem idevaló amit írtam kérlek mondjátok hova írjam
Sziasztok!
Új vagyok itt, és sok kérdésem lenne.. Lehet, hogy nem a legjobb helyen kérdezem meg, de szerintem Ti is tudnátok adni pár tanácsot. Én egy 14 éves fiú vagyok, 8.-ik osztályos (leszek Szeptembertől), tehát éppen továbbtanulás előtt. Ezzel kapcsolatban lenne pár kérdésem. Szóval.. az elektronika az, ami engem a legjobban érdekel. Azon belül a különböző kapcsolási rajzok, elektronikai alkatrészek, áramkörök építése, NyÁK tervezés ,stb.. minden ami elektronikával kapcsolatos. Szabolcs megyében lakom, a családommal arra jutottunk, hogy talán a nyíregyházi Bánki Donát Műszaki Szakközépiskola elektronikai osztálya lenne a legmegfelelőbb választás. Tulajdonképpen azt szeretném megkérdezni, hogy Nektek mi a véleményetek erről? Tehát ezek azok amik engem érdekel, és amivel szeretnék foglalkozni is, és ehhez milyen szakra kellene mennem?
Ha rám hallgatsz, olyan iskolába mész, ami messze van (olyan messze legyen, hogy kénytelen legyél kollégiumban lakni).
Én annak idején Paksra jelentkeztem az erőmű sulijába, elektrotechnikai műszerésznek (mondjuk nem lett belőle semmi, de erről a tanáraim, meg a szüleim tehetnek, most tanulhatom az Internetről meg könyvekből). Szerintem fontos szempont lehet még, hogy olyan iskolát találj, ami megfelel a képességeidnek. Sem nagy nehezen a többiek után kullogni, bukdácsolni nem jó, sem egyetlen értelmesnek lenni egy értetlen osztályban. Idézet: „olyan messze legyen, hogy kénytelen legyél kollégiumban lakni” De miért? A többivel egyetértek.
Jó dolog az. Te sosem voltál kollégista?
Jó dolog, jó dolog.....
Negyven ágyas "szobában" emeletes ágyakon azért nem annyira jó. Az üteg utcai erősáramú sulinak a rózsák terén volt a kolesz, itt ilyen állapotokkal találkoztam vidéki ijedtszemű kisfiú létemre. Igaz, ez 1971-ben történt.
Nem, csak a seregben voltam "bentlakásos", de az nem volt olyan jó. Ha vége volt a sulinak, mentem haza, házi megold, aztán vagy számgépeztem (C64, AMIGA programozás), vagy pákásztam, kísérleteztem, kifejlesztettem a "csúcsminőségű" 2 bites, monó hangdigitalizálómat (1986-ban Magyarországon enyém volt az első ilyen, saját fejlesztésű hardware C64-re, saját software-el). Mindezeket koleszban nemigen tudtam volna megtenni. Akkoriban nem lehetett max "vókment" bevinni, nem számítógépet pákát, meg vegyszereket, szkópot. Szóval egy egész műhelyt.
Ja, és a suli 3 utcányira volt a lakásomtól.
Azóta már egész más. Amikor én 74-ben kollégista lettem Gyöngyösön ott igen jó körülmények voltak már akkor. Négyen voltunk egy szobában. Nem volt rossz.egyedül az nem tetszett akkoriban, hogy csak külön engedéllyel lehetett hazamenni hétvégére, de azóta már gondolom ez is változott. Persze azért nemárt szétnézni a kiválasztott koleszben előtte.
|
Bejelentkezés
Hirdetés |




De holnapra tuti hozok képet
min van 5 kiló
minek ekkora?! 


