Fórum témák
» Több friss téma |
- Ez a felület kizárólag, az elektronikában kezdők kérdéseinek van fenntartva és nem elfelejtve, hogy hobbielektronika a fórumunk!
- Ami tehát azt jelenti, hogy a nagymama bevásárlását nem itt beszéljük meg, ill. ez nem üzenőfal! - Kerülendő az olyan kérdés, amit egy másik meglévő (több mint 17000 van), témában kellene kitárgyalni! - És végül büntetés terhe mellett kerülendő az MSN és egyéb szleng, a magyar helyesírás mellőzése, beleértve a mondateleji nagybetűket is!
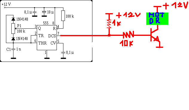
Hát én másikat ma már nem csinálok,úgyhogy inkább átmódosítom erre a kapcsolásra..
Ez már jobban néz ki?
Nem, az sem néz ki jól. Alapvetően nem. Valami sokkal alapvetőbb tévedést sejtek a háttérben. Éspedig az alkalmazott motor típusát illetően.
Vannak egyenáramú motorok, amiket impulzusokkal kell vezérelni. Léptető motoroknak is nevezik. Tipikusan olyan helyen használják, ahol előírás szerint nem forgatni kell valamit, hanem egyszer 45 foknyi elfordulást generálni, és utána abban az állapotban rögzíteni. Gyakorlatilag nem is a forgás a fő funkciójuk, hanem a fékezés / rögzítés. Azoknak kell pld pwm jel. Egy másik motor család az első rajzon megnevezett "ventilátor motor", aminek nem kell pwm. Részemről arra gondoltam, hogy 2 percenként bekapcsolod egy tíz másodpercre, vagy ilyesmi. Azok a motorok megkapják a feszültséget, és felpörögnek. Alapvető használati elvárásuk, hogy valamekkora fordulatszámot adjanak le, amíg kapják a feszültséget. Precíziós elvárások nincsenek velük szemben. Szóval az egyes számú ellenőrző kérdés: miféle motort használnál? Biztos a megfelelő motort választottad a megfelelő célra?
Hát ami azt illeti,én csak kíváncsi voltam, hogyan lehet szabályozni az egyenáramú motorokat kb 30V-ig kis teljesítményen.
Azért gondoltam hogy pwm jó lesz hozzá,mert rengeteg helyen olvastam hogy ezzel oldják meg a fordulatszám-szabályozást egyenáramú motoroknál. Viszont ha a pwm x időközönként y időre z impulzust ad,ami(ahogy írtad léptetőmotoroknál használják) nem jó fordulatszám szabályozásra,akkor hogyan oldják meg a ford.szabályozást? A mellékelt kapcsolással is próbáltam,azzal működik.
Ebben a témában , a második hozzászólásban is azt a rajzot ajánlják amit belinkeltem.
Most akkor hogy is van ez?
Jam, az a kapcsolás már jobban néz ki egy ventillátor motorhoz.
Azoknál a motor típusoknál, amit éppen kísérletezésre használsz jellegében nem fordul elő a precíziós üzem. Egyszerűen csak egy kommersz valamik, amiket nem arra terveztek, hogy pontos fordulatszám szabályozást el lehessen velük végezni. Lehet olyat csinálni, hogy lekorlátozni a vezérlési áramot, és akkor lassabban fog forogni, ami abból adódik, hogy van a forgórésznek egy súrlódása terheletlenül is, és amelyik fordulatszámon az egyensúlyba kerül a ráküldött teljesítménnyel, annál tovább nem gyorsul. Ha ráraksz valami terhelést, akkor a terhelés függvénye is lesz, mekkora fordulatszámot fog leadni. Mindez alkalmazott kenőanyagoknak, mechanikai illesztéseknek, de még a környezeti hőmérsékletnek is függvénye. Ha melegszik a motor működés közben, az is befolyásoló tényező. Szóval kb ennyit a precizitásról. Ahol precíziósan szabályozni kell fordulatszámot, ott eleve másik kategóriát használnak. Árban is minimum 10x-es a különbség. Nem tudok jópofi linket küldeni róluk, mert amúgy nem vagyok nagyon képben róluk, de nyakadba veszed google pajtást, és keresgélsz. Edit: menet közben újra felírtál a témában. De a válaszom jellegében ugyan az. Te a motorok típusait tévesztetted össze alapvetően. Írtad volna nekik, hogy egy kicsi 12 voltos ventillátor motor fordulatszámát akarod szabályozni, valószínűleg ők is felvilágosítottak volna a dolgok mibenlétéről.
A motort kapcsolgató NPN tranyó bázisára raktál ellenállatot? Ha a discharge hajtaná a kapcsolótranyót akkor felhúzóellenállás is kell. Mert a dsc az egy belső NPN kivezetett collectora.
Nem tettem.Egyikkel se működik.
Egyelőre félreteszem a témát,és az irodalmat tanulmányozom,aztán majd mikor szükség lesz fordulatszabályozásra egyenáramú motornál,akkor építek egyet újra. Köszönöm a segítségeket!
Nos a helyzet a következő, egy másik adaptert találtam, ami 6V output és még az van mellette, hogy 70mA , 0,42VA.Ez változtat valmit a dolgon? Persze az előtét ellenállás értékén igen, de a terhelés szempontjából jelent valamit?
Szerintem még a 10K ellenállás se kell, elég a felhúzó ellenállás. Hanem miért nem PNP-vel csináljuk ha már úgy is a 7-es lábbal vezérlünk? Csak egy ötlet a pnp tranyó. Utóbbi mondatot már Daninak szántam.
Szia!
A belinkelt kapcsolásodban a LED-ek árama összeadódik! Így az Iösz = _1LED_árama_ * LED-ek darabszáma. Az U tápfeszültség adott, s ebből kell kivonni a LED-ek nyitófeszültségét. Vagyis a képlet: R = (U - Uled ) / Iösz De számoljuk ki egy példában, hogy milyen értékű és teljesítményű ellenállás kellene 5V tápfeszültég esetén, ha a LED-ek nyitófeszültsége 3.2V, és egy LED-en 15mA-t hajtunk keresztül. A példában 15DB LED lesz párhuzamosan kapcsolva. Iösz = 15mA * 15DB = _0.225mA_ U = Ut - Uled = 5V - 3.2V = _1.8V_ R = U / I = 1.8V / 0.225mA = _8ohm_ P = U * I = 1.8V * 0.225mA = _0.405W_ ( 0.5W vagy 0.6W-os a szabványos teljesítménye ellenállásnak. ) Vagyis 8ohm és 0.6W-os ellenállás kell 15db párhuzamosan kapcsolt LED-hez amit 5V-ról szeretnénk meghajtani. ( A LED-ek _ilyen_ párhuzamosítását én nem pártolom. :no: )
Nem értek hozzá, de biztos jó az Iössz értéke??(mA vagy A). Csak nekem tűnik úgy lehet.
Ránézésre egy olyan gyors-zárnak tűnik amit egy hajólámpában láttam. Belenyomod jó erősen a megtisztított vezetékvéget és egy lemezes mechanika leszorítja. Az egyetlen hátránya, hogy elengedni nem fogja visszafelé húzva és elég nehéz meló kiszedni belőle a vezetéket.
"Iösz = 15mA * 15DB = _0.225mA_"
Ez hibás! Gondolom 225 mA-t, vagy 0.225 A-t akartál írni. (A teljesítmény és az ellenállás számításában is hibásan van írva, de a végeredmény jó.) A többi stimmel.
Létezhet olyan opto csatoló, ami lezárt tranzisztor Uce-ben elbírja a 400V-ot? Igen, 400V.
Sziasztok!
Segítenétek, hogy így meg lehet e hajtani a H-híd FETeket? Az alap problémám, hogy a mikrovezérlő ami vezérli a hídat 3,3v-ról megy. Kell valamilyen kiegészítő ellenállás? Sorba esetleg kell azt tudom, de a többi ami szokott lenni? (értelem szerűen ez csak a fele a hídnak!)
Igaz!
0.225A! ( Hiába, a megszokás... )
Tranzisztor kimenetű TLP 127 300V-os.
Triak kimenetű viszont van 600V-os is, TLP3063 nullátmeneti kapcsolóval, vagy anélkül pl. PC3SD11NTZAF
Néztem én is a darlingtonos optokat, de nem igazán értem, mitől lenne egy darlingtonnak olyan nagy a letörésije nyitó irányban?
A hitachi optok mind ilyen 30..80V-os tranziszotorkat tartalmaznak. Ha az a 300V igaz lenne, lenne neki sima egy tranzisztorosban is 300V-os. Vagy talán én maradtam le valamiről a darlington kapcsolás természetét illetően ?
oké.
nah szóval az a kérdésem hogy van egy tp-link tl r860-as routerem és azzal szertnék 2 gépet lan-ba kötni?ilyet lehet? ha lehet akkor hogy?
igen ez már csináltam de akkor elromlott a router (mert elmentek az ip beállítások) és kellett egy újat venni
Urak!
Ennek nem ez a megfelelő topic!
Sziasztok, nekem sok kérdésem lenne.
gyakorlati, és elméleti kérdések. az első az lenne, hogy vannak olyan diodák amikre semmi sincs írva.. van rajtuk 1 jelölés van amelyikenfekete van citrom, fehér,és zöld (a sárgákon 2 csík van, egy vékony középtájékon, meg egy vastag, a vége felén), azt szeretném kérdezni, hogy azoknak mik az adataik (letörési fesz,gyrs-e,mire használják, stb)? és van egy viszonylag nagy teljesítményű fajta az van ráírva, hogy UI, meg a polarítás, semmi más, na és az mi? a második, a tranzistorok. 3 sorban van rajtuk kód, jelölés, akármi. mit jelent a PH, illetve az 1,2,3. sor mit jelöl? a harmadik a kérdésem, a potenciométereken 3 kivezetése van, tudom a működési elvét, csak azt nem, hogy mondjuk a 100k potiban, mi a 100k, úgyértem, hogy hogyan lehet kimérni és, hogy az 1k-s potit mekkora értéken belül lehet változtatni? (az utobbira egy olyan választ várok amit minden potinál tudok alkalmazni.) az elméleti kérdésekre áttérek. Az 1-es képen látható w-re(Wr látható a képen, az r betű nélkül vegyétek a késdést.) hasonlító jelet/mértékegységet minek nevezik? És mi a jele/mértékegysége, és hétköznapi nyelven egy definició is jól jönne. Nameg, a tekercseknél a melegedés kiszámításánál, a “wL” és az “Rs” mit jelöl, mértékegységre/jelre és nevezésekre vagyok kíváncsi. (Q=wL/Rs) Egyenlőre ennyi lenne, egy értelmes elméleti, és gyakorlati íráa ia jól jönne, vagy szenvedhettek a további kérdéseim miatt... boccs a regényér. előre is köszönök mindent!
Szia!
A végéről kezdem. Az ω (ómega) görög betű, a körfrekvenciát jelenti. Olvass utána. A potenciométer névleges ellenállását a két szélső kivezetés között kell mérni, és elméletileg 0-tól névleges ellenállásig változtatható az értéke. Szintén olvass utána. A PH a gyártó jelzése (Philips). Az első sor legtöbbször a típus jelzése, nem mindig írják ki teljes hosszában a típust. A csíkos műanyagtokozású diódák az oroszoknál terjedtek el leginkább. Rakj fel képet róluk. Remélem segítettem.
Hellosztok.
Szerintetek ha a vaku xenoncsövét nem kondiról hanem folyamatos áramforrásról táplálva gyújtom be akkor égve marad?
amig ki nem ég ja.. de azok villanásra lettek tervezve, a folyamatos üzemtől igen hamar kiég.. nem akarok félre beszélni nem tudom hány másodperc-perc alatt, de annyi lesz neki igen záros határidőn belül..
|
Bejelentkezés
Hirdetés |







)






