Fórum témák
» Több friss téma |
Sziasztok,ma észre vettem a kis Behringer Xenix 1002keverőmnek eléggé zizeg a trafója,egyszerű nyáktrafó,ez befolyásolhatja a hangot?Mert én zajosnak tartom a keverőt.
Köszi
Szia!
Nincs köze hozzá. A trafó zizegése mechanikai zaj. A Xenix szériáknál gyakori, hogy egy idő után (2-3 év) zajosabb lesz az előfok.
Szia azért csak kicseréltem és az alapzaj nagyjából eltünt.Most nem nyák trafót kapott.Igaz nem 2x15vAc,hanem 16,5vAc 2x de megy.
Elvileg nincs köze hozzá, külső tápos, nem kellene, hogy a táp trafó zizegése befolyásolja a keverő alapzaját. Érdekes...
(Esetleg rossz a zavarszűrése a táp felől?) A hozzászólás módosítva: Feb 20, 2015
Sziasztok.
Az alábbi kapcsolást szeretném elkészíteni,mit kéne kicserélnem benne és mire hogy nagyobb feszültségről üzemeltethessem (35V) Köszi
Szia! A kondenzátorok feszültségtűrését növeld meg, mondjuk 50V-ra.
Üdv! A kezdők közt már kétszer is feltettem ezt az egyszerű kérdést, de valamiért nem jön válasz.
Építek egy végfokot, amibe a hangkártyáról megy a jel. Szeretnék potit tenni a kettő közé. Hány K-st vegyek? Kell még plusz ellenállás, hogy a poti 0-ra letekerve ne füstölögjön?
Szia!
A poti ELÉ tegyél pl. egy 2k2-es ellenállást és az menjen tovább a poti "tetejére", így a végfok felől nem csinálhatsz bajt. 0-ra letekerve semmi gond nem lehet, hiszen a végfok bemenetét rakod le a csúszkával GND-re, ilyenkor elvileg is a legkisebb a hangkártya terhelése.
Köszönöm! A kezdők közt válaszoltak valamit, ami alapján okosabban tudok kérdezni a poti nagyságát illetően.
A hangkártya kimeneti impedanciája 200Ohm. Az erősítőt nem tudom, de megpróbáltam összeszedni minden infót. 4.7u kondin át, egy OPA552 bemenete és a föld közt van 10KOhm, oda megy a jel. Az OPA552 bemeneti impedanciája az adatlap szerint 1013 ohm. Kapcsolási rajz Teljes cikk
Egy TL072cn típusú ic-vel szeretném megalkotni,a kondikat lecserélem 63V-ra az úgy elég vagy kell esetlég még valamit nagyobbra hogy ne száljon el az ic?
Szia!
A TL072 csak +/- 18V tápfeszültségről üzemeltethető maximum. Akkor a FET -es résznek is felesleges a nagyobb tápfeszültség. Ha +/-30V -ról szeretnéd járatni a műveleti erősítőt, akkor mindenképpen az eredetileg javasolt OPA552 -vel építsd meg.
A TL072 nem megy +/- 30V -ról.
A hozzászólás módosítva: Márc 7, 2015
Nincs is ilyen igény, 1x35V-ot tervez a kolléga. A neminvertálók bemenetek féltápon vannak. Az 1% tűrésű osztón jót derültem
Jaj.. visszanéztem, már látom..
Két beszélgetés megy párhuzamosan.
Jelenleg csak akkora feszültség áll rendelkezésemre,azért gondolkodtam a fesz. csökkentésben.
A tápfeszültség egytelepes táplálás esetén mehet max. 36V -ig. A 35V az teljesen megfelel.
Pontosítva 2x 24VAC-33,8VDC van nekem az erősítő tápjánál ahova be szeretném szerkeszteni. Egy tda 7294 elé kellene, nem kellene a tda-hoz de sokszor megy telóról,tab-ról és azok egy kicsit keveset küldenek az erősítő felé. Nincs külön táp az erősítőben csak egy toroid ami 2x 24V váltót tud.
Miért nem csinálsz neki 2x15V -ot két stab. ic -vel?
Nem lesz az ic ki -és bemenete 15V -on, mint ahogy most van. Megnéztem a rajzot, nincs sem a kimeneten, sem a bemeneten feszültség-lehúzó ellenállás. A kimenő kondi feltöltődik majd a hangerőpotin keresztül, de a bemeneten lévő majd azon keresztül fog feltöltődni, amit rádugsz. Ha csinálsz neki +/- 15V -ot, akkor nem kell tápfelező osztó az ic bemenetére és elhagyható a kicsatoló kondi is, valamint megszűnik ez a probléma. A telód, tableted, stb... kimenete nem biztos, hogy tolerálni fogja azt a 15V -os impulzust... A hozzászólás módosítva: Márc 7, 2015
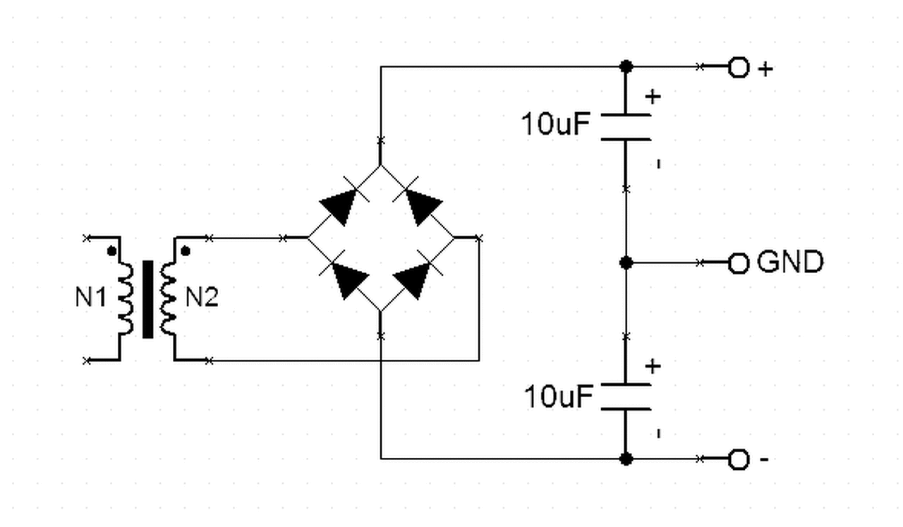
Találtam itthon elfekvőben egy nyáktrafót 9V váltóval ami 255ma-t tud elég lenne neki vajon?
Elvileg szimmetrikus táp kellene neki,az jó lenne amit csatoltam?
Ha azt megfelezed abból kb. +/-6V lesz, ami elég necces. A legtöbb IC elmegy már akkora tápfeszről, de a +/-5V környéke nem mindegyiknek tetszik. Akkor már csinálj inkább feszültségkétszerező egyenirányítást, abból lesz kb. 24V DC és arról járasd szimpla táppal, csatolókondival.
Keresgélek itthon hátha találok valami kisebb trafót ami megfelelne,sajnos csak nagyobbak vannak kéznél méretben és feszültségben is.
Mielőtt az előerősítőt megépítenéd, növeld már meg a TDA7294 fokozat érzékenységét! A 2-es láb és a test között van 680 ohm és 22uF, cseréld 220 ohm 100µF-re!
Az op-amp ic-nek 20-30 mA körüli max. áramfelvétele van, a tápját akár egy-egy zénerrel is meg lehet csinálni abból a +/- 33V -ból. Vagy oszd le felére a feszültséget, úgy mint ahogy most van az ic bemenetén és csinálj vele egy-egy áteresztő tranzisztoros tápfeszültséget.
Mindkét tápágban tranzisztor, a pozitívban npn, a negatívban pnp. Kollektorok a 33V -ra, bázisok a felére osztott feszültségre, az emittetek pedig az ic -re. Sajnos, most nem tudok rajzot feltenni, mobilról írok, de ez egyszerű, rajz sem kell hozzá. Gondolom, csak van otthon egy pnp és egy npn kis BC tranzisztorod. A hozzászólás módosítva: Márc 7, 2015
Köszi a segítséget,mindenkitől. Holnap kipróbálom az erősítőn az ellenállás és kondi cserét hátha megoldja a problémát és akkor nem kell gyártanom előerősítőt. Kedvem lenne hozzá csak időm nem sok..
Nincs nálam 22µF-kondi a tda-nál a te verziódat építettem meg annó.
Értelemszerűen a 680 ohm-mal soros 47µF helyére megy 100uF.
A hozzászólás módosítva: Márc 8, 2015
|
Bejelentkezés
Hirdetés |





Két beszélgetés megy párhuzamosan.








