Fórum témák
» Több friss téma |
Az alkatrész-elrendezésből annyit vegyél át, amennyi számodra szükséges, a konkrét NYÁK-ot gondolom további alkatrészekkel is kiegészíted.
Igen megpróbálom egy A4-es nyákra az egészet megtervezni,lassan áll össze a kép,főleg a föld vezetékkel,hogy ne gerjedjen.
Minden föld-vezeték induljon egy közös csillagpontból!
Ez így igaz,de így is sokat kattogok az elrendezésen.
A nyákodról van pdf formátumú kép a fórumon?Még csak jpeget találtam.Az OPA ic-s nagyon drága 10 db-ra számolva.
A hozzászólás módosítva: Ápr 10, 2016
Csak a beültetési képet raktam fel annak idején, jelezve hogyan lehet gusztán egymás mellé pakolni az alkatrészeket.
Köszönöm akkor meg kell keresnem,de viszont jó lesz.
Benne volt az előző linkben: Bővebben: Link
Köszönöm így meg van minden.
A további fejleményekről majd beszámolok ha érdekel.
Ha bizonytalan vagy, nézzük át NYÁK-terv ellenőrzés témában!
A beszámoló természetesen érdekel.
Sziasztok ismèt egy kérdésem lenne van valakinek olyan előerősítő kapcsolási rajza ami 1V jelet állít elő + mély magas állítási lehetőség próbálkoztam az lm1036-al de nem tetszik a hangja és nagyon zajos
Szia.
Miből (mekkora jelből) kell előállítani az 1V -ot, mert nem mindegy.
Igaz ez kimaradt az át fogalmazás miatt leginkább telefon/számítógép jeléből kb 2,5x es erősítésre gondoltam
Sziasztok !
Tudna valaki valami linket (én nem találtam) egy olyan előerősítőhöz ami vonal szintű jelet 0V DC bemenet mellett kb. 2-3x -ára erősít 0V DC kimenet mellett, és nem műveleti erősítővel van megoldva. A neten csak olyat találtam sajnos. Előre is kösz !
Szia! Ezt egy földelt-emitteres alapkapcsolással el tudod érni. Bővebben: Link
Sziasztok!
Csatoltam egy 3 csatornás keverő erősítőt. Az egyes bemeneteken ill. a kimeneten hányszoros az erősítés? Több példányban megépíteném, és szükséges lenne az erősítés mértékének beállítása.
Egy kis módosítással talán jó valamire.
Köszönöm a munkádat! Így elég jónak tűnik.
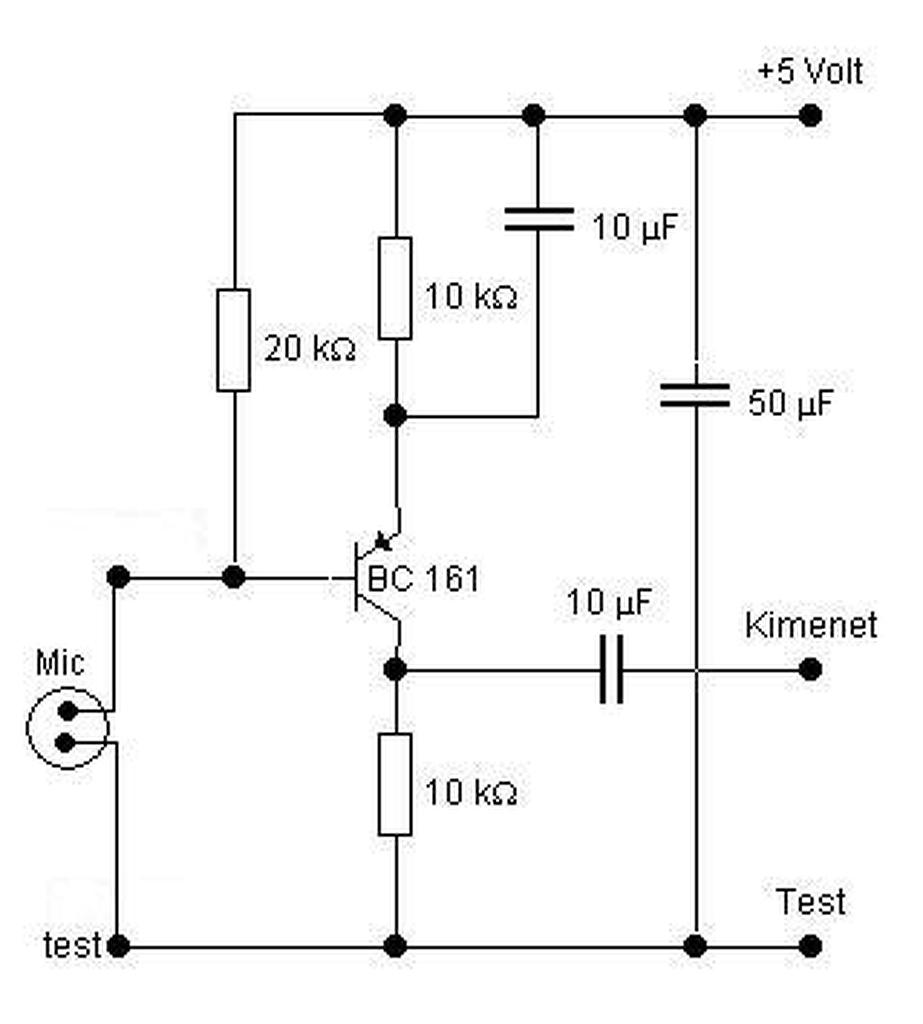
Megépítettem Béka mikrofon előerősítőjét. Elemről használva kifogástalan, ám ha a PC 5V-ját használom, irdatlan zajos. Mi lehet a gond?
A PC 5V-ja a baj, mert összeszed mindenféle zajt a házon belül. Talán enyhítheted, ha egy tl431-el csinálsz 4,5V-ot az 5-ből, és arról kapja a tápot az előerősítő.
Esetleg egy 100nf es kondival . Szűrhetnéd még a tápot. Bár. Nem hiszem sokat segít... Meg ha bedobozolod egy fém dobozba akkor kevesebb rá az esély, mindenféle zavartössze szedjen.
Ennek szűrt tápfeszültség kell, mert a mikrofonra vezetett tápfeszültség miatt a tápágból minden zaj rákerül az előerősítő bemenetére. Próbáld megszűrni a mikrofon tápját, pl. egy 1kOhm/47µF -os szűrővel. (Copy/paste volt, ezért 50µF lett a rajzon). Tehetsz az elkóval párhuzamosan még egy 47...100nF -os rétegkondit is.
Szia
Én, ha jól tudom ezt a az erősítőt a hangkártya mikrofon csatlakozójáról táplálta meg és nem a számítógép tápleágazásáról.
Sziasztok
Van egy előerősítőm ami NJM4558LD ic vel van szerelve. Ennek milyen táp kell ? +/- 15 gnd vagy csak simán 15V ?
Szia! A táplálás az áramkör kialakításán múlik.
Ha még aktuális, akkor "steelbird" rajzát kiegészíteném. Ebben a kapcsolásban jobb az emittert a test felé hidegíteni. Akár nagyobb kondi is mehet oda. Semmi baj a pc táp használatával. Nekem kis jfetes előfok megy a vonal bemenetre. Gitár előfok 5 V-ról. A táplálást egy szabad usb aljzatból veszem, de csak a + tápot. A gnd az a line in gnd-je.
Nem az én rajzom, innen van a topicból.
|
Bejelentkezés
Hirdetés |

















