Fórum témák
» Több friss téma |
Na várj picit. A 2. pontban jelent meg az 50Hz. Ott növelted a kondikat. Ezt tettem én is, csak még sokkal szélsőségesebben. A terhelés ott szimmetrikus volt.
Igen, erre nem figyeltem, hogy a 2.-at szimulálod. Akkor most? Valami ötlet?
Nincs ötlet. Nem igazán értettem, hogy honnan jön az 50Hz, ha 100Hz-esek a kondit töltő impulzusok. Más frekvenciájú jel pedig nem fordul elő, hiszem a terhelés statikus.
Mindjárt meglátjuk, mi jön ki a 3.-ra
Mivel a szimulátorok ugyanúgy számolnak mindenhol, csak az lehet, hogy valamit másképp csinálunk. Én sem akartam, hogy ott legyen az az 50 Hz, de ott lett. Először én is meglepődtem, aztán próbáltam belemagyarázni az elméletbe. Valahogy varázsold bele
Nehéz, mert torzítást csak nemlineáris elem vihet bele. Ebben a kapcsolásban a dióda. Miután kétutas egyenirányítást alkalmazunk ez duplázza a frekvenciát.
A nemlinearitás csak felharmonikusokat hozhat létre, ha egyetlen frekvencia van jelen. Szóval akárhogy töröm a fejem, nem akar kijönni a dolog...
A generátor kivezetésein van jelen 50/150/250/350...stb Hz. De ez nem jelenik meg sehol máshol az áramkörben.
Az még nem lehet, hogy állandósult állapotot szimulálsz, nálam pedig a feltöltési és kisütési ciklus is benne van? Kicsit tanácstalan vagyok.
Kipróbáltam t=0 időpillanattól is. De csak a felbontást rontotta a spektrumképen, mást nem csinált.
Eszembe jutott, hogy a Stereophile végez ilyen méréseket. Benne van a spektrumban az 50 Hz is (ami itt 60 Hz). Pedig valószínűleg ebben is kétutas egyenirányítás van, közép leágazásos szekunderrel.
Erre mit lépsz?
Semmit. Mivel a szimulátorral nem lehet például a trafó szórását/kapacitív csatolásait modellezni. A gyakorlatban viszont kikerülni nem nagyon lehet...
Igazándiból az van, hogy most ez a "bastode" bemeneti fokozat tetszett meg. Érdekesnek találom és talán megér annyit, hogy elszórakozzak vele valamennyit. Nem kell előfeszíteni a bemeneti komplementer emitterkövetőt, mint a daimond kapcsolásnál. Ha pedig közösítjük az emitterkövetők bázisát a bemeneten, egyéb "furmányokhoz" kell folyamodni amikre még szerintem senki nem talált ki jó megoldást - csatolókondik, áramgenerátorok, kétkörös visszacsatolás - ez sem jó.
Ez a bastode meg sok tranzisztort igényel. Viszont cserében szinte maguktól beállnak a munkapontok, a vegyesen és szimmetrikusan vannak a két félhullámban az NPN PNP párok, Q5-7 valamelyest kompenzálja Q1-3 nemlinearitását. A nagyjelű fokozat meghajtása körül érzek valamit amit jobban is meglehetne csinálni, de egyelőre nem tudom hogyan. Van még egy gyenge pontja az egésznek, hogy nagyon kicsi a tápelnyomása. Tulajdonképpen éppen ezt szimulálgattam addig-addig, hogy a végén eljutottam az elejéig - a Graetz-ig és a pufferekig. Pedig nem akartam. És ekkora ügyet sem szerettem volna csinálni ebből az egészből, csak meg akartam állapítani, hogy már itt elkezdődnek a gondok. A lényeg, ha beadok valami zavarjelet a tápegységbe, ennek keveréke igen nagy jelszinten mérhető a kimeneten is. Annyival amekkora a tápelnyomás, -34 dB-lel. Ezen aztán elmorfondíroztam magamban egy ideig.
És érdekességképpen a THD változása a zavarjel függvényében...
Próbálkoztam előreszabályozással. Ezzel az a gond, hogy csak nagyon pontos beállítás mellett működik hatásosan. A gyakorlatban lehet, hogy be sem lehet állítani megfelelőlen és mindentől el fog vándorolni... hőtől, tápfesztől, szemmel veréstől. De egy közelítő beállítással talán megér egy mérési és meghallgatási próbát. Majd meglátom. Ez is csak egy érdekesség, ha valakit érdekel egyáltalán.
Most következik a felismerés!
Az eddig leírtak csak amiatt kellettek, hogy látni lehessen milyen rögös úton jutottam el egy nagyon egyszerű észrevételhez. A tápelnyomása ugyan szerény ennek a fokozatnak, de csak akkor ha külön-külön zavarom be valamelyik féltápot, vagy közösmódusban egyszerre mindkettőt. De mivel szimmetrikus felépítésű, így ha a tápfeszültség változás is szimmetrikus - pl. +/- 25 V, vagy +/- 23 V-ra változtatom - arra kevésbé érzékeny. A két egymástól független feszültségstabilizátor nem törődik azzal mit csinál a másik. Mindkettő önálló életet él és arra "kalimpál" amerre akar. Mindkettő beleviszi a saját zavarjelét. Viszont ha az egyik tápot megtükrözöm, jelentős mértékben érzéketlenné válik az erősítő a tápegység - most már szimmetrikus - zavaraira. A THD javulás 46 dB. Tehát söntszabályzó és tükrözött táp. Esetleg még az előreszabályozás is. Egyre izgibb mit fog lépni erre... de még tovább mókolok - magával a kapcsolással - hátha eszembe jut valami épkézláb ötlet mielőtt megcsinálnám.
Ezt hirtelen felindulásból sikerült összekalapálni és még nekem is tetszik, ami pedig ritkán fordul elő. Már csak meg kell tükrözni valahogy. Talán az lesz nehezebb.
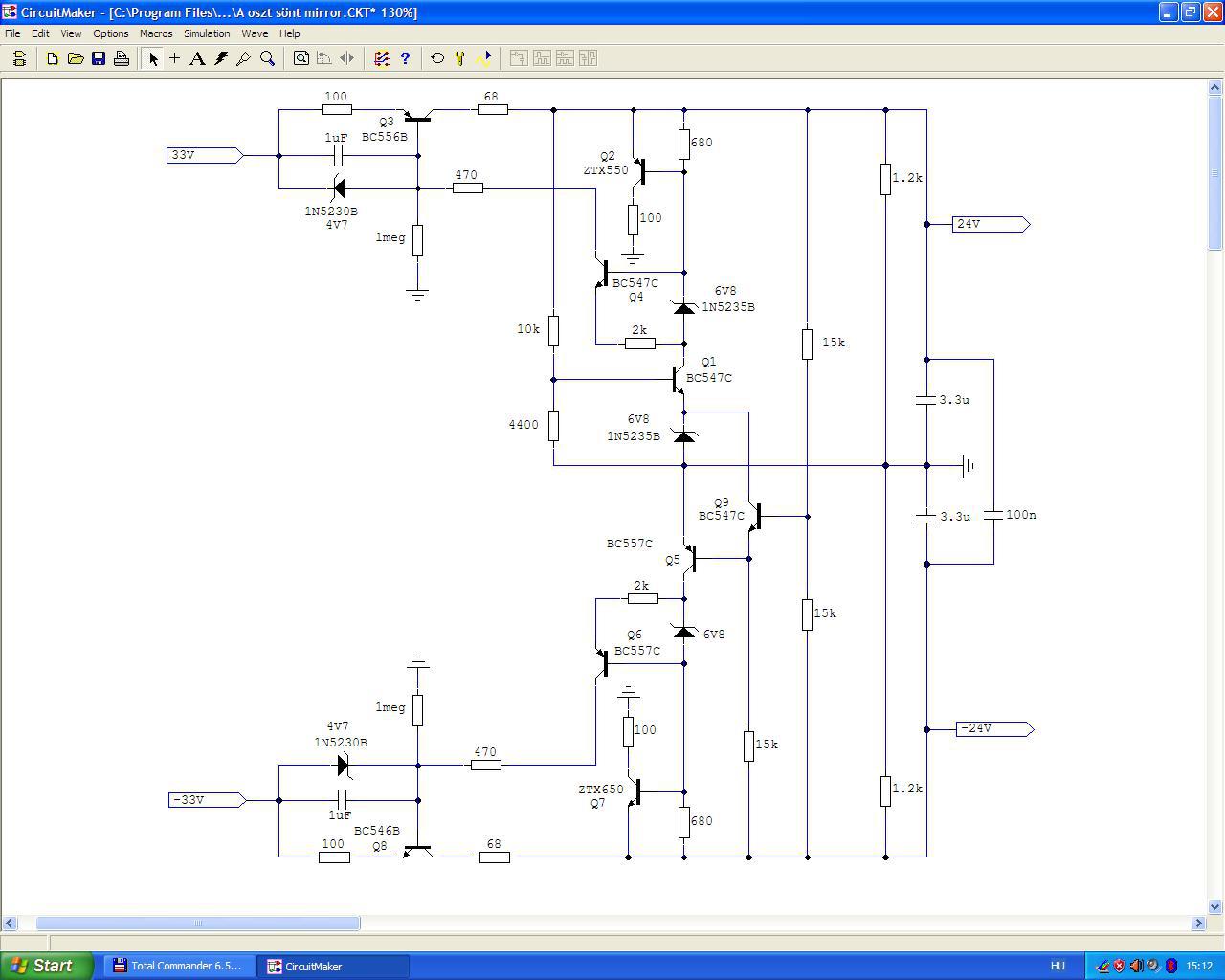
(Én tudom mi ez, de hátha nem mindenki... a meghajtó fokozat egyik féltápjának a söntszabályzója.)
Megtükröztem. Sajnos futási idő problémák miatt le kellett rontani a kimeneti ellenállást.
Az 1 Hz alatti frekvenciákon késleltetve követte volna a negatív tápfesz a pozitívot, így hálózati feszültségingadozás esetén frekvenciaszorzóként viselkedett volna, jó nagy lengésekkel a kimenetén. Most időben is, feszültségben is pontosan tükröz kb. a 0-100 kHz közötti sávban. Lehet túllihegem kicsit ezt a dolgot, de majd a mérések eldöntik érdemes volt-e ennyit görcsölni ezzel az egésszel. Ha a feltételezéseim helytállóak és tápegység hibái döntően befolyásolják a hangképet, akkor igen. Ehhez azonban meg kell majd hallgatni ilyen-olyan-amolyan tápegységekkel is. Tehát valami öcsi panelen lesz egyelőre a tápegységek ezen része (többféle változatban) amiket egy mozdulattal lehet cserélgetni. (Mindig csinálom a bajt a magamnak.) Kiteszem CM-ben is, hátha érdekel valakit. A hozzászólás módosítva: Júl 24, 2022
Összerajzoltam. Persze ez még fog változni.
Az első az alapkapcsolás, a maradék 44 tranzisztor csak azért kell, hogy tegye a dolgát az a két FET a kimeneten.
Megfestettem a meghajtófokozat próbapaneljét. Féltem, hogy nem fogja beváltani a hozzáfűzött reményeket, de várakozáson felül jól teljesít.
A tápegység egyelőre a labortápom. Az előreszabályozást a mérések legvégén fogom kipróbálni. Ezeket az U404-es duál-jFET-eket Subának köszönhetem. Ő ajánlotta valakinek, hogy van a LOMEX-ben. Bárhol máshol egy kisebb vagyonba kerültek volna. Gyorsan vettem 30 db-ot, a majd jó lesz valamire címszóval. Szuper kis fetek. Persze nem teljesen egyformák egy tokon belül sem - hármat kipróbáltam közülük - 8 mV drift van a kimenetén, tehát trimmerelni kell. 100R helyett 96R az alsó jFE munkaellenállása és ezzel +/- 1 mV-on belül marad kimeneti drift. Egyáltalán nem gerjedékeny, mint pl. a BF245-ök. A nyugalmi áramok tekintetében megint megbízhatónak minősíthető a szimulátor, jelentéktelennek mondható az eltérés a gyakorlatban. Érdekes, hogy a fázismenet klasszissal jobb, mint amit a szimuláció mutat. A késleltetés maximuma 6 MHz-en van (-77 fok) és 15 MHz-en - egységerősítés környezetében - mindössze -59 fok. Tehát a fázistartalék itt 121 fok. (Q13, Q15 földelt bázisú kapcsolásban működik nagyfrekvencián, így a fázis előre siet.) Elsőre az "alap kompenzációt" tettem be és így is maradt. (C3 C4 = 10pF, C5 C6 = 3.3pF, az integrálótag (C7) pedig 10 pF. C7 korlátozza a sávszélességet 1.6 MHz-es -3 dB-es ponttal. A bemeneti aluláteresztő kondik nincsenek beültetve. A négyszögjel átvitel meglepett... ez is jobb a szimuláltnál. Nem lehet túlvezérelni egyetlen fokozatot sem. Látható, hogy 1 kHz szinusszal 43 Vpp-nél klippel a kimenet. A 40 Vpp 300 kHz-es négyszögjel nem tudja zavarba hozni. Állandó generátor feszültség mellett addig lehet tolni neki a frekvenciát, míg el nem fogy - ami nálam max. 15 MHz. Összefoglalva a lényeget, idáig minden várakozásomat felülmúlta ez az erősítő fokozat, mind munkapont-stabilitásban, mind gyorsaság és kivezérelhetőség tekintetében. A hozzászólás módosítva: Júl 27, 2022
Megmértem a tápelnyomást. A diagram nem halálpontos, de +/- 3 dB-en belül van.
Az előreszabályozás egyértelműen hoz 40 dB körüli javulást a hangfrekvenciás sávban, ami nem kevés. A visszacsatolóköri R62, R63 szinte hatástalan, az kimarad a kapcsolásból.
A söntszabályzó kísérleti panelje. A panelt elnézve nagyon egyszerű kis szerkezet ez. Ért már olyan vád, hogy mindent túlbonyolítok. Ennyi alkatrész szerintem szükséges ahhoz, hogy tisztességes tápot kapjon a meghajtófokozat - ennél több már felesleges lenne. De ez nem műszerként kezelendő, csak egy sima kis feszültségstabilizátor egyetlen célfeladathoz.
A kapcsolási rajzon a mért feszültségszintek. Az xls.-ben a pozitív táp kimeneti feszültségváltozása a bekapcsolástól 1000 mp-ig, 10 másodperces intervallumban. A pdf.-ben néhány alapmérés. Van néhány paraméter melyek meghaladják a "műszereim" felbontóképességét. Ui: elfelejtettem szólni az utólag betett R25 (220k) ellenállás szerepéről. Ha rövidre zártam a negatív tápot, nem éledt fel mert elfogyott Q8 bázis árama. Ezt a célt szolgálja. Az "A" szkóp képen a kimeneti kisfrekvenciás zaj. Ennek forrása a (D3) Zener - mint feszültség referencia - saját zaja. Kisebb, mint 0.5 mVpp. A negatív táp ezt megtükrözi. +Uki zaj - (-)Uki=0. Közel nulla. A kivonás műveletét a meghajtó fokozat tápelnyomása fogja elvégezni (majd ezt is megmérem, de ezekkel a műszerekkel szerintem nem fogom tudni). A "B" képen a dinamikus viselkedés. Ez a "mérés" komolytalan de érdekes. Egy 10k ellenállást "nyomogattam" hol a pozítív, hol a negatív tápkimenethez. Ami látható: a negatív táp kimeneti impedanciája kb. fele a pozitív tápénak, valamint, hogy szépen megtükrözi a pozitív táp kimeneti feszültségingadozásait. A"C" képen a tápelnyomás. A puffer "brumm feszültsége" nyomokban sem látható, csak a szkóp saját zaja. A "D" képen a hálózati feszültségingadozás okozta kimeneti feszültségszint ingadozása. Ezt úgy "szokom" előidézni, hogy bekapcsolom a 2 kW-os hősugárzót, mire a hálózati fesz. 231 V-ról 229 V-ra esik le. A 24 V-os kimeneten csak a Zener saját zaja van jelen, a feszültségesés nem látható. "E" kép. Van egy ilyen kis játék kézi analizátorom. Ez a saját zaja rövidre zárt bemenettel (60-70 uV közötti értéket mutat feszültség állásban, szűrő nélkül). Ha a 24 V-os tápkimenetet mérem vele, ugyanezt mutatja - tehát nem fényképeztem le kétszer ugyanazt. A laptopot és a külső hangkártyát (vagy mit) meg lusta voltam emiatt elővenni emiatt a mérés miatt. Ekkora kimeneti zaj nekem megfelel, amit ezzel a bigyóval nem tudok megmérni. Majd folytatom a mérést a meghajtófokozat plusz söntszabályzó együttesével. Kíváncsi leszek rá. A hozzászólás módosítva: Júl 30, 2022
jav.:
Idézet: „Ezt úgy "szokom" előidézni, hogy bekapcsolom a 2 kW-os hősugárzót, mire a hálózati fesz. 231 V-ról 229 V-ra esik le.” 12 V-ot esik, csak nem tudok két ekkora számot kivonni egymásból. 231-ről 219-re.
Persze, mert csak 10 ujjad van...
Egy jó asztalos 9 ujjal is elszámol 511-ig.
Az "A oszt söntszab mérés"-nél önmagában a stabilizátort vallattam.
Az "A oszt söntstab zene"-nél a meghajtó fokozattal együtt, de csak zenei jellel. Klippelés határig vezéreltem ki az erősítőt és a tápfesz ingadozását figyeltem. Itt megbukott. Teljesen pontosan sosem fog tükrözni, de ez így csúfos. Mondjuk egy passzív stabilizátor megnyalná mind a két tranzisztorát ha ezt meg tudná akárcsak közelíteni is, de ebből ennél valahogy többet kellene kihozni. Az a bajom vele, hogy mindkét stabilizátor önálló életet él. Legalább kisfrekvenciásan pontosnak kellene lennie a tükrözésnek. Azóta (talán) rájöttem, hogy túlszűrtem a kimenetet. 180 kHz-ig állandó a kimeneti impedancia - efölött nyugodtan emelkedhet mert ott már nincs "zene". Vagy valami ilyesmi. Még átgondolom. Aztán csak nem bírtam ki és meghallgattam. Igazából nem hittem, hogy nagyon másképp fog szólni az egész, mint a HTB-s meghajtással - de ez utóbbi végülis fejhallgató erősítőnek készült, max 1-2 V-os kimeneti jelszintre és 12 V csúcsnál már klippel. Most drasztikusan jobban szól. Azonnal átértékeltem az eddigi véleményem a buffer fokozatról. Lehet mégsem kell átfogó negatív visszacsatolás - de azért majd kipróbálom úgy is - egy még szerényebb, mondjuk 10 dB-es visszacsatolási tényezővel. Majd alakul. Még nagyon messze van a kísérletek/szimulációk/mérések vége. Az első biztonsági mérést és "behangolást" követő meghallgatás úgy történt, hogy a buffer fokozat előtti aluláteresztő 100 pF-es kondiját kiszedtem, mert beterheli a meghajtó fokozat kimenetét. Stabil maradt. Ezután lassítottam le a meghajtó fokozatot (az integrálótaggal) 1.6 MHz-ről 180 kHz-re. Odaragadtam a székhez attól amit hallottam. Másfél órát hallgattam így, aztán beforrasztottam a bemeneti másodfokú aluláteresztőt. Talán ettől javult a hangja valamennyit de lehet, hogy csak ezt akartam hallani. Ezt majd még tesztelgetni kell, mert minek csapjam be magam ha nem muszáj. Ez még csak a kísérletek legeslegeleje. Nem is akartam másik végfokot tervezni, de ez most nagyon kezd megtetszeni. És lehet nem is kell teljesen "A" osztályban működnie. Ezzel az 500 mA-es nyugalmi árammal is teljesen jó... de még ez sem biztos...
Néha szívni is kell egy kicsit, mert úgy lesz kerek.
Miután szétkompenzáltam a stabilizátort és továbbra is egymástól függetlenül hullámzott kis frekvencián a két tápkimenet, gondoltam egy merészet és rábiggyesztettem az egyik kimenetre mindkét mérőcsúcsot. A szkóp két csatornája nem egyforma. De nagyon nem. Ki gondolta volna, hogy már semmiben sem lehet megbízni.
Emeld fel a földről a kimeneti előterhelésnek használt 1k-s ellenállást. A levegőben kösd össze a közös pontjukat és ott mérj. Akkor pontosan látod majd a két tápon előforduló váltófeszültségű komponensek különbségét.
Most nézem, hogy van is ilyen pontod a 2db 5.1k-val. Na annak kell hinni, amit ott látsz...
Nem lehet hinni neki, mert szkóp bemenete lebeg. De csak zenei jellel, állandósulttal nem.
Tehát ha egyetlen kimenetre kötöm a két csatornát és kivonom egyiket a másikból, akkor is lebeg... meg külön-külön is. Gagyi a szkóp. A hozzászólás módosítva: Júl 31, 2022
A nagy nyilvánosság előtt szeretnék elnézést kérni a szkópomtól, hogy legagyiztam
![]() Van neki kb. fél mV kisfrekvenciás zaja, csak ezt eddig valahogy még nem vettem észre. Ettől még szeretem és nem rajta múlik az, hogy milyen erősítőt mérek vele. Csak hát jól rám ijesztett, hogy a söntszabályzó zajos és emiatt mégis kap egy fekete pontot. Rá is rajzolom az oldalára... vagy inkább az aljára, hogy ne legyen annyira szem előtt. |
Bejelentkezés
Hirdetés |












































