Fórum témák

» Több friss téma
Fórum » Erősítő mindig és mindig
Mielőtt kérdezel, a következő két dolgot ellenőrizd! I. A helyes tápfeszültségek megléte. II. A kimeneten van-e egyenfeszültség. Élesztés.
Lapozás: OK   1288 / 2576
(#) zenetom válasza reloop hozzászólására (») Ápr 13, 2013 /
 
A 330 ohm-on 0.6V esett, de mérés közben csináltam egy kis rövidzárat, először azt kijavítom.
(#) reloop válasza zenetom hozzászólására (») Ápr 13, 2013 /
 
Ha rendben a nyugalmi, akkor nézd meg az MJE350 bázis-emitter között nincs-e rövidzárlat, mert arra elfolyhat a 2mA és a 180ohm emitter-ellenállásán ejt 0,36V-ot, melyhez hasonlót észleltél R34-en.
Szerk.: nyugalmi helyett áramgenerátor kellett volna írnom.
A hozzászólás módosítva: Ápr 13, 2013
(#) reloop válasza reloop hozzászólására (») Ápr 13, 2013 /
 
A pozitív oldalon is nézd meg kérlek a 330 ohm-on eső feszültséget, mert azzal a 2mA-rel is el kell számolni. Valamerre folynia kell és az ott található ellenálláson feszültséget kell ejtenie.
(#) zenetom válasza reloop hozzászólására (») Ápr 13, 2013 /
 
Az MJE350 bázis-emitter közt nincs rövidzár, viszont a 2N5550 bázis-emitter zárlatos és a 2N5401 mindenhogy zárlatos (10-20 ohm-ot mérek kiforrasztva a lábai közt). Ezeket vagy most a mérés közbeni rövidzárral nyírtam ki, vagy alapból rosszak voltak. PNP-ből van BC212-t vagy BC327-t, NPN-ből BC182-t tudok berakni. Jók lesznek oda?
A hozzászólás módosítva: Ápr 13, 2013
(#) reloop válasza zenetom hozzászólására (») Ápr 13, 2013 /
 
Sajnos minimálisan 80V-os tranzisztorok kellenek be, de jobb ha bírja a teljes táp 130V-ját.
(#) zenetom válasza reloop hozzászólására (») Ápr 13, 2013 /
 
Akkor hétfőn megpróbálok venni 2N5550-öt (bár szerintem 2N5551-et kapok), meg 2N5401-et. Addig nem tudok csinálni semmit.
Majd írok, ha bent lesznek az új tranyók.
Köszönöm az eddigi segítséget!
(#) reloop válasza zenetom hozzászólására (») Ápr 13, 2013 /
 
Innen már majdcsak halad. Az MJE-k 180 ohm emitter-ellenállásán 1,4V a cél.
(#) Koncsar válasza blasz hozzászólására (») Ápr 13, 2013 /
 
Szia! +-50V. Szerintem. De Reloop barátom ha itt lesz megválaszólja szivesen.

Üdv: K.Gy
A hozzászólás módosítva: Ápr 13, 2013
(#) zenetom válasza reloop hozzászólására (») Ápr 13, 2013 /
 
Még annyit, hogy a VR1 állása befolyásolja a kimeneti DC szintet?
Írtad hogy áramkorlátozót rakjak be. Pl. a trafó primer (230V-os) részével sorba egy izzó jó lesz?
(#) reloop válasza zenetom hozzászólására (») Ápr 13, 2013 /
 
VR1 csak a MosFET-ek nyugalmi áramát állítja, 8-900 ohm környékén számítom a beállítandó értéket. Amíg bizonytalan a meghajtó állapota jobb 0 ohm-on tartani mert a FET-ek egymásra nyitása nagy kárt okozna.
Ha trafós a táp, akkor 230V 40-60W izzó a primer ágban jó szolgálatot tesz. A nyugalmi áram méréshez az alacsony táp legalább egyik ágába 10 ohm ellenállást kéne iktatni. Mikor 1V esik rajta nagyjából jó lesz. A manualt nem olvastam végig, lehet tesz ajánlatot VR1 beállítására.
(#) zenetom válasza reloop hozzászólására (») Ápr 13, 2013 /
 
Rendben, akkor a VR1 állásától függetlenül a kimeneten 0V-nak kell lennie.
(#) reloop válasza zenetom hozzászólására (») Ápr 13, 2013 /
 
Igen, legalábbis annak pár tíz mV-os közelében.
Átnéztem a doksit. Nyugalmi áramnak 0,22 ohm-on eső 2mV-ot ír elő, ami 10mA-nek felel meg. Kicsit sokat tippeltem az előbb.
(#) mineral válasza CHZ hozzászólására (») Ápr 14, 2013 /
 
Értem. Akkor egyenlőre nem teszek bele új kondikat. Majd az első tesztnél kiderül, hogy elég- e az erősítése.
A következő kérdéseim lennének még az erősítővel kapcsolatban.
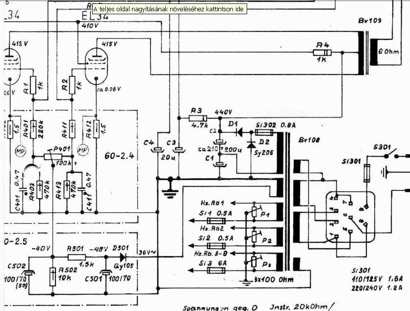
1. A cső fűtéseknél P1 P2 P3 potméterek mi célt szolgálnak? A 6,3V beállítására szolgál?
2. Negatív feszültséget előállító modulon D105 pozíció számmal van egy dióda. Ez valami spec dióda lenne? Mert DMM-el szakadást mérek rajta mind két irányban.
3. P401 potméterrel mit állítok? Szimetriát? Milyen feszültségeket kell mérnem, ellenőriznem a beállításához?
4. A Kimenő trafó szekunder oldala csupán csak 0,3 Ohm. Ez normális érték?
Elnézést a buta kérdésekért de a csöves erősítőket nem ismerem

Regent.JPG
    
(#) rammeradrian hozzászólása Ápr 14, 2013 / 1
 
Üdv mindenkinek!
Van egy Universum LV 896-os erősítőm, működik, viszonylag jól és szépen is szól, de a két oldala nem egyformán. A jobb oldal combosabban működik mint a bal. Voltak már benne végtranzisztorok cserélve, mert látszik hogy nem az eredeti van benne ugyanis gyárilag TO-3as tokozású tranzisztorok voltak, most meg SOT-93. ( a pontos típust most nem is tudom hirtelen). Mi okozhatja ezt a jelenséget? Én elsősorban a nem egyforma végtranzisztorpárra gyanakszok, de nem hiszem hogy akitől kaptam ilyen aljasságot elkövetett volna, elvégre is ért hozzá?!
(#) blasz hozzászólása Ápr 14, 2013 /
 
Sziasztok tanácsra igy kötöttem hidba a végfokot,ez jó igy?Az én elgondolásom hogy mivel a 100uf feleződik akkor jó lenne egy nem polarizált 50uf-es kondi is,vagy nem jól gondolom?Szól rendesen nincs igy baj vele,csak elmélet.Köszönöm.

DSCN0795.JPG
    
(#) reloop válasza blasz hozzászólására (») Ápr 14, 2013 /
 
Szia! Jó lesz egy darab elkó is. Mérd meg van-e rajta feszültség, annak megfelelő legyen a kondi polaritása.
(#) blasz válasza reloop hozzászólására (») Ápr 14, 2013 /
 
Köszönöm akkor maradjon 1db 100uf kondi helyes polaritással?A földhöz képest 10mV van rajta,igy most nem tudom melyik a + oldal
A hozzászólás módosítva: Ápr 14, 2013
(#) reloop válasza blasz hozzászólására (») Ápr 14, 2013 /
 
A 47µF is elég, de 100µF-től sem lesz semmi baja. Nem földhöz képest kéne mérni, hanem a kondenzátor lábain.
(#) blasz válasza reloop hozzászólására (») Ápr 14, 2013 /
 
Meg van köszi, bal negatív jobb pozitív,gondolom 63v kondi elég, lepróbálom majd 47uf-el is.
(#) Longa György válasza mineral hozzászólására (») Ápr 15, 2013 /
 
Hali.Nem buherálás, hanem saját hangszerre igazítás lehetett.A kondenzátorok rákötése párhuzamosan a katódellenállásra nagyobb erősítést eredményez. Lehet hogy túl vezérli a következő fokozatot, de lehet, hogy így érte el a megfelelő erősítési szintet.Bocsi most látom csak, hogy kaptál már választ.
(#) mineral válasza Longa György hozzászólására (») Ápr 15, 2013 /
 
Szia! Köszi neked is. Igen kaptam már választ. Sőt a segítőkész fórum társunknak hála jobban meg is értettem a működését. Egyenlőre nem teszek bele új kondikat. Ha sikerül felélesztenem akkor majd kiderül , hogy szükségesek-e. Az alkatrészek minősége, állapota, és a kivitelezés módjára értettem a buherálást.
A hozzászólás módosítva: Ápr 15, 2013
(#) dj.tiger válasza reloop hozzászólására (») Ápr 15, 2013 /
 
Helló!Mivel a D14-es LED nem orvosolható egy dióda közbeiktatásával arra gondoltam nem-e lehetne a hozzá tartozó R49-es ellenállás módosításával vagy inkább haggyam a fenébe mert csak rosszabb lesz?
(#) reloop válasza dj.tiger hozzászólására (») Ápr 15, 2013 /
 
Úgy emlékeztem reagáltam erre, lehet mégsem. A D14 LED-del legyen még egy soros dióda bekötve, azaz összesen kettő.
(#) zenetom válasza reloop hozzászólására (») Ápr 15, 2013 /
 
Szia!
Kicseréltem a 2N5550-et (2N5551-re) és a 2N5401-et. A helyzet változatlan.
Én már elvesztem, hogy hol minek kell lennie...
(#) dj.tiger válasza reloop hozzászólására (») Ápr 15, 2013 /
 
Még nem válaszoltál de ettől függetlenül kipróbáltam de ugy sem lett jobb azért is kérdeztem ezt,illetve azért irtam még eggyel ez elött hogy víztiszta és ez a piros nem tudom van egy jelentősége.
(#) reloop válasza zenetom hozzászólására (») Ápr 15, 2013 /
 
Meg kéne ismét mérni mekkora a feszültségesés a következő ellenállásokon: a 4 db 2,2k, 2 db 330 ohm, bemenet 47k, visszacsatolás 33k és az MJE-k 180 ohm emitter-ellenállásain. Sajnos a pozíciószámok leolvasásával hadilábon állok a kép minősége miatt.
A bementi csatoló kondenzátor legyen testre kötve.
(#) zenetom válasza reloop hozzászólására (») Ápr 15, 2013 /
 
Okés, megmérem. A csatoló kondi + lába legyen testen? (vagyis ami megy az előfok felé)
(#) reloop válasza zenetom hozzászólására (») Ápr 15, 2013 /
 
Igen az, nehogy valami gerjedés vagy zaj torzítsa a mérés eredményét.
(#) reloop válasza dj.tiger hozzászólására (») Ápr 15, 2013 /
 
Az A-B pontok közé kötöttél termisztort? Mekkora feszültség mérhető az IC 1-es láb és a táp között?
(#) zenetom válasza reloop hozzászólására (») Ápr 15, 2013 /
 
A 33k-n levő feszültségesést, vagy a bal oldali kivezetést a testhez képest mérjem?
Következő: »»   1288 / 2576
Bejelentkezés

Belépés

Hirdetés
XDT.hu
Az oldalon sütiket használunk a helyes működéshez. Bővebb információt az adatvédelmi szabályzatban olvashatsz. Megértettem