Fórum témák

» Több friss téma
Fórum » Erősítő mindig és mindig
Mielőtt kérdezel, a következő két dolgot ellenőrizd! I. A helyes tápfeszültségek megléte. II. A kimeneten van-e egyenfeszültség. Élesztés.
Lapozás: OK   1287 / 2566
(#) kokozo válasza soos csaba hozzászólására (») Ápr 12, 2013 /
 
Át. De ha tanulni akarod a kezelését a proginak, akkor másold le a kép alapján.

400W2.lay
    
(#) kokozo válasza voodoo hozzászólására (») Ápr 12, 2013 /
 
Nézd meg amit te rajzoltál, hogy ott milyen "közel" van a tranyóhoz. Mellesleg úgy nem fér el csak ha mindent eltologatok
A hozzászólás módosítva: Ápr 12, 2013
(#) voodoo válasza kokozo hozzászólására (») Ápr 12, 2013 /
 
Az enyém nem jó, már csak azért sem mert én egyáltalán nem vetettem be semmi féle helytakarékossági módszert. Inkább arra törekedtem, hogy a körből egyik alkatrész se essen ki és mindenki megkapja a megfelelő ellátást (csatornát)
(#) zenetom válasza reloop hozzászólására (») Ápr 12, 2013 /
 
Kicseréltem a kondit, sajnos ugyanaz a helyzet.
Szerk.: bár egy másik kondit berakva -13.5V van a kimeneten, míg azt is kicserélve -10.9V van a kimeneten.
A hozzászólás módosítva: Ápr 13, 2013
(#) kokozo válasza voodoo hozzászólására (») Ápr 13, 2013 /
 
Nem tudom milyen körről beszélsz, de ha a 220µF-os kondira kötöd a 2 mje tranyó kollektorát szerintem megoldódik a problémád ha jól sejtem
(#) kadarist válasza janikukac hozzászólására (») Ápr 13, 2013 /
 
Ez elég nagy baj, mert ez azt jelenti, hogy a felső végtranzisztor teljesen ki van nyitva, az alsó meg teljesen le van zárva. Valami el van kötve!
(#) voodoo válasza kokozo hozzászólására (») Ápr 13, 2013 /
 
Így, erre gondoltam. A - betáp és a 120pF közt is próbáltam inkább átkanyarintani rajta a húrt, sem mint körbe tekeredjen és csak "rángatja" a kondi ESR-je. (jó tudom nem nagy tényező sőt még szóra se érdemes és szinte nincs is nagy jelentősége) csak már megszoktam, és még jobb, ha frissibe szűri, sem mint már egy panel körül kétszer megtekeredett maszat jelcsóvát kap ami -nem utolsó sorban- gyenge pontja lehet egy jó felépítménynek.

A tiéd jobban tetszik, mint ahogy én kezdtem el úgyhogy ezt folytatom.
A hozzászólás módosítva: Ápr 13, 2013
(#) kokozo válasza voodoo hozzászólására (») Ápr 13, 2013 /
 
Azért ha kész van mutasd meg.
(#) reloop válasza zenetom hozzászólására (») Ápr 13, 2013 /
 
Szia! Egy hibalehetőség kilőve. Mérj TR7-en feszültséget a gate és a source lábak között. Ha a gate 4 vagy több volttal pozitívabb a source-nél akkor az egy hibás MOSFET lehet.
(#) janikukac válasza kadarist hozzászólására (») Ápr 13, 2013 /
 
Oppá. Akkor most mi a teendő? Nézzem át, hogy a tranzisztoroknál van-e elkötés? Pontosan hol keressem a hibát szerinted?
Üdv!
(#) reloop válasza janikukac hozzászólására (») Ápr 13, 2013 /
 
Emlékeztetnélek.
Erre is.
A hozzászólás módosítva: Ápr 13, 2013
(#) dj.tiger válasza reloop hozzászólására (») Ápr 13, 2013 /
 
Helló!Megmértem a Led-eken a feszkót a D13-on 1,671V a D14-en 1,637V.Betettem az ajánlott diódát(1N4148) és a D13-nál láthatóan jó is mert ugy tűnik teljesen "sötét" viszont a D14-en ugyan ugy halványan világít szinte még szemmel láthatóan se lett halványabb.Nem tudom számít-e de azért leírom,hogy 3mm átmérőjű víztiszta LED-eket használok és a D13-as sárga a D14-es piros színű!
(#) zenetom válasza reloop hozzászólására (») Ápr 13, 2013 /
 
A TR7-en a G-S lábak közt 3.5V van, a a TR17-nél 4.1V.
Viszont tegnap kipróbáltam a FET-eket, egy LED-et kapcsoltam ki-be, és jól működött.
Szerk.: a VR1 trimmerpotin ha tekerek, akkor változhat valami? (de egyelőre azt nem tekergetem)
A hozzászólás módosítva: Ápr 13, 2013
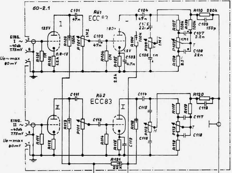
(#) mineral hozzászólása Ápr 13, 2013 /
 
Sziasztok!

Regent 60 erősítő javításához szeretnék egy kis segítséget kérni.
-40 dB modult kezdtem el felújítani. Van egy két érdekes belebuherálás amit nem értek.
1. Az első bemenetnél sorosan egy 47nF/630V kondenzátor utólagosan beforrasztva. Ezt vajon milyen elgondolásból tették bele? Mert a másik bemenetre nem tettek.

2. R102 ellenállással párhuzamosan van egy 22µF elkó beforrasztva. R105-el párhuzamosan egy 47µF elkó. Ezek a rajzon nem szerepelnek. Ezt mi célból építették bele utólag?
A második bemeneten pedig pont fordítva van. R112-el párhuzamosan 47µF és R115-el párhuzamosan pedig a 22µF elkó. Kellenek bele ezek? Vagy dobjam ki belőle?

Ebben tud nekem valaki segíteni?
A hozzászólás módosítva: Ápr 13, 2013

Regent.JPG
    
(#) CHZ válasza mineral hozzászólására (») Ápr 13, 2013 /
 
Bemeneten a 47n DC leválasztás miatt tették be. Csak akkor fontos, ha a jelforrás kimenete nincs leválasztva, DC szint is van a kimenetén.
Katódokba betett, 47 és 22u kondik, helyi visszacsatolás megszüntetésével, növelik a fokozat erősítését.
(#) simoniotto hozzászólása Ápr 13, 2013 /
 
Sziasztok! Meg szeretném venni a képen látható König erősítőt. Csak félek tőle, hogy van valami rejtett hibája, mert 20.000Ft-ért nem is lehetne megvenni magát a dobozt, a trafót és a csatlakozókat sem. Egy nagyobb erősítőt építenék bele. Hogyan lehetne még a postázás előtt megtudni ezt?
(#) Buvarruha válasza simoniotto hozzászólására (») Ápr 13, 2013 /
 
Kérsz egy videót, amin "döngetik".
(#) blasz válasza simoniotto hozzászólására (») Ápr 13, 2013 /
 
Nem drága darabok és nem is jók.Bővebben: Link
A hozzászólás módosítva: Ápr 13, 2013
(#) simoniotto válasza blasz hozzászólására (») Ápr 13, 2013 /
 
Ez a 4800-as lenne. Nekem a doboz a csatlakozók, meg a trafó a fontos. Hibásat viszont nem akarok venni, mert a belét olcsón eladnám.
(#) blasz válasza simoniotto hozzászólására (») Ápr 13, 2013 /
 
Nekem volt 4800-om,keress rajzot hozzá mekkora fesszel megy,ezek gyenge vacakok,1pár végtranyóval nem igen lehet 240w a kimenője,szerintem 60w amit tud.Én tavaly 12.000Ft ért vettem de ment is tovább mert nem volt jó a hangja.
Ha alkatrész kell belőle akkor döntsd el mekkora fesszel akarod tovább építeni,lehet nem is jó neked a trafója.
(#) blasz hozzászólása Ápr 13, 2013 /
 
Sziasztok dilemában vagyok,ha egy végpanelon a meghajtó tranzisztorok mondjuk 100v-os akkor mekkora lehet a max fesz amit ráköthetek a végfokra tápnak?
Köszi
A hozzászólás módosítva: Ápr 13, 2013
(#) zenetom válasza reloop hozzászólására (») Ápr 13, 2013 /
 
A tulaj megpróbálta tekergetni a VR1-es trimmert (gondolom azzal a nyugalmi áramot állítjuk), de azt mondta, nem változott a feszültség. (de ha sikerül megcsinálni, még azt is vissza kell gondolom állítanom )
A hozzászólás módosítva: Ápr 13, 2013
(#) reloop válasza zenetom hozzászólására (») Ápr 13, 2013 /
 
A VR1-en 6-7V körül lesz az a feszültség amitől az 50-100mA közötti becsült nyugalmi áram beáll. Ezt a tápágban elhelyezett (pl. 10 ohm ) ellenálláson tudod majd mérni.
A 4,1V-nak mért Ugs-től azon a FET-en 2A-nek kéne folyni, ha valóban a TR17 volt ez akkor a kimeneten az alacsony negatív tápnak, tehát a -25V-nak kéne megjelenni.
Ez egy G-osztályú erősítő, a doksi szerint +/-25V és +/-48V tápokkal. A négy tápfeszültség mindegyikét ellenőrizni kéne.
A kimeneti DC hiba okát, miszerint a meghajtófokozat vagy a végtranzisztorok okozzák, a következő méréssel lehetne behatárolni. Testhez képest mérendő az MJE340 és MJE350 kollektorfeszültsége. Ha ezek átlaga épp úgy a negatív táp felé tart mint a kimeneti feszültség akkor a meghajtóban kell keresni a hibát. Egyelőre a FET-ekre gyanakszom, mert olyan mintha semmi nyugalmi áram nem folyna, és a D11 kiemelése is módosítani volt képes a kimeneti egyenfeszültséget.
A hozzászólás módosítva: Ápr 13, 2013
(#) zenetom válasza reloop hozzászólására (») Ápr 13, 2013 /
 
Ez a +/-33V és +/-60V-os verzió, de a +33V helyett 52V-ot mérek két műszerrel is (digit+analóg). Ami rendkívül érdekes, mert tegnap még +35V volt. Na ennek utánajárok.
Szerk.: na elnéztem, a +60V helyett +53V-ot mérek. A negatív tápfeszültségnél pedig -63V-ot. Nem kevés az a +53V?
A hozzászólás módosítva: Ápr 13, 2013
(#) reloop válasza zenetom hozzászólására (») Ápr 13, 2013 /
 
Ha nem csal a műszered, akkor a magas táp egyenirányító hídjában lehet egy szakadt dióda, és ott emiatt csak egyutas egyenirányítás jön létre.
Kíváncsi vagyok a meghajtók kollektorán mekkora feszültséget fogsz mérni.
Pár napja pont ilyen meghajtót építettem, remélem a hibakeresés nem fog ki rajtam.
(#) zenetom válasza reloop hozzászólására (») Ápr 13, 2013 /
 
Az MJE350 kollektorán -9.5V-ot, az MJE340 kollektorán -9V-ot mérek a testhet képest. De az az érdekes, hogy egy kb. fél perc alatt ez a feszültség kb. fél voltot csökkent.
Szerk.: közben kicseréltem a két 10000µF-os kondit, mert púposak voltak, ráadásul az egyik biztosan rossz, hamar elejtette a feszt. Igaz csak 4700µF-osat találtam, de a mérésekre gondolom elég lesz. A graetz két kivezetése közt van egy égésnyom, de kimérve jónak tűnik.
Ja a kondicsere után se változott a helyzet.
A hozzászólás módosítva: Ápr 13, 2013
(#) reloop válasza zenetom hozzászólására (») Ápr 13, 2013 /
 
A táp kismértékű eltérése nincs hatással a kimeneti DC hibára. A jelerősítő elég gazdag alkatrészben, bármelyik hibája elég a félrebillenéshez. Mérd meg testhez képest a bemeneti feszültséget a 47k ellenálláson (R39?), valamint a differenciál erősítő kollektoraiban lévő 2,2k ellenállásokon a rajtuk eső feszültséget. Az áramgenerátorok (melyek bázisán a két soros dióda van) 2-2mA-t szolgáltatnak. Normál jel nélküli állapotban az előbb említett 2,2k ellenállásokon 1-1mA folyna, tehát kb. 2V lenne a rajtuk mérhető feszültségesés. Nálad valami egészen más van.
A visszacsatoló ágban gondolom továbbra is ott a negatív feszültség, melyet tegnap a 100µF-en meg is mértél.
(#) zenetom válasza reloop hozzászólására (») Ápr 13, 2013 /
 
A 47k-os ellenálláson -10V van a testhez képest.
Az R21-en (a jobb felső) 0.35V esik, R34-en 0.25V esik. A két alsó 2.2k-n 0V van.
A 100µF-on még mindig kb. -8.6V van.
(#) reloop válasza zenetom hozzászólására (») Ápr 13, 2013 /
 
A negatív oldali áramgenerátor 2mA-e a bal felső (TR9?) tranzisztor bázis emitter diódáján folyik el, így ejt 10V-ot a 47k ellenálláson. Ezen tranzisztornak ettől teljesen nyitva kéne lenni, viszont R34-en kollektor áramnak szinte semmi nyoma. Ezt a 2N5550-est érdemes volna egy ép NPN tranzisztorra cserélni. Ha BC-t tennél bele, annak más a lábkiosztása, ügyelj!
Szerk.:
A VR1-et állítsd 0 ohm állásba, mert szerencsés javítás esetén a nyugalmi áram veszettül megindulhat! Legyen a végfok előtt (primer előtt) áramkorlátozó!
A hozzászólás módosítva: Ápr 13, 2013
(#) reloop válasza zenetom hozzászólására (») Ápr 13, 2013 /
 
A 2mA 47k és a 10V összefüggésében egy nagyságrendet tévedtem. Lehet rossz az áramgenerátor is. A 330 ohm -on 0,6V esik?
Következő: »»   1287 / 2566
Bejelentkezés

Belépés

Hirdetés
XDT.hu
Az oldalon sütiket használunk a helyes működéshez. Bővebb információt az adatvédelmi szabályzatban olvashatsz. Megértettem