Fórum témák
» Több friss téma |
Mielőtt kérdezel, a következő két dolgot ellenőrizd!
I. A helyes tápfeszültségek megléte.
II. A kimeneten van-e egyenfeszültség.
Élesztés.
Igen abban van az erősítő de a gépemen hdmi csatin van csak kimeneti hang mert egy szerver lapra építettem a pc-t, ill használnám laptophoz is. Sajnos így nem tudok neki 5.1 es jelet adni, csak standart 3.5 jack kimenten át kiküldeni a jelet.
Üdv! Reagál egyáltalán a készülék az AUX gomb megnyomására?
Igen reagál. 3 funkcioja van aux/tuner/dvd. A rádió rész és a dvd rész tesztelve, de aux bemenet hijján nemtudom tezstelni de ha benyomom a gombot abban a modban fekete képernyö ill a dvd ki irja hogy aux modba van. Nekem olyan megoldás is megfelelne hogy laptop kimenetről a dvd kihagyásával közvetlen a sokpines csatlakozora már 5.1 kimenet menne. Elnézést hohy ha furán fogalmazok 24-24 ben vagyok.
Esetleg tudnal a dvd hatuljarol kepet feltenni a csatlakozokrol?
Holnap mert ma müszakban vagyok (24) Van rajta 5.1 kimenet rca illetve az svideo hoz hasonló tüskés. 2db scart kimenet,1db s-svideo,1 AM antenna illetve egy FM antenna bemenet, 1db koaxial kimenet.
2 darab scart kozul nemlehet az egyik a bemenet?
Valószínű, hogy a scart csatlakozón lesz a bemenet, ha valós ez a funkció. A TV-t műsorvételre kapcsolva AUX állásban kiadja a hangot a Clatronicra?
Nincs a tvmre csak hdmi-n kötve a gép. Nem élek tévémüsorokkal. De lehetséges az egyik scart lessz az, viszont mind(2)kettőnél csak output 1-2 van irva.
A hozzászólás módosítva: Ápr 5, 2017
Sziasztok.
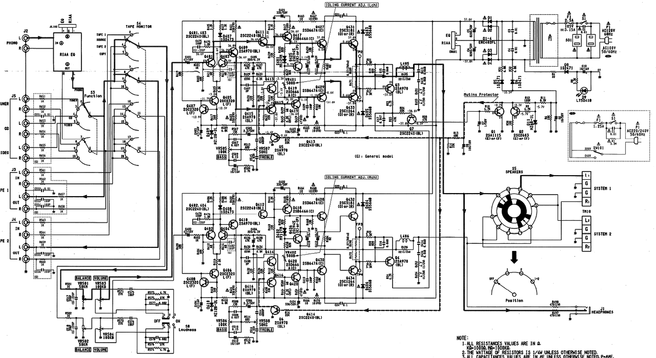
Valószínüleg nagyot kérek, de azon ne múljon hogy meg sem mertem kérdezni. Adott 1 Harman-Kardon erősítő, aminek az egyik felét valami leégeti(4 tranzisztort legalább) és csúnyán bele van mókolva, így nehezen tudom javítani. A mási fele megy. Az a tervem hogy a táp, bemenet váltás, előfok, EQ-t és a kimenetet meghagyom. Csak az erősítőt akarom lecserélni mindkét oldalon egy-egy TDA729-esre. Szerintem megtaláltam azt a pontot amit bevezethetek a TDA-kba. Kérdés: jó-e? A felétek intézett fő kérdésem : Hova vezessem vissza az erősített jelet? Én a kimenetválasztóra raknám, de ott már nincs elektronika. Valahol az eredeti végfok után jó lenne hogy valami hangszóró védelmet még kihasználjak belőle. Képekben a kapcsolási rajz, de ha kell van nyákról is. Köszönöm előre is a segítséget.
Szia! TDA mentor létemre kivételesen nem a beépítést, hanem az eredeti panel javítását ajánlom.
A hangszínszabályzás része a végfoknak, attól elesnél. Az eredeti végfok elég jó topológia, érdemes kitartani mellette. Az eredeti panelen gondolom a vezetősávok és a NYÁK anyaga ami sérült, ez pótolhatod huzalozással. Hangsugárzó védelmet pedig mindkét csatorna egyformán megérdemel. Fotózd le a sérült panelrészt!
Szia. A te paneledet építeném be. E_2-t.
A végfokot nem akarom kivenni, csak nem adok neki benemeti jelet és a kimenetet a TDA-kból nyerném. Az áramkör táp alatt lenne így működne az előfok része is, gondolom. A NYÁK képen zölddel jelöltem azt a kábelt amiről van feldolgozott bemenet. A régi javítását feladtam, mert kevés vagyok hozzá, azaz nem találom a hibát és soknak találom hogy mindent a fórutársaktól kérjek ![]() Azzal próbálkoztam hogy kicseréltem kb 4 tranzisztort + 1 elenállást + 1 elkót amit leégetett (2x) és nagyjából lemértem a környező tranyókat(nem-e zárlatosak) hibát nem találtam, máshol lehet. A képen piros X a leégett alkatrészek Q431.+ Q427+Q425+Q429 R483-füstölt(82Ohm), C411 Kékkel az a rész ami át van ónozva, ott gondolom sérült a huzalozás, így kaptam. Képet most nem tudok mert nincs kéznél.
A hűtőbordán lévő égett tranzisztor lemaradt a képről.
Jelenleg a másik oldal jól működik, az leégett alkatrészeket kivettem, akár halgatható is lenne ha elég a 2x monó ![]() Nem tagadom jó lenne ezt így megjavítani, de azt remélem hogy ha hozzácsapom a TDA-kat, és a többi része él, akkor sokkal erősebb lenne - hűtőborda, táp stb meg jó ami benne van.
Szerintem is inkább a rossz oldalt kéne megjavítanod a TDA-s átépítés helyett. Úgy meg főleg, ha a másik oldal hibátlan, mert akár összehasonlító méréseket is végezhetsz.
Csak tényleg kéne róla fotó is, sokat segítene.
Köszi, mindkettőtöknek a biztatást és az irányt amerre induljak, így nekiesek még 1x a javításnak.
Összehasonlítom az értékeket is és ha sikerül csinálok képeket is. Eddig az volt a bosszantó, hogy táp alatt nem tudtam mérni semmit, mert azonnal kijött a füst az ellenállásból. Így hogy a kiszerelt alkatrészekkel felkapcsolva lehet hagyni, tovább mérek és áttanulmányozom a rajzokat.
Szerintem semmi esetre sem felkapcsolt táp mellett méregess.
Előbb mérd végig a tranzisztorokat szépen sorban, hogy nincs -e zárlatos vagy szakadt példány. Ha szükséges ki is lehet forrasztani a mérés idejére, mert mást is belemérhetsz. Ha a félvezetőkkel megvagy nézegesd meg az ellenállásokat, nem szakadt vagy megnyúlt értékű valamelyik.
Alkatrészeket nem feszültség alatt mérnék, hanem a tápellátásra lennék kíváncsi, hogy merre van az a különbség ami azonnal kifüstöli a tranzisztorokat.
Kevés ezen a téren a tapasztalatom (müszerész lenne a szakmám, de nem gyakorlom) de csak a kondik terén van problémám a kiméréssel. Tranzisztor, dióda, ellenállás, táp menni fog. Mindenesetre köszi a figyelmeztetést, jogos a felvetésed. Gondolom tranzisztor zárlatát, akkor is kimutatja ha van rajta elkó+ellenállás is,(ezt tartom a legvalószínűbb hibának) a szakadás meg feltételezem hogy nem okozna ekkora túlfeszültséget ami átüti azonnal a 4 alkatrészt. A diódákkal is arra gondolok hogy romlás esetén, nem zárlatol hanem szakad - de megmérem amint akad lyukasórám, a gyerekek mellett
Szia! A 82Ω azért füstöl, mert vagy a Q425 körében van még hibás alkatrész (bázis-kollektor közötti dióda, ellenállás), esetleg a tranyó nem stimmel (P-s, vagy eltérő lábkiosztású), vagy Q427, 429-nél merül fel az előbb említett tranzisztor probléma.
Ha ezt rendbe raktad, a végtranzisztorokat egyelőre ne ültesd be! Végezd el ezt a vizsgálatot! A téma fejlécében található linket olvastad már? Izzós áramkorlátozót feltétlen használj!
Akkor válogatok
Szia. Köszi a tippeket, ezer hála.
az élesztéses eljárásra nem gondoltam, azt csak a TDA-s erősítőnél akartam használni, első izzítás előtt - beiktatom ezt is. A tranyókat helyettesítővel pótoltam, volt hogy eltérő lábkiosztású, de mindig nézek adatlapot a bekötéshez. A végtranzisztorok: az mind a 4 eddig említett, vagy csak a hűtőbordán lévő Q431? (Ilyenkor mind a 4 db zárlatos lett, első bekapcs után) Az ellenállasos vizsgálatot is megcsinálom, azt is lehet mind a négyen? P és N helyén is ? (Most ki vanak szedve) Valószínüleg ma megint nem, csak hétvégén lesz időm rá, de addig jól felkészülök és többet gondolkodok vagy kérdezek cselekvés előtt.
A Q431 és a Q433 maradjon beforrasztatlan.
Melyik kondenzátor ment tönkre?
A Q433-nak semmi baja nincs, nem is kellett cserélni egyszer sem.(csak elsőre amikor megkaptam párban cseréltem, azóta jó)
Rossz kondit nem találtam, vagyis nem tudom biztosan, csak a C411-et cseréltem, mert az együtt volt az ellenállással. Kiszedve, kb egyforma ellenállást mértem mint az új kondenzátoron, de azt nem tudom mérni, talán MegaOhm nagyságú volt, nem emlékszek.
Sziasztok valaki ismeri ezt a kapcsolast?Lehet 2x35-40v-rol jaratni?
Alább belinkeltem az erősítőm teljes dokumentációját GoogleDrive - lekéstem a módosítási időt:
harman_kardon_pm635i_sm.pdf
A Q433-at jó lenne kivenni a javítás első fázisában.
Így már megtaláltam a kondit, a kép elég homályos. Mekkora a feszültségtűrése?
Úgy a rajz, mint a szöveg páratlan sületlenség.
Koszonom akkor nem foglalkozok vele.
A hozzászólás módosítva: Ápr 7, 2017
Letöltöttem, látom a kondi 16V-os. Attól a feszültségtől amitől a 82ohm füstült, elképzelhető, hogy károsodott.
Esetleg ez a masik? Eloerosito nelkul?
A hozzászólás módosítva: Ápr 7, 2017
Szerinted hogyan működik?
Hát en nemtudom ezert kerdeztem itt.Nem szubra kene csak sima erositonek.
|
Bejelentkezés
Hirdetés |



















