Fórum témák

» Több friss téma
Fórum » Erősítő mindig és mindig
Mielőtt kérdezel, a következő két dolgot ellenőrizd! I. A helyes tápfeszültségek megléte. II. A kimeneten van-e egyenfeszültség. Élesztés.
Lapozás: OK   70 / 2580
(#) Dzsoni hozzászólása Nov 14, 2007 /
 
Szevasz,

Akkor mondom a javaslataimat reszletesebben:

1. szakasz, ami a stabil es uzembiztos mukodeshez mindenkeppen kell:
- 12pF > 68pF
- 3k9 a differosito aramgeneratoraban > 820 Ohm
- 5k-s trimmer csereje 1k trimer + 1.2k ellenallas sorosan
- 10k trimmer csereje 2.5k fix ellenallasra
- bc639/640 helyett BD139/140 (mje340/350 tul lassu es alacsony az erositese)

2. szakasz, tovabb novelve a megbizhatosagot:
- harmas darlingtonbol BD139/140 es a 470Ohm-ok kidobasa. 8mA-es feszerosito aramnal es ilyen felepitesnel, ekkora terheloimpedancia es kimenoteljesitmeny mellett minek ide 3-as darlinton...

Ha ezeket a modositasokat megcsinalod lesz egy strapabiro, stabil, szep hangu erositodot. A modositasok nelkul gerjedekeny lesz, es a trimmerek helytelen alkalmazasa miatt egy rossz mozdulat es robban az egesz.
(#) Szikra Lacika hozzászólása Nov 14, 2007 /
 
Hello! Én az első erősítőmet szertném meg építeni és erre gondoltam! Szerintetek nagy fába vágtam a fejszémet ja és trafó hozzá jó lenne 220v 2*36V 250W
(#) Dzsoni hozzászólása Nov 14, 2007 /
 
Szevasz Sz. Lacika,

Ha nincs hozzá korrekt nyákterved valóban nagy fába vágtad a fejszédet.
Én a helyedben valami "beváltabb" erősítőt építenék, amihez van nyák és leírás. Ilyen pl. az ST151 (tranyókészletet a +/-50V-os táphoz módosítani kell, van egy ST151 topic a fórumon ott leírtam mi a teendő) vagy a Quad-405 .
Sok sikert!
(#) Dzsoni hozzászólása Nov 14, 2007 /
 
Most látom hogy azt írod: első erősítő. Ha rám hallgatsz valami egyszerű max. 10W-os IC-set építesz, pl. TDA2030. Aztán valami komolyabb, és végül egy 100-200W-os tranyós végfok.

Hidd el kell tapasztalat ezekhez! Sok pénzt, időt, és fáradtságot megspórolhatsz ha könnyebbet választasz elsőre.

A kezdő festőtanoncok sem a Mona Lisa-t reprózzák elsőre.. Nem véletlenül!
(#) fureszk válasza Szikra Lacika hozzászólására (») Nov 14, 2007 /
 
TDA2030-ast építs. Ha valamit elrontassz, nem olyan drága egy új IC. Sokan ezzel kezdtek (pl én is) és hidd el, ebből lehet igazán sokat tanulni!
(#) Parázs Gábor válasza Dzsoni hozzászólására (») Nov 14, 2007 /
 
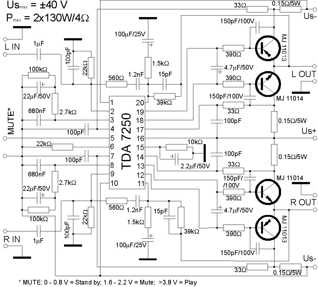
Az ST151 menyire szereti ha a végtranzisztorok huzalozva vannak, nem válik gerjedékenyé?A leírás irja, hogy 4ohm-on 100W RMS, tartosan nem adja le a 100W-ot?Egyébként én +-38V-járatnám.Köszönöm a módositót rajzot, bár ahogy elnéztem csak egy pár végtranzisztort kiszedtél és kész, a bent maradt pár helyére meg ment a BD317/318.
Köszönöm
(#) Parázs Gábor válasza temonddmeg hozzászólására (») Nov 14, 2007 /
 
köszönöm szépen a te munkádat is, de valoszinű az ST151 mellet voksolok főleg azért mert én ezt az erősítőt ilyen zenekari/diszko-zásra szánom, nem HIFI-re.Ezért ugye nagyon birnia kell a strapátMégegyszer Köszönöm
(#) Parázs Gábor válasza Parázs Gábor hozzászólására (») Nov 14, 2007 /
 
Még anyi, hogy majd tervezek hozzá egy panelt.Muszály mert a bordám már adot.
(#) temonddmeg válasza Parázs Gábor hozzászólására (») Nov 14, 2007 /
 
Nincs mit igazán, főleg hogy ahogy Dzsoni mondta, ha kijavítanám az összes gyíkját, kb. ugyanazt kapnám.

Dzsoni: Köszi szépen!

Lenne még pár (láma) kérdésem amire kíváncsi vagyok:

- Ha a visszacsatoló kört átméretezem kb. az ST-151 szintjére, akkor a bemeneti tranyó bázis-ellenállata (12...15K) nem terheli nagyon a bemenő jelet?

-Melyik elrendezést tartod szerencsésebbnek, ha a diff. erősítő NPN, és a fesz er. tranyó PNP, vagy fordítva (vagy tökmindegy?)

-Van valami előnye_hátránya annak, ha az áramgenerátok közös 2 vagy külön 2 diófákról járnak?

-Érdemes-e használni a meghajtók bázisában a kisértékű ellenállást és a C-B kapacitást, vagy ez csak kényszermegoldás a stabilizálásra?

Köszi szépen!
(#) Pafi válasza Dzsoni hozzászólására (») Nov 14, 2007 /
 
Idézet:
„minek ide 3-as darlinton”


Mert kisebb a torzítás! A meghajtók bázisárama nagyon torz, és ha nem csökkentjük le, akkor túl nagy torz árammal terheli a feszerősítőt. Mondjuk a legjobb megoldás nem ez, hanem a feszerősítő és differősítő módosítása, lásd:

http://www.dself.dsl.pipex.com/ampins/dipa/dipa.htm

Itt minden magyarázat kitűnően le van írva!

Mondjuk PA-ra inkább egy egyszerűbb, a megépítés módjára kevésé kényes, zárlatvédett kapcsolás lenne jó.
(#) Szikra Lacika válasza Dzsoni hozzászólására (») Nov 14, 2007 /
 
Köszi Dzsoni elvégre nem kell egyből a lecsóba csapni!!!THX mégegyszer
(#) ipse hozzászólása Nov 14, 2007 /
 
hát köszi szépen elég segitőkészek vagytok!!!!!!!!
(#) zotyo válasza ipse hozzászólására (») Nov 14, 2007 /
 
Irományod elolvasása után nem csodálkozom, hogy senki nem reagált!
(#) valve válasza ipse hozzászólására (») Nov 14, 2007 /
 
Ha valaki tudna segitene! Es ha nem segitenek v nem tudnak akkor mit varsz azt irjak, h; Nem tudom a valszt! Keresd mashol,.. S amgy a hangnemed utan,..
(#) huhuu válasza ipse hozzászólására (») Nov 14, 2007 /
 
nem találtam a végfokról semmit, de nézd meg, mekkora biztosítékok vannak benne és mi van a hátuljára írva, hány wattot fogyaszt a hálózatból. Ezeket az adatokat írd ide le és abból már összelehet rakni, hogy kb. mekkora a teljesítménye
(#) hapro válasza ipse hozzászólására (») Nov 14, 2007 /
 
Szia!

szerintem egy kicsit más hangnemben kéne írnod, itt szívességet tesznek az emberek egymásnak, aztán még a végén nem lesznek hajlandók válaszolni neked, de a gugli azt dobta ki rá, hogy 2X80W.

üdv.:

Zoli
(#) szamóca hozzászólása Nov 14, 2007 /
 
Sziasztok!
Ismeri-e valaki a W9131-70 végfokot?
Konkrétan az érdekelne hogy milyen védelmek vannak benne, ha vannak egyáltalán.
Köszi.
(#) Dzsoni hozzászólása Nov 14, 2007 /
 
Parázs Gábor,

100W RMS az ahogy te fogalmazol a "tartós", szuinuszos teljesítmény.
+/-38V-ról is meglesz a 100W-RMS 4 Ohm-on, ne félj!

Lehet huzalozni, de 10cm-nál ne legyenek hoszabbak a tranyókatr bekötő kábelek.

Milyen panelt tervezel hozzá?! Van hozzá, fenn Sixtek oldalán!

Pafi, Természetesen tudom hogy "mier jó" a 3-as darlington. Te is belátod hogy eben az esetben nincs értelme, főleg egy ilyen félreméretezett, megbízhatatlan kapcsolásban.

Temonddmeg,

Ezek nem láma kérdések! Szerintem. Komoly szakmai téma.

Látom már lemondál a tervezgetésről, de azért válaszolok a kérdéseidre, tanulunk addig is!

- ilyen nincs hogy "megterheli". A lényeg, hogy közepes frekvenciákon (teszem azt 1kHz) a bemeneti impedancia min. 10kOhm legyen. Hagyományos hangfrekis erősítőknél 10k..50k a bemeneti impedancia.

- elvileg természetesen tökmindegy, de könnyebb beszerezni gyors és alacsony kapacitású npn tranyót ezért a pnp-differősítő + npn feszerősítőt használjuk általában.

- hogyne, bár egy ellenállás okos alkalmazásával a közös referencia ugyanúgy megfelel (lsd. 470Ohm az ST151-ben!)

- igen, kb. sima darlington esetén, mivel alacsony a fokozat áramerősítése nem kell lassítani a meghajtót, így felesleges a plussz C-B kapacitás. az ellenállásnak viszont több szerepe van, érdemes alkalmazni. Sixtek pl. elhagyta, de ez mindegy, tökéletes anélkül is az ST151.
(#) Dzsoni válasza szamóca hozzászólására (») Nov 14, 2007 /
 
Szamóca,

Emlékszem rá, valami dereng. Magyar gyártmányú, vékonyfilm hibrid tokozott végfokmodul. Remixnek voltak ilyen fejlesztései, de lehet hogy más gyár (MEV) gyártotta.

Valamelyik régi magyar erősítős könyv mellékletében volt róla anyag, a fene tudja melyik könyvben. Turkálni kell.
(#) Dzsoni hozzászólása Nov 14, 2007 /
 
Szamóca,

RT évkönyv 2006, ~250old.
(#) KD mester hozzászólása Nov 14, 2007 /
 
Dzsoni!

Egy pici bibi szúrja a szemem a módosított ST151 rajzodban.

Azzal, hogy egy pár végtranyót alkalmazol, felére csökkentetted a max kimenő áramot. Talán a rövidzárvédelem kedvéért felezni kellene a 0,33Ohm-ot 0,15Ohm-ra.

Egyébként elég sok "lámaságot" írt most mindenki, de már a puszta mennyiség miatt sem kezdek "kötekedésbe".

(Egyébként tökéletesnek nem neveznék azért egy olyan erősítőt, ami 22nF kapacitív terhelésre ronggyáég. Tökéletlen a nagyfrekvenciás kompenzálás és a nyílthurkú fázismenet kialakítása.)
(#) szamóca válasza Dzsoni hozzászólására (») Nov 14, 2007 /
 
Köszi Dzsoni!
REMIX gyártmányú hibrid 70W-os Hungarikum. Ezt tudom róla.
20éve vettem, panelszinten kész. Az évkönyvnek utánnanézek.
(#) KD mester hozzászólása Nov 14, 2007 /
 
Ja ST151-be akkor is kell thiele hálózat, ha sixtek nem rakta bele. Akkor nem oszcillál kapacitív terhelésre. Jótanács volt.
(#) szabi83 válasza KD mester hozzászólására (») Nov 14, 2007 /
 
Idézet:
„Egyébként elég sok "lámaságot" írt most mindenki, de már a puszta mennyiség miatt sem kezdek "kötekedésbe".”


peddig jó lenne, a "tiszta viz a pohárba"
(#) KD mester hozzászólása Nov 14, 2007 /
 
"- igen, kb. sima darlington esetén, mivel alacsony a fokozat áramerősítése nem kell lassítani a meghajtót, így felesleges a plussz C-B kapacitás"

Ez egy hatalmas zöldség. Rentgeteg dolog befolyásolja, hogy kell e. De persze lehet más megoldást is használni a vcs hurok zárására, a megfelelő nyilthurkú viselkedés kialakítására.
(#) KD mester hozzászólása Nov 14, 2007 /
 
Áramgenerátoroknak jobb a külön diófa sor, mert a közös referencia feszültségnél a nagyjelű áramgenerátor tranyója telítésbe mehet és diódaként a B-E átmenet lehúzza a referencia feszültséget. Így a differősítő áramgenerátora ki sem nyit és az erősítő kiakad öntartó módon negatív tápra. Ezt akadályozza meg a 470Ohm, az ST151-ben.

De még a nagyfrekis tartományban a nagyjelű tranyó bázisárama modulálhatja a differősítő áramgenerátorának előfeszítését is, és kiélezett gyors kapcsolásban (az ST151 nem az) dúrván csökkenti a jelemelkedési sebességet negatív irányban. Tehát külön diódasort javasolok és a nagyjelű áramgenerátor diódasorát egy 100nF-al nem árt hidegíteni.

(#) Parázs Gábor válasza szabi83 hozzászólására (») Nov 14, 2007 /
 
Szerintem is rendbe kellene rakni a dolgokat, mert már kezdek belekavarodni.
(#) Parázs Gábor válasza Dzsoni hozzászólására (») Nov 14, 2007 /
 
Szia
Köszi a válaszod.Muszály hozzá tervezni panelt mert a bordám és az elrendezésem úgy akarja(látam az oldalon, hogy van panel).Akkor most az emmiterellenálásokat le kell csökenteni 0.15ohmra.
(#) Dzsoni hozzászólása Nov 14, 2007 /
 
Igen, 0.15Ohm vagy 0.22Ohm kell a 0.33Ohm helyett.

Az új panelajz érdekelne majd, belekukkantanék.
(#) temonddmeg hozzászólása Nov 14, 2007 /
 
Köszi mindenkinek a válaszokat.
Dzsoni: Nem mondtam le a tervezgetésről, csak először szeretném ezen az aránylag egyszerű "iskolapélda" végfokon rendszerben átlátni (hallani) az összefüggéseket.
Asszem készítek egyet a fiókban lévő maradékokból kísérletezés céljára.
KDMester: Tehát ott a 2 diódával párhuzamosan javasolsz ~100 nanot kötni?
Következő: »»   70 / 2580
Bejelentkezés

Belépés

Hirdetés
XDT.hu
Az oldalon sütiket használunk a helyes működéshez. Bővebb információt az adatvédelmi szabályzatban olvashatsz. Megértettem