Fórum témák
» Több friss téma |
Mielőtt kérdezel, a következő két dolgot ellenőrizd!
I. A helyes tápfeszültségek megléte.
II. A kimeneten van-e egyenfeszültség.
Élesztés.
Nem igazán értem mit mondasz.
Az mxr microampot terveztem előfoknak, mást nem. Azon van hangerőszabályzás is, de tegyek hangerő potit máshova még ezen kívül?Tehát egyen jó lesz. Zsír, köszönöm!
De ezt régebb nem csinálta! ez olyan 1hetes érdekesség.
Amugy azért ragaszkodom annyira, meg 35C foknál többre nem tudom felmelegiteni, az is akkor jött össze mikor itthon 28C fok volt, nagyon strapabiro, 2x20W torzitás nélkül, hangszinszabályzoja meg korrekt, olyan zajokat is kiküszöböltem vele amiket számitogéppel nem tudtam. Szürökondi 4700µF amugy.
Biztosan valamilyen másféle jelforrást kötöttél rá, vagy megváltozott valamilyen külső kábelezés és attól kezdte el ezt a brummogást.
Nem kell, ha már van egy hangerő szabályzód.
Akkor minden világos. Köszönöm a segítséget!
Egyelőre még terv szinten marad a projekt, de amint lesz affinitásom nekiesek.
Na errrol a kapcsolasrol lenne szo.
A forrasztási oldal van a mellékelt képen.
Koszonom a gyors valaszt.Szoval akkor lehet vasalni.
Lehet, de ha nem akarsz befürödni, akkor először tükrözd, mert vasaláshoz ennek a tükörképe kell.
Hacsak nem akarsz minden alkatrészt a forrasztási oldalról beültetni...
Ha ezt vasalod, akkor a forrasztási oldalra kerülnek az alkatrészek. Inkább tükrözném és úgy vasalnám. Nekiállok, egy kis rajzolásnak, várd meg.
OKe.Meg egy darabig raerek mert kb holnaputan jon meg az ic es utanna raknam oszzes csak gyujtom az informaciokat.Koszonom faradozasaitokat.
Ráírtam az IC és tranzisztor lábaknak hová kell esni. Nincs amúgy beültetési rajzod?
Sajnos nincs de ami ebben a dokumentumban van nem lenne ugyanez?
Ezzel kellett volna kezdeni
Ebből Te is láthatod/láthattad volna, hogy vasaláshoz a rajzot tükrözni kell. Akkor tukrozom amim van kulon es beultetem ahogy a rajzon van ugye. Mert ott nem lattam rendesen a nyakot es nem tudtam csak abbol megcsinalni igy csomo gugli es lett nyak is .Koszonom a segitsegedet.
Ezt már nem nagyon tudod vasalni, tele van sötét foltokkal.
Köszi a választ ! Tehát a +és-tápfesz közé 1 . 1db 220nf kondi megy melynek a közös pontja a ki menetre csatlakozik 1db 1ohmos ellen álláson keresztül. Ezt meg csináltam hiszen a rajz is tartalmazza http://www.hobbielektronika.hu/forum/files/b0/b0d693e0d428c4289fdae...36.jpg
A ki menetre viszont valószínű jól jönne ez a szűrő . Szeretném ezt a kapcsolást még meg építeni de remélem nem esek bele újból abba a csapdába ami a leg elsőnél volt. Nem értem miért gerjed, és miért nem amit utána csináltam másik kettőt. Csak is a nyákra tudok gondolni mivel kézzel rajzoltam és bizonyos vonalak közel estek egymáshoz.
Úgy látom a nyák és a beültetés összetartozik. Egyetértek steelbird kollégával, a kép minőségén feltétlen javítani kell.
Melyken?Ahol a beultetes vagy ahol csak a nyak van?
A nyákrajz tiszta fekete folt. Ha ezt vasalod, maratás után ott is réz marad, ahol nem kellene.
Nem is szoszerint vasalom.Mert nincs lezernyomtatom ezert csak kinyomtatom kifurom a nyakot es oszekotom es ugy marom le.
Ha lemezjátszó erősitő ,akkor ez nem tartalmaz RIAA korrektort? Mert azzal nem lessz jó a hagyományos jel még fesz osztással sem.
Itt egy direkt kombóhoz tervezett kapcsolás.
Helló!
A PWM tápról lenne szó.A kapcsolási rajz meg a beültetési eltér, R1-R2, C1-C4-meg ilyen?? Vagy csak én nézem rosszul?
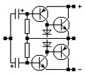
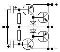
Két kérdésem lenne. Az egyik hogy egy kb. 80W-os trafó üresjárásban 46C fokra melegszik fel. Ez normális ? A másik, hogy a mellékelt kapcsolás működőképes-e ? A 3 tranyós alapkapcsolás szimmetrikus változata. Illetve mekkora torzításra lehet számítani ? Köszi !
Üdv.
Nekem is eléggé felmelegszik, pontosan nem tudom hány fokra de nekem is üresjáratban is melegszik ami a "nagy" erősítőmben van olyan 300W körüli trafó. Erre én is kiváncsi lennék miért. Ez a kapcsolás pedig működhet de jó hangot nem kell tőle várni.
Mekkora az üresjárati primer áramfelvétel? Trafófajtától függően, nagyjából 10-50mA-es tartományban illene lennie. Az ilyen "nagyobbacska" trafók nem szoktak melegedni alapból. Az egészen kicsik (2-10VA-es Makrai és hasonlók) tesznek inkább ilyet.
A trafó csak két dolog miatt tud melegedni. Vagy a huzalon folyik akkora áram, ami felmelegíti azt, vagy a vasmagon "átáramló" fluxussűrűség miatt melegszik maga a vas. Illetve aztán egymást is melegíti ez a kettő. Üresjárásban egyik sem jellemző.
A trafóval kapcsolatban tudok annyit nyilatkozni hogy sajnos vannak gyárak ahol a trafó méretével úgy szoktak spórolni hogy a nekik megfelelő méretűt túlgerjesztik.
Ebből az követlezik hogy a mag bizony melegszik. Minnél kissebb a mag annál jobban észrevehető a dolog. Egy bizonyos mértékig még elmegy de sajnos a túlgerjesztett trafónál sajnos több a mágneses szórt tér illetve zajforrási tényezője is magasabb mint a normálisan méretezett társáé. Számomra egy túlgerjesztett trafó már alapból beépítésre sem kerülhet mert ha ki van feszítve ki tudja mikor gondolja meg magát és szakad meg vagy megfő és leéghet, esetleg a legrosszabb hogy a melegedés hatására valami szigetelés adja meg magát és zárlatot vagy átezetést csinál ami nem kellene oda.
66mA Gondolom kicsit alul van méretezve. Egy yamaha dsp erősítőben volt egykor.
Üdv!
Van egy ~27volt 160 wattos toroidom, szeretnék belőle erősítőt építeni. Nincs valakinek ötlete milyen IC lenne az ami alkalmas lenne ilyen feszültségre? Sztereó erősítőt szeretnék, tehát a teljesítménynek bele kell férnije a 160wattba. Előre is köszönöm az eseleges ötleteket. |
Bejelentkezés
Hirdetés |




Az mxr microampot terveztem előfoknak, mást nem. Azon van hangerőszabályzás is, de tegyek hangerő potit máshova még ezen kívül?
Egyelőre még terv szinten marad a projekt, de amint lesz affinitásom nekiesek. 



