Fórum témák
» Több friss téma |
Mielőtt kérdezel, a következő két dolgot ellenőrizd!
I. A helyes tápfeszültségek megléte.
II. A kimeneten van-e egyenfeszültség.
Élesztés.
Üdv. Mindenkinek
ha valaki szeretne egy jobb erősítőt csinálni min a Quad405 .Szebb hangzásra vágyódik illetve hangosításra akarja használ akkor ez az erősítő teljes joggal tudom ajánlani mindenki figyelmében! 100W 8OHM dinamizmu,tökéletes,erőteljes hangzás.jobbat nem is kívánhatnék.
Hali!
Ha erősítőt ajánlasz a figyelmünkbe, akkor egyszerűbb és hasznosabb ha a kapcsolási rajzát teszed közzé.
Egyetértek veled.
A kérdésem Rik-hez, hogy milyen erősítőről is beszélünk? 100Watt 8Ohmon mekkora torzítással jár? Mekkora az IMD és THD? Mekkora az erősítő frekvenciatartománya? (Ugyebár itt a -3db-es pontokra gondolok.) A Quad405-nél jobb hangú AB osztályú végfokot nehéz készíteni. Olvasd el szerintem highand cikkét amit a Quad-ról írt, meglátod miért is. Az erősítők hangzásának megítélése pedig erősen szubjektív dolog. Ugyanazon hangszetten, ugyanazon forrás meghallgatása esetén lehet csak dönteni egy vagy több erősítő mellett, vagy ellen. De akkor is az egyén szubjektív megítélése lesz a döntő. Ha neked bejön egy erősítő hangja, másnak még nagyon nem biztos, hogy tetszeni fog.
Értem.sajna nem tudok szolgálni pontos adatokkal.ez az erősítő vagyis végfokozat át lett alakítva.mérnőki diplomával rendelkező volt gyakorlati tanárom alakította át.a végfokozatok oszcilloszkóppal lett vizsgálva.a Quad 405-öt pedig nem szóltam le ne vegyétek sértésenk.
csak ez a tanár szerint jobb ez a végfokozat mint a Quad(ő tudja a hivatalos pontos értékeket).ő jobban ért hozzá mint mondjuk én.de én meg vagyok elégedve ezzel a végfokkal.az összehasonlítás a Quad meg ennek a végfokozat alapja az hogy haveromak régebben volt Quad405-je és amikor ennek meg hallotta a hangját mint kis hangerőn,mint teljes hangerőn a Quad-ját egyből el addta és neki látott ennek a megépítéséhez.meg énis hallottam már Quad405-öt.de mégegszer mondom nem le akarom húrrogni a Quad-ot.Elnézést a kellemtlenségét:/ vagyétek úgy hogy meg sem szólaltam.
Két erősítőről csak úgy lehet korrekt összehasonlító véleményt alkotni,
ha az erősítőkön kívül minden más változatlan. Tehát ugyanaz a helyszín, a hallgatóság, a hangsugázrzók, a kábelek, a jelforrás, meg még sorolhatnám és az "eredmény" még így is szubjektív vélemények alapján jön létre.
Nincs is szó arról, hogy lehurrogtad volna. Senki sem gondolta így. Csupán leírtam, hogy mire érdemes figyelni. Én is estem korábban olyan hibába, hogy más tapasztalataira támaszkodva minősítettem egy erősítőt.
Én azt mondom, hogy azonos helyen, azonos körülmények mellett több erősítőt tesztelve lehet csak elmondani, hogy melyik tetszik nekünk jobban. Elég sok végfokot építettem már. Volt közte A osztályú, AB osztályú, mindenféle IC-s végfok. Mindeddig a legjobb minőségű erősítő a Quad405 maradt. Nem hiába tekintik sokan etalonnak. Viszont,ha sikerülne felraknod egy kapcsolási rajzot az erősítőről, akkor meg tudnánk építeni mi is, tudnánk véleményt mondani.
Értem ThomAce.Nos teljesen igazad van.
Jó hely ez a hobbielektronikai oldal főleg itt ugye a fórumos része.sokat lehet tanúlni mint tőletek mint másoktól és ez jó dolog számomra hisz most kezdem majd igazán az elektrós pályát.Persze rakok fel nyákot,kapcsi rajzot,beültetésit.Üdv. nektek további szép napot.
Itt egy PWM tápegység az enyémnek a fejlettebb változata.de még nem tesztelt.ha valaki esetleg meg építené és mondana pár infót róla akkor meg köszönném.Üdv.
Köszi szépen. Na ezt a tápot néztem ki magamnak én is. Van hozzá minden otthon!
Nagyon Szívesen.óóó hát az nagyszerű, nekem nincsennek sűrűn itthon ilyen alkatrészek.:/
Ez a táp engem is érdekelne de ez itt már off. Átjönnél a "Kapcsolóüzemű táp 230V-ra" című topikba segíteni nekem?
Üdv!
Valaki nem tud erre a típusú tranzisztora kapcsolást: MJ21194 és párja MJ21193 vagy esetleg valami mást. Olyan 200 w körül kéne.
Üdv. Most hogy az MJ-tranyókról jutott eszembe hogy valaki csinált-e már Melody (tranzisztoros) erősítőt/végfokokat?mert nekem így a kapcsolás nagyon be jönn meg ahogy szépen rendesetten meg van csinálva a kapcsolás,szóval a kinézete az egész jó így.de valaki valaha épített ilyeneket közülletek?lehet a közeljövőben csinálok egy két ilyen, vagy a szériából valamelyik végfokot.
Szia!
Ha jól emlékszem, akkor emersys kollégánk megépítette. És nem is akárhogyan
Hali.
Igen én lennék a bűnös az építését illetően :hide: , végül is sok sok mérés és töprengés után mégis leváltottam, erre : Bővebben: Link A helyzet az hogy az imént linkelt végfok, irgalmatlan jó paraméterekkel rendelkezik,és hangképileg sajnos 2x odaveri a melody-t... :yes: , ( az a osztályú JLH-m nak nincs ilyen hangja) Ettől eltekintve csak ajánlani tudom, mert nagyon megbízható kapcsolás. Jobb is h nincs bent visszahajló karakterisztika , ne is tervezz bele, mert a darlington meghajtáson tranziens-t fog kelteni, játszottam vele épp eleget... Csak elektronikus rövidzárvédelmet csibálj hozzá.! Én ma megcsináltam végre az enyémhez, Ez az egy panel tudja a túlvezérlést, rövidzárat, kimeneti dc-t, és késleltetést, valamint egy termikus hőkapcsolás is lett bele tervezve. Szintén az npn-pnp tranyókon néz feszültség esést, csak ez esetben a relét mondja, nem a meghajtó tranyók korlátozását ami nem mind1! Mellesleg, egy trimerrel kalibrálni lehet a terhelő impedancia nagyságát (tűlvezérléskorlátozás) Pár kép róla:
Köszi a válaszodat ! Én is találtam már olyan rendelhető csomagot ami tartalmazza a quad405 nyákját, a dokumentációt és az alkatrészeket. Viszont például a hobbi elektronikai oldalon itt is fent van a quad405 urbán féle nyákja. Ha ezt ki nyomtatom miért nem lesz ugyan az a panel amit vásárolok. Azért ragaszkodom ehez az erősítőhöz mert a tranzisztorjait nem kel bétára válogatni , és már halottam a hangját is. Más végfokokról nem tudok amit így meglehet építeni hogy nem válogatom a tranzisztorjait. Egyébként ez a TDA2030+Tranzisztorpár hídkapcsolás elsőre nem működöt ,viszont nem adtam fel ettől el tekintve. Részben ezért örülök ennek a kis kapcsolásomnak. Fogalmam sincs mi lehet az elsőnek a problémája csak azt tudom hogy gerjed. Ilyen nagy panellel vált be. Esetlegesen tudnál erre választ adni mire kel figyelni a nyák megrajzolásakor. Talán vannak a nyákon olyan vonalak amelyeknél probléma ha közel kerülnek egymáshoz ?
Ez is igen korrektre sikerült!
Köszönöm emersys-nek a kis infót.A védelemhez gratulálok csodaszép lett
Azt kérdezném még, hogy ha építek egy erősítőt, akkor a bemenő jelet hogyan lehet úgy leosztani, hogy az meghajtsa az erősítőt, és még kimenetként is tudjon funkcionálni?
Üdv
Van egy erősítőm, amiben kiment egy MN171202JYJ IC, sehól sem találtam, nem tudja valaki honnan lehetne beszerezni, esetleg ha lenne valakinek bontott az is megfelelne. Előre is köszönöm.
ja és valaki nemtudná megmondani, hogyha a lepke hangszínt 10K-s potikkal akarom megoldani, akkor mit változtassak a kapcsoláson? Köszönöm!
Sziasztok!
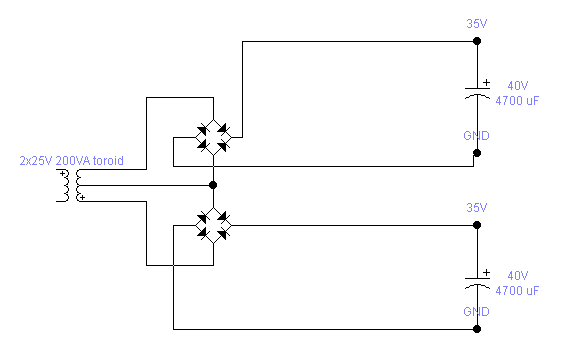
Lenne egy nagy problémám, és remélem, tudtok nekem segíteni! Meghalt a 2.1-esem és úgy döntöttem, csinálok helyette. Választásom a TDA2030A-ra és a TDA2050-esre esett, úgy, hogy a mélyet az utóbbi, a két első hangszórót pedig két-két 2030-as (nem hídban, külön panelon a két oldalnak). Meg is építettem őket, először teszt jelleggel egy 12V-os adapterről üzemeltettem. A 2030-asok pöccre indultak, a 2050-es pedig pár panelon lévő kisebb hiba kijavítása után szintén szépen működött. Mivel hosszabb üzemidő után is jól működtek, úgy döntöttem, építek nekik egy 2x35V-os tápot, ehhez volt itthon egy 2x25V-os 200VA-s toroid. Meg is építettem, bár a lehető legegyszerűbb, de rámértem és műödött, ahogy kell. Rákötöttem az egyik oldalra a két 2030-ast, a másikra pedig a 2050-est. A bekapcsolás pillanatában a 2050-es úgy ahogy volt, felrobbant, a két 2030-as pedig vígan szólt tovább. Először volt egy elméletem, miszerint letestelt az IC, ezért vettem mégegyet és ezúttal sokkal körültekintőbben ültettem be, szereltem fel hűtőbordára. Mikor rendben találtam, ismét rátettem a tápra, jelforrás nélkül. Ekkor hangosan búgott a hangszóró, de nem történt semmi. Amint elindítottam a zenét (PC-ről), megint kirobbant az oldala. A 2030-asoknak továbbra sincs semmi gondjuk. Van ötletetek, miért lehet ez? A táppal lehet a baj? AZ IC-k elbírják a feszültséget, a 2050-es pedig tudtommal hővédelemmel, rövidzárlat-védelemmel is el van látva. A 2050-est az adatlapjában lévő asszimetrikus tápos kapcsolás alapján, egy neten talált nyáktervvel építettem meg, mellékelem ezeket, valamint pár fényképet, a tápom kapcsolási rajzát, és az egész tömbvázlatát. Előre is köszönöm a segítséget! Bocsi hogy ilyen hosszú lett
...és a még hiányzó képek:
Szerk.: a két 1000u-s kondit 2200-asra cseréltem.
Szia!
A nyák elkészítésekor arra figyelj oda, hogy megfelelő vastagságú legyen a vezető rész. Ne marjon alá a maratófolyadék. Továbbá lakkozd is le maratás és tisztítás után a nyákot, különben oxidálódik. Nekem van telifóliás Quad nyákom. Eredeti Angliában készített verzió. Nagy becsben tartom. Nincs még kifúrva sem! Viszont az gerjedékeny. A Quad 405 honosított nyákja nem veszélyes. Nem tudnék olyan pontot mondani, amire nagyon oda kéne figyelned. Ha azt vasalod ki és jól csinálod - márpedig miért ne csinálnád jól - akkor nem lesz vele gondod. Gondolj bele, hogy mennyibe is kerül egy elkészített panel... Lakkozva van, alkatrészek bejelölve, kifúrva. Neked meg nyomtatgatnod kéne, maratni, fúrni, lakkozni. Sok sok pepecselős munka, ha a munkaórát beleszámítod, akkor többe kerül a házilagos legyártás, mintha megvennéd. Minden végfokhoz kell tranzisztorokat válogatni. Ez alól nem tudok kivételt. A TDA-s végfokod pedig alapvetően 4 okból gerjedhetett. 1- Tápszűrő kondenzátorok értéke nem volt jó. 2- Az IC + / - lábai közé kell egy 100nF-os kondenzátor. 3- A kimenetre kell egy RC szűrőtag 4- Az erősítő kimenetére kell egy megfelelő kondenzátorokból és egy 10Ohm-os ellenállásból álló RC tag. A vékony paneles verziót már többször megépítettem. Egy darabot sem hoztak vissza, hogy elfüstölt volna. Az enyém is átélt "pár" bulit. Egyébként ha Quad-ot akarsz építeni, akkor használj MJ15003-as végtranyókat. Abban nem fogsz csalódni.
Szia!
A táp kialakítása a hibás. A trafó két szekunderét külön tudnád választani, vagy csak 3 kivezetésed van?
Szia!
Igen, csak három kivezetésem van, bár úgy, hogy a középső valójában két -gyárilag- összeforrasztott vezeték együtt, egy szigetelésen belül.
A jelenlegi tápodnál a két GND összekötésével egy teljesen szokatlan áramkört hoztál létre.
Ha van lehetőséged válaszd külön a szekundereket, mikor egymástól teljesen függetlenek akkor már a fuffer kondik negatív kivezetéseit összekötheted. Ha nincs, akkor hagyd el az egyik egyenirányító hidat, és a felszabaduló kondenzátort kösd párhuzamosan a másikkal. Az így létrejövő tápra rákötheted mind a három IC-t. Még jó, hogy nagyobb kár nem keletkezett
Ha nem tudod szétszedni 2 külön tekercsre, akkor szerintem így csináld meg a tápot:
|
Bejelentkezés
Hirdetés |




ha valaki szeretne egy jobb erősítőt csinálni min a Quad405
.Szebb hangzásra vágyódik illetve hangosításra akarja használ akkor ez az erősítő teljes joggal tudom ajánlani mindenki figyelmében! 100W 8OHM dinamizmu,tökéletes,erőteljes hangzás.jobbat nem is kívánhatnék. 



csak ez a tanár szerint jobb ez a végfokozat mint a Quad(ő tudja a hivatalos pontos értékeket).ő jobban ért hozzá mint mondjuk én.de én meg vagyok elégedve ezzel a végfokkal.az összehasonlítás a Quad meg ennek a végfokozat alapja az hogy haveromak régebben volt Quad405-je és amikor ennek meg hallotta a hangját mint kis hangerőn,mint teljes hangerőn a Quad-ját egyből el addta és neki látott ennek a megépítéséhez.meg énis hallottam már Quad405-öt.de mégegszer mondom nem le akarom húrrogni a Quad-ot.Elnézést a kellemtlenségét:/ vagyétek úgy hogy meg sem szólaltam.
Jó hely ez a hobbielektronikai oldal főleg itt ugye a fórumos része.sokat lehet tanúlni mint tőletek mint másoktól és ez jó dolog számomra hisz most kezdem majd igazán az elektrós pályát.Persze rakok fel nyákot,kapcsi rajzot,beültetésit.Üdv. nektek további szép napot. 

























