Fórum témák
» Több friss téma |
Megprobalom ezt az iranyt, koszi. Szerintem is a kinai ipar szivat.
Idézet: „Szerintem is a kinai ipar szivat.” Kétlem. Szerintem itt mindenki kínai modulokat használ, hasonló probléma nélkül. Erős a gyanúm, hogy valami, ami szerinted egyértelmű, nem úgy működik, ahogy elképzelted. Ezért feszegetem azt a képet, hogy meggyőzz arról, jól csinálsz mindent. Elképzelhető, hogy szerencsés vagyok, és a közel 30 ESP modul, megszámlálhatatlan módon, az általam is gagyinak elismert megoldásokkal megtáplálva nem produkál nekem ilyesmit. A hozzászólás módosítva: Ápr 27, 2017
"Elképzelhető, hogy szerencsés vagyok, és a közel 30 ESP modul, megszámlálhatatlan módon, az általam is gagyinak elismert megoldásokkal megtáplálva nem produkál nekem ilyesmit."
Ugyanezt mondom, hasonló tapasztalatokkal. Kínai telefon töltőkkel és kínai step down modulokkal kiválóan működik az összes ESP modulom.
Köszi mindenkinek! Most elutazom és jövő héten jövök meg, akkor ráfekszem a témára és rakok fel képet - remélem ennyire egyszerű lesz, ahogy mondjátok. Mindenesetre most berendeltem az említett alkatrészeket, így lesz lehetőség alternatív megoldásokra!
Sziasztok, segítséget kérnék. Nekem teljesen új ez a modul, most ismerkedek, de megakadtam. Nem tudok kapcsolódni a modulhoz sehogy. Egy AMS1117-es táppal van táplálva, ha sima üzemmódban indítom, van wifi jel, a hálózatára fel tudok kapcsolódni, ad ip címet. Androidos ESP connecttel próbáltam kapcsolódni, de nem sikerült. Amúgy egy CH340 soros illesztővel, RX-TX lábak felcserélve, terminálból semmilyen AT parancsra nem reagál. Variáltam a sebességet, de semmi. Megköszönnék minden ötletet merre induljak. Próbáltam flash módban elindítani, de az ESPTOOL sem kapcsolódik hozzá.
Üdv.: Muszy
GPIO0, GPIO2, GPIO15 lábak milyen logikai szinten vannak?
Bővebben: Link A hozzászólás módosítva: Ápr 30, 2017
Flash módban GPIO0 földre húzva, normál módban lebegve hagytam. GPIO2-t nem kötöttem be. CH_PD-t egy 10K-s ellenállással 3.3V-ra. GND-GND. VCC-3.3V. Nálam GPIO15-ös láb nincs. De nézem közben az általad linkelt oldalt.
A modul nem mehetett tönkre, ha van hálózata, ad ip címet?
Sziasztok!
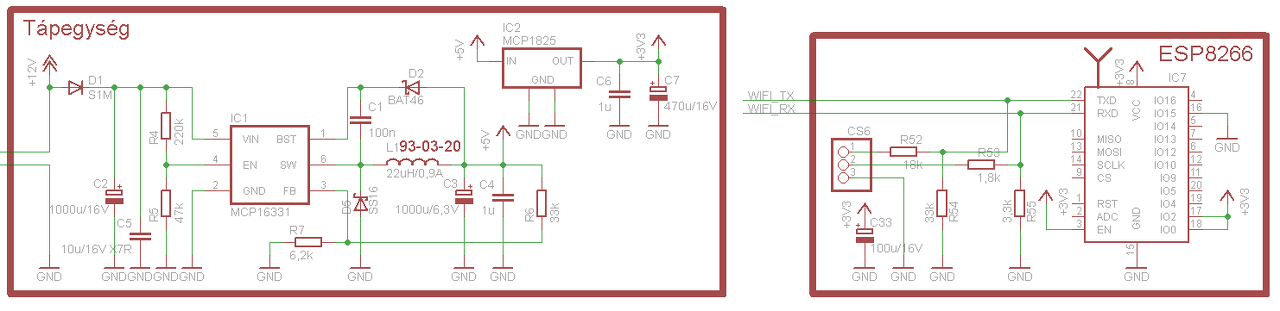
A mellékelt képen egy panelom látható, melynek jobb felső sarkában van egy ESP-12E, mellette pedig egy kis step-down dolgozik. Az a SOT23-6 tokos IC illetve mellette a nagy kocka pedig a tekercse. Ha áram alá helyezem a panelt, akkor a WIFI modul kupakja melegszik! Működik rendesen, de melegszik! Ha elveszem a betápot amiből a step-down dolgozik és külsőleg kapcsolom rá a panelra a 3,3V-ot, azaz a step-down egyáltalán nem megy, akkor a WIFI modul nem melegszik. ![]() Csak érdekességképp meséltem el, szóval ha panelt terveztek akkor ne tegyetek step-downt (vagy step-upot) a WIFI modul mellé. A hozzászólás módosítva: Ápr 30, 2017
Nem lehet, hogy a konverter nem teljesen egyenfeszt ad?
Esetleg szűrni kellene a kimenetét?
Jó a kimenete, 40mV zaj van rajta csupán. Teljesen stabil az egyenfesz.
Én azrt a körmére néznék annak a konverternek. (Van kapcsolási rajz erről a panelről?) Az ESP modul akkor melegedhet, ha táp nagyobb, vagy meggyűlik a baja a zavarokkal. Tud a konverter másodpercekig kiadni fél ampert?
Ahogy elnézem, az ESP táp elég gyengén van szűrve.
Kiollóztam a step-downt és az ESP-t. Biztos ki tud adni fél Ampert mert a GSM modul vígan működik róla. Bár mondjuk ott van még 2db 1000µF és köztük egy 4V-os LDO.
A konverter kimenete szkóppal gyönyörű konstans 5V egyenfesz. Biztos hogy tud róla működni a WIFI modul mert más panelomon (mondjuk ezen: Bővebben: Link) hasonló step-down működik hasonló konstrukcióban, ugyan úgy ESP-12E-vel. Csak ott vagy hatszor olyan messze van a WIFI modul a konvertertől.
Lehet hogy mégsem a step-down szórja meg mert elvezettem a paneltól egy néhány centis érpárral és így is megeszik.
![]() Megnéztem azt is hogy közvetlen a modul táplábain hogyan néz ki a tápfesz.
Lehet, hogy a StepDown konverter eltolja a GND pontot, így az ESP GND pontja és valamelyik periféria, amihez csatlakozik, GND pontja más potenciálon van, a kettő között pedig valamelyik egyéb lábon folyik kiegyenlítő áram.
Igaz, a kép szerint csak két vezeték van rákötve, ez az eset így nem fordulhat elő. Ha a kép szerinti elrendezésben működik a StepDown úgy, hogy terhelésként egy ellenállást teszel rá az ESP-t pedig külső tápegységről hajtod, melegszik az utóbbi? A GND vezeték maradjon. Idézet: „Ha a kép szerinti elrendezésben működik a StepDown úgy, hogy terhelésként egy ellenállást teszel rá az ESP-t pedig külső tápegységről hajtod, melegszik az utóbbi? A GND vezeték maradjon.” Nem tudom és most egy darabig nem is tudom kipróbálni. De biztosan melegszik így is, hiszen a fényképen látható módon is melegszik amikor egyszerűen csak a 3,3V-ot kapja meg két vezetéken.
Mik azok a periodikus impulzusok benne?
Van lehetőséged a panelen áramfelvételeket mérni (csináltál a táp vonalakba átkötést)? Meg tudod tenni, hogy egy külső, más áramkörrel akár step-down-al táplálod meg? Persze vágom, ez visszabontást igényel.
Idézet: „Mik azok a periodikus impulzusok benne?” Nem tudom. 10Hz-esek és nagyon kis amplitúdójúak, nincs 20mV egy tüske. Idézet: „Van lehetőséged a panelen áramfelvételeket mérni (csináltál a táp vonalakba átkötést)?” Nem csináltam sajnos. Idézet: „Meg tudod tenni, hogy egy külső, más áramkörrel akár step-down-al táplálod meg? Persze vágom, ez visszabontást igényel.” Igen, éjjel még a fényképen látható két vezetéken lógó modul két vezetékét leforrasztottam a panelról és külső labortápról adtam villanyt kizárólag az ESP modulnak. A nyáklap a másik asztalon volt szóval végképp semmi közük nem volt egymáshoz. A modul noha kézre talán nem is annyira, de így is melegedett. Nem értem...A fejlesztőpanelomon (Bővebben: Link) teljesen hideg az ESP, a legcsekélyebb mértékben sem melegszik.
Azzal a légvezetékes megoldással, próbáld már ki kérlek, mi lesz az eredmény a "felhasználói" oldalon, ha közte a légvezetéket áthurkolod egy zavarszűrő ferriten. A tüske miatt írtam csak
![]() Ha a földek elcsúszása miatt melegszik, azt gondolom ki tudod zárni a két panelnek külön táp külön járatva, majd a két áramkört összeföldelve figyelni-mérni a változást az egyes tápegységeken, azok áramfelvételében stb. A hozzászólás módosítva: Máj 1, 2017
A fejlesztőpanel ismertetésekor írtad, hogy az ESP elviseli az 5V-t.
Az Espressif szerint nem tolerálja.
Az I/O lábai viselik el az 5V-ot, nem a tápja.
És természetesen 3,3V-ról jár az ESP ahogyan a fentebb feltöltött kapcsolásirajz-részleten is látszik.De amúgy a rajzon is szereplő ellenállás-osztók épp a jelszint leosztása okán vannak a panelon. Elegendő lenne csak a modul RX vonalára tenni, azért van a TX-en is hogy ha esetleg véletlen fordítva dugom rá a panelra az USB-soros átalakítót akkor se legyen gond. De osztó nélkül sem lehetne probléma hiszen az ESP és a PIC is tolerálja az 5V-ot. A hozzászólás módosítva: Máj 1, 2017
Anno mikor a cikket írtam akkor találtam egy adatlapot amelyben le volt írva hogy tolerálja az 5V-ot. Most nem találom ezt a pdf-et.
Viszont itt elég jól kivesézik a dolgot: Bővebben: Link Idézet: „Conclusion I believe the experiment result is conclusive. The ESP8266 I/O is 5V tolerant unless couple of uA current can destroy the chip. Except for completely wrong wiring, such as feed 5V into 3.3v rail or feed 5V into output pin (in output low state or in output high with push-pull mode), 5V on GPIO pins will not destroy ESP8266.” Sőt, ezen az oldalon írják azt is hogy régebben bele volt írva az adatlapba de azóta kivették belőle. Szóval ezért nem találom. A hozzászólás módosítva: Máj 1, 2017
Amit én linkeltem oldal, ott elég alaposan kivesézték a dolgot. De oké legyen, ne tolerálja az 5V-ot. Teljesen mindegy mert ott van a két ellenállás-osztó.
![]() Egyébként a saját tapasztalataim is azt mutatják hogy elviseli az 5V-ot. Próbaképp ugyanis az USB-UART átalakítót közvetlen is rákötöttem a modulra és működött, illetve azóta is működik.
Firmware frissítés után nem hajlandó elindulni az egyik ESP01-es modulom. Illletve elindul csak nem működik rendesen, folyamatosan küld valami "zagyva" szöveget. Sajnos boot módba sem lehet belépni vele. A kérdésem az lenne, hogy a program az konkrétan hol van, az ESP8266EX vagy a 25Q80-ban? Azért kérdezem, mert ha az utóbbiban, akkor elvileg abba bele tudnám másolni egy másik modulból a programot.
A 25Q80-ban van a firmware.
A bootloader az ESP8266EX-ben van. Elméletileg máshol van a bibi, mert azt tudtommal nem tudod felülírni. A hozzászólás módosítva: Máj 3, 2017
Nem, nem tolerálja. A belső védődióda (clamp dioda?) vezeti le, ami névlegesen 0.1mA vagy kisebb terhelésre méretezett...
AVRben gyári mintában is van nullátmenet vezérléses kapcsolás, ahol a 230V fázisra megy 100k-val. Ettől az AVR még nem szereti a 230V-at és a bemenete sem 230V toleráns ![]() Ha nem ellenállásosztózol, egy soros 4k7...10k nem árt sosem.
Sziasztok, segítséget kérnék NodeMCU-val kapcsolatban:
Nem működnek az AT parancsok. Sem az ARDUINO soros monitorral, sem a mellékelt képen látható ESPlorel-el sem. Már firmware frissítést is csináltam, az eredmény ugyan az.(Annyi változott, hogy a kommunikáció elindításához az RTS jelet be-ki kell kapcsolni) |
Bejelentkezés
Hirdetés |










Nem értem...





