Fórum témák

» Több friss téma
Fórum » Ez milyen alkatrész-készülék?
 
Témaindító: csaby, idő: Dec 25, 2005
Témakörök:
Lapozás: OK   297 / 1205
(#) ato01 hozzászólása Feb 13, 2011 /
 
Sziasztok.Szeretném a segítségetek kérni.A következő a problémám:kaptam egy táp ic-t ami hibás,hogy járjak utána mennyibe kerül.Néztem a hq-nál,és egyszerüen nemtalálom
Ez van ráírva:felsősor:b041
Alsó sor:6m07652r
És 5-lába van.
Előre is köszönöm,mindenkinek.
Üdv,Attila
(#) árnyék válasza ato01 hozzászólására (») Feb 13, 2011 /
 
Helló !

Nézd meg ezt a pdf-et, ezt találtam !
Talán segit !

datasheet.pdf
    
(#) mandix hozzászólása Feb 14, 2011 /
 
Helláj! Van egy hordozható dvd-m. Elszállt benne egy smd. Ez van ráírva: A1BA. Az egyik srác azt mondta hogy ez a kódja nem a típus száma és mérés alapján PNP-típusú FET. Hol lehet ilyet beszerezni? Hogyan lehet megfejteni a kódból a típusát?
(#) mitulabattyi hozzászólása Feb 14, 2011 /
 
Üdv mindenkinek!
A MÉH-telepen találtam egy elektroncsövet, szerintetek mire való?
Talán egy sugárzásmérő alkatrésze lehetett?
kép1
kép2
kép3
kép4
(#) Action2K válasza mitulabattyi hozzászólására (») Feb 14, 2011 /
 
Nagy valószínűséggel, merthogy Gamma gyártmány, ők pedig gyártottak ilyet. Azért a 2-es képet elforgathatnád 180°-al, mert ha sok ilyet kell néznem, akkor kikopik a monitorom tengelye.
(#) fater0827 válasza mitulabattyi hozzászólására (») Feb 14, 2011 /
 
Üdv mitulabattyi
Ha valóban GM Cső akkor BME labor munkája .
Bővebben: Link.
GM gyakorlat08 kérdések nélkül .
Javaslom üsd be a keresőbe Gamma cső sok érdekest találsz róla.Wiki oldal,PDF-ek,.,.,.,.,!
Üdv
(#) elektro95 hozzászólása Feb 16, 2011 /
 
heló
valaki eltudja nekem mondani azt hogy egy kerámia kondin mit jelent a 102 aláhúzva meg hogy milyen értékű ez.
(#) kadarist válasza elektro95 hozzászólására (») Feb 16, 2011 /
 
Szia!
102=1, 0, és még két nulla, tehát 1000. Ez 1000pF-ot jelent, ami 1nF-al egyenlő.
(#) elektro95 válasza kadarist hozzászólására (») Feb 16, 2011 /
 
köszi és akkor a többit is így kitudom számolni ?
mert ezt értem de mondjuk hogy van jelölve a 15pF és a 4,7pF
(#) erdgab válasza elektro95 hozzászólására (») Feb 16, 2011 /
 
Így ahogy leírtad,csak a számok vannak a pikofarádot nem mindig írják ki.
(#) Ricsi89 válasza elektro95 hozzászólására (») Feb 16, 2011 /
 
15pF-os simán 15-el jelölik, hasonlóan a többi kis értékű kondit is.
(#) granpa hozzászólása Feb 16, 2011 /
 
Helló Urak!
Van egy szürke színű, negyed wattos ell.á. méretű valamim; 7.6 ohmot mérek rajt, felirata 2689, és ismeretlen gyártó jel(élére áll. négyzet, benne M, - hal szimbólum). Mi lehet, NTC, PTC? Próbáltam melegíteni, de lehet, nem eléggé?
Üdv: Kálmán
(#) kadarist válasza granpa hozzászólására (») Feb 16, 2011 /
 
Szia!
Lehet, hogy egy sima ellenállás.
(#) kadarist válasza elektro95 hozzászólására (») Feb 16, 2011 /
 
Az 1000pF alattiaknál teljes hosszában kiírják az értéket, ezeknél a harmadik karakter mindig 0. Természetesen ezeknél is pF-ban kell érteni az eredményt.
(#) Doncso hozzászólása Feb 17, 2011 /
 
Sziasztok, az alábbi LCD kijelző beazonosításában kérnék segítséget : Bővebben: Link Elvileg ez egy grafikus kijelző, eddig nincs is gond vele, de ennek 9 lába van csak, már ez problémát okoz, szóval nem értem, hogy milyen kommunikáció ez? Illetve hogyan lehet az efféle kijelzőket meghajtani?
Van valakinek ötlete erre?
Üdv. Doncso
(#) efcsabi válasza Doncso hozzászólására (») Feb 17, 2011 /
 
Ez nem egy autórádió kijelzője?
(#) Doncso válasza efcsabi hozzászólására (») Feb 17, 2011 /
 
Nem ,attól azért nagyobb sokkal.
(#) TyeDa hozzászólása Feb 17, 2011 /
 
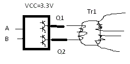
Sziasztok, szükségem lenne egy IC-re ami 3.3V tápfeszültségről megy, 2db totem pole kimenete van minimum 200mA terhelhetőséggel. A két kimenetet ellenütemben vezérelném 100kHz-el. Olyan IC, mint pl. a TC4426, csak 3.3Von.
(#) kadarist válasza TyeDa hozzászólására (») Feb 17, 2011 /
 
Szia!
Valami ilyesmire van szükséged: Bővebben: Link
(#) zsa hozzászólása Feb 17, 2011 /
 
Sziasztok . Ha esetleg valaki tudna segíteni ezt az ic-t (AT1380AS / L2906A) Mivel lehetne helyettesíteni ami kapható is?
GOogle-ban (AT1380AS) néven van adatlapja. LCD monitor inverterében van kiégve egyébként.
köszönöm
(#) Pulyka válasza mandix hozzászólására (») Feb 17, 2011 /
 
Szia

Első lépésben nézelődj az SMD codebook-ban, és ha találtál egy típust a kód alapján, akkor azzal már elmehetsz egy elektronikai boltba, vagy akár személyesen is elviheted az alkatrészt az eladóknak.

Üdv.Tomi
(#) TyeDa válasza kadarist hozzászólására (») Feb 18, 2011 /
 
Ez jó lehetne, néztem már, csak kell 4 FET-et a kimenetekre illeszteni, mert nem totem pole-os.
(#) kadarist válasza TyeDa hozzászólására (») Feb 18, 2011 /
 
De miért fontos a totem pole? Ez egy komplett gate driver IC.
(#) TyeDa válasza kadarist hozzászólására (») Feb 18, 2011 /
 
Mert egy kis ferrittrafót szeretnék meghajtani ellenütemben 100kHz-en. Mindenféle külön FET híd nélkül olcsón kis helyen, mint ez az IC, csak 3.3Von.
MC34151
Elnézést a firkáért.
(#) Action2K válasza TyeDa hozzászólására (») Feb 18, 2011 /
 
Esetleg ez lenne az "embered"? LTC1157
(#) TyeDa válasza Action2K hozzászólására (») Feb 18, 2011 /
 
Ezt linkelte kadarist is, de ez nem tud kiadni 200mA gate áramot ha jól látom, közvetlenül meghajtani a tekercset.
(#) Peter65 hozzászólása Feb 18, 2011 /
 
Üdvözlet mindenkinek!
Szétbontottam néhány régi leselejtezett HP tintasugaras nyomtatót. Az elektronikai paneleken lévő alkatrészekből szeretném kitermelni, ami még használható. A nyomtató fej(ek) meghajtására viszonylag sok ugyanolyan IC van a paneleken, de nem sikerült beazonosítanom az alkatrészeket. SO16-os tokozású SMD IC-k. Van amelyik panelon TEXAS gyártmányú van, ezeken két sorban: 87A763T 210895 olvasható. A második sor kicsit nagyobb karakterekkel, talán az lehet a típus. Más paneleken Motorolla gyártmányú van, szintén két sorban: 1821-0895 1NA714 olvasható. A neten nem sikerült infót találnom róluk. Tud valaki segíteni? Használhatók valamire az IC?
(#) DecebaL hozzászólása Feb 18, 2011 /
 
Sziasztok, az alábbi két alkatrész mi lehet?
A Google-ban nem találtam.

DSCN0863.JPG
    
(#) pucuka válasza DecebaL hozzászólására (») Feb 18, 2011 /
 
Esetleg?
(#) DecebaL válasza pucuka hozzászólására (») Feb 18, 2011 /
 
Köszönöm a segítséget.
Következő: »»   297 / 1205
Bejelentkezés

Belépés

Hirdetés
XDT.hu
Az oldalon sütiket használunk a helyes működéshez. Bővebb információt az adatvédelmi szabályzatban olvashatsz. Megértettem