Fórum témák
» Több friss téma |
Én ehhez csak annyit szólnék hogy minap egy barom terepjárós ment elöttem, és annak meg olyan pótféklámpa volt kreálva hogy fényes nappal két utcával arréb láttam amikor fékezett, mert valami extra erős kék leddel kókányolta meg. Nem értem hogy egyesek hogy lehetnek ennyire
. Nemtudom neki hogy tetszene ha én éjszaka fejmagasságra állított xenonnal mennék vele szembe...
Persze ha ilyen autóra telik neki akkor ha azt mondja neki a rendőr, hogy ötvenezer akkor röhögve csikkzsebből kifizeti, neki ennyit megér, mi meg vakuljunk meg.
Igazad van, de itt nem ilyen dolgokról beszélünk. Ez nem zavar senkit, és véleményem szerint növeli a biztonságot, mivel figyelemfelkeltő.
Köszönöm Fery, erre gondoltam
És még a +/- 2 évbe is belefértem Tomee szerint nem nagyon tenne jót egy izzónak ha sokat villogtatnánk. Az irányjelző is sokat villog, sőt igazából csak azt teszi. Vagy a kisebb frekvenciája miatt ez már nem porbléma? Erről egy régóta megválaszolatlan - és egy kicsit off kérdésem - jut eszembe: A kapunyitónk lámpája egy-két nap alatt kiég. 230 Voltos, egyszerűen nem tudom, hogy mi okozhatja. Szerintetek? Egyébként valószínűleg a Tomee által is említett felfűtés, pontosabban annak hiánya miatt nem maradt sokáig használatban az évkönyvben látott kapcsolás, mivel nem volt kellő fényerő az elején (Ráadásul először csak 6 Voltos mociban volt). Bár a kapcsolás manapság LED-del megvalósítva akár még jó is lehet. Ha legközelebb megyek vidékre anyósom anyósához, akkor megtúrom a kamráját
Hamar megtaláltam nem volt gond
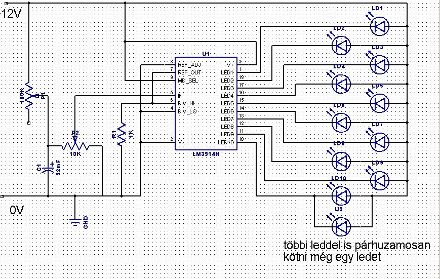
Ha valakit érdekel van még néhány db ilyen ledsorom meg kerek is az keressen meg emilben Fényereje 21 wattos izzónak felel meg
sziasztok!
én a meglévő pótféklámpámat(Opel Astra G) szétszedtem lemásoltam a panelját és ezzel az áramkörrel hajtottam meg a ledeket.A gyári panelt nem volt szívem szétfaragni. A lényege ,hogy késleltetve gyulladnak ki a ledek belülről kifelé,de a formációt egyénileg lehet alakítani.
Ilyenkor kicsit le kell lassítani, elengedni az illetőt, felkapcsolni a távolságit, és szorosan követni. Majd megtanulja az állat.
Az miért jó, hogy késleltetve gyulladnak ki a ledek?
Sziasztok.Teljesen amatőr vagyok bár már fabrikáltam egy két dolgot az életben,mint mindenki más.Most mégis egy nektek egyszerű dolgot kérdeznék. LED-es féklámpát szeretném megcsinálni villogósra,ebben kellene egy kis segítség.
Szia. Egy kicsitt bovebb informaciot adhatnal nekunk meg,.. Van mar feklampad, amit at akarsz alakitani pillogosra vagy most keszulsz epiteni egyet ami kellene pillogjon?
Van már a kocsiban és azt akarom villogtatni.Speciel egyik haverom kérdése is ez,ugyhogy a probléma globális.
12V és azt hiszem 18 db piros nagyfényerejű 5mm LED
Van már ilyen topic, találsz benne nekedvalót sztem.
Villám erre a topikra gondolt Moderátor
sziasztok.szeretnék egy olyat krédezni,hogy én úgy szeretném megcsínálni a kocsimon a lámpatstet hogy ledek villágitsanak.szóval hogy álljak neki.esetleg ha v.ki felvezs msn-re azt nagyon megköszönném a segítségét,mert nagyon szeretném megcsínálni.
Szia!
1. Próbálj picit a heléyesírásra, meg a fogalmazásra ügyelni, mert így 3x kell elolvasni, hogy megértsük, mit szeretnél. 2. Ez itt egy fórum, tehát ha itt teszel fel egy kér(d)ést, akkor itt is illik rá várni a választ. 3. Egy picit részletesebben írd körül, légy szíves, hogy mit szeretnél, mert korántsem biztos, hogy jól értjük, mit kértél/kérdeztél, és annak csak csalódás a vége. 4. Azzal jó, ha tisztában vagy, hogy a magyar jogszabályok nem engedik meg, hogy a gépjármű világító berendezéseit házilag "barkácsolják" meg, mert az ön- és közveszélyes. E miatt a közlekedési hatóság (régen KPM, ma GKM közúti ellenőr; rendőr) igen borsos összegű csekkel jutalmazhat adott esetben, és jó, ha a forgalmi nem marad az Ő páncélszekrényükben egy időre. Ezen kívül a műszaki vizsgán sem engedik át a megbuherált lámpatestű autót, sőt, a rendszámot is bevonják. (Ez megint nem kevés pénz, és utánjárás...) Ezért azt javaslom, gondold át, hogy érdemes-e foglalkozni a témával, illetve hogy Te rendelkezel-e a kivitelezéshez szükséges tárgyi-technikai eszközökkel, és szaktudással. (Félreértés ne essék: Senkit sem szeretnék eltántorítani az elektronikától, de jó, ha az ember tisztában van a legalapvetőbb dolgokkal, mielőtt egy projektbe belevág. És jelen esetben egy olyan projektről van szó, amely az elektronikai ismereteken felül még optikai ismereteket is igényel!)
Sziasztok!
Én is gondolkodtam már villogós pótféklámpán, de én hasonló elven képzelem el mint a gyáriak. A fékezés erejétől függne a villogás mértéke, illetve gyengébb fékezésnél nem is villogna. Ehhez persze a computerből kellene adatokat kivenni, ami hobbi szinten kivitelezhetelen. Ezért arra gondoltam, hogy egy egyszerű erőmérő és egy hozzákapcsolt PIC végezné helyben (a pótféklámpában) a számítást. Az erőmérő (vagy G mérő) egy pici, rúdra erősített golyó, ami egy potmétert mozgat. A PIC feladata a fékezés elején rögzíteni a potméter értékét, majd az elmozdulás mértékéhez rendelt frekvenciával vezérelni a meghajtó tranyót. Nekem ez csak elméletben megy, mivel PIC-et még soha nem programoztam, de ha valaki lát fantáziát a dologban, szívesen részt veszek egy ilyen projektben.
Hali!
Nem rossz ötelet. Tud valaki egy kompakt lassulásmérő megoldást? Már másra is tudtam volna használni....
Gondolom ismered a accelerometer chipeket. Nekem nincs tapasztalatom ezekkel, de az adatlapokat olvasgatva általában 2G-től 10-ig mérnek. Ez szerintem jelen esetben sok, hisz ennyivel fékezni nem mindennap szokott az ember (legalábbis az emberszámba vehető ember). Vannak higanykapcsolók is, de szerintem nehéz beszerezni, otthon barkácsolni meg problémás.
Az én ötletemhez vagy egy low-torque potméter kell, vagy ha profibb megoldásra vágyunk optikai eszközökkel is megcsinálhatjuk. Pl egy régi egérből kiműtött optikai tárcsával. Ez utóbbival még könnyebben megoldható a jelenlegi téma, hisz ezzel csak az impulzusokat kell számolni.
Én higanyos cuccra gondoltam igazából.
Hol lehet ilyesmit venni és mennyiért?
Kicsit utánaolvastam ezeknek az accelerometer chipeknek, mert sok új telefonba szerelik ezeket, és ha 2G-vel kéne rázni őket, nem sok haszna lenne a dolognak. Szóval valszeg én érthettem félre valamit.
A freescale-től lehet ingyen rendelni az MMA7260-t, aminek egész jó paraméterei vannak. Mondjuk a tokozása nem egy álom.
sziasztok. még új vagyok, ráadásul nem is értek sokat az elektronikához, épíéshez főleg, bocs ha nem illene ide a kérdésem.
én most tettem a suzukimba a gyári helyett egy 28 ledes harmadik féklámpát. de túl fényesnek találom őket. ha berakok a kábelba egy ellenállást, akkor az megoldás lehet? vagy más tippet? amit könnyedén megoldana bárki ![]() köszi megcsinálnám ezt a villogtatás témát is, ha valaki meg tudná csinálni az áramkört hozzá
Igen, az ellenallas jo lesz, de legalabb 1W-os legyen. 5-os meg jobb.
Vagy megnezed belul, ha 28db, akkor valoszinuleg 7*4-es csoportba van szervezve, tehat 4 egymas utan kotve es ilyenbol van 7 egymas melle kotve. Ezekbol koss ki mondjuk 3-at.
kössek ki egy csoportot? vagy 3-at? akkor fényesebb lesz, nem? nem értem...
inkább az ellenállás. pontos típust tudsz mondani? ohm és watt
Nem lesz fenyesebb, mert a parhuzamos csoportok ugyanugy 12V (14.4V)-ot kapnak. Magyarul:
Van 7db izzolampad, ebbol kicsavarsz 3-at. Akkor lenne fenyesebb, ha a negyes csoportot bontanad meg. kb fel percig birnak is a ledek.... Pontos erteket nem tudok mondani, csak saccra: olyan 10-20 Ohm korul gondolom. Ki kell probalni, ket 10-20 Ohm 5W nem olyan draga. Beteszel egyet. Ha nem eleg jo, akkor sorbakotod vele a masikat. Ha eleve is tul halvany volt, akkor parhuzamosan kotod oket. A baj az, hogy a ledeknek van un. nyitofeszultsege, ha ezt nem eri el, egyaltalan nem fog vilagitani.
de ha ellenállás helyett inkább egy potit rak be, akkor nem kell sokat forrasztgatnia, és teljesen a saját szájízéhez igazíthatja a fényerőt
![]() amúgy meg a féklámpának pont az a lényege, hogy fényes legyen, ha halványabb, akkor nehezebben vezi észre a mögötted jövő. Idézet: „...a féklámpának pont az a lényege, hogy fényes legyen, ha halványabb, akkor nehezebben vezi észre a mögötted jövő.” Nem is beszélve a KRESZ előírásairól...
Csak legyen legalább 2W-os az a poti...
Üdv Inhouse
Azt hiszem én megpróbálom megcsinálni a Mercedes style-os villogtatót AVR-rel. A MEMSIC-nek vannak olcsó (1400/db) accelerometer chipjei, +/- 2 G méréstartománnyal, ami szerintem elég (nem forma1-es autóba készül), de felmerült pár kérdés bennem.
A működési elv szerint a fékezés megkezdésekori G erő, és bizonyos idő elteltével (párszáz msec) mért G erő különbségétől függően villogtatná különböző sebességgel a ledeket. A mérés ideje alatt, természetesen folyamatosan világítana. Ha kicsi a különbség akkor tovább világítanak, de minél nagyobb, annál gyorsabban villognak. Elvileg meg lehetne azt csinálni, hogy nem is kellene a pótféklámpába plusz tápvezetéket húzni, hanem a féklámpakapcsolóról kapná a tápot az áramkör. Mivel elég nehéz kombi autóba vezetéket húzni az ajtóátvezetőn keresztül, bár az ablaktörlőn legtöbbször akad egy gyújtás (15) pont. Csakhogy ha I2C-s chipet választok (ha jól értem) akkor ott a kezdeti kommunikációval megy el az idő, ha sima analógot ott meg az éledéssel (Turn-On time: 300ms) Szerintetek érdemes kicsi NiCd akkut szerelni a panelre, amiből eléldegél pár napig az áramkör, vagy inkább maradjon a nehézkes vezetékelés?
Az ablaktörlőtől húzz tápot neki, és a szenzor mérjen folyamatosan, ha rajta van a gyújtás. I2C-n átrántani azt a pár bájtot nem tart sokáig. Ha a féket nyomod, azt meg csak az avr érzékelje, és villogtassa a lámpát.
Köszi, akkor mindenképp I2C-st választom. Az is lehet, hogy dobozba teszem, és felcsavarozom valahová az oszlopba a lámpa mellé, ahol le van osztva a pótféklámpa vezetéke. Így műszaki vizsgán nehezebben találják meg, mintha a pótféklámpa dobozába tenném. Fékpados vizsgálatnál úgy sem derül ki, mert ott ugye nincsenek nehézségi erők.
|
Bejelentkezés
Hirdetés |




. Nemtudom neki hogy tetszene ha én éjszaka fejmagasságra állított xenonnal mennék vele szembe...





