Fórum témák
» Több friss téma |
Fórum » Fényérzékelővel automatizált vezérlő ledekhez
Témaindító: hoditogame, idő: Jan 16, 2012
Témakörök:
Üdv Mindenkinek!
Egy olyan lámpáról lenne szó, mely önállóan változtatni tudja a fényerejét, annak függvényében, hogy milyen világos van éppen a szobában. Ez az elképzelés. Valamicskét foglalkoztam már elektronikával, alapvető áramkörök gyártásával, de koránt sem mondanám magam jártasnak a témában, ezért kérek szakértői véleményeket, ha lehet pontos információkkal. Eltökéltségből nincs hiány, valamint javarészt az építő jellegű kritikát kedvelem. ![]() Eddig nem találkoztam hasonlóval, vagyis talán új a találmány, ezért igen képlékeny a dolog, semmi sem lekötött. Röviden arra gondoltam, hogy egy 12 V-os ledsor fényerejét szabályozni egy egyszerű fényerőszabályzóval, melynek potméterét, valamilyen fényérzékelő ellenállásra kellene kötni/helyettesíteni. Ezek szobadíszek lennének, dekor céljára. A dolog összetett, és hogy mennyire lehet bonyolult, nem tudom. Igazából legjobban, egy gyorsan leskiccelt kapcsolási rajznak örülnék. ![]() Bővebben: Link
Helló
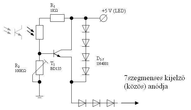
Szerintem ezzel a kapcsolással a problémád megoldható a BD135 helyett nagyobb is be tehető attól függően mekkora ledszallagot teszel rá.
És ezzel hogyan?
Hello
Ha jól értelmezem akkor neked egy olyan egység kell ami a környezeti megvilágítás tól függően változtatja a ledsorod fényerejét,amikor a szobában világos van akkor a díszeid sötétek és fordítva.
Igen, pontosan. Ezért gondolkozom azon, milyen fényellenállás kapcsolással lehetne helyettesíteni a fényerőszabályzó potméterét.
Sajna ezt szét kellene szedni ,legalább a poti áramkörét visszarajzolni.Ezután lehet kísérletezni.
Megvilágításra nyitnifogja a tarnzisztort, az meg söntöli a diókat emeledik a feszültség. A fotoelelnállást fel kell cserélni a lehúzó ellenállással akkor fényre csökkeni fog a feszültség.
Az poti helyére tegyél be egy fotoellenállás és egy sima ellenállásból álló osztót.
A poti tehát ellenállásként funkcionál?
A fény ellenállásnak akkor nagy az ellenállása, ha fény éri?
A foto ellenállásnak akkor nagy az ellenállása, ha nem éri fény. Nekem pont a fordítottja kellett volna. Pff
Ezért kell felcserélni azt,amit írtak.
Én is rontottam már el szürkületkapcsolót... Eredmény:fényre kapcsolt be ![]() Egyébként nekem szürkületkapcsolós ledes udvarvilágításom van,és az is szabályozva kapcsol be! Ha kézzel takarni kezdem a fotodiodát,fokozat mentesen emelkedik a fényerő! Nekem is BD a vég tranzisztor benne. összesen 5 alkatrész a kapcsolás
Milyen tipusú az az udvar világítás? Eddig egészben olyanokat találtam, hogy bizonyos fényerőre bekapcsol. Nekem az is jó, ha mondtok egy tipust amit lehet kapni.
Ez a téma engemet is érdekel, főleg LCD kijelzők fényerő szabályzása a környezeti világítás függvényében. Igazából ilyen kapcsolásokat nem találni.
Elkezdeném én felcserélgetni a potit, a fotoellenálással meg a többivel, csak nem tudom mit hova kössek. Vagy így értettétek a próbálgatást?
Az LCD sztem necces, mert ha jól hiszem ez elég nagy szerkezet lesz. Nameg az, hogy beleépíteni egy telefonba, vagy monitorba... elég nagy meló lehet.
Sziasztok.
Nekem egy elég spéci automatizált világításra lenne szükségem, amibe bele kavarodik rendesen az RF téma. A működés amit szeretnék: Van egy jeladó. Ennek a tápfeszültsége egy 2s 18650-es akkumulátorról lenne (hogy mennyi van Parralel-ben, nem igazán néztem és szerintem kevésbé érdekes adat). Az elképzelés, hogy ő csak szimplán egy rádiójelet sugároz. Ennek a teljesítménye és frekvenciája úgy lenne jó, hogy SRD1 kategóriába essen. Az erőssége kb annyi, hogy 5-10m-en belül lehessen csak fogni a jelét. Hogy miért van szükség az adóra? Ugyanis a vevő egy (azaz több) alkonykapcsolós LED világításból állna, de... Alap esetben világítana a lámpám 1 színnel, tegyük fel piros vagy kék, mikor sötét van. Ezt a részt elég könnyen megtudom oldani, viszont ha közeledik hozzá az adó, akkor pedig a jel erősség függvényében elkezdene más színnel világítani, pl zöld vagy fehér. A lámpák áramforrása 1db 18650-es akkumulátor lenne, vagy 2db ceruzaelem és itt fontos szempont lenne, hogy nagyon energiatakarékos legyen. A ledeket se szeretném teljesen meghajtani, inkább sokkal jobb fényhasznosítású ledeket vennék, valamint fontos, hogy kevés alkatrészből álljon. Egy kapcsolási rajz hatalmas segítség lenne mint az adóra, mint a vevőre. Egy kérdést csak EGY helyre teszünk fel. Ha nem oda való, majd mi, modik áttesszük a helyére. A hozzászólás módosítva: Márc 25, 2021
Moderátor által szerkesztve
Nagy fába vágtad a fejszédet! A fő probléma az, hogy a rádiós kapcsolatoknál a vételi helyen a térerősség számtalan paramétertől függően több nagyságrendben változhat és változik is. Ha átteszed az adót az egyik kezedből a másikba, simán lehet, hogy tizedére gyengül, vagy százszorosára erősödik a jel.
Ha a közeledés sebességét is elárulod, ill. még néhány szempontot, talán ki tudunk agyalni valamit. Ha az adó pl. stabil, egyenes pályán közelít, akkor (nem RF, hanem) IR fény megoldásra lenne ötletem... Idézet: „nem tudom eldönteni melyik a helyén valóbb topik.” A Rádióamatőrök topikjába biztos nem. A témádnak semmi köze a rádióamatőrséghez, talán csak a szaktudás miatt van kapcsolódás. A hozzászólásod alapján feltételezem, hogy nem sokra mennél adó, és vevő kapcsolási rajzával, mert egy ilyen áramkör építéséhez szaktudás, és viszonylag komoly műszerpark szükséges. Amit megtehetsz, veszel egy 433 MHz -es, vagy egy 2400 MHz -es RF modult, és kísérletezgetsz vele. 868 MHz -est nem javaslok, mert nemsokára gondok lesznek a használatával, az erősen megnövekedett "zavar környezet" miatt. A hozzászólás módosítva: Márc 25, 2021
Moderátor által szerkesztve
Nem egyenes vonalban közeledik hozzá. Akár 30-80km/h is lehet a közeledési sebesség, de akár csak 1-2km/h is lehet. Plusz akár melyik irányból érheti. Tehát nem egyszerű. Elárulni nem akarom a felhasználás pontos helyét, mert lemerném fogadni, hogy 1-2 gyártó egyből neki ugrana és jó drágán lopott ötlettel gyártaná a saját cuccát, (bár most a drón törvény miatt ugye kicsit szigorodtak a szabályok, de egyébként egy kis tovább gondolással rá lehet jönni mire lenne ez használatos)
Egyébként így belegondolva, régebben voltak ezek a kis kulcstartó K telefon mellé, amikor hívtak, akkor világítottak vagy villogtak. Gondolom azok működtek ilyen elven.
|
Bejelentkezés
Hirdetés |














