Fórum témák
» Több friss téma |
Sziasztok!
Adott egy Buderus Logamax U012-24 K gázkazán, amivel újabban meggyűlik a bajunk. Fűtés közben is de sokkal érezhetőbben meleg víz készítéskor érezhetőbb a probléma. Fűt fűt majd kialszik újragyújt alig fél percig fűt kialszik újragyújt fél percig fűt kialszik újragyújt... Semmi hibát nem jelez. Mára gyakorlatilag lehetetlen mellette a fürdés, mert a víz vagy hideg vagy épp langyos, mikor újra kialszik. Annyi megfigyelésem van, hogy ha letekerem minimumra a hőfokot, akkor gyakorlatilag éppen csak langyos vizet csinál, de nem alszik ki. Ugyan ez előjön a füstgáztesztnél is. Ha benyomom egyszer a gombot, akkor kis lángon ég folyamatosan, újbóli megnyomásra maximális teljesítményre vált és folyamatosan gyújtogatja újra magát. (nem ma kezdődött a probléma, csak most ált ilyen drasztikussá. Korábban azért lehetett mellette fürdeni mert perceket ment mielőtt kialudt. Most viszont szinte folyamatos a jelenség) Valaki találkozott már hasonló jelenséggel?
Szerintem nincs elég nagy hőelvonás, és az érzékelő lekapcsol. Tehát ha a hideg vizet melegítené a tűz, akkor az érzékelő se tudna ilyen gyorsan átmelegedni. Lehet, hogy el van vízkövesedve a hőcserélő, emiatt a víz lassabban (egy hőszigetelő vízkő/kosz rétegen keresztül) melegszik, ami miatt a hőcserélő külseje forró, de a víz benne "hidegebb"? De nem vagyok szakember, csak a logika ezt mutatja. Egyébként a kombikazánok teljesítménye sokkal nagyobb, mint ami tusoláshoz kell. Le kell magát szabályoznia, de néha még ez sem elég. Nálam, ha a melegvíz hőfokát közepesnél magasabbra állítom, tusolás közben egyszerűen letilt, csak reszettel lehet a tusolást folytatni. Gondolom túlmelegszik valami. Ha középállásban van a poti, akkor a melegvíz kb. 30 és 60fokC között ingadozik (hullámzik), de nem kapcsol le a kazán. Termosztátos csapfejjel lett megoldva a normális tusolás. Egyik szerelő szerint ez tilos, másik szerint a termofej hibás. Mondtam neki, hogy a karos csappal is ugyanez volt, de a konyhában is ki lehet próbálni... Szerinte mégis a termofej a hibás. Az én problémámra valószínűleg nincs megoldás. Ahány szerelő járt nálam, egyik sem találta meg a hibát. Ez van. 2-3 éves a kazán.
A hozzászólás módosítva: Dec 23, 2018
Ha a kazán melletti meleg víz csapot nyitom ki tökig akkor is ez a probléma. A melegvíz érzékelő a hőcserélőből kijövő csövön van, ha leveszem a csőről az érzékelőt, ugyan ez a probléma. Ha letekerem a meleg víz hőfokot a kazánon, minimumra akkor szinte nem is meleg a víz.
Sziasztok,
Van egy hőterm 29 esb kazanunk ami ma reggelre megallt. Feszutseget kap. A vezérlőt szétszedve odáig eljutottam hogy a mágnes kapcsoló, vagy kombinált szelep vagy miaz felé megy ki 230V, de még sem kapcsol be a kazán. Mi lehet itt még a bibi amit érdemes átnézni? Köszönöm elore is
Szia! Az őrláng ég? Fázishelyesen van csatlakoztatva? Ha van őrláng és nem indul a kazán akkor meg kell nézni, hogy nem e a füstgáz érzékelője oldott le vagy fűtővíz túlmelegedés lépett fel vagy a szobatermosztátban lemerült az elem (ha az elemmel működik). Ezek (a szobatermosztát kivételével) reteszelten állítják le a kazánt, visszaállítani az érzékelőkön lévő visszaállító gomb segítségével lehet, ha minden igaz.
Szia,
igen, az őrláng ég. Feszültség van, a termosztát működik, mert a szivattyú beindul. Nagyon visszaállító gombot sehol sem találtam, egy kivételével. Azt kiszedtem, és rövdzár van a 230-as pólusainál, így a feszültséget átengedi. illetve a kombinált szelep felé, én mértem 230V-ot, csak a gát nem jön. Mennyire jellemző ennek a szelepnek a megdöglése?
A szelep bemenetén mértél feszültséget? ( Nagyon óvatosan, mert minden földelve van! )Fedlap alatt két csatlakozó, az a tekercs kivezetése. Áramtalanítva, ellenállást mérve ezen a helyen 5-10 kiloohm kb.
Amúgy áramutasan egyszerű, be 230-> védő túlhő -> védő füstgáz -> kazántermo -> gázszelep.
Igen, mértem, ott meg van a 230V.
3 szondát látok összesen (1-es kép) Egy megy a vízhőfok termosztátba, egy a a vízhőfok jeladóba, és egy a valamilyen védő kapcsolóba (2-es kép) A védőkapcsolót is átkötöttem, biztos ami tuti. A tekercset kikötve az áramkörből teljes szakadás mérek. (3-as és 4-es kép) A 4-es képen látható vajszínű védő kupakot leszedtem, ahonnan kikötöttem a vezetéket, és ugyan úgy szakadás mérek. Így én úgy gondolom, hogy a mágnesszelep lesz a hibás. Az cserélhető vajon külön, vagy egybe a kombi szeleppel lehet csak? Illetve a típusát honnan lehetne kideríteni?
Akkó kuka. A másik ( kazán felöli oldalán ) van a típustábla. Manual szerint -> Kombinált szelep: HONEYWELL V 4600 C, HONEYWELL V 4400 C, vagy DUNGS 762001.
A tipuszám V4600 c után van még négy szám ami fontos ( bekötés, csatlakozó típus stb.), pl.: V4600C 1326. Bolt talán jó Azt viszont nem tudom, mikor kellene valami szakemberrel cseréltetni, vagy egy házi csere belefér.
Köszönöm szépen. A villannyal elvagyok, tanultam, igy hozza merek nyulni. A gázhoz nem értek és nem is akarok nyulni, igy az csak szaki lesz
![]() Vagy kazan csere. Lehet ideje lenne egy kombi cirkora lecserélni
Sziasztok! Unical iven btfs 24, zárt égésterű kombicirkó gázkazánom van. Az a problémám, hogy ha bekapcsolom, egyszer beindul, minden oké, de ha lekapcsolom a szobatermosztáttal, majd pár másodperc múlva vissza, csak megy a szivattyú, a ventillátor forog, hallani a presszosztat kattanását, de nem szikráztat... most eljátszottam ugyanezt a HMV körön, a ki-be kapcsolást a HMV hőmérséklet szabályzóval intéztem.. ugyanez történt, csak annyi, hogy egy idő kb. 1 perc után mégis adott szikrát és beindult újra. Ha egyszer beindult, már nincs gond, csak nem tudunk addig konzekvensen eljutni.. Tud valaki segíteni? Előre is köszi!
Sziasztok!
Tudnátok segíteni abban, hogy mi lehet az oka, hogy a C-24-es cirkó nem áll le, amikor a hőmérsékletszabályozó kikapcsolja a készüléket. A keringtetőszivattyú lekapcsol fél feszültségre (ami a normál működésnek megfelel), egy kicsit visszaesik a láng mérete, de nem alszik el. Ez tovább melegíti a vizet, ami végül felforr. Várom segítségeteket.
Üdv. Nekünk C24 van már 1996 óta lakunk itt, a kazán öregebb. A mi kazánunk elég régi, még nem volt benne utánkeringető elektronika. Az újabbakban van, amióta valaki hozott olyat hozzám, vizsgáljam meg jó-e, adott egyet, mert neki kettő volt. Beleszereltem a mi kazánunkba. Ez egy időzítő áramkör, ami olyan tíz másodpercre a kikapcsolás után még nagyon lassan tovább forgatja a szivattyút. A fél fordulat szerintem sok ahhoz, hogy a láng elaludjon. Annak idején le is rajzoltam a kapcsolását, ha nem találom meg, akkor Google keresővel próbálkozunk, azért most hadd ne szereljem szét a működő kazánomat. Azt kellene megnézni, mi van ott a tirisztorral sorba, mert egy nagy barna ellenállásra biztosan emlékszem. Meg egy 2-3 µF kondenzátor is, de mintha az az utókeringető nélküli panelen lett volna. Keresem neked a rajzot, majd később jelentkezem. Ha a fő megszakítóval kikapcsolod az áramot, akkor sem alszik el a láng? Mert ha álló szivattyúnál sem alszik ki, akkor ott eltört benne valami, az már nem elektronika.
A hozzászólás módosítva: Dec 28, 2018
Itt fent van ez a bonyolult elektronika.
Megvan benne a szükséges víz nyomás? Talán 1.5 bar..
A hozzászólás módosítva: Dec 28, 2018
Sajnos van ebben a fórumban ilyen téma. Azért sajnos, mert abban az utókeringetős topikban minden van, csak pont ez nem. De amit Zolika jelzett, abban ott az említett áramkör(ZC-18 kazán?). Én erre emlékszem. Ebben szerintem nem tud mi tönkremenni. Az a panel, amit hozzám hoztak, mind a kettő jó volt. Abból kaptam egyet. Az illetőnek termosztát baja volt, mert nem indult el nála a kazán. Nálad viszont nem akar leállni. Nincs a tirisztorral sorban semmi más, csak egy 820 ohmos elllenállás. A termosztát érintkezője ezt az egészet rövidre zárja, amikor a kazán elindul. Próbaképp a biztosítékot ki lehetne venni. Ha a kazán úgy se áll le, akkor valami szorulás, dugulás vagy törés van. Olyan lehetséges, hogy a graetz váltó áramú ágában az a 100 nF átvezet? Vagy maga a graetz zárlatos. Azért nézz bele a dobozba, hogy a tiedben ez az áramkör van-e?
A hozzászólás módosítva: Dec 28, 2018
Idézet: „egy kicsit visszaesik a láng mérete, de nem alszik el.” Hát ez nekem inkább armatúra/tömszelence problémának tűnik, mint elektromos hibának (különösen ha eddig jól működött)... A hozzászólás módosítva: Dec 28, 2018
Ez már szerintem nem vezérlés hiba lesz, hanem a gázszelep, vagy az áramlásérzékelő körül lesz valami bibi.
Ha az üvegbiztosítékot kiveszi, akkor már a szivattyúval sorban nem marad semmi. Akkor már tuti, dugulás, vagy szorulás stb, víz-gázszelep hiba lesz.
Egy kép jó lenne az elektronikáról, mert ahogyan írtad is, többféle kazán és után keringető elektronika van...
Nem én vagyok a kérdező, ő meg azóta sem jelentkezett. Én ezt a tirisztoros időzítőt tettem a mienkbe, amiben nem volt semmi, csak egy kondenzátor volt azelőtt a dobozban de pont akkora hely van, hogy befért. Isakér, ha olvassa, fényképezze le. Elnézést, a biztosítékos ötlet azt hiszem, nem jó, de már letelt az időm, nem engedte a fórum kitörölni. Mert ha az a termosztáttal is sorban van, akkor el sem indul a szivattyú.
A hozzászólás módosítva: Dec 28, 2018
Én lefényképeztem. 1. kép a panel, 2. A kismegszakító nálunk ott a kazán mellett. 3. A dobozfedél az eredeti áramkörrel vakuval, és anélkül, mert csillog, de azt hiszem, ez a rajz nem érdekes.Csak ez volt benne, mielőtt a panelt én beleraktam. De én most márlelépek, mert vacsorát kell csinálnom. Úgysem tudok többet segíteni.
Mivel valóban lelépett a kérdező, ezért értelmetlen tovább ragozni a dolgot.
Te képeden a korábban linkelt tirisztoros/ellenállásos elektronika van. Az meg olyat nem tud igazán csinálni, hogy "erősebben keringet".
Szia!
Amint azt Gafly is említette, ez inkább mechanikus hiba lesz. Ha a vízarmatúra tetején lévő tömszelence szivárog egy ideje, akkor az ott képződő vízkő (ami a gázarmatúra alsó részéhez is eljuthat) miatt a rudazat megszorulhat, és a gázmembrán nem tud visszatérni alaphelyzetbe. De mielőtt szétszeded, vagy szerelőt hívsz, próbaképpen az utókeringető panelen lévő trimmer potival vedd kisebbre a kimenő feszültséget. Feltéve, hogy nálad már az SZMV-2 valamelyik verziója van. A hozzászólás módosítva: Dec 28, 2018
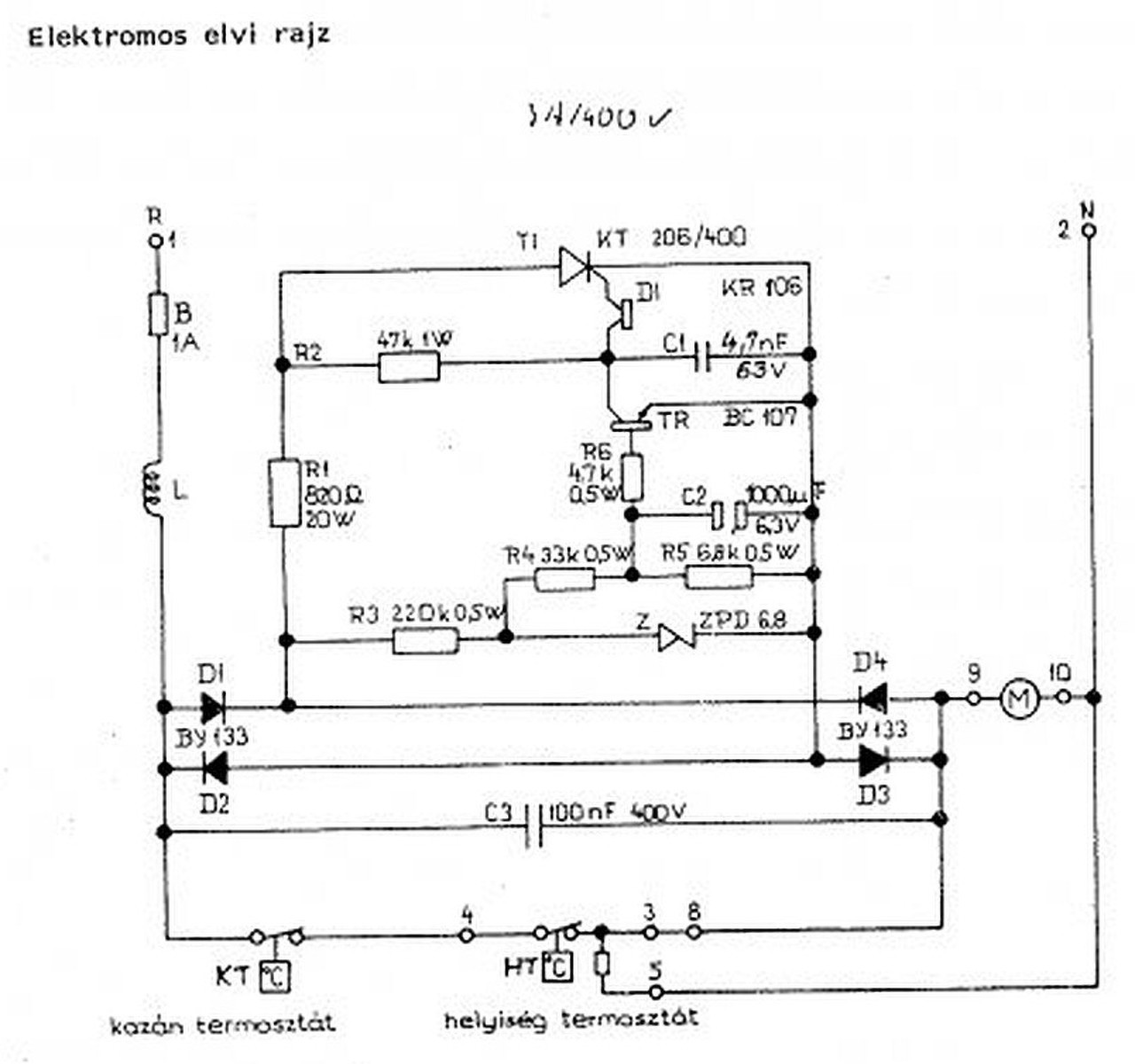
A rajzon fordítva van a zener. Az elkó pozitívot bölcsen nem jelölték, de azért hozzáértő számára nyilvánvaló.
Nekem még van ilyen UK1-es vezérlő, a gyári rajzon (31. oldal) is így szerepel, illetve a panelbe is így van beültetve a zener.
Hello! Ha úgy lenne beültetve a zéner, akkor az csak egy diódaként működne és a tranyó sosem nyitna ki..
A rajzot tegnap találtam itt Bővebben: Link zc 18 topikban. mindegy, a kérdező nem tért vissza, az enyém meg működik már 20 éve. Ezért nem kerestem benne a hibákat. Sajtóhiba mindig előfordul.
A hozzászólás módosítva: Dec 29, 2018
|
Bejelentkezés
Hirdetés |















