Fórum témák
» Több friss téma |
Igen én már csináltam. Nyáktervem is van hozzá, de abban kapcsoló üzemű táp csinálja a 300V-ot. Ha ez a tény nem riaszt el tőle, akkor előkeresem neked
![]() Korábban már raktam fel hangmintát is. Bővebben: Link
Szevasztok, azon gondolkoztam hogy lehetséges-e építeni olyan effektet zenéhez ami bakelit érzést adja? Gondolom sávkorlátozás amivel kezdenétek és utána? gondolok itt a véletlen számú sercegésre stb... Mikrokontrollerrel esetleg?
Manapság már elég egyszerü dolog az ilyesmi. Szerzel egy memoria egységet, amibe felveszel egy sercegö zajt (ilyen hangok tonnaszám vannak a zajokat árulo cégek listáin).
A fö hangot egy licsit megszüröd,a közepét megemeled majd hozzákevered a zajt.....
Ha "lejátszol" egy papírlapot valami ócska lemezjátszón, az szerintem frankón recsegni fog
Mondjuk van rossz lemezem arról felveszem a "zajt", de azt egy "szerkezetbe" hogyan rakom bele? Gondolok itt olyan funkciókra hogy dobot, rajta a csatlakozók, potméterrel állítom a keverési arányt, ja meg a ki-be kapcsoló gomb. Mellékesen halk részeknél lenne hangos és hangosnál meg semmi. Szerintetek?
Vannak stúdió programok is, amikhez van "add noise" plugin.
(Sonar, Ableton, Sound Forge, stb)
Hiresen ismerős dolgok, de ebben az esetben számítógép használata az bűn lenne.
Attol függ mit akarsz csinálni. van egy sereg hangszerkesztö program, ahol az emlietett dolgokat játszva meg lehet csinálni (némelyik ingyenes).
En a Samplitudet használom, nagyon jo ilyesmire. Annyi sávja van, amennyit akarsz, az egyikre felveszed a sercegést (ami állandó amplitudoju, azaz azt nem kell leszabályozni), a többire meg a zenét. Ha élöben akarod megcsinálni, akkor vannak mindenféle hang memoria egységek, amibe felveheted a sercegést (Sampling sequencer - de vannak megépthetö kitek is), és egy pedállal hozzá keverheted a zenéhez.
Akkor meg a meglevő zenét abletonban besercegesítem és kimentem. Bár amiket hallgatok zenéket bakelitről vannak felvéve, Csak nekem túl tiszták. Egyébként nekem nincsenek meg a lemezek sajnos.
Kaszkád kapcsolást méh tudok hozzá mellékelni.
Uhhhh, baromi jó
! Igen, elkérném a nyáktervet, kicsit átalakítom, én nyáktrafóval akarom hajtani
Nem lesz jó nyáktrafóval. A gond az hogy egy elvileg elegendő teljesítményű (pl.:3,5VA) primer 230V, szekunder 12V-os nyáktrafó szekunder tekercsét nem lehet primerként használni, csak nagy szórás és veszteségek (melegedés) árán. Ha rákapcsolsz 12V AC-t, akkor csak 160V AC körüli feszültség fog megjelenni a 230V-os tekercsen (próbáld ki) és nem is lesz megfelelően terhelhető, pl egy feszültségduplázóval sem fogod elérni a 10mA-rel terhelhető 300V DC anódfeszt. Módosításra nem ajánlom a nyáktervemet. Akkor inkább tervezz egy sajátot!
Közzéteszem a supercharger torzítóm nyákját, mert már többen kérték. A nyák ki van próbálva, jól működik, de aki megépíti az nagyon figyeljen oda a részletekre! Ha valami nem érthető rajta (mert biztosan lesz ilyen) akkor (privát helyett jelen topikban) kérdezni kötelező! A kis kapcsolótáp kimenete kb 300V DC-t ad és kellően terhelhető ahhoz hogy "padlóra tegyen", tehát ismételten ODAFIGYELNI !
Bizony, ezt nem lehet elégszer hangsúlyozni! Odafigyelni, érintésvédelmi szabályokat betartani! Itt egy kiterjedt fémfelületet markolászunk (húrok) ami esetenként galvanikus kapcsolatban van a készülékünkkel.
Az egyenáram élettani hatásáról csak annyit, hogy ionizálja a vért, mindenféle csúnyaságokat okoz, agyvérzéstől szívrohamon át minden előfordulhat egy komolyabb áramütés után. Ez nem váltóáram, tehát adott esetben elengedni sem olyan könnyű. Így ha valakit nagyfesz egyenáram csap meg, egy perc haladék nélkül irány a baleseti! Nem vicc! Nem kell félni tőle, nem akarok megrémíteni senkit, de ehhez azért tapasztalat kell, hogy egy biztonságos készüléket hozzon össze az ember, egy mentor sem árt személyesen, egy öreg szaki személyében pl...Nem lehet dolgokat megkerülni, először meg kell tanulni mászni, aztán járni! Elnézést srácok az offért és tényleg nem rémísztgetni akartam! Ha valakinek kérdése lenne itt tegye fel valóban, lehet a tapasztalt rókáktól pl.: Bassmestertől tanulni!!! Szép hétvégét! Zs.
Ez a kapcsolás megy 220V-tal is? Vagy ott már lényegesen más hangja van?
Igen megy, de közel sincs olyan harapós "hi gain" hangja mint 300V-ról. Ezért írtam hogy a nyáktrafó nem túl jó megoldás. Persze ettől még kipróbálhatod...
Helló mindenkinek. Lenne egy kérésem. Terveztem a JCM800-as előerősítőhöz egy nyákot és megkérnék valakit hogy ellenőrizze le, hogy nem szúrtam-e el valamit rajta. Csatoltam a képet ami alapján terveztem. Az eredetiben 12AX7 cső van, a saját változatomba 6N2P-t tervezek rakni. Ami még különbség, hogy a sajátomban lesz 300V-os táp úgyhogy nem kellett a táp része az eredetinek.
Előre is köszönöm a segítséget!
220V-ot egy Fullcsöves dologban kapna, arról menne a PCL86 is, ezért kérdeztem, ott rendes méretű trafót kapna. Egy régi rádió sasszijára épül majd, vissza a dobozába. Talán kap egy hangszórót is.
Mekkora trafó kell minimum ahhoz, hogy normálisan meglegyen a 300V ? Úgy értem, amikor 2db-t "szembe fordítok", a másodikat kérdezem.
Tökéletlen megoldás két egyforma trafót szembe fordítani.
Én pl pici 10VA-es trafót szedtem szét, letekertem a 12V-os szekundert (96 menet 0,55 Cuz), majd visszatekertem a 2×3,15V-nak megfelelő menetszámot középleággal. Ezután még rápörgettem 2000 menet 0,05-ös huzalt az anódnak és paraffinban vákuum-impregnáltam. Ez éppen elbír 10mA-t, ami elég lesz két csőnek. Még csak mértem a trafót (jó lett) élesben még nem próbáltam. Egy ilyen trafóval mindenképpen külső dobozos tápegységet kell tervezni, különben mindent megszór 50 Hz-cel.
Sziasztok, szeretnék véleményt kérni tőletek egy erősítőről. Hartke HA 2500 névre hallgat. Ismeri valaki, esetleg tud róla mondani pár szót ami az adatlapjából nem derül ki? Üdv
Szia!
Itt van két egyszerű kapcsolás, egyszerű alkatrészekkel, HEStrore-ból megveheted. Az igaz, hogy nem 300V, de előerősítőnek megteszi.
Szevasztok. Valaki tud-e maszterolásra csöves cuccokat?
Csak keresni kell...TESSÉK
3-4-5.000 dolcsi egy kompresszor, 3-4-5.000 dolcsi egy EQ és így tovább. Itt vannak az árak: egy bolt
Van itt Tube Tech is.
Természetesen építés örömét is szerettem volna meghagyni.
http://www.cgs.synth.net/modules/index.html#cgs26 Most ezeket kezdtem el építeni, akit érdekel az nézze meg.
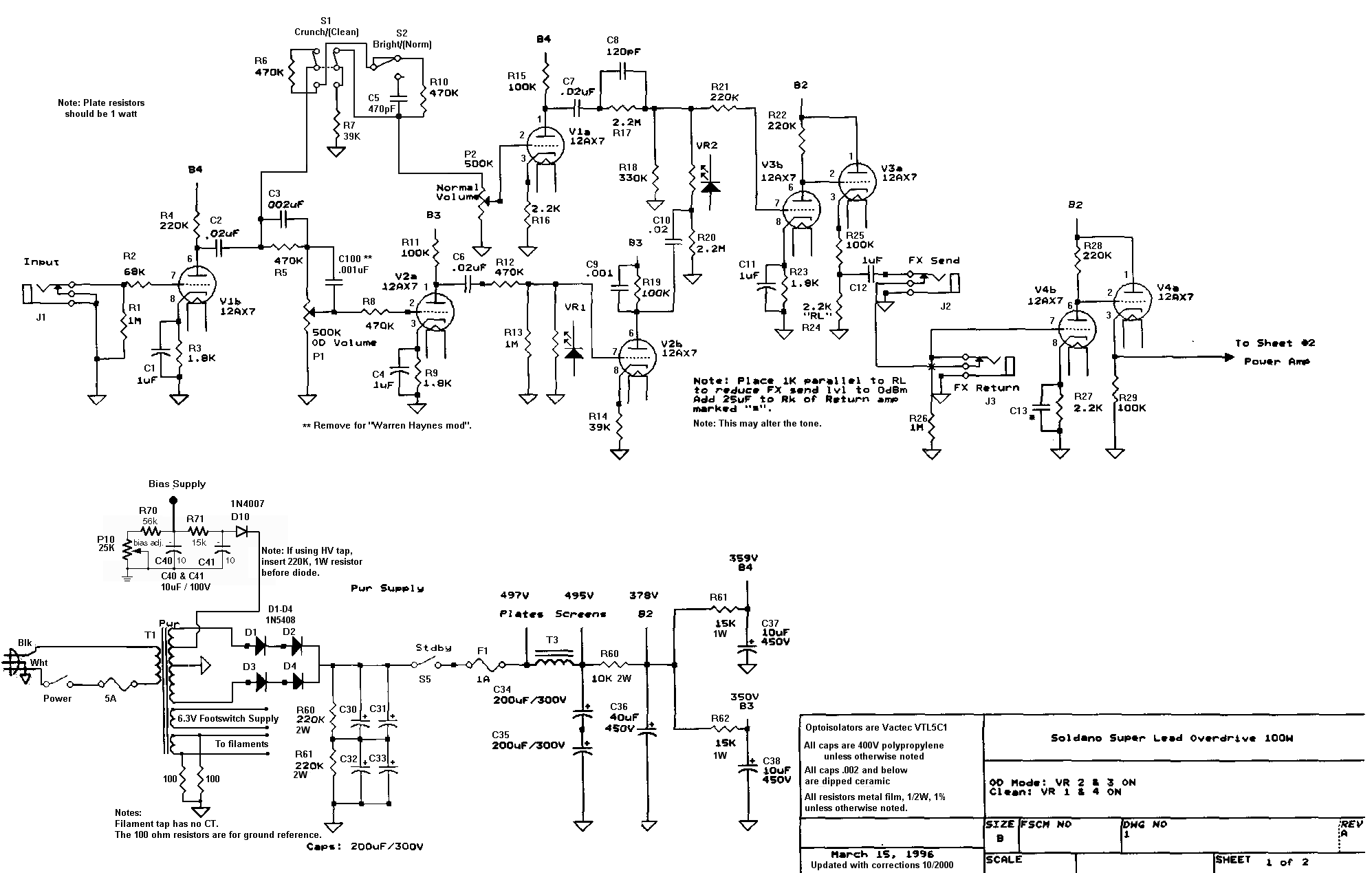
Sziasztok! Valaki legyen olyan kedves magyarázza el nekem, hogy soldano slo 100 előfokánál mit csinál s1 s1 vr1 vr2 ! itt a rajz: KÉP
Ez után teszek egy osztót, egy buffert és mehet a TDA-ra? Illetve az előfoknál az OD Volume és Normal Volume az nem a gain? :O Vagy teljesen el vagyok tájolva? Előre is köszi!
S1 - torzitott/clean
S2 - Bright/normal VR1 - Clean optikai kapcsolo VR2 - Overdrive optikai kapcsolo
Szerintetek egy JCM 800-as előfokból könnyen kihozható egy Bullet For My Valentine féle hangzás?
Sziasztok! Kéne egy kis segítség van egy régi orfeus gitárom /új szerzemény/ és egy kis "anomáliát" találtam az elektromos részben, az egész a koptatólapra van telepítve aminek a belső oldala réz és több olyan vezetéket találtam amik nincsenek bekötve, a tone poti mintha semmihez nem csatlakozna, ua. az egyik pickup sem. Kipróbálni nem tudtam mert DIN csatlakozós és azt még szereznem kell, de addig is megköszönném ha a mellékelt rajz és kép alapján meg tudnátok mondani, hogy melyik kábelt hova kössem be. Tudom hogy lúzer kérdés de ez van
|
Bejelentkezés
Hirdetés |












