Fórum témák
» Több friss téma |
Jaja, ez a PT2399 delay nagyon jó, nekem is van egy.
A doboz feliratozását meséld már el nekem légyszives! Én mindig itt akadok el.
Szia!
Nekem még régről maradt fekete, és fehér betűtranszfer fóliám (alfabet, DENTON) néhány ív, ilyen helyeken jó szolgálatot tesz! Sajna nem tudom, hogy lehetne után pótolni, vannak-e még manapság ilyenek, mert ez még középískolás koromban lett vásárolva, ami szerény 15 éve volt...
Vagy egy éve még kaptam papírboltban, de szerintem már lejárt szavatosságút, lejött. Most azon morfondírozok, hogy egy ismerősömnek van gravírozó technikája. Megrajzolom és belegravíroztatom...
Idézet: Amikor rásatíroztad a felületre az után lefújtad lakkal ? Mert ha nem akkor természetesen lejön a felületről rögtön ha fizikai behatás éri , ezért mindig szintelen lakkal leszoktam fujni aztán időt álló lessz ! „de szerintem már lejárt szavatosságút, lejött”
PT2399 delay icém 4 van ebböl 3 delay egy meg echo
és imádom, jó kis cucc!
Úgy értettem, hogy akárhogy satíroztam, nem ment át tökéletesen. Természetesen a felület előtte tisztítva, zsírtalanítva lett.
"Ha zajt hallasz, akkor szerintem másban kellene keresni a forrását. Pl kábel, keverőpult, hangkártya stb."
Sajnos nem, mert más mikikkel AT4040, Neumann U89 (főleg a régi kis csövesemmel) nincs ez a zaj. Egyértelmüen a mikiből jön. Ne gondolj olyan óriási különbségre, de van.És ha halk jelenetet veszek fel, akkor már jól hallható. A 2n5457 fogadja a miki jelét. Ha kicserélném az ellenállásokat jó minőségü fémrétegekre nem javulna a helyzet? Köszönöm, hogy írtál! Péter
Ezeket fel kell melegiteni ( raegetni )aztan nagyon sokat tart .Igy csinaltam egy mixeremnel aztan vagy 15 evet hurboltam lagzikra ,jo nagy porba es alig kopott a "Volume-general"-nal .
Alulemez ( fenyes) le volt fujva autiofestekkel ( spray) ezt raegettem a konyhai sutoben ( jo budos let) aztan mikor kihult rasatiroztam a betuket ,szamokat , csikokat es megent felhevitettem a sutobe .Aztan mikor kiho; nagyon ellenalo. A felulet sima kene legyen ha nem sima akkor is felszakadozik a "betu" , i;lyrnkor meg eggyet rasatiroztam ami letekerja a repedeseket..Regi szarazabb lapoknal ment ha finoman "megnedvesitettuk" nitrohigitoval.
Hát ja, igy már értem, hogy kb milyen különbséget hallasz a Beri és a Neumann között. Én meg azt hittem, hogy valami otthoni tákolmánnyal kínlódsz
Az ötleted hozhat jó eredményt, ha valóban szénellenállások vannak benne, akkor azokat precíziós tiposokra cserélve csökkenhet a zaj. A másik tuninglehetőség az átvezetékelés, valamilyen jóféle UTP kábelből bontott vezetékkel, pl CAT7, CAT5. A 2N 5457 az nem egy rossz FET, de ha őrá is gyanakszol, akkor próbáld ki a J202-t, vagy tegyél bele egy másik ugyanolyan tipust, mert lehet hogy ami benne van az "selejtes" egy kicsit. A zaj elvileg csökkenthető, de bármit is csinálsz vele, az meg fog hallatszani a hangján, tehát lehet hogy megszünik a zaj, de a hangja is más lesz egy kicsit.
Köszi!
Elsö lépésnek felveszem a mostani zaját, megpróbálok freki menetet is rögzíteni. Kicserélem az ellenállásokat, majd megint meghallgatom. Végül kipróbálom a fet-et, amit ajánlottál. Nem igérem, hogy mostanában megcsinálom, de mindenképpen megírom mi lett a dologból! Péter
Nekem azért kellenének az effectek, mert zenekarban játszom. De othon tanulgatni és felvételeket készíteni is jóvolna. A software-es megoldást már próbáltam, azaz A gitar fx box2.7-et próbáltam volna, de a gépemnek nemtetszet és nemakart semijen hangot kiadni. Átolvastam a fórum "gitár összekötése számítógéppel" és már sokmindent kipróbáltam: line bemenet, mikrofon bemenet, ASIO program, stb... de nem jött össze a dolog(lehet azért mert integrált hangkártyám van?).
Azthiszem még kipróbálok egy pár programot hátha valami lesz. Megmég kipróbálom erősítővel(Behringer gm108-as) csak mégegy kábelt kerítek. Köszönöm az infókat! A pedálok saját gyártmányok?
Sok sajat gyartmanyu pedalom van es volt mig nem valtozott a politikai rendszer , nem volt mas kiut met mindent ugy kellett behozni nemetorszagbol ha volt ki kuldje/hozza.A feketepiacon meg nagy aral voltak.Minden draga volt es nem minden volt megfelelo igy nem lehetett probalgatni /valogatni.
Jominosegu eloerositok es torzitokA fenti link-ben nincs benne a Doctor Boogey.Nagyon jo kapcsolasok ez egyik kapcsolast megvette a VOX ceg es Amplug neven arustijak ,Az illeto kapcsolast levettek a weboldalrol. Most van egy par gyari torzitom egyes dolgokra jok de eggyik se kielegito ha szolozni kell .Aztan tavaj megepitettem a Doktor Boogey JFET-es Messa Boogie klonjat miutan ossze vissza vasaroltam es probaltam mindenfele pedalt .Ez mar sokmindent megold ,IMD torzitasa kicsi , jelforma az elektroncsojehez hasonlit 90%-ba ,feltettem ide vagy a FuzzFace topicba a link-et a kapcsolasi rajzhoz.Tudtommmal a Doctor Boogey is mar mag van veve hamarossan lekerul ( talan) a DIY -oldalrol . Youtube-on halhato . A viszhang most mar konyeben megepitheto mert lehet kapni cel IC-t , ha modulalhato a kesleletesi ido akko Flangert es Chorust is lehet kihozni az IC-bol egy par alkatresszel .Amit en epitetettem , digitalis echo-t most ugy 20 eve, az rengeteg alkatreszbol volt es persze kapcsolas /nyak tervezesi problemak ( zaj stb.) Az elott magnoszallag/felvetel -lejatszassal epitettem viszhangot , chorus/flanger-hez nem volt alkatreszem igy csakl phase-t epitettem '90-ig meg wah -pedalt.Na meg rengeteg torzitot mindenfele kapcsolast. Egyzsoval az a Doctor Boogey mindent meger erdemes megepiteni. Direkt a Line-in bemenetre kotve PC -n jol szol , erositovel is jol szol .Tranzisztoros eroositommel ugy szol mint egy csoves erosito. Es ami a legfontosabb ugy is biselkedik dinamikailag!.
Hali!
Ez a Dr.Boogey milyen lehet herflihez? Van ilyen tapasztalatod? Belinkelnéd a kapcsolási rajzát?
Mi az a "herfli' ?( hehe) .Tudtommal basszus-t jatszol, a Dr Boogey nem Ok basszusnak mert a savszures gitarnak van kialakitva, azt hiszem irtam hogy gitarnak is egy kicsit lejebb akarom vinni a melyeket ( nem sikerult meg , egyszerunek gondoltam aztan kiderult hogy nem eleg ket kondit kicserelni)
Ez pld. egy valtozat itt latszik a savszures/hatarolas gitarhoz basszus gitarhoz mas erteku alkatreszek kellenenek . En probaltam es epitettem basszusgitarnak nem az amit akarok mert nincs tapasztalatom hogy mi is kene a hangsavot illetoen.Mint latszik a szures minden FET elott es utan lepcsozetessen tortenik igy beleszol a mindenfele impedancia . Mindenesetre anyit elertem hogy megvan az a csoves erosito jellegu "hosszu bugo baszus alig erezheto torzitassal " ugy mint amikor eloben hangszoroval bugatod a kitartott lagy baszus hangokat.Es mindez PC Line-In bemeneten is mukodik. Amin meg dolgozok az a savszures /kiemeles"helye" .Azt gondoltam konnyu lessz de komplikaltabb. it az oldal a kapcsolasokkal Ez a cikk az elektroncso FET-el valo hellyettesitesroll Fetzer Valve Ezt muszaly megepitemnem mind halogatom de gondolom ez kell Condor Cabsim Probaltam 5,7,vagy 10 savos grafikus EQ-vel de nem OK valami csunya fazistolasok keletkeznek az EQ-nel .Magvan a hangszin de a dinamikaja semilyen majdnem minden hang "halott" semmi elet nincs benne
Idézet: „Vagy egy éve még kaptam papírboltban” Mifelénk a papírboltokban még nem is láttak ilyet... Nem tudjátok, esetleg a net-en valahol lehet-e ilyeneket rendelni, mert a betűtranszfer-fólia a gugliban semmi jót nem hoz elém... Addigis egy kis ízelítő, mire jó 2db 30cm-es Vidi hangszóró:
Basszusgitar eloerosito JFET-el .
Bővebben: Link Az az IC-s 3 savoz EQ az nem OK , el lehet hagyni , csak kene helyette egy pasziv 3 savos szuro es a hozza valo kimeneti "cabsim" baszushoz.
LETRASETBővebben: Link
Nem bassgitárhoz kéne, hanem szájharmónikához, ami "herfli" gúnynéven is ismert
A keverőn lévő egyik efekthurokba lenne bekötve. Egy enyhén torzító de dinamikus, dögös, fröcsögős, torkos hangú torzító kellene hozzá. Még nem találtam megfelelőt, de nem adof fel. Csövest csak akkor építenék, ha az lenne az egyedüli megoldás.Köszi a rajzot, ezt mindenképpen kipróbálom. Nekem csak J202 fetek vannak itthon, de gondolom ez is jó lesz hozzá. Ez az egyik legzajszegényebb tipus, de csak fele annyiba kerül mint a majdnem ugyanilyen J201. A Kreuzer féle cuccot megépítettem. Nem rossz. Az onboard-ját is megcsináltam, jelenleg is benne van a hangszeremben és nagyon jó. Szépen kiegyengeti a hangot, a dinamikát is normalizálja valamelyest, egyszóval jól szól. Az jó ha van bőven amit taposni lehet gitározás közben
Tavalyelőtt vettem Hekaset néven ilyen betűkészletet. / 125.- / Valami győri papírbolt nagykerből hozatott egy boltos. A régi Alfaset és Letraset utódja.
Az a big daddy, aminek LM386 a vége ?
Nálam ölég zajos és nem öléggé torz.
Az csak olyan gyakorlo erosito .Ahogy irtam en BF245A -val epitettem , van egy "suhogas" de nem lehet hallani csak szunetbe .A,ugy a gyari pedalokban is van suhogas a DSP-kben a beepitett "noisegate" miatt nem halhato .Vn DSP=m melybe nem is lehet kiiktatni teljessen a noisegate-t csak minimumra huzni .A Boss ME -30 - DSP-mbe ki lehet kapcsolni a noisegate-t igy aztan jaljato a suhogas/sisterges .Pedig jo analog torzito van benne ,masik Korh-ba is van zaj a noisegate nelkul .A Zoom 0ba is van zaj , ugyhogy amit en epitettem kisebb zajuak valogattatlan alkatreszekkel.
A kivanr hangzastol fuggoen lehet Kompreszort->torzito-noise gate ->torzito-compreszor/expander .Persze elotte /kpozbe/.utanna EQ es minden hangzast ki lehet szedni ebbol , meg egy reverb vagy es echo es minden megvan. En igy osszekototem es nincs zajom csak vigyazni kell a jelknivokra .Az elso ket cucc ne erositsen csak "szinezzen" a dogosebb torzitast a masodik torzito vegezze .A noisegate hatasat kihavitjuk a kompresszor/expanderrel a kimeneten , evvel is vigyazni mivel jel nelkul kinyit a "gain" es oriasi erosites miatt behozza a sistergest. Volt koncert hol a rossz beallitas miatt szunetekbe allandoan kelett egy kiz jelet adjak a cuccnak hogy a komprezssor mcsukjon, mert ijeeszton nott a zaj a szunetekbe,Ez a rossz nivo /erosites beallitas miatt volt.Az ember mindeg a vegsokig ki tekeri a potmetereket igy minden fortyog,a gyari cuccokban le van hatarolva a "biztonsagos" erositesi nivo mi amatorok meg mindent ratekerunk othon innen van sokszor a zaj.
Biztos jo lessz , es a savot egy melykozepre allitani jo oblos blues harmonika hangja lessz.Lattad a videokat az oldalamon a youtube-n .En filmeztem egy fenykepezogeppel a hangot meg kulon Zoom-H4 -el ,Sugar Blue a "The Note" clubban Temesvaron, fantasztikus volt,tombolt a kozonseg mint a rockoncerteken pedig mind kkoros idos komoly emberek voltak tobsegben.Ez a masodik resze a szamnak mert nem fert fel egy darabba a "time limit" miatt, a vegen van egy jo harmonika szolo.Az elso resze is ott van de az nem olyan erdekes.Sugar Blue "The Note". Temesvar 2007
Idézet: „PT2399 delay icém 4 van ebböl 3 delay egy meg echo és imádom, jó kis cucc!” Mit ne mondjak, egy kapcsolóval Delay/Echo váltást lehet csinálni(eszközölni) rajta, és egy színuszos hanggenerátorral, és egy optocsatival, avagy jfet-el egyből chorus-sá alakítható. Ezeket mindet bele egy pedálba, az egyik köv. project. Csak kéne valami néhány alkatrészes színuszgenerátor../mert bár ott van az 555, és mögé 2db jfet-el színuszosítva sem ördöngősség, de az nem annyira minőség.../
A modulalo jel nem muszaj szinuszos legyen , valami lekerekitett haromszogjel boven megteszi, a fureszfog az erdekesebb ,A negyszogje/impulzusbol egy integratorral kulombozo modulalo jelformakat lehet beallitani ,sot ket modulatorral ami "osszevissza" kever egy konplexebb jelet lehet kapni ami meg jobb.
Pld vegyuk a Hammond orgona Leslie es a belso elektronikus "tremolo" osszemixelesenek hatasat. Van a felso "magas" rotor az also "mely" rortor , es mind ez osszevissza keveredve a tremolo hatasaval. Azonkivul a rotor gyorsulasa es lassulasa a motor ki es bekapcsolasaval ,ami a fureszfog -jellel lehet lekepezni , a szinusz jel az tul kiszamithato es tul beleszol a zenei "ritmusikepletbe " igy nem lehet hasznalni tobb szamnal mert onismetles hatasat kelti a halgatoba. Az "igazi" chorus hatasnal zajgeneratorral modulalnak , a "brown noise" -t meg jobban megszurik igy veletlenszeru jeleket kapunk 1-5Hz kozott (kb) ezek nem periodikus jelek igy nem veszi eszre a halgato mint a szinuszos/haromszog "lebeges/pulzalast ami felismerheto es par szam utan idegesitoen ugyanaz . Igy ,veletlenszeruen , mar nem felismerheto a hangszin valtozas ellenben megmerad a "dupla hangzas ami szinesebben / tomorebben szol .Persze mindenfele beallitas szerint tobfele hatasu.
Üdv
Megépítettem ezt a torzítót. Kipróbáltam, bekötöttem a gép és az erősítőm közé működött. Odaadtam a haveromnak hogy próbálja ki, mert neki van elektromos gitárja, bekötötte a gitár után és nem szólt. Dobozban adtam oda neki kibélelve biztos hogy nem sérült. Miért nem szólhat? Talán kicsi a gitárból kijövő jel, de akkor is kellene valamilyen hangot kiadnia.
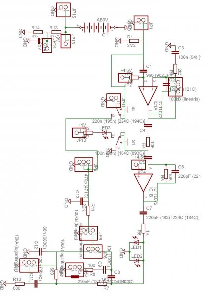
Valaki átnézné nekem ezt a kapcsolási rajzot, hogy rendben van-e addig nem akarok hozzá fogni
Előre is köszönöm!
Én ezt építettem meg
Sokat variáltam (led+led, 4148+led, ...), de végén maradt a kapcsolásban lévő dióda vágás kiegészítve a kimeneten is 2 szembe forgatott 4148 al, + 10K ellenállattal az "intenzítás" szabályzó poti előtt, így koppanásig minimumra tekert állásnál is van hangja ![]() Kellemes cucc ![]()
ez itt mind rendben van de amit ön küldött az fuzz kapcsolásról van, de nekem overdrive kapcsolásom van de jól nézz ki a tokozása
|
Bejelentkezés
Hirdetés |









Sokat variáltam (led+led, 4148+led, ...), de végén maradt a kapcsolásban lévő dióda vágás kiegészítve a kimeneten is 2 szembe forgatott 4148 al, + 10K ellenállattal az "intenzítás" szabályzó poti előtt, így koppanásig minimumra tekert állásnál is van hangja 







