Fórum témák
» Több friss téma |
Üdv! Mindenképpen olyan hangszínszabályzót szeretnék amelyiknek lineáris a hangerőszabályzója. Találtam egy tranzisztoros változatot is de, nincs rajta hangerőszabályzó. Nem tudom, hogy lehetséges e átalakítani +--os táplálásúvá, hogy sztereó legyen, vagy kettőt kell építeni belőle. A végfokom rajzát mellékeltem. Köszi!!!
Lineáris potméterrel nem tudsz lineáris hangerőszabályzást elérni ilyen kapcsolás technikával, ahhoz cél IC kell ami feszültség vezérelt.
A tranzisztoros hangszín szabályozóhoz (amit linkeltél) 10...47K-s B karakterisztikájú (azaz logaritmus) potméterrel könnyen megvalósítható végfok bemeneten egy hangerőszabályzás. Nem kell +/- táplálás ahhoz, hogy sztereó legyen, kettőt kell belőle építeni, és sztereó (azaz kettős) potmétert használj. Ha "házasságban" lesznek azok az áramkörök (hangszín-végfok) akkor érdemes külön-külön stabilizált tápegységről járatni őket. Egyrészt megoldott az egytelepes tápellátása a hangszínnek, másrészt a végfok is jobban érzi majd magát. Sajnos ez a megoldású végfok elég sokat torzít ( a 2R2 ellenállásokat szigorúan válogatni kell egyformára), és kissé (vagy talán nagyon...) gerjedékeny, mivel nagy áramok folynak (kis feszültség-nagy áram), ezért is kell egy nagyon jól szűrt, nagy áramú, stabil +/-18V. Ez egyfajta "farka rángatja a kutyát" erősítő. Javaslom, ha nem kell ekkora teljesítmény, akkor csak a felét építsd meg (1db TDA2030 megfejelve a 2db BD tranzisztorral...pontos kapcsolást találsz bőven), így kb. 40W-od lesz 4ohm-on, és jóval kevésbé lesz gerjedékeny, és a torzítása is elfogadható lesz (több autós végfokban használtam így). Nagy előnye, hogy gyakorlatilag a teljes tápfeszültség tartományig ki lehet vezérelni (nincs emitter ellenállás), tehát igen jó hatásfokkal üzemel.
Üdv! Ezt a kapcsolást már megépítettem, de idáig nem vettem észre semmi torzítást és gerjedést. A nyugalmi áramfelvétele is jó 80-90mA. Még meggondolom, hogy melyik hangszínszabályzót építsem meg, még nem tudom. Lehet, hogy alszok rá még egyet.
Köszönöm a segítséget!!!
Üdv! Már megvan melyiket választom. Vetnétek rá egy pillantást, azért még is több szem többet lát. A kapcsolást és a nyákrajzot mellékeltem. Elvileg akkor ebbe is jó 100K-os poti, de ide már lineáris kell.
Köszi!!!
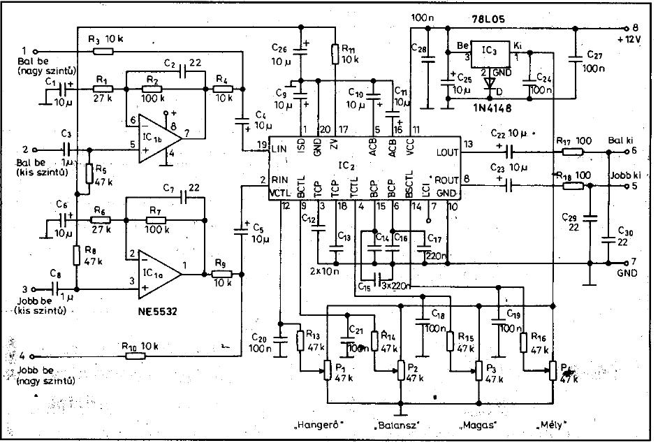
Szia! Én az alábbit építettem meg némi átalakítással. Én ne5532 -t használtam de kipróbáltam más opamp -okkal is jó kis kapcsolás csak ajánlani tudom. A 1036 -ost nem próbáltam de vab aki szidja van aki dícséri. Viszont a fesz vezérlés annyiból jó ,hogy ha "hosszabb" vezetékkel tudod csak a potikat csatlakoztatni akkor sem visz zavart bele a kábel.
Szia! Mivel hajtod meg ezt a hangszínszabályzót? Nekem hiányzik egy IC az elejéről
Miféle ic
? Sima dvd játszó van műhelyben annak a vonalkimenetét kötöttem rá, hidalt 7294 -hez használom.
Üdv! Ezt az IC-t nem lehet helyettesíteni TL072-vel. A potmétereken nagyon nem igazodok ki, hogy melyik melyik.
Köszi!!
Ok. A lejátszó biztos elviszi. Egy buffer szokott előtte lenni.
Hangeeő ,balance , mély ,magas. Lehet helyettesíteni tl 072 -vel ,biztos ,hogy azzal is jó hangja van. Próbáltam bele 1458 -ast ,meg 4558 -ast ,hát azok nem nagyon tetszettek ,de ezen nem is csodálkoztam
. Viszont a tl072 az sokkal jobb az említett kettőnél.
Csak azért kérdeztem, mert nem biztos, hogy kapok ne5532-es IC-t. Akkor a 100K a hangerőszabályzó, és a 10K a balance?
Idézet: Igen! „Akkor a 100K a hangerőszabályzó, és a 10K a balance?”
Oké! Bocs, hogy ilyen értetlen vagyok csak idáig még nem foglalkoztam a potméterekkel.
Akkor úgy látszik, hogy le kell mondanom a lineáris potméteremről, hangerőszabályzó gyanánt. Idézet: [/OFF] Nem vagy értetlen „Oké! Bocs, hogy ilyen értetlen vagyok” . Azért voltam olyan szűkszavú mert sietnem kellett. Az a biztos ha az ember kérdez ,még akkor is ha tudja.
Amit küldtem nemrég azt megnézted, csak azért kérdezem mert azon lineáris potik vannak. Ne hogy félre értsd, a tiéd is nagyon tetszik csak már amúgy is kezd már sokba lenni nekem ez az erősítő, és potmétereim viszont vannak itthon, csak az a baj mind lineáris. Hátha ezzel is tudok egy kicsit spórolni.
Persze! Reagáltam is rá! A linken olvashatsz mások véleményéről az általad említett 1036 -al kapcsolatban.Bővebben: Link
Ja, bocsi azt észre sem vettem!! Most vettem észre, és az az igazság hogy néhány helyen lesznek hosszabb vezetékek is, mivel be is szeretném majd dobozolni.
Egy nyákrajzot keresek az általad linkelt oldalon az LM1036N-es kapcsoláshoz de idáig még nem találtam. Most egy másikra gondolok aminek mellékeltem a rajzát.
Idézet: De a 1036 -nál is csak a poti vezetékekelésnél lehet némi előny. Ha nem kell a potikat "hosszú" vezetékekkel csatlakoztatni a panelhoz akkor semmi előnye nincs. „igazság hogy néhány helyen lesznek hosszabb vezetékek is”
Üdv! Megtaláltam az LM1036N nyákrajzát, amit mellékeltem. Azért választottam ezt, mivel a potik költsége így kisebb lesz és ezek, amúgy is megvannak itthon, és köszönöm szépen a segítségedet!!
A képeket mellékeltem.
Sok sikert! Aztán várjuk a beszámolót ha elkészült.
Egy igazán figyelemre méltó műszaki paraméterekkel (is) rendelkező hangszínszabályzó.
A már említett Elektoros Belcanto. Választható magas, mély törésponti frekvencia, mono-sztereo kapcsoló, hangszín on/off kapcsoló, hangerő és balansz. Kis méretben alul, nagy méretben ITT
Ha mégis ez mellett a kapcsolás mellett döntesz adok neked hozzá potmétereket.
Kedves szomszéd!
Szia!
Megépíteném én is ezt a hangszínszabályzót. El tudnád küldeni a nyáktervet? Jó eagle formátum is vagy pdf. Köszi előre is.
Üdv! Potmétereim vannak, azért köszönöm szépen!!!!
Üdv! Amit az előző oldalon mellékeltem beültetési rajzot az nem jó mert a TL072-es IC lába nem jól van bekötve, szerintem. A kapcsi rajz az oké, és mellékeltem a nyákrajzát is. Még nem építettem meg, de ma martam ki a nyákot és ha minden igaz holnap össze is rakom.
Sok sikert kívánok az építéshez!!! Ha másik formátumban kell csak szólj!
Ezen a nyákon három hiba van . Az alacsony szintű bemeneteknél mindkettőnél a magas szintű bemeneteknél a jobb oldalon elfelejtetem a GND beállítást ezért ott most zárlat van. A GND vezetősáv kikaparásával a zárlat megszüntethető az esetlegesen kimaratott panelon. Lay ban megnyitva korrigálható. Elnézést kérek a hibáért!
Egyébként ennek a hangszín szabályzónak van külön topicja.
Oké köszi szépen akkor megvárom hogy megépítsd. Ha kész van majd szólj
Sziasztok!
Tudna valaki segíteni abban, hogy miként lehetne egy 3 sávos hangszín keresztezési frekvenciáit kiszámítani? Már mint milyen alkatrész értékek mellett milyen frekvenciát kapunk. Maga a képlet érdekelne. Üdv.: Ádám |
Bejelentkezés
Hirdetés |









? Sima dvd játszó van műhelyben annak a vonalkimenetét kötöttem rá, hidalt 7294 -hez használom.











