Fórum témák
» Több friss téma |
Fórum » Hangváltók (készítése)
A mértékegységeket a mérőszámtól szóköz választja el. A személynevekből képzett mértékegységek (Volt, Ohm, Amper, stb.) nagybetűvel írandók!
Minden attól függ, hogy honnan akarod elkezdeni a frekvencia levágást!? Akkor 4 Ohm-ról van szó?
Igen 4 Ohm 80 w autós szubcső
Ha mondjuk 250Hz-től vágnánk 12dB/Oktáv meredekséggel, akkor először is kell egy tekercs a pozitív ágba 3,6mH értékkel, majd ezután párhuzamosan (a pozitív és a negatív ág közé) egy kondenzátor 113µF körüli értékkel. A tekercs lehet vasmagos is, mivel a légmagos kivitel sok rézanyagot emészt fel. A tekercselőhuzal minimum 1mm legyen. A kondenzátor 160V és ha szebb hangot szeretnél akkor fóliakondi legyen (Sok helyen használnak bipoláris elko-t is. Van ahol jó az is...).
Köszönöm a választ de lenne még egy kérdésem hogy hogyan tudnám kiszámolni a menetszámot és az átmérőjét a magnak?
Szia! Itt van pársorral ezelőtt. http://www.hobbielektronika.hu/forum/topic_post_1289181.html#1289181
Tökéletes progi! Köszönet reloopnak!
Üdv mindenkinek! Egy mély hang vágó, hangváltóban kérném a segítségeteket, amely 15-150Hz-ig engedi át a hangokat. Azt már tudom, hogy tekercsel meg kondival kell ezt megoldani, de azt már nem hogy hogyan és milyen értékekkel. Ebben szeretném ha segítséget tudnátok nyújtani. 4 és 8ohm-ra kellenének ezek az alkatrészek.
Köszi előre is!! A hozzászólás módosítva: Szept 7, 2012
Az jó! Egyszerre van 4 és 8Ohmos hangfalad? Mert vagy egyik vagy másik, hisz más-más értékkel kell számolni! Tudni kellene a hangszóróid típusát, terhelhetőségét....stb.
Üdv! Igen mivel két erősítőm is van, de nem csak emiatt, hanem meg is szeretném majd tanulni a hangváltók építését. A minap még utánanéztem és láttam, hogy nem egy egyszerű dolog, több kritériumtúl is függ. Igyekszek majd utánanézni minden lehetséges értékeknek. Valami példát tudnál esetleg mondani, hogy ha megvan minden adat, majd én is megpróbálkozzak számolgatni, és tervezgetni? Azt igen megköszönném! Az egyik erősítő az 2X100W 4ohm-on. Erre tudnál mondani valami teljesítmény értékeket, mivel majd részben házilag szeretném kivitelezni a hangfal építését.
Élőre is köszi!!
Üdv! Ehhez a két hangszóróhoz milyen hangváltó kell? Az adataikat mellékeltem. Találtam egy hangváltó számoló kalkulátort, szerintetek ez jó ezekhez itt? Egy 200W-os hangfalat szeretnék majd ebből kihozni.
Köszi!! A hozzászólás módosítva: Szept 11, 2012
Ezt érdemes elolvasni, talán nem is olyan nehéz: http://www.trueaudio.com/st_xov_1.htm
Szia!
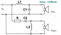
Egy 70W névleges terhelhetőségű mélyhangszóróval, hogy akarsz kihozni 200W-os hangfalat? Azok a fránya wattok.... , szobában bőven elég ennek a fele is...Miért mondom (írom) ezt? Olvasni való: http://www.hobbielektronika.hu/cikkek/watt_vagy_decibel.html Elvi felépítése így nézne ki: (kép) A hozzászólás módosítva: Szept 11, 2012
Nehogy félreértsed nem kötekedésből. De az ellenállás miért a szűrő előtt van , és miért nem utána.
Üdv! Nem a zenei teljesítmény számít, mert arra mind a kettő meg van 100watt?. Az erősítő teljesítménye miatt kell ekkora, a szobán kívül néha a szabadba is szeretném majd használni.
Közben még olvasgattam, és azt írták, hogy a hangszóró párosításnál ügyelni kell a váltási frekvenciára. A mélynek a max váltási frekvenciája 1000Hz, és a magas minimum váltási frekvenciája 1612,8Hz. Két hangszórót akkor lehet összepárosítani, ha a max váltási frekvencia nagyobb mint a minimum váltási frekvencia, és ez jelen esetben nem áll fenn.
Találtam jobbakat. Elolvastam a mellékleteket. Jogos igazad van. A mostani hangszórókat próbáltam jól megválasztani, de azért a teljesítményeket meghagytam.
Mert így a hangképbe a sima soros ágon lévő ellenállás nem szól bele olyan nagyon. Bár az L-pad jobb megoldás lenne. Bár vannak esetek mikor a kondival párhuzamosan kötik (még neves gyártók is).
A hozzászólás módosítva: Szept 11, 2012
Ehhez az összeállításhoz nem jó az általam feltett kapcsolás, piezóhoz csak kondi és ellenállás kell, tekercs nem! Amúgy miért a SAL hangszórókkal szemezgetsz? Jobbakat is találni: pl. http://prodigyaudio.hu/index.php?lap=109_130 A Stage PA hangszórók nagyon jók, és elérhető áron van.
Ha az erősítőd kimenő teljesítménye pl. 2x100W akkor a hangszóró választásánál ne a zenei teljesítményt vedd figyelembe, hanem a névleges hangszóró terhelhetőségét. SAL & MNC hangszórónál meg jó ha a duplájával számolsz! Hisz kicsi az érzékenysége, és még a wattok sem a valóságot tükrözi az adatlapja.
Üdv! Nem ragaszkodok én a SAL hangszórókhoz, csak Győrben azt kapok a Somogyinál. Amit ajánlottál weboldalt, azon nagyon jó hangszórók vannak, tényleg elfogadható áron, csak az a baj, hogy kevés adatot tüntetnek fel rajta, így nem tudom nagyon összeválogatni őket.
Vicces fiú vagy
Ott minden adat megtalálható ami neked az építéshez szükséges. Milyen adatokat hiányolsz?
Helló! Pár hangszórónál nem találtam az érzékenységet, a névleges teljesítményt és a rezonancia frekvenciát. Később hangfal építésnél meg majd kell a Qts és a VAS. Lehet hogy nem szükségesek, de idáig cikkekből tudtam tanulgatni a hangfalépítés fortélyait, és azokban ezekről említést tettek, meg még te is említetted a névleges teljesítményt, meg az érzékenységet.
Idáig ezeket találtam: 1 és 2-ezen feltüntették az érzékenységet Mit szólsz hozzájuk? Köszi!! A hozzászólás módosítva: Szept 13, 2012
Mivel ismerem a termékeket, így tudom minden paramétere megvan! A Dibeisi öntvénykosarasoknak vásárlás után még diagramot is kapsz. Jó hangszórók és mérföldekkel jobbak a Sal termékeinél, az eladó korrekt és rendes segítőkész. Amit hiányolnál mégis, azt e-mailben közli veled, ha kéred! Jó hangszórók azért ezt ajánlottam.
Aha! Értem, akkor nem szóltam semmit
. Neked megjeleníti a mellékelt linkeket, mert nekem teljesen mást hoz be, mint amit belinkeltem. A 20cm-esek közül a C8005-8-al és a C8004-8-al szemezgetek. Azt még elszeretném mondani, hogy nem most, de mindenképpen idén szeretném majd kivitelezni ennek a megépítését. Csak azért járok most utána mindennek, hogy addigra minden meglegyen, és ne érjen valami meglepetés a kivitelezése során.
Helló! A hangszórók összepárosításánál ( magas és mély közép ) figyelembe vegyem a váltási frekvenciát, vagy bármelyiket össze lehet párosítani. Amit említettem még hangszórókat, azokhoz melyik magas passzolna szerinted? A hangszórók adatainak lekérdezésekor, az eladónak csak azt adjam meg amelyik hangszóró érdekel, vagy mindegyikről küld műszaki leírást?
Köszi!!
Sziasztok, tanácsot szeretnék kérni, ez már megvan és működik, de nem tudom, hogy pontosan hozzá illeszkedik ezen a hangváltó.
Azon Dibeisi hangszórók éppen olyan alacsony minőségűek mint a SAL termékei! Nem javaslom!
NEM!! Az adott hangszóróhoz kell készíteni hangváltót!
Már mint melyikre érted, hogy alacsony minőségű? A mély középre vagy a magasra? Te melyiket javasolnád?
Ehhez a hangládához mit szól? Jó lehet majd? A 43l-re gondoltam.
|
Bejelentkezés
Hirdetés |




, szobában bőven elég ennek a fele is...
Ott minden adat megtalálható ami neked az építéshez szükséges. Milyen adatokat hiányolsz? 
