Fórum témák
» Több friss téma |
Fórum » Házilag építhető fémkereső
Mondjuk ehhez a fejhez építhetsz cibolát is akár, és valóban két esetleges dolgot (épített elektronika és épített fej) nem könnyű összehozni, mert sosem tudhatod, melyik oldalon van a hiba.
Szerintem jobb, mint a kínai, bár sosem tudni. Egyébként ha a kínai fejjel tudsz valami normális mértékű amplitúdót kihozni 14KHz körüli frekivel, akkor tán még használható is lenne. A gyári fej mellett az szól, amiért régen én is megvettem. Ez egy fix dolog, ezzel megy kismillió gyárilag beállított és elismert detektor és nem azon fogsz filózni, hogy jó az ofszet vagy a fejkábelt kéne másra cserélni vagy nem jó az árnyékolás. Így azért könnyebb az építés. És ha már ezzel mindent kihoztál az elektronikából, amit lehet, akkor el lehet játszani azzal, hogy tudsz e jobb fejet csinálni. Szerintem írj Vakondnak, a linkelt oldal is Ő.
Most nézegettem PI-ket. Törökök nagyon meglódultak ezen a téren . Alapvetően az a fejlesztési irány, hogy mindent a PIC csinál, alig van elektronika és van egy szép kis kerek progi a beállításokhoz, kijelzéshez. Több oldalt is találtam. De ott az az üzlet, hogy megvenni lehet a felprogramozott cuccot. Csak kicsit nehéz a nyelv
A Delta 3 at már linkeltem, most találtam PIM3-at is. De még az is gyanús, hogy ugyan az a krapek csinálja.
Vettem egy sráctól. Régebben árult a neten is ilyen fajtát csak az ezüstszínű volt. Valami MD szár, de hogy honnan szerzi, azt nem tudom. Én arra tippelek, hogy Kínából.
Szia Pitti, azt meg szabad tudni mennyiért árulta, illetve hogy árul e még?
Mindenesetre nagyon professzionális és a doboz is tök jó választás. Remélem jól összejön a gép. Kíváncsi vagyok mit tud majd a gyakorlatban. Az IDX jelfeldolgozása elég ígéretes. Szerintem a tresholdot kár elhagyni.
Szia!
Van még nála. Az árat és az elérhetőséget privátban közlöm minden érdeklődővel.
Nem akarok nagyon beleszólni a dolgokba, mert nem értek hozzá, sőt nagyon nem. De ha veszel egy gyári fejet, akkor nézzed meg, hogy milyen kábelezéssel van. Mert nem mindegy, hogy azt a fejet differenciál erősítős bemenethez kábelezték, vagy nem. Nem mindegy a tekercsvégek bekötése sem, mert ha kétszer szól a géped, és esetleg meg kellene fordítani a tekercsvégeket, de akkor az árnyékolásra kerül a meleg ér, akkor probléma lehet. Az már részlet kérdés, hogy a fej vevőtekercsét milyen kapacitással egyenlítették ki, mert azt kikísérletezed. De addig ne tervezzél elektronikát a géphez, amíg nem tudod a fej pontos bekötését.
Tehát, vagy a fejet tervezed a géphez, vagy a gépet a fejhez, vagy veszel egy gépet. Nem jó dolog azért szétbontani egy elkészült elektronikát, mert a gyári fejnél csak két koaxiális vezeték jön föl, de nekem meg kellene cserélni egy tekercsvéget, és nem tehetem meg. Bocs, hogy beleszóltam.
Inkább köszönöm a jó tanácsot ---én megcsináltam a tgsl edut a gép működik csak feladtam a fej készítést --az eduhoz melyiket vegyem szerinted?
http://www.youtube.com/watch?v=1osD9mOGgTQ Tudom sokan nem szeretik a levegő tesztet de azért kicsit elárúl egy smást ez a teszt magáér beszél ezt még a MD-1023-G25 kinai masina is jó sok centibe meglépi az ár meg 1a 4 hez --itt van több teszt videó
Köszi! Az a célom hogy olyan gépet rakjak össze házilag, ami úgy néz ki, mint egy gyári gép és olyan jól is működjön. Ez az egész dolog önmagam szórakoztatásáról szól, az építés öröméről. Van még mit tanulnom bőven. A munkám miatt elég kevés idő jut a hobbimra, de most már a vége felé járok, és hamarosan elkészül a gép. Az új fej ami Mateatek javaslatai alapján készült, nagy előrelépést jelentett a működés terén. Őt tartom a hobbi legnagyobb mesterének, rengeteget tanultam tőle. Mind szakmailag, mind emberileg le a kalappal előtte!
Idézet: „az eduhoz melyiket vegyem szerinted?” Nem tudom. Én még nem nagyon láttam diff erősítős bemenetre kábelezett gyári fejet. Persze biztosan van, csak nem szoktak kapcsolási rajzot adni hozzájuk, és a kereskedő sem tudja, hogy mi van a vezetékben, és melyik vége melyik. Ezért, ha gyári fejhez csinálsz elektronikát, akkor igyekezzél a legegyszerűbb kábelezésből kiindulni. Az adó oszcillátornál kerülendő a lebegős oszci. A TGSL-é nem ilyen, tehát jó. A vevő oldalról száműzzed a differenciál erősítőt, és helyette tegyél bele egy invertálós, vagy nem invertálós erősítőt, mindegy. Csak az erősítése és az esetleges frekvencia menete legyen olyan, amilyent szeretnél. Egy műveleti erősítővel csináljad meg ennek az erősítő kimenetének az ellen-fázisú jelét. Majd egy jumperrel állíthatóra csináljad, hogy melyik jel menjen a fázisdetektorra. Ezzel a jumperrel tudod megfordítani elektronikus úton a tekercsvégeket. És a vevő erősítőre ne egy, hanem több tagból tervezzed a tekercs párhuzamos kondiját. Mert valószínűleg kísérletezéssel fogod csak megtalálni azt a kapacitást, amelyiknél az ofszet feszültséged jó lesz. (persze az is lehet, hogy ez a kondi már gyárilag a fejben van, vagy egy része, vagy semmi) Ezzel az elrendezéssel valószínűleg bármelyik fejet hozzá tudod illeszteni az elektronikához, ha a fázistolók befogási tartományába belefér az, amit a vevőoldalon elkövettél. Ha nem, akkor előfordulhat, hogy azokat is bűvölni kell.
Szerintem ott célszerű megkérdezni, ahol kipróbálták:
Bővebben: Link
"vagy nem invertálós erősítőt, mindegy"
javaslom ezt átnézni: Bővebben: Link (a műveleti erősítős részt) és csak csendben megjegyzem, nem ez volt a kérdés
Ezt az ár arányt kicsit elszámoltad: Bővebben: Link itt mindkettő van
Nem vagyok egy garrett barát, az AT és az AT gold szerintem jó és árban is (főleg ha az amerikai árat nézem) és nagyon jó az eagle eye a 2500-höz. Tetszik, hogy sokféle fej van, kb ennyi, amit értékelek bennük. Az internetes tesztvideók céllal kerülnek a netre és nyilván mindig a közzétevő céljait szolgálják. Értelmetlen ebből a szempontból. A garrettnek van pár előnye a kínaihoz képest, pl a tartóssága, kínait azért keveset használnak, de itthon a kispénzűség miatt garrettel rengetegen mentek (hiszen kint ez egy belépő szint, szinte játék), aztán jöttek a nagy fejek, majd lecserélték a gépeket és a széthasznált garrettek még még mindig működnek. Vízben is rengetegen használták. A 350 szolgáltatásában többet nyújt, új típus, míg az MD kifutó modell. De a lényeg, egy márkával járnak bizonyos háttér támogatások: szerviz, kiegészítők, honlap, fórum, tapasztalatok, stb. Ennek is van egy értéke és ez is megjelenik az árban valamilyen mértékben. Lássuk be, könnyű úgy gyártani valamit, hogy szinte semmit nem kell vállalni. Gondolj bele, ha én megbízlak, hogy készíts nekem egy TGSL-t, ugyan annyit fogsz érte kérni, ha gari nélkül, egy év meghibásodási vagy mondjuk örök élet garival kérem, sőt, azonnal rendelkezésre álló csere géppel? A hozzászólás módosítva: Máj 1, 2014
Biztos van igazad több szolgáltatást nyujt, a garett csilingel is szépen lehet ez kerül benne sokba
és nem zavarják a repcsik mint az enyém -de az enyémnek is van 2 év garia. kapott már hideget meleget java részt bicon szálítom az pedig rázkódik és majd 2 éves és bírja ---ha a szolgájtatást nézem meg hogy szeretnék is találni akkor ahól keresgélek ott lb 1/4 kevesebet találtam volna a kis garetekkel ---én nem tartom őket jó gépnek persze a kínait sem. De az árhoz képest meg találat élménye mivel azért keresgélünk a kínaié jobb ---én akkor jöttem rá, hogy gyenge gép mikor a barátomal jártunk 3 man egy garett gti-2500-gti a másiknak kobrája volt nekem meg ez a kínai --igaz az enyém volt a leggyengébb de nem marattam el légtesztbe sokkal a garettől kb 12 cm el és teljes erőre tettük a gépeket diszkel és diszk nélkül 8 különböző pénzel próbáltuk hát a kobra az fényévekre ütötte mind kettőt én egy 2 pénzérménél kaptam 12 centit a garettől de átlagban 4-5 centivel járt felettem és főldből se sokkal többez szedett ki tőlem igaz a kobra ott is brillirozott ----és ez a garett csúcsgépe majdnem 400 ezerért kobra 156 ezerér kínai 38 ezerér --na ez a nem mindegy azért árulnak anyi garettet mert 1-2-éveseket mert aki magveszi hamar rájön hogy nem sokkal tud többet az ocska kinaiakétól mélységbe gondolom bekerül egy körbe ahól deltával copopal lorenzel teszorokkal sorolhatnám azt hozájuk képest csunyán lemarad Ami még nagyon tetszett az a Coninmaster szép kis gép nagyon meg voltam érte indulva szép kis gép csak hát nem mélységbajnok az sem kb kínaitól kicsit mélyebet tud már az md 1023-g25 höz mérten de a cononmaster jobb a kis gareteknél ez csak az én véleményem A hozzászólás módosítva: Máj 1, 2014
Köszönöm, igyekszem megtanulni. Máskor pedig jobban odafigyelek a kérdésekre is.
Jól fog jönni ez a szakirodalom a tanuláshoz, le is mentettem. Köszi! Miért nem mindegy? Csak azért kérdezem, mert szeretnék tanulni tőletek és kíváncsi vagyok a véleményedre erről a dologról.
Egy bemeneti fokozat mindig ellát illesztő feladatot, ebből kifolyólag én leginkább nem invertáló bemenetűt láttam, legalábbis, gyári vagy gyári másolt készülékekben.
Az IGSL TGSL, TGSL-t rajzold át úgy, hogy berajzolod a vevőtekercset és berajzolod a vevőtekercs invertáló oldali földre kötését és akkor lehet gondolkozni, hogy ez valójában milyen erősítő. Igazi, szimmetrikus bemenetet leginkább két műveleti erősítővel lehet építeni, detektoroknál erre nem igen van példa, mivel egyetlen műveleti erősítő tökéletesen megoldja a feladatot és ebben az esetben valóban egy kéterű és árnyékolt kábel lenne szükséges a vevőnek.
Nem egészen erre gondoltam. Hogy egy detektorral mennyit találsz, az a legfontosabb, viszont ez rengeteg dolog függvénye, mit hol és ki keres vele. Lehet, ha ugyan ez a csapat elmegy mondjuk a tengerpartra, akkor a másik talál többet. A garrett mindenhol hoz egy teljesítményt és ahol kevésbé szennyezett a talaj, mint pl amerikába, nagy érméket keresgélnek, nem is akarnak leásni a termálvízig, tökéletes. De a legfontosabb, hogy aki ezt választja, az tudja mit kap, a garrettől vásárol, aki akkor is ott lesz (vélhetően) ha kereskedő már nem. A másik, hogy a gari is lejár egyszer és évek múlva is szeretnél alkatrészt hozzá. Tesztek, betanító videók, szakirodalom (ne magadból indulj ki, van aki úgy vesz ilyet, hogy azt sem tudja hol kell bekapcsolni). Szóval ott ezeket is meg veszed és ha azt nézed, hogy a 250 es 75 ezer, már tényleg belefér a különbség. Ha én lennék gyártó, én is inkább adnék többet egy relative magasabb árért és láthatólag ez be is jöbn, mert sok garrettet eladnak, de fura mód elégedettek vele és szeretik (a 2500 nem jön itt be, de nem ide tervezték és ezt mindenki megérti).
Na de nem is ez az érdekes. Tesoro fej, nézegettem kicsit a neten. Érdekes módon a TGSL-hez van egy kis segédáramkör és minelab fejhez alakítják, míg az IGSL-eket előszeretettel használják 5tűs tesoró fejekkel. ![]() Én ebből azt gondolnám, sokat nem kell alakítgatni (ha kell) egyáltalán. Hogy teljes fázist kell fordítani, annak nem adnék sok esélyt, mert tudsz még a bemeneti oldalra is egy RC tagot betenni és azzal is tudsz tolni, illetve, lehet tolni a kompenzáló tagokkal is, mint az IDX-nél, bár ezt annyira nem látom befutónak (már korábban tárgyaltuk). Ezeket egyszerűen meg tudod csinálni a mostani panelon is. Mindettől függetlenül vagy végignyálaznám a geotech kétszázoldalas TGSL topikját, de még inkább írnék valakinek privit (ott) aki ilyen fejet használ, és megkérdezném, hogy csak úgy simán összedugta, vagy esetleg kacifántosan.
Kösz Yowie a fejjel kapcsolatosakat, még sem olyan egyszerű. Mateatekal felvettem a kapcsolatot ------a Garettnál ez a 2 dolog nem mtetszik , hogy nem gyors gép vagy csak a jelzőszignálok lasú lefojásúak , tudom hogy nem mindenhól a mélység a lényeg de azért egy alapdetektor ilyen neves gyártónál azért mondjuk egy kis méységet garantálhazna --mert pl a gtí sem nagy méységbajnaok ráadásúl a vizes füvet ő sem szereti ha viszébveszed meg nem biztos hogy találsz vagy csak keveset ha a nagy gépnél visza kell venni akkor a kisgépeknél is ott meg kisebb a teljesítmány --nem azt mondom hogy legyen egy garett 250 --egy delta mélységtudású de dobhatnának rá egy lapáttal -----azt most nézegettem garetteket 1-2-3-4-5 hónaposok egyszer használt alig használt -eladók nem véletlen azt még drága is
Mod: A kötőjelek garmada, NEM helyettesíti a veszőket pontokat írásjeleket! A hozzászólás módosítva: Máj 2, 2014
Ez a mélység mizéria is értelmét veszti bizonyos határokon túl. Szépek azok a videók, ahol egy kis egyforintost leásnak 25-30 centire és a gép gyönyörűen jelzi. Olyan tesztet viszont nem nagyon látni ahol leássák ilyen távolságra az érmét úgy, hogy tesznek a közelébe valami vasszemetet is. Ezek a tesztek csak egy bizonyos esetben szemléltetik a gép tudását, amiből még nem lehet levonni azt a következtetést, hogy ez egy jó gép és érdemes lenne váltani egy ilyenre. Ezeknek a teszteknek a nagy része úgy készül, hogy keresnek allmetal-ban egy olyan pontot ahol csak a teszttárgy fogja befolyásolni a gépet (ezt a videón nem mutatják). A gyakorlatban viszont nem sok olyan pont van, ahol nem befolyásolja a gépet semmiféle fémszemét. Az emberek látják ezeket a videókat, biztos van olyan is, aki ezen felbuzdulva kiszalad a kertbe, leássa ugyanazt az érmét vagy hasonlót és nem látja úgy a gépe, mint az a bizonyos masina. Ennek az lesz a következménye, hogy * az én gépem, * ez a márka, eladom és veszek egy olyat, amit a videóban láttam. Végül egy példát említenék: ismerek egy keresőst, aki lecserélte a Garrett Gold Scorpionját egy kis fejes Deltára, azért mert a Delta mélyebbre lát. Már két éve használja a Deltát és az a tapasztalata hogy a Garrett Scorpionnal sokkal eredményesebb volt a szemetes helyeken.
A hozzászólás módosítva: Máj 2, 2014
A tekercset hogyan csatlakoztattátok az úm. virtuális áramkörhöz, avagy a géphez?
Nézd ezt: https://sites.google.com/site/visualmetealdetector/ Mikrofonon át hangra ad jelet Erről mi a véleményed?Itt pedig találtam kiegészítőket: http://www.electronickits.com/kit/complete/complete.htm
Egyébként az is egy verzió, hogy Matekkal leboltolsz egy fejet, biztos jó lesz ehhez a géphez és olcsóbban jössz ki vele. A távolabbi célokat érdemes mérlegelni ebben is, hogy miért és mennyit fizetsz, akarsz-e mást építeni és mit.
Mondjuk jó ha van egy koncentrikus fej, de a kínai géped olyan szerintem. (Szántásban jobban jársz a koncentrikussal, mert elfordulnak az érmék.)
Bocsánat néha beragad a gomb vagy a szoftverrel van baj sőtt biztos mert sokszór már a betűket is keveri és a nyomtatót sem vezérli majd újból rakom a W azt akkor jó lesz addig csak így --különítem el a mondatot de inkább vesző helyett használom
A hozzászólás módosítva: Máj 2, 2014
Igen Mateatekal megbeszéltem a fej kérdést, csinál hozzá fejet és hozzá lövi az elektronikát így jön ki belőle ami kivehető
Találtam egy jónak mondható tecnikailag egyszerúen kivitelezhető pinpointer kapcsolást ha valakit érdekel http://www.elektroda.pl/rtvforum/topic1753390.html és van hozzá teszt videó is.
A hozzászólás módosítva: Máj 3, 2014
Pont ezt csinálom én is, a 950 menetet harmadszorra sikerült feltekernem mert mindig megzavart valaki, utána meg már nem voltam biztos benne hogy mennyinél is tartottam...
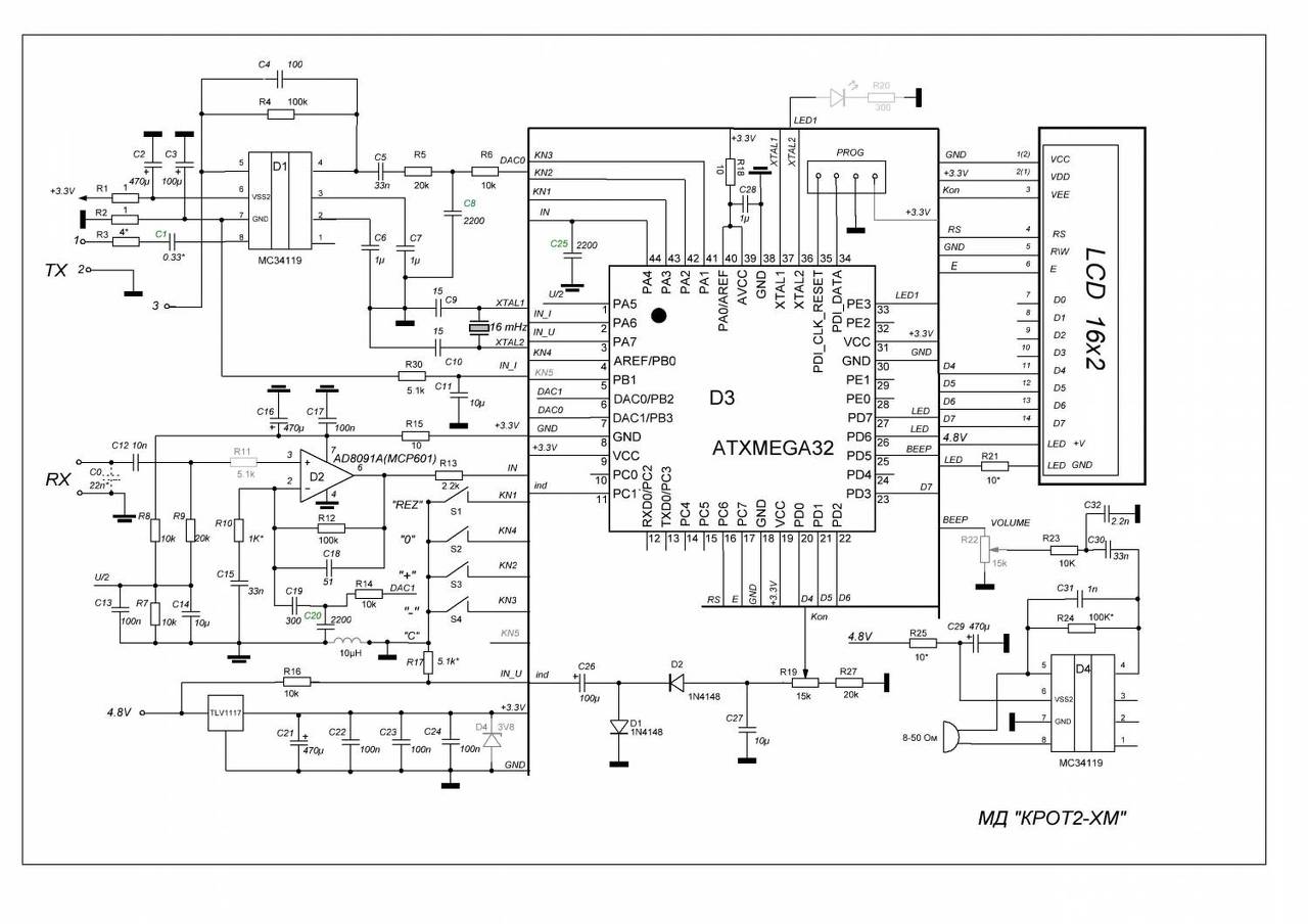
A panelrajzon meg elég kisakkozni hogy melyik alkatrész hová megy mert alig látszódnak a számozások. |
Bejelentkezés
Hirdetés |




A Delta 3 at már linkeltem, most találtam PIM3-at is. De még az is gyanús, hogy ugyan az a krapek csinálja.
Erről mi a véleményed?
