Fórum témák
» Több friss téma |
Bepötyögnéd és kitennéd nekem légyszi ugyanezt a három szimulációt? Kíváncsi vagyok az LT Spice mit mutat rá.
A shuntnek szerintem az lenne a lényege, hogy a szabályozás extrém egyszerű legyen. Nincs sokfokozatú hibajelerősítő, ami tranzienseket hozna be. Ez az OPA-val nem teljesül. Akkor már lehetne egy Superreg is. Annak is extrém alacsony zaja van...
Nekem valahogy nem tetszenek a műveleti erősítők. Nehéz megmondani miért, de sosem használtam.
Azt a Superreget leszimuláltam valamikor, úgy emlékszem. Nekem meg az nem kéne. Megkeresem.
Jól emlékeztem... és emiatt nem tetszik. A hozzászólás módosítva: Nov 30, 2025
Persze, csak most másik gépről vagyok. De délután megcsinálom.
Köszönöm!
Egyébként mit gondolsz a földhurok-mentesítési ötletről?
Számomra kissé extrém, de ettől még jó. Sokszor nehezen tudom elfogadni a rendhagyó megoldásokat.
Nem használok bemeneti csatolót, és az RCA kábelemben összefogva fut a két oldal, így nincs észlelhető zaj.
Egy ilyen kompenzáció nem jó?
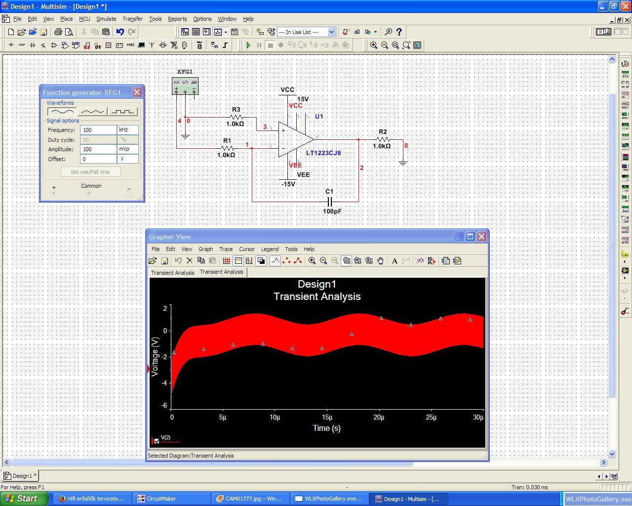
Nekem most nem kell kompenzálni semmit. Arra vagyok kíváncsi, hogy az LT Spice mutatja-e azt, hogy begerjed az LT1223 integrátorként ha nincs ott az 1k az invertáló bemenetén.
Mert a CM jól mutatja. Az MS is?
Persze, az MS is azt mutatja. A modellek többségénél az MS-ben ott van, hogy a MODEPEX csinálta őket. Itt nincs odaírva semmi. Valószínű, ugyanaz ez is mint a CM-ben.
Inkább megnéztem (egyszerűbb volt). Az MS is mutatja valóban.
LTspice-ban nem gerjed egyik kapcsolás semm. Fázis-frekvencia nagyon hasonló.
Csak mint érdekesség:
A szimulációnál ha hagyom az ajánlott beállítást, azaz 200ns lépésidőt, nem gerjed. 100ns, vagy kisebb lépésidő esetén viszont mindig. Az LTspice esetében is érdekelne hogy milyen felbontásban dolgozik a szimulátor.
Én általában a néhány MHz-es jelekig 10ns-os time steppet használok. Van olyan, ami 100ns-el nem gerjed, de 10-zel már igen.
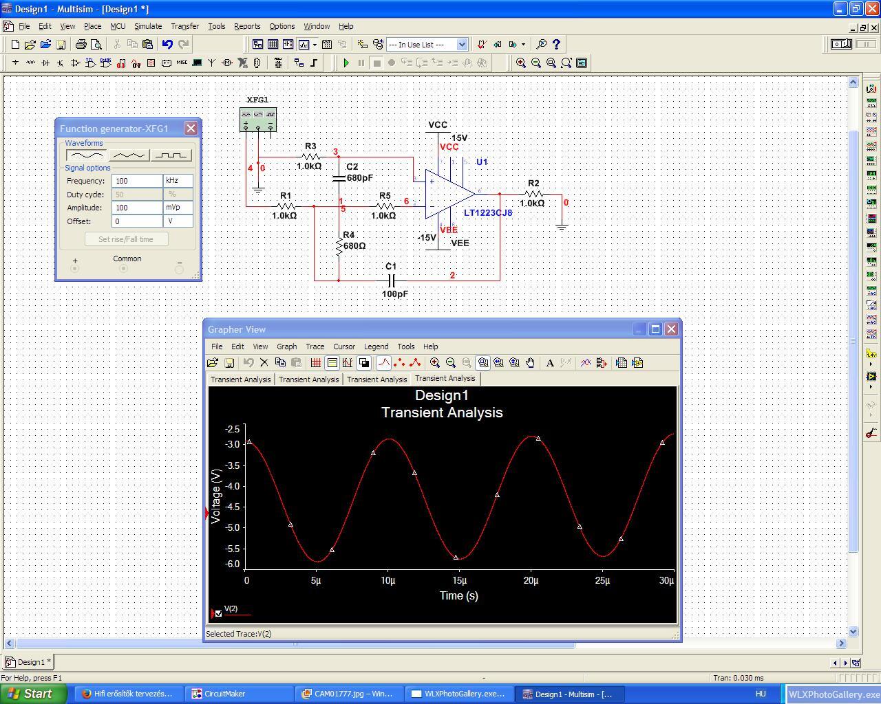
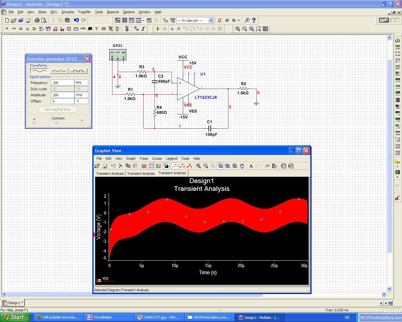
Én nem 680 ohmot rajzoltam, hanem csak 68-at. Akkor nem gerjed, még 1ns-os time steppel sem.
Értem. A CM2000-ben 100ps lépésidővel is gerjed, nagyjából 81,6 MHz-en.
Megnéztem 100ps lépésközzel, 47pF és 100 Ohm értékkel még éppen megfelelő ez a kompenzálás. Ez az invertáló és neminvertáló közé rakott soros RC tag egyébként már sok gerjedő erősítőt rakott rendbe.
A hozzászólás módosítva: Nov 30, 2025
Nem tudom kinek írom... az adatlapon nem véletlenül van ott az az 1k a bemeneten. Anélkül gerjed a gyakorlatban.
Én csak találomra tettem be 470pF-68 ohmot. A földelt kimenetümben az LT-hez ilyesmi jó. Persze elég munkás pontosra beállítgatni, de nagyon sok függ tőle a THD-ban, a Bode-ban, meg egyebekben.
Ha az invertáló bemenet meg az opamp kimenete közé teszünk kompenzációt, akkor mindenképpen csináltunk egy aluláteresztő szűrőt. Ez csökkent a sávszélességet, meg a slew-rate-et, meg a zajt. És növeli a THD, ha nagyon hatásos. Ha a két bemenet között kompenzálunk, az nem csökkenti slew-rate-et, a sávszélességet, de sajnos a zajt sem... Tehát ki lehet használni az opamp ezirányú összes lehetőségét.
Nem tudom megfogalmazni rendesen, de itt is aza helyzet, hogy azon a frekvencián ahol a hurokerősítés egységnyire vált, nem szabad hogy a fázistolás elérje a 180 fokot. A szimuláció során az az 1 kOhm az 400 Ohmnál kisebb értéken lett a gerjedés melegágya. Felette még úgy ahogy. Gondolom az 1kOhm az a biztonságos érték.
Pedig az Omega az nem nulla, főleg az Omega 3. Az meg nem nem zsírsav, hanem a zenekar angol nyelvű albuma.
Poénkodást félretéve ezt a kompenzálásos izét és az 1kOhmos dolgot is egy teljes projekt lenne optimálisan összehangolni, mert ahogy írtad is, ez egy erősítő az erősítőben.
Onnan tudom ezt a gerjedéses izét, hogy a földelt kimenetűben gyakorlatoztam vele. Ott is az történt amit compozitnak mutat a szimulátor, hogy ahogy mentem le az integrálótag értékével 100pF-ről 47pF-re, azzal arányosan javult a hangja és romlott a stabilitása.
Az 1k csak akkor kell oda ha kapacitás van az invertáló bemeneten... de stabilizátornál nincs ilyen probléma, annak halál stabilnak kell lennie (jó nyáktervvel).
Kipróbáltam még kétféle tápegységet, a CRCRC-t és az áramgenerátorost. Ez marad. Az első ötlet a legjobb. 10 kHz-ig ilyen kell, hogy legyen a stabilizátor tápelnyomása, feljebb meg nem érdekel mert ott már gyakorlatilag nincs zenei jel. Nem variálok tovább a kapcsolással, ennél jobbat nem tudok kitalálni. Elkezdem a nyáktervezést, azzal is elszórakozok néhány hétig.
Az nem tetszik benne, hogy 90 fokos fáziskésésben van a tápfesz a kimeneti áramhoz (feszültséghez) képest. Emiatt szerintem nem lehetnek jól a tranziensei. Például jön egy beütés, mondjuk egy dob. A beütés ideje alatt folyamatosan szívódik a táp, majd ha vége van, akkor kezd el újra beállni. Sosincs fázisban a zenei jellel. Remélem érted mire akarok kilyukadni... nem tudom elmagyarázni, de lelki szemeim előtt látom a szkópot ahogy lebeg a tápfesz.
Az LT1223 néhány MHz-ig fázisban van a kimeneti jellel. Olyan mintha egy néhány mOhm-os ellenállás lenne egy akkus tápon.
Gondolod, hogy a tápeszültség 0.01%-os változása érezhető hatással lesz a dinamikára?
Elnézést, hogy beleszólok, de a dinamikának, a töltés, és kisütési időnek kritériuma szerintem a puffer mérete, kialakítása, huzalozása a fő jellemzője. Arra viszont semmilyen tapasztalatom nincs, hogy a kis aksik hogy viselkednek az egészet érintően.
Ja, és az is kérdés, ha dinamikáról van szó, hogy a kimenő kábelezés, és a hangfalak tulajdonsága mennyire van szinergiába az erősítővel. A hozzászólás módosítva: Dec 4, 2025
|
Bejelentkezés
Hirdetés |





















