Fórum témák
» Több friss téma |
Sziasztok!
Segítségeteket szeretném kérni!! Építek egy erősitőt és kéne bele egy hőmegfutás elleni védelem.Az lenne a kérdésem, hogy hol tudok ilyen kapcsolási rajzot találni??!! Segítségeteket előre is köszönöm!! Roland
Hát, legegyszerűbb a melegedő alkatrészre egy hőmérsékletszenzort építeni (lehet egy 1N4148-as dióda inverzbe kötve, vagy egy NTC ellenállás), amit egy komparátorral lehet figyelni. Ha túlmegy a beállított értéken, akkor a komparátor kimenete állapotot vált, amivel pl. le lehet kapcsolni az erősítőt, vagy indítani ventilátort, stb.
Vagy nem jól értem a kérdést?
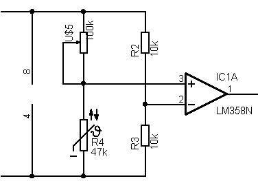
Valami ilyesmi lenne.
Potival lehet állítani a szintet. Amíg nincs túlmelegedés, addig a kimenet magas szinten van. Lehet, hogy a 10k-10k helyett más arány kell, ki kell próbálni. Tápnak 5-től 30V-ig bármi megfelel.
Sziasztok!
egy kapcsolási rajzra lenne szükségem, mégpedig a következő egyszerű dolgot kell hogy tegye. Ha elér egy hőfokot a hűtőborda akkor egyszerűen egy relé lekapcsol. Jó lenne ha mondjuk ez a hőfok olyan 100fok környékére beállítható lenne. Bármilyen egyszerű megoldás érdekel. köszi Zoli
Üdv.!
Ha magának a hűtőbordának akarod a hőmérsékletét figyelni, akkor én a helyedben ezt egy TO220-as tokozású diódával tenném, mert ez könnyen rögzíthatő a bordára. A diódát nyitóirányban elő kell feszíteni és figyelni a rajta lévő feszültséget. Ez kb. 2,2mV-os fog változni fokonként. Itt van egy rajz, ennek a jobb felső sarkában lévő műveleti erősítős rész kell neked, annyi különbséggel hogy az OPA kimenetére neked kell egy relé. Bővebben: Kép Üdv.: Attila
Szia!
Erről lenne szó? Az IC fogja tudni majd kapcsolni a relét? Tud-e elég áramot adni neki. Nem kéne valami tranzisztoros kapcsolót berakni? Ha igen akkor azt hogy? A két referencia feszültséggel mit csináljak, oda mit kell kötni? köszi Zoli
Igen, erre az áramköri részre gondolok.
A műv.erősítő nem biztos hogy meghajtja a relét, ezért kell elé egy tranzisztor a következő képpen: Az NPN tranzisztor bázisára egy ellenállás, annak a másik vége az OPA kimenetére. A tranzisztor kollektora a tápra, az emittere pedig egy ellenálláson kereszült a földre. A relét pedig a tranzisztor emitterére kell kötni. A relé tekercsével párhuzamosan kell egy dióda is, záróirányban. Ha nem világos, akkor szólj és rajzolok. A rajzon R83 és R84 ellenállásokat felejtsd el, egyszerűen szakadást képzelj a helyükre. Azoknak az ellenállásoknak a feladata elvileg némi hiszterézist adni a hővédelemnek, de a konkrét értékeket még nem számoltam ki. Ez a két ellenállás nyugodtan kihagyható. Az "Uref" nevű pontok összeköttetendőek, és rájuk egy fix, stabil referencia-feszültséget kell kapcsolni. Ez a legegyszerűbb esetben lehet akár a tápfeszültség is, ha az stabilizált. Nálam egy referencia-forrásra van kötve, ezért van a a rajzon a két "Uref" szimbolum.
Szia!
lerajzoltam amit írtál, de van még néhány kérdésem, ugyanis nem biztos, hogy jól rajzoltam. " A tranzisztor....emittere pedig egy ellenálláson keresztül a földre. A relét pedig a tranzisztor emitterére kell kötni" Tehát tranzisztor, relé tekercse, és utánna ellenállás, vagy tranzisztor emittere egy ellenállással a földre, és ezzel párhuzamosan a tranzisztor emitterére kell a relé egyik lábát kötni? Én az előzőt rajzoltam. A tápokkal kapcsolatban van még kérdésem: Tehát a 6-os vonallal jelölt részre adok mondjuk egy 7812-es ICvel stabilizált 12voltot referencia feszültségnek, az IC-nek meg rendesen +-12Voltot mondjuk zener stabilizáltan? és mivel az IC 8-as lába a plusz táp, így arról szedem le a relé áramát? köszi Zoli Idézet: „Tehát tranzisztor, relé tekercse, és utánna ellenállás, vagy tranzisztor emittere egy ellenállással a földre, és ezzel párhuzamosan a tranzisztor emitterére kell a relé egyik lábát kötni? Én az előzőt rajzoltam.” Nem, nem így gondoltam. A rajzodon lévő R7-es ellenállás, a D2-es dióda és a relé párhuzamosan legyen kötve, tehát mind a három alkatrész párhuzamosan. Ezek egyik vége a földre legyen kötve,a másik vége pedig a tranzisztor emitterére. Idézet: „Tehát a 6-os vonallal jelölt részre adok mondjuk egy 7812-es ICvel stabilizált 12voltot referencia feszültségnek, az IC-nek meg rendesen +-12Voltot mondjuk zener stabilizáltan?” Igen. De az IC-nek nem kell +-12V, elég csak szimpla tápfeszültség is. A stabilizált feszültséget előállíthatod 7812-vel is, de mondjuk egy TL431 esztétikusabb lenne. Egyetlen ellenállás kell csak a TL431 mellé. Na de nem akarlak összezavarni, rajzolok neked egy komplett kapcsolási rajzot nemsoká!
Csak ma jutottam el oda, hogy megrajzoljam. Erre gondoltam:
Bővebben: Rajz Használd egészséggel! R2 értékét csak megtippeltem, nem számoltam pontosan utána. De nem lövünk vele nyulat, csak én szeretem ha egy osztó úgy van méretezve hogy a trimmer kb. pont félállásban kell hogy legyen. De 1k-val is bőven jó.
Szia!
köszönöm a rajzot! A TL431 az mi? Még nem is hallottam róla, mire jó? Azt látom hogy valamilyen zener de miért 3 lába van? Ez valami állítható zener? A Vcc legyen valami 12volt stab feszültség azt annyi? Ha mondjuk 12volt stabot kap az áramör, és a relé behúz, akkor feszültségesés jöhet létre. Ez nem zavarhatja meg a működését és a precizitását az áramkörnek? Elég szerinted a 12 voltra egy síma Zener stabilizálás? És még egy utolsó kérdés: Az R9 1K miért kell oda? köszönöm Zoli
Üdv.!
Pontosan! Jól kitaláltad; a TL431 gyakorlatilag egy "állítható zéner". A feszültsége egy bizonyos határok közt állítható. Jelenlegi kapcsolásban nem változtatható a feszültsége, de itt most nem is kell. Ha megnézed az adatlapját, ott írnak róla bőven. Igen, a VCC legyen mondjuk 12V. Nagyon jó meglátás hogy a relé behúzásakor leeshet a feszültség ami zavart okozhat. Erre való a csillagpont. De mivel az osztó és a dióda nem a VCC-re van kötve (ami eshet), hanem egy úgy nevezett referencia-forrásra emiatt nem kell a feszültség-eséstől tartanunk. Miért? Azért, mert a referenciaforrás kimenete független ettől a feszültség-eséstől. És egyébként sok mástól is, például a hőmérséklet változásától is. Ezért nevezzük "referenciának". Megjegyzem, hogy a relé áramfelvétele által okozott feszültség-esés továbbra is problémákat okozhat, mégpedig a GND vezetéken. Ez a nyák megfelelő huzalozásával elkerülhető. Ide kell a csillagpont... A 12V-nak nem kell atomstabilnak lennie, egy zener stabilitása elég. De én egy 7812-t tennék oda. R9 a tranzisztor miatt kell oda. Ja de most hogy belegondolok végülis elhanyagolható a relé miatt. De én ettől függetlenül nem hagynám ki. Üdv.: Attila
Köszi az infókat, asszem így már értem, hamarosan megépítem, és ha valamiben elakadok akkor majd kérdezek.
üdv.: Zoli
Bocs, hogy beleszólok, de van néhány módosítási javaslatom:
1. tennék némi pozitív visszacsatolást a komparátorra, hogy ne rezegtesse a relét, ha a határon van a hőmérséklet. 3,3-4,7Mohm ellenállást a műveleti erősítő 1-es és hármas lába közé. 2. Az R8 felesleges, mert a tranzisztor emitterkövető kapcsolásban van bekötve. 3. Megfordítanám, hogy PNP tranzisztort használnék, és a relé számára a GND-t kapcsolnám. Illetve ugyanide jön az is, hogy nem TL072-t, hanem LM358-at használnék, mert az le tudja húzni a kimenetét néhánytíz mV-ra, így a tranzisztoron minimális lesz a feszültségesés. A TL072 tipikusan csak 1,5V-ra (de legrosszabb esetben akár csak 3V-ra) tudja megközelíteni mind az alsó, mint a felső tápot.
Üdv. Potyo!
1. Igazad van. De én akkor inkább egy soros R-C tagot tennék a pozitív visszacsatolásba. 2. A tranzisztor földelt kollektoros kapcsolásban van. Hiszen a kollektora közvetlen a tápra csatlakozik. Rákontrázhatsz, de nekem ezt tanították technikusin. 3. Szerintem mindegy hogy a relére a GND-t vagy a tápot kapcsoljuk. Esetleg ha autóban lenne az áramkör akkor lehetne szvsz kérdés. A TL072 ezen tulajdonságáról nem tudtam. De nem akkora gond, be kell tenni egy jobb, lábkompatibilis típust.
Sziasztok!
Érdekes dolgokról beszélgettek, egy részét értem, a másikat meg nem... akkor most mit építsek? cseréljem az IC-t LM358-ra meg egy visszacsatolást az 1-3 láb közé? Ez utóbbi csak egy ellenállás vagy ellenállás és valamilyen kondi legyen ? üdv.: Zoli
Üdv.!
A TL072 helyett legyen LM358. De a lábkiosztása ugyan az, tehát a nyáknál nem kell módosítani semmit. Igen, az 1-es és 3-as láb közé kell egy soros R-C tag, mondjuk egy 360k és egy 470n. Az 1-es és 2-es láb közti kondi meg elhagyható. Megrajzolom neked... Nyákterv kell? (Csak azért, nehogy rosszul huzalozd a relét és a relé által okozott feszültségingadozás beleszóljon a referencia földjébe.) Mond meg hogy milyen reléd van, és olyat teszek a nyéktervbe! Üdv.: Attila
Terveztem hozzá neked egy panelt:
Kapcsolási rajz Beültetés Nyákterv Ezen már módosítottam azokat amiket legutóbb írtam, illetve tettem hozzá egy 7812-t. És a nyáktervet úgy huzaloztam hogy a relé árama ne okozzon gondot a referenciábán. Ja és raktam még az áramkörbe egy ledet is, ami akkor világít, hogyha a borda hőmérséklete eléri a helitrimmerrel beállított értéket. (A relé is ekkor kapcsol.) Találomra beletettem az első relét ami a kezem ügyébe került.
Fúúú. Te. Nagyon rendes vagy! Elfogadom azt a nyáktervet. Egy síma általános 2 morzés OMRON G2R-2 relé.
akkor köszi Zoli
A földelt kollektoros és az emitterkövető ugyanazt a kapcsolást jelenti. Az ellenállás a bázisra adott esetben lényeges lehet, de mivel a műveleti erősítő kimenete túláramvédett, így ide felesleges, csak némi további feszültségesést okoz.
A relé szempontjából valóban mindegy, de ha 7812-vel stabilizálsz 12V-ot, és 12V-os a reléd, akkor minden feszültségesés számít, hogy a relé biztosan meghúzzon. Ezért ajánlottam az LM358-at és az alsó oldal kapcsolását PNP tranzisztorral, mert úgy csak kb. 0,7V lesz az esés, amivel még jól működik a relé. A felső tápot az LM358 sem tudja jobban megközelíteni, mint a TL072, ha így hagyod a rajzot, akkor kb. mindegy, melyiket teszed be.
Szia!
rajzolom át a nyáktervet sprintben és a nyákra tenném az egyenirányítást is, nagyba megkönnyítené a dolgom, ha lehetne a táp test pontját a nyák bal alsó sarkában a 45 fokos vonalon csatlakoztatni. Ott lehet ezt megtennem, nem fogja rendellenes működésre késztetni a védelmet?
Üdv.!
Hűűű hát ezt így nem lehet megmondani. Az a lényeg, hogy a csillagpontok a 7805 lábainál legyenek. Eagle-d van? Mert akkor elküldöm a projektet. Vagy rakhatok még egy egyenirányítást is a panelra, ahogyan neked jó lenne. De erre már csak holnap vállalkozom.
Időközben már el is készítettem a nyákot, sőt be is ültettem az alkatrészeket 1-2 kivétellel amik nem voltak itthon. És így módosítottam a nyákot, ha nem jó akkor megszívtam, és készítek újat, de majdnem tökéletesen csillagpontban van a táp és a test is a 7812 lábainál.
(Sose fogom megkedvelni ezt a programot, annyira csúnya...)
Nem az igazi... Ha megnézed az én nyáktervemet, azon a tranzisztor kollektora közvetlen oda van kötve a 7805 kimenetére. Azt mondtam, hogy a pozitív ágban nem kell törődni a feszültség-esésekkel, mivel ott van a TL431 mint referencia-forrás. Ez igaz is, én csupán biztos ami biztos alapon a tranzisztor kollektorát csak azért is csillagpontba kötöttem (a 7805 kimeneti lábához). A lényeg, hogy a nyákterved biztosan jó lesz. Egy kérdés: A Sprint Layout magától rajzol ilyen önfeledten össze-vissza menő fóliákat? OFF Még egy kérdés: Láttam, hogy eléggé otthon vagy faipari munkákban, bútorkészítésben... Szeretnék készíteni egy íróasztalt. Már nagyjából megterveztem, de van pár kérdésem a bútorlapok szakszerű összeillesztésével kapcsolatban. Feltehetem őket neked privátban? ON
Szia!
a sprint layout nem ennyire önfeledt, alapvetően csak vízszintes, függőleges, és 45fokos vonalakat rajzol, de ezeket a felhasználó belátása szerint módosíthatja, mivel a vastag vonalvezetés híve vagyok, így amennyire lehet a vonalakat megvastagítottam, és ott ahol csak kevés hely maradt, vannak azok az önfeledt vonalvezetések. A bútorról meg kérdezz nyugodtan. MB10100 diódám van BYW29 helyett, de az schottky az is jó lesz hőmérséklet figyelőnek?
Üdv.!
Az MBR10100-as diódát használhatod nyugodtan. Sőt, schottky diódával sokkal dinamikusabban változó feszültséget kapunk. Mi több, az MBR10100 benne van a Tinában, így tudok hőmérséklethez tartozó konkrét feszültség-értéket mondani. Például, a jelenlegi kapcsolás szerint: 80 fokos bordánál 5,78mV mérhető a schottky-n, 70 foknál 13,66mV, 60 foknál 30,0mV, 50 foknál 57,09mV, 40 foknál 92,6mV. Ez azért jó, mert ha a helitrimmer középső lábán mérsz feszültséget, akkor ezekkel az értékekkel pontosan be tudod állítani hogy hány fokos bordánál kapcsoljon a relé. (Persze az alkatrészek szórása itt is közrejátszik...) Lehet én is megépítem ezt az áramkört...
Szia!
elkészült a hővédelem, tökéltesen működik, de ahhoz, hogy magsabb hőmérsékletre be tudjam állítani az R2-t ki kellett cserélnem 2Kohm-ra, így teljesen jól 100fokon kapcsol. Kettőt egyben építettem, mert két külön bordán kell figyelni a hőmérsékletet, és ne legyen szanaszét a két nyák, így praktikusabbnak láttam, ha egyben van kettő. kösz a segítséget mégegyszer! üdv.: Zoli
Üdv.!
Örülök hogy sikerült. Nagyon szívesen! Látom a képen, hogy a hőmérő shottky-t elvezetted a paneltól drótokkal. A képen nem látszik hogy mennyire hosszú a vezeték, de én javaslom hogy árnyékolt kábellel vezesd ki a diódát. Ez nem kötelező, főleg hogyha így is tökéletesen működik. De én biztosan árnyékolt vezetéket használnék. Üdv.: Attila |
Bejelentkezés
Hirdetés |













