Fórum témák
» Több friss téma |
Fórum
Ha jól számolom, 28,2V-ra 115W jött ki, és nem pedig 198,8W. Úgyhogy eddig én "vezetek" a 4 Ohm műterheléssel 150W-al
![]() Igen, hát ezért nem megbízható a hangfalas terheléses mérés. Korábban én is úgy gondoltam, hogy simán mérhetek hangfallal, csak akkor lett gyanús, amikor a frekit változtattam, és volt úgy, hogy dupla akkorát bírt. ![]() Én mértem terhelés nélkül is 41-42V táppal 50Hz-en 30,5V kimenő fesznél villant be a clip LED. Jó lenne egy stabil táppal 40V-on megnézni, műterheléssel, mennyit bír 4 Ohm-ra. Azt megjegyezném, hogy ez az IC 50V-ot bír, tehát 10-el többet, mint a 94. Azt vettem észre hogyha lemérünk egy erősítőt mondjuk 200W-ot tud 4 Ohm-on, és egy 4 Ohm ládát kötünk rá, sajnos az átlagban kivehető teljesítmény jóval 200W alatt lesz. Elvileg ha dB-t mérsz, akkor is érdemes utána mérni az adott frekin az impedanciának, hogy pontosan tudd, hány W-ot kapott. Pl a 2,83V nem biztos, hogy 8 Ohm-os hangszóró esetén valóban 1W.
PA célra, főleg énekhangra nem az számít, hogy melyiknek kisebb a torzítása, hanem az, hogy melyiknek szebb a clipp-je, azaz a határolásnál melyik kevésbé "sarkos" a szkópon.
Ha jól értelmezem az adatlapot, akkor egyedül abból lehet "megtippelni" a hibát, hogy milyen hosszú az alacsony jelszint a diagnosztikai lábon. Ha csak "pillanatokra" ugrik le, akkor az a clipping, ha viszont tartósan alacsony marad, akkor vagy a zárlat- vagy a hővédelem aktivizálódott. A "tartós" fogalmát kellene átgondolni, hogy mit is jelenthet, mert konkrét időket nem látok az adatlapban. Az adatlapban lévő kapcsolás (Fig. 26) is csak az időállandókkal játszik, ha tartós alacsony szintet lát, akkor a "fault" vonalat is aktivizálja, rövidebb beütéseknél csak a "clip det" fog jelezni.
Hello.
A minap 2.1-esembe kiegett a végfok, eleg bogli volt. Uj végfokot épitek bele TDA 7377 IC-vel. Arra kérném a segitségeteket hogy segitsetek nekem a diagnostics részét megtervezni (ötleteket várok nem kérek senkit arra hogy megtervezze helyetem) lehetöleg nem MCU-val. Az adatlapon van is egy példa arra hogy hogyan szeparáljak el 2 féle jelet de nem nagyon értem. Nekem csak arra kellene hogy 2 ledet gyujtson ki ha baj van az egyik a clip a másik pedig a thermalprotection. Segitségeteket elöre is köszönöm
Aham
gondolom az nem baj,hogy nekem nincs clip led ![]() A mute-t is csak most kötöttem be,hogy ne kelljen a potikat tekerni.... Engem mindig is a kimenet érdekelt..ha az tiszta,akkor jól van. Még azt nem sikerült kiderítenem,hogy a szórók hány OHm-osak 50hz-en,mert a hangkártyám nem kompatibilis az itteni társaság által használt programhoz. De gondolom,hogy a 4 OHm dc ellenállású szóró az nem tér el annyit. Ez az ami még várat magára...de most nem tudok hangkártyára költeni.
Ha 28V-ot kivettél, és így még tiszta szinuszt mutatott a szkóp a kimeneten, akkor 200W-ot nyomott a cucc 4 Ohm-ra
egész jó!Valószínű a clip LED akkor villan be, ha a kimenet eltér a bemenethez képest, vagyis ha "levágja" a jelet. Én csak simán torzításnak nevezem. De a lényeg ugyanaz, tiszta szinusz legyen a kimeneten is !
Az biztos, hogy egy sima trafónál csak bonyolultabb lehet. Sajnos nem értek hozzá, a működését sem tudom igazán, majd utána olvasok. Most nem jönne rosszul egy 17VDC/200W példány, a 3db 1554-hez, amit építeni akarok.
28V-ot kihoztál ? Az közel 200W 4Ohm-ra. És mekkora torzítás volt ? Én úgy emlékszem, hogy csak 25-öt hoztam ki belőle. Sajnos nekem szkópom sincs, viszont elég megbízhatónak találtam a clip jelző LED-et. Egy picit még talán előbb is jelez, minthogy füllel hallanám a torzítást. Minden esetre én azt használtam, úgymond a "max" hangerőhöz. Bár nagy a hibalehetőség egy szkóphoz képest, csak tájékoztató jellegű. De ha az sem lenne, meg szkóp se, akkor nem is tudnám, mennyit ad le, lehet, hogy 35V lenne a kimeneten 80% torzítás mellett
Köszi a választ.
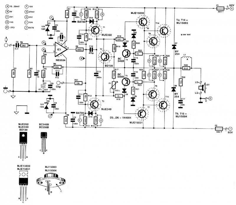
Eredetileg a leírásban ez a szöveg szerepel: The terminal marked ‘clip’ on the PCB is connected to the output of IC1 via R31. It serves to obtain an external overdrive indication, which may be a simple combination of a comparator and LED. Normally, this terminal is left open.
A testre és a clip pontra rákötöttem egy ledet és max kivezérlésnél villog a led szerinted igy jóÓ
Még mindig a clip ledre keresek megoldást a pa 300-hoz az eredeti clip kivezetést szeretném használni ha valaki tud megköszönném ha segítene!
Üdv!
Ahogy ígértem, itt van egy kis összeállítás a bedobozolt TDA7293-párhuzamos (P7293) sztereó erősítőmről. Azért annyival nem ússzátok meg, hogy csak képet rakok fel, itt van egy kis leírás: A doboza egy 330x250x100 méretű készen megvásárolható műszerdoboz. Az egész erősítő tömege 8 kg. A hűtéshez használt hűtőborda, ahogy már említettem 240x90x30 méretű, és 2 db 8cm-es 12V-os ventilátor segít neki. A hőmérsékletet LM35 szenzorral figyeltetem, a bordán, középen, a 2 erősítőpanel között. Mivel PIC-et a mai napig nem tudok programozni, ezért 8db IC, köztük (lm324,555,xor kapu) segítségével lett megoldva a ventilátorok, és LED-ek vezérlése. A táp ráadása után az áramkör megvizsgálja, hogy jön-e feszültség a Táp Vs+ oldaláról, ha 35V-nál kevesebbet érzékel, vagy a biztosíték kioldott, akkor azt egy fehér LED bekapcsolásával nyugtázza. Így ha nem szólalna meg, tudom, hol a hiba. Maga a hőmérséklet figyelése be van kategorizálva 35/50/60/75 fokokra. Minden tartományban 1-1 LED világíthat, ezek ott vannak az oldal ventilátor tetején. Ha 75 fokot eléri a borda (amit persze csak nagyon extrém körülmények között érhet el), akkor egy timer és relé segítségével 4 percre lenémítja az erősítőt. A ventilátor fordulat szabályozása fokozatmentes, kb 2,6-14V-ig, a hőmérséklet függvényében. Persze ez is külön állítható, illetve maximumra tehető egy gombnyomással. A hűtőborda rácsaiban, 2 oldalt helyet kapott 4 kék és 4 zöld nagyfényerejű LED, amik sötétben fénycsövekre hasonlítanak. Jó, nyilván semmi köze az erősítőhöz, de valahogy megtetszett. ![]() Az előlapon lévő LED-ek (on/clip/short/dc) közül a short csak dísz egyenlőre. Az on LED fényereje nyomógombbal a tizedére csökkenthető éjszaka, és ez a "default" érték is. Az egész vezérlő inkább hasonlít egy pókhálóra, és tulajdonképen ez még nem egy végleges megoldás. Az erősítő kialakításánál az egyszerűségre törekedtem, hangszín még csak véletlenül sincs, mert az + hibalehetőség lenne. Szerencsére végtelenül csendes is lett, 0 alapzajjal. A táp és hangkábelnek 4mm2-est használtam, szerintem 10cm távolságokra bőven jó. Hát nagyjából ennyi, néhány adat még a képen... A külsőről néhány kép:
Sziasztok!
Fogalmam sincs, hova kellett volna ezeket írnom, biztosan nem ide, de azért zenei elektronikával, hangosítással is kapcsolatos, viszont új topikot sem mertem nyitni. ![]() Arról van szó, hogy zeneszámokat szerettem volna felerősíteni, ezért arra gondoltam, hogy egyszerűen csak normalizálom 0dB-re. Ha jól tudom, normalizáláskor megkeressük a zenében lévő legmagasabb amplitúdójú hullámot, ha ez -3dB, akkor az egészet 3dB-el kell erősíteni, ekkor minden erősül 3dB-t és így kerül a legerősebb jel 0-ra. Ekkor nem keletkezik clip (levágás, torzítás). Egy kicsit keresgéltem és találtam egy progit, ami MP3Gain névre hallgat. Ekkor rábukkantam erre: Most programs that "normalize" sound files do so by adjusting all the samples so that the loudest single sample is at some specified value. This is not a good way to make all the files actually have the same loudness. Vagyis a legtöbb progi azt csinálja, mint amit a bevezetőben leírtam, és a normalizálás nem azt jelenti, hogy minden zeneszám hangereje azonos lesz. Vagyis ha van 2 különböző zeneszám, előfordulhat az is, hogy az egyiket 0-ra normalizálva is az ember halkabbnak érezi, mint a másikat, aminek az amplitúdócsúcsa lehet, hogy csak -6dB. Főleg, ha egy régi számban valami kis pattogás volt, akkor lehet, hogy a normalizálás csak 1-2 dB-t emel a szinten, holott a zene 98%-a -10dB erősítést is elbírna. Rábukkantam egy fontos fogalomra, ez a dinamika. Ha egy zene dinamikusan szól, az nem azt jelenti, hogy hangos a zene. A dinamika ugye a leghangosabb, és leghalkabb hangok közötti eltérés. Pl.: egy komolyzenének nagy a dinamikája. Vagy a TV reklámok is borzasztóan hangosak, "szinte 0" a dinamikájuk. Tehát ahhoz, hogy egy már 0-ra normalizált zeneszámot "hangosabbá" tudjunk tenni, további erősítés/gyengítés/normalizálás szükséges. - Az egyik lehetőség a túlerősítés, ekkor gyakorlatilag levágjuk a 0dB fölé került hullámokat, vagyis torzítás keletkezik. - A másik, a dinamikát piszkáljuk meg, tömörítjük (kompresszáljuk), hogy a halkabb részek közelebb kerüljenek a hangosabbakhoz. Ha egy zeneszerkesztő progival megnyitunk egy hangfájlt, egyből látható, melyik az amelyiknek kicsi a dinamikája (ez a "sűrűbb"). Elvileg ez az MP3Gain progi képes azonos hangerőre hozni a zeneszámokat. És mivel azt írja, hogy Lossless Gain Adjustment, valószínűleg a dinamikát csökkenti. Vagyis nem torzít (persze torzításba vihető, rossz beállítással), csak egyszerűen a halkabb részeken erősít vagy esetleg a hangosabbakból vesz vissza, ezt nem tudom. És arra jutottam, hogy ez nem jó dolog. Tönkreteszi a zenét. A sima normalizálás legyen megcsinálva, de egy nem válogatás album esetében még az is megkérdőjelezhető. (Vagy akkor album szinten legyen vizsgálva). Érdemesebb inkább a hangerőpotit állítgatni, ha nem elég a hangerő. Sajna jó pár MP3 számot találtam, ahol a zenéknek alig van dinamikája. Nem tudom mire jó, hogy a kivezérlésjelző szinte folyamatosan világít, és ugyanazon a hangerőn szól az egész zeneszám. Fárasztó tud lenni. Főleg igaz ez az újabb zenékre. Csak arra lennék kíváncsi, hogy Szerintetek már a stúdióban tönkre vágják a dinamikát ? Mert ez most a divat, és arra gondolnak, hogy az emberek nagy része gagyi cuccon hallgatja, halkan, és hogy úgy is hallja a részleteket ? Vagy csak az a hibás, aki betömörítette, kompresszálta és tökig erősítette, mert akkor sokkal nagyobb hibát követett el a kompresszálással, mint magával az mp3 tömörítéssel ? Mi a véleményetek erről ? Ja, én nem tényeket közöltem, lehet, hogy tele van hibás feltevéssel, ezért szeretnék egy kis segítséget kérni a témában. Köszönettel: zoka
Szia!
Azt szeretném kérdezni ,hogy a"clip" pontra hogy tudnék ledet csatlakoztatni.
Hali!
Itt a minta. Enyémben most 6,8nF van 13k drain ellenállás mellett. Hja, kicsit magason van a 3ik fokozat drain feszültsége, nagyon közel a tápfeszültséghez, mert az eredeti erősítőben ez adja a "clip"-et. Le kell még igazából szkópolnom, de szerintem hasonló az effektus, bár ezelőtt már clippel az áramkör, de lesz egy komoly asszimetrikus vágás, más a felharmónikus tartalom. Szerintem hallatszik melyik melyik ![]() Annyi még, az enyémben nincs presence, mindjárt lehet applikálok rá azt is! Meg persze a tone stack után van buffer! Zsolti
Köszi, de nem arról a végről van szó. Az csak valami pa 400, ez pedig a reflexéké... teljesen más mint ami a képeken van. Egy db 800VA toroid van benne elöl középen két oldalt a két végfok, oldalanként 8db 2n3442 van benne 2 sorban külön nyákon a felső sorban van a többi alkatrész az alsón csak a nagy wattos ellenálások és a végtranyók, a trafótól hátra van a 2db nagy puffer elkó mögötte a lágy indítás és a védelem. Elején bekapcs gomb 2 hangerő poti, oldalanként 2-2 led clip, és ready.
kb ennyi. A végek előtt van: 2n3440 bc212 bc 182, 2n5415 azt hiszem. Szóval tuti nem azt keresem.
The terminal marked ‘clip’ on the PCB
is connected to the output of IC1 via R31. It serves to obtain an external overdrive indication, which may be a simple combination of a comparator and LED. Normally, this terminal is left open. A leírásban ennyi van róla.
Ehhez az erősítőhöz, hogy kellene a clip ledet csatlakoztatni?
Szkóp nélkül, nem lehet eldönteni, hogy korrekt-e a clipp jelzés
Kipróbáltam az rh hangfalakkal és ott később villan be a clip. pedig mélyet ugyanannyit kaptak.
Közép, magas hangokkal is túl lehet vezérelni egy végfokot. Szerintem csak simán fullon van és clip-el. Viszont elég egy helyre leírni és egyszer.
Sziasztok.
Van egy IMG stage line sta-700-as végfokok és az lenne a gond hogy a clip led olyan fél hangerőn bevillan,, pedig a gépen a hangerő is 70%-on van és minden mélyhangot levettem róla. A végfokra egy mélyláda van kötve amibe egy mnc passzív szub váltó van. szintén img stage line hangszóró van, a végfok előtt van egy equalizer és az előtt pedig a számítógép és a hangereje sincs 100w nál többön, gondolkoztam rajta hogy az mnc-s hangváltó torzitja el a hangot de nem tudom. Valami megoldás?
Sziasztok.
Van egy IMG stage line sta-700-as végfokok és az lenne a gond hogy a clip led olyan fél hangerőn bevillan,, pedig a gépen a hangerő is 70%-on van és minden mélyhangot levettem róla. A végfokra egy mélyláda van kötve amibe egy mnc passzív szub váltó van. szintén img stage line hangszóró van, a végfok előtt van egy equalizer és az előtt pedig a számítógép és a hangereje sincs 100w nál többön, gondolkoztam rajta hogy az mnc-s hangváltó torzitja el a hangot de nem tudom. Valami megoldás?
Sziasztok.
Van egy IMG stage line sta-700-as végfokok és az lenne a gond hogy a clip led olyan fél hangerőn bevillan,, pedig a gépen a hangerő is 70%-on van és minden mélyhangot levettem róla. A végfokra egy mélyláda van kötve amibe egy mnc passzív szub váltó van. szintén img stage line hangszóró van, a végfok előtt van egy equalizer és az előtt pedig a számítógép. Valami megoldás?
Üdv!
A szobám 9 m2. A sub-om 30cm-es JBL. Az erősítő, amit használok, a párhuzamosított 7293. 4 Ohm-ra a műterheléses mérésem szerint 150W-ot ad le, a clipping határáig. Nagyon ritkán hallgatom hangosan a zenét, hiszen panel lakásban nem díjazzák az ilyet. Néha, néha odatekerek neki. Ekkor úgy lövöm be a hangerőt, hogy csutkára, éppen, hogy be-be villanjon a clip LED. Most gondolom mindenki azt hiszi, hogy ekkora szobában ekkora teljesítmény brutálisan nagyot szól. Bizony van hangja...de egy dologról nem szabad elfeledkezni. Méghozzá ez a subwoofer 87dB/W/m. Ez a hangnyomás az oka annak, hogy akár csutkára is tekerhetem, mégsem érzem olyan mellbevágónak a mélyet. És először én is csodát vártam tőle a 20W erősítőhöz képest, de ha belegondolunk, a 20W-nál a 150W 8,75dB-el nagyobb végső hangnyomásra képes, tehát körülbelül dupla olyan hangosnak hallom, aztán ennyi. Igazából ebben az esetben, nálam nem olyan sok a 150W, de azon a véleményen vagyok, ha egy nappaliban 40-50W nem elég a kifejezetten hangos zenehallgatásra (bulira), akkor ott a mélyládában van a hiba. De azt halkan megjegyzem, hogy ez egy autós mélynyomó, persze tisztességes dobozban, a sinus terhelhetősége: 250W, de ezzel a 150W-os erősítővel nem tudom kinyírni, még látszik, hogy lenne benn tartalék
Ha visszaolvastad,pont két feszültség arányáról beszélgetünk, csak ehhez nem a tápfeszt vesszük alapul, hanem a bemenő és kimenő jelet. Ennek megvalósíthatósága a kérdés, amit szeretnénk lemodellezni és kipróbálni. A feszültségerősítési tényező mitől változna meg? Van némi hőfokfüggésünk, meg valamekkora öregedés, ami hatással van a visszacsatolásra és a munkapontokra. Ezek hatását hasra egy 10%-os hibahatár alá tesszük be, már ami a cip detector működését illeti. Amivel még nem foglalkoztunk,az az eleve torz bemenőjel megjelenése, ennek lekövetése viszont komolyabb módszert kíván,amivel pláne nincs időm foglalkozni, sajnos ezzel a megoldással is alig, erre viszont nekem is lenne igényem és kollégának is, aki megrendelésre építi a többszáz W-os végfokokat (=neki sincs ideje tervezni
).A működésrőlannyit, hogy az elv az független a tápfesz belengésétől és a terhelőimpedanciától is, mert legyen az vagy a kimenet tápfeszt megközelítő szintje (túlvezérlés), vagy az áramkorlátozás által történő vágás (túlterhelés, rövidzárlat), az eredmény mindenképpen hibajel lesz, torzítás. Túlterhelés esetén nyilván belép a képbe a kimeneti impedancia is, mint a kimenőjelet a terhelésen osztó tényező, ami extrém esetben szintén annyira eltérő jelszintet eredményez, amire a clip detector jelez. Akárhogyis, a végfok normál paraméterein kívül kényszerű működni, aminek jelzése a célunk.
Régebbi C30-hoz dsPIC33FJ128GP802.h-ben ez is van:
Mivel neked BKBUG=1 és COE=1 kell, ne izgasd magad vele!
Üdv!
Itt kezd el olvasni a témát. Plusz keress ezekre rá a neten, vagy itt: clip indicator, clip detector, stb.
Sziasztok!
Csak azt szeretném mondani,hogy megépítettem a 200 Wattos változatát ennek az erösítönek,sokan mondták (zenész ismeröseim) hogy nem lesz jó,mert nagy az alapzaja,és nem adja le a kívánt teljesítményt,torzít stb. Egyszóval mindenki csak rossz véleménnyel volt az áramkörröl.Fogtam magam,megépítettem egy barátom segítségével.Nagyot csalódtam,amikor bekapcsoltuk.Valami hihetetlen jó hangja van,nincs semmi alapzaja sem (lehet,hogy a 2 x 50.000 µF puffer,a +,- 40 volt táp,és a normális testelés miatt).Én bátran merem ajánlani mindenkinek,aki egy ilyen erösítő építésén gondolkodik. Viszont,szeretnék az erösítöre egy egy "clip" jelző LED et,ami akkor kezd villogni,hogyha a bemenö jel eléri a maximumot.Köszi a segítséget elöre is!
Igen, egyről beszélünk, bár van C-261, illetve DT-261-es típusjelzése is, attól függően, hogy mely országokban kerül piacra. Bővebben: Link
Idézet: A mellékelt doksi példát mutat a használatára.„Minek az árnyékolás?” Idézet: 4,7 4,8-as instrukciók a doksiban erre utalnak.„És minek a 20 MOhm és a 20000 MOhm váltó kapcsoló?” Idézet: Mert ezzel alapállapotba teszed a kiegészítő egységet, megfelelő alap jelet küldve a fő műszernek.„Minek a Power gomb, és külön az 500 V (nyomó) kapcsoló?” Idézet: Ezt is írja a doksi. „harmadik kéz” "alligator clip", magyarul: krokodil csipesz.A továbbiakban nem tudok segíteni, mert nincs ilyenem. De nem olyan egyszerű lehet a belseje, mert itt van egy DC/DC konverter (ez még nem bonyolult), de aztán van valamiféle nagyon precíz uV-okat is mérő rész, ami aztán megfelelően erősítetten megy a fő műszerhez. Aztán ezt a kiegészítőt is kell három helyen kalibrálni. RECALIBRATION (Qualified personnel only) 1. 500V DC 1) Slide the switch to "20Mohm", position, and connect terminal E and L to the multimeter (the range switch must be set to range "1000V DC"). 2) Adjust R02 till the reading on the LCD of the multimeter is 520V. 2. 2000Mohm Connect the terminal E and L to a resistor of 1000Mohmą1%, adjust R14 till reading on the LCD is 1000. 3. 20Mohm Connect the terminal E and L to a resistor of 10Mohm+0.1%, adjust R21 till reading on the LCD is 10.00. |
Bejelentkezés
Hirdetés |





egész jó!









