Fórum témák
» Több friss téma |
Fórum » Inverteres hegesztőtrafó
Nagyon szépen köszönöm mindannyiótoknak a segítséget! Megpróbálkozom az utánépítéssel. Üdv
L6386 Fetmeghajtó.De ha ez meghalt,az igbt panelnek is annyi.
Szia! Az alapkapcsolás Ge Lee-é én csak annyit csináltam, hogy a saját számíze szerint kiegészítettem a kapcsolást. Amit beraktál rajzot azt én rajzoltam. Vannak nyáktervek is a leragadás védelmet szerintem kihagyhatod. A gate trafót jól kell eltalálni valamint az élesztésre ügyelj. Alacsony feszültségről végig kell ellenőrizni a vezérlést csak ha minden rendben akkor szabad a hálózatra kapcsolni. Jó munkát.
Köszi szépen! Nagyon szépek a terveid és gratulálok a készülékhez! Sorkimenő magjaim is vannak, de van etd59 és e65 magom is csévével. Melyikre javaslod megépíteni? IGBT téren nem aggódom, ha próba során elszállna, mert van néhány új brutál hibridem ami 4db IGBT-t tartalmaz, és sok amiből kettő el van pukkanva.
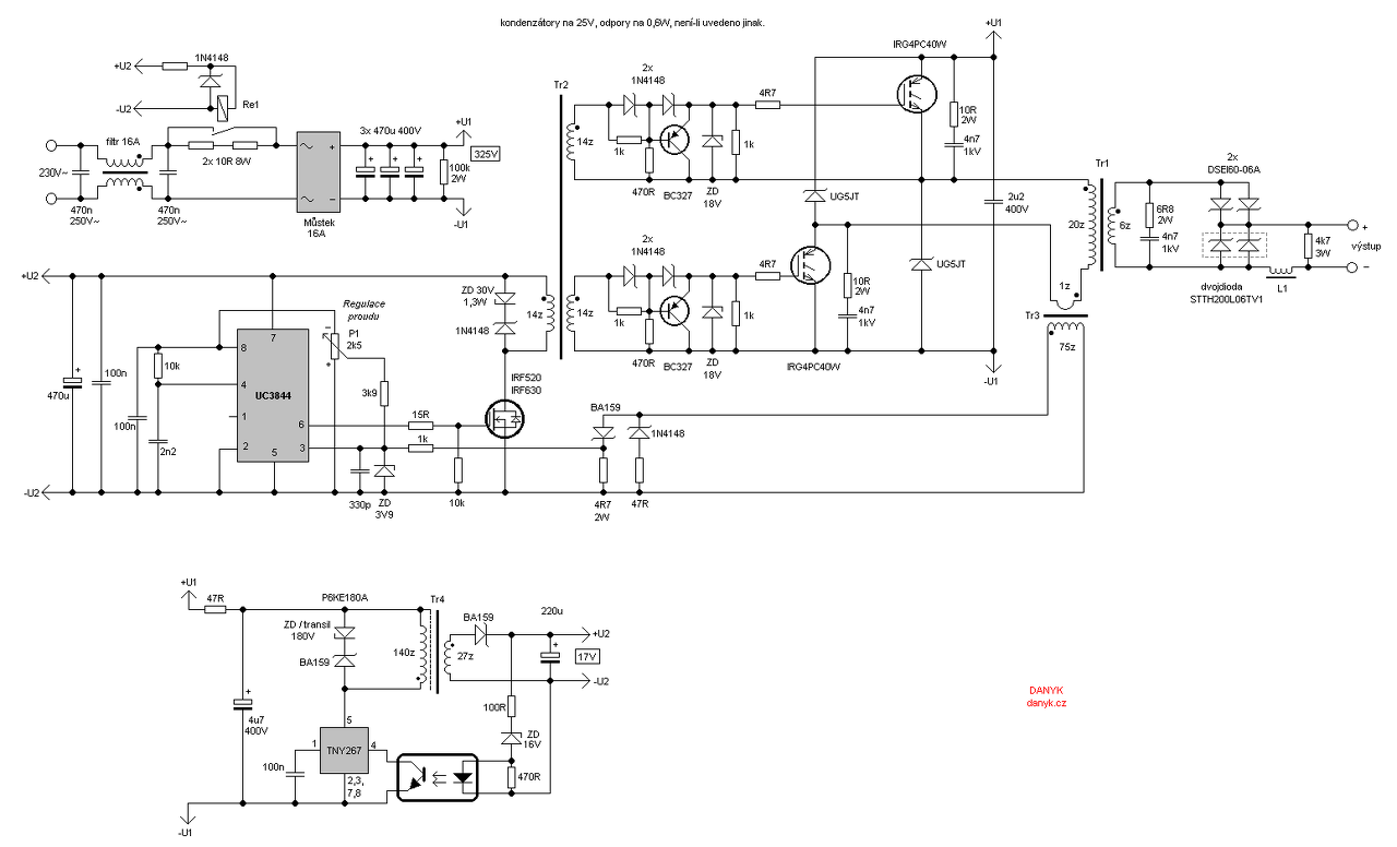
Még a mellékelt rajzzal szemeztem, amit az elektroda.pl fórumon sokan használnak. Légyszi írd már le a véleményed! Köszi a segítséget!
Szerintem jó lehet etd59 vagy a e65 mag is ha rátudod tekerni a megfelelő mennyiségű rezet, hogy elbírja a terhelést a trafód. Én toroidra tekertem meg jó sok réz fér bele. Az igbt pedig lényeges a frekvencia és, hogy mekkora áramot visel el. Amiket sokan használtak a HGTG30N60A4D én is alkalmaztam. Amit beraktál rajzot nem nagyon tudok róla mit mondani, én nem építettem meg viszont sokan mások igen. Ge Lee is ezt az alap kapcsolást módosította valamelyest.
Sziasztok!
Vásároltam én egy Dhinpo-m 258 h inverteres hegesztőt awi-zás céljából. A problémám a következő ha ívet veszek a volfrám elektródával, kis értéken tartja az áramot kb 8-10mm fel kell emelni az elektródát és akkor kiadja a beállított áram értéket. Próbáltam már a szekunder körben lévő 1k visszacsatoló ellenállást kiemelni, de csak annyit értem el hogy leragad a volfrám nem tudok akkor ívet venni. A vezérlő panel száma RU 94V-0 E466384. A segítségeteket előre is köszönöm!
Valaki feltenné a legutolsó verziójú maci kapcsolást?
Előre is köszönöm!!
Az ív feszültséget figyeli ott keresgess az áramkörben ami azt figyeli.
Majd kiverte a szemem az előző oldalon... bocsesz...
Sziasztok! Egy gyakorlati kérdéssel fordulnék hozzátok. A lényeg, hogy van a MIG/MAG gépekhez ez az úgynevezett porbeles elektróda, tehát az a fajta amihez nem szükséges védőgáz alkalmazása.
Kérdésem pedig az volna, hogy próbálkozott -e már valaki, ennek a huzalnak az alkalmazásával sima MMA, tehát bevont elektródás inverter készülékkel? Tehát levágunk egy darabot a huzalból, és úgy használjuk, mintha az bevont elektróda volna. Valójában azért kérdezem, mert tudni szeretném, hogy működik -e így ez a dolog? Elméletileg igen. Kérdem ezt azért, mert szükségem volna vékony anyagok, konkrétan kerékpárváz összehegesztésére, aminek ugye a falvastagsága kb 1mm. Jártam pár hegesztési boltban, és sajnos eddig a legkissebb bevont elektróda amit kapni lehet az 1.6mm. Vettem belőle, és elég nagy ügyesség és odafigyelés kell ezzel az adott feladat elvégzéséhez. Szóval azért találtam ki, hogy elvileg, a 0.8 esetleg 0.6mm átmérőjű porbeles huzallal ezt könnyebben el lehetne végezni elméletem szerint, feltéve, ha nem ragad egyből oda az anyaghoz. De mivel elég jó árban vannak ezek a huzalok, nem igazán szeretnék megvenni addig egy tekercset, amíg nem tudom biztosra, hogy fel tudnám -e használni a leírt módon. Esetleg ha kipróbálná valaki, vagy tudnátok ilyen videót linkelni, azt megköszönöm...
Nem lehetséges. A 0,8 vagy 0,9mm-es porbeles cső hogy vezetné a 70-80A-t? Ezért van áramátadó a co pisztolyban. Lehet venni porbeles gépet, elég olcsón, de én nem szeretnék azon a kerékpáron ülni, amit porbeles elektródával hegesztettek.
A hozzászólás módosítva: Júl 16, 2018
Szerintem nem fog működni a dolog, mert túl vékony, túl hajlékony a huzal, plusz fel fog izzani pillanatokon belül, mivel a MIG gépekhez képest, két-háromszoros feszültséggel dolgozik az MMA inverter. Valószínű, hogy csak szétfröccsen az ívfogás helyén. De ha még működne is a dolog, huzal fent leírt tulajdonságai miatt, nem tudnál olyan hosszú darabot használni, amivel akár egy, egy cm-es varrat elkészíthető.
Már nem versenyző barátom bringája s.rézzel lett forrasztva (épp nem volt ezüstforraszom). Tökéletesen bevált, míg neki nem tolatott egy barom (kikötött helyen!). Utána már nem volt javítható. Keress CO-s műhelyt, és rimánkodd ki tőlük a hegesztést.
Nem hinném, hogy a "rimánkodásra" annyira szükség volna bármelyík MIG vagy TIG műhelyben,
ott szerintem csak annyi a lényeg, hogy virítom a lóvét, és simán megcsinálják. Valójában házon belül akarnám megoldani ezt a dolgot (úgyhogy a motortartó csövet már fel is hegesztettem), egyelőre még azért nem keresgéltem ilyen munkával foglalkozó vállalkozót. Még mielőtt kérdeznétek milyen motor, elektromos kerékpár... A hozzászólás módosítva: Júl 16, 2018
Én 1,6mm -es FOX /saválló/ pálcával simán hegesztettem a kipufogót. Letekert A-el szépen lehet vele dolgozni, s biztosan nem fog rozsdásodni!
"s biztosan nem fog rozsdásodni! " A varrat nem, de mellette kétszer gyorsabb lesz a korrózió. Saválló csak savállóhoz való, a korrózióálló csak korrózió állóhoz. Ugyanis ha kevered őket, akkor galvánelem lesz belőlük, tehát igazából meg kell válogatni hogy mit mivel hegesztesz. Egyébként a FOX is csak egy típuscsalád a Böhlernél, akár az ESAB-nál a OK típusjellel kezdődő elektródák. A FOX család tagja a KE;SAS;ETI;CEL stb... Ezek mind másféle anyaghoz és más-más igénybevételre vannak kitalálva, és a dobozon feltüntetik hogy milyen ötvözetű anyagokhoz valók, és tényleg csak azokat érdemes vele hegeszteni.
Sziasztok! Rendszeresen szoktam vásárolni lomosoktól kimustrált inverteres hegesztőket javítgatásra a saját örömömre.
Annyit szeretnék kérdezni, hogy az újonnan hirdetett szappantartó méretű csodákra miért írják rá, hogy "310A már 10 amperes automatáról működik"? Aztán a vevő húzza a kis piklit a hegesztőkábellel a betonon, amivel jó esetben csak taknyolni tud. Nem durva becsapás ez? Én vettem legutóbb, egy 380v-os, 250A-s inverteres egyen váltó AWI-MMA gépet hibásan, aminek a hálózati kapcsolója volt rotty. 15kg a készülék és méretre akkora mint egy hetra, pedig csak 250A.
Szerintem csak nyomdahiba
Lemaradt a tizedespont 31.0 A A hozzászólás módosítva: Júl 22, 2018
Nem nyomdahiba. Képesek ráírni bármit, a pórnép meg elhiszi, hogy egy 3 kilós dobozból ki lehet venni 300-350A-t 1 fázison,60% bekapcsolási idővel. Aztán amikor elkezdene hegeszteni 2,5-es pálcával, skála szerint 200A-al, a pálca pedig csak 300A-es skála állásnál hajlandó úgy-ahogy leolvadni, akkor rájön hogy átverték - megint. Persze a gép jó esetben tud 60-70A-t, hiszen van benne 1 pár 40 vagy 60A-es IGBT, ami sima nyitóüzemben dolgozik,ugyanúgy mint a többi olcsó gépben. Szégyen,hogy ilyen terméket forgalomba lehet hozni bárhol a világon.
Na egy olyan gép engem is érdekelne!
Köszönöm a megerősítésed! Már frusztrált a dolog, hogy nekem 3 fázis kell, ha 250A akarok(igaz sosem volt szükségem ekkora áramerősségre) és 15-20kg-os gépre. Konkrétan EZ a hirdetés szúrt szemet.
Egyébként egy fázisról mekkora áramerősség érhető el max.?
Erre a gépre csodálkoztam rá, és az összehasonlítás alapját is ez képezte. Ebben van egy 100W-os toroid segédtrafó, nagyon nagy hűtőborda amit légszekrény jelleggel 25cm-es ventillátor hűt(igaz időnként pár másodpercre kapcsol be). Az IGBT-k akkorák mint 1-1 sportszelet. A trafók is durvák benne. 380v-os és a 100%-os üzeme 160A, 250A-nál
40%. az adattábla szerint. A súlya 17kg. Vagy ez nagyon rossz konstrukció, vagy a kis 310A-es egyfázisú 3kg-os készülék nagyon jó. A hozzászólás módosítva: Júl 22, 2018
Szerintem írd meg neki, hogy ezt a kamu cuccot gyorsan felejtse el, a dobozra ráírtak marhaságok.
Úgy látom te is abba a kategoriába tartozol,hogy minél nagyobb,minél nehezebb akkor biztos jobb.Nehogy már a sportszelet méretű igbt izgulj már fel,mikor to247 be is van ami tud akár 100A is.Nem ezt a ruszki szutykot védem de egy két gyári gépnek láttam a belsejét.Volt olyan méretű 40x20x25 a komplett panel meg 15x15 a dobozban elveszett.Tudott 250A a hiba meg hogy letörtek a venti lapátjai és hőre letiltott.Szóval nem a méret a lényeg.Készitettem pc táp dobozába pár gépet,ugye eléggé kicsi a doboz,de mind tudta a 100a ert.Szóval van gyártó aki méret és súlyra megy,azt biztos megveszik,felesleges anyagpazarlás,és mint fent irtam a spórolos bár működik csak a küsőt növeli meg a vizuális élmény miatt.Végül is elég értelmetlen ezen rágódni.
Lehet igazad van, de a perpétum mobilét nem igazán találták még ki. Ha 230V-ot beszorzol 10A-el(mert 10 A-es automatával adja le a 310A-ert a hirdetés szerint) az ugyebár 2300W. Hogy lesz ebből 8KW a szekunder oldalon? A sportszeletméretű IGBT-nek talán annyi az előnye hogy 250A darabja és 1000V, a hűtőfelülete nagy, nem egy 3-as csavarral húzatod oda a gagyi bordára, és ami még az előnye, hogy igen ritkán láttam tönkremenni ilyesmit.
Ahogy írtad is "tudta a 100A" . Nem többet. A hozzászólás módosítva: Júl 22, 2018
A ruszki nem írta a gépre, hogy 10 A kismegszakítóról tudja a 310 A-t. Ez csak a hozzá nem értő (vagy "szépítő") hirdető fogása.
Van 250 A-es kínai inverteres AWI-MMA hegesztőm. AWI-nál 250 A, MMA-nál 200 a csúcs 25 A-es kismegszakítóval. Már jónéhány éve használjuk, egy gyári hibát kivéve nem volt vele gond. Éveken át ipari terhelésnek volt kitéve. Alumíniummal is.
A méret. A pc tápdobozos cuccról meg annyit, hogy megnézném mi maradna belőlle egy napi 12 órás rozsdamentes tartályhegesztés után. Nyilván két drótot összetaknyolni félévente megfelel
Lehet csak az ilyen vizuális parasztok miatt mint én, gyönyörködtetése miatt készül féltégla méretű igbt-vel egy ipari gép, hisz elférne egy töltöttkáposztás konzervdobozba is, és egésznapos hegesztés alkalmával a tűző napon csak látványból fordul óránként 10-et a ventillátor. Gondolom ez ilyen üzleti fogás?
|
Bejelentkezés
Hirdetés |





Lemaradt a tizedespont 31.0 A 











