Fórum témák

» Több friss téma
Fórum » Kapcsolási rajzot keresek
 
Témaindító: Kallai Csaba, idő: Márc 11, 2006
Témakörök:
Lapozás: OK   130 / 382
(#) kadarist válasza soos csaba hozzászólására (») Aug 3, 2010 /
 
Szívesen.
(#) BEMcorp hozzászólása Aug 3, 2010 /
 
Sziasztok!

HECKERT 1000 -es egyetemes marógép (NDK 1976-78) elektromos kapcsolási rajzát keresem! Igazából a gépkönyv lenne a legjobb, de arra esélyem sincs...
(#) proli007 válasza janik00133 hozzászólására (») Aug 3, 2010 /
 
Hello!
"Különféle kapcsolós trükkökkel viszont meg lehetne oldani a problémát." Például:
- Ha az IC 3-as lábáról egy kapcsolóval leválasztod a két ellenállást.
- Vagy ha kicsi így a Led-ek árama, egy kapcsolóval a két bázis közé kapcsolsz egy 220ohm-os ellenállást..
üdv! proli007
(#) boliver hozzászólása Aug 3, 2010 /
 
Üdv! A minap kaptam javításra egy ASTACOM Titania IX analóg műholdvevőt. Kapcsolási rajzot próbáltam keresni, de nem sikerült. A táp részével van gond, mert nem jön ki semmilyen feszültség sem a csatlakozósoron. Aki tud hozzá kapcsolási rajzot feltenni, annak megköszönném!
(#) Tarhos hozzászólása Aug 3, 2010 /
 
Doncsonak és Frankynek!
Kedves Barátaim! Még el sem készült az első művem, de már kérdezem a másodikat! Tudtok olyan hajókürt rajzot küldeni, amit nyugott szívvel betehetek egy nagyon szép makett vitorláshajóba?Fáradozásotokat megköszönve
Baráti Tisztelettel
Tarhos
(#) janocsi válasza Tarhos hozzászólására (») Aug 3, 2010 /
 
Szerbusz Kedves Tarhos!
Miután személyre szólóan kértél segítséget, így nem igazán sokan tudtunk válaszolni kérésedre.
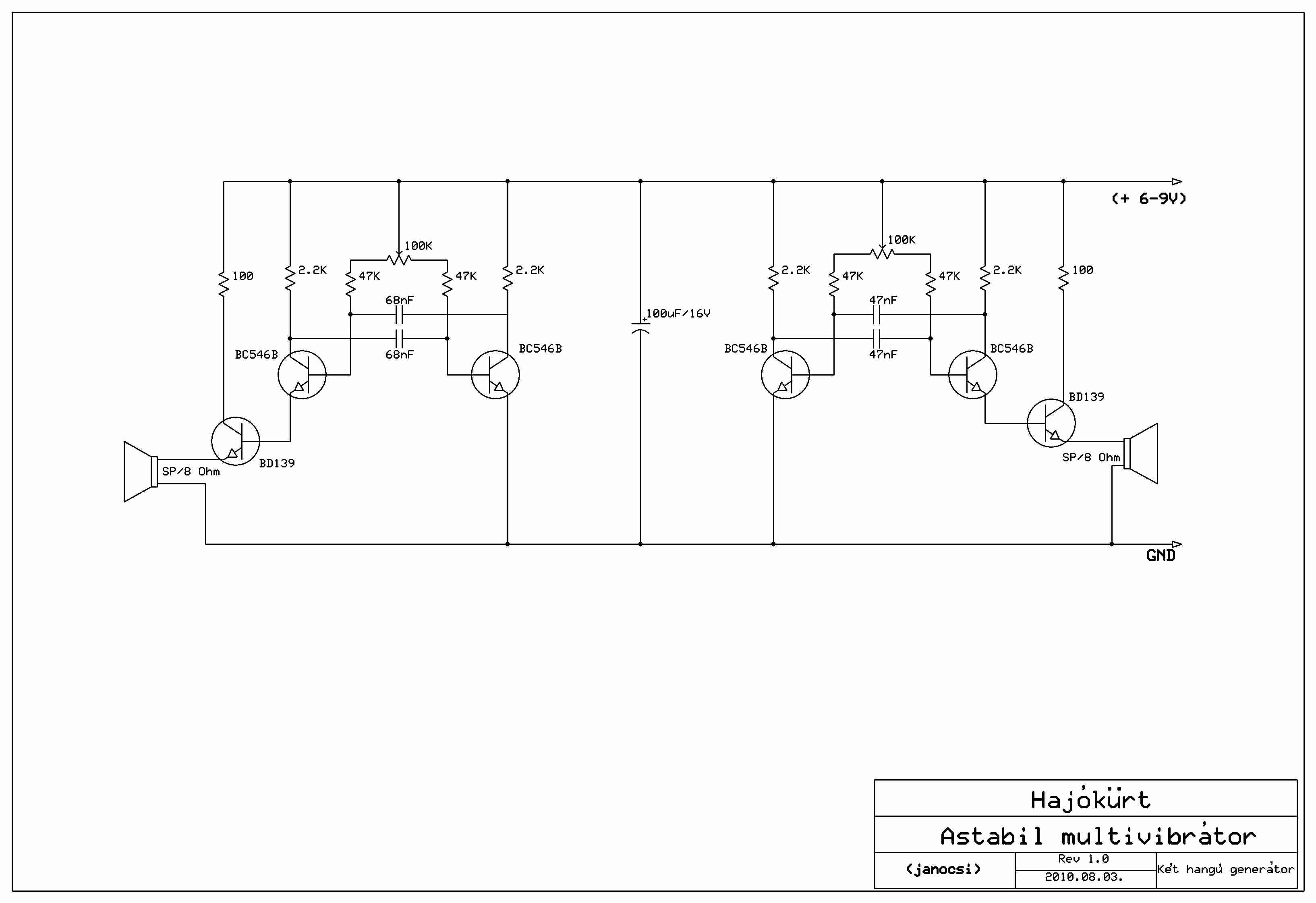
Igen, vannak hajókürt kapcsolások, de azok soha nem tudnak igazi hangon megszólalni. Ennek oka a nagyon alacsony frekvenciájú, lehetőleg több egyszerre működő kisfrekvenciás rezgés keltése, lesugárzása. 500 Hz felett nem is hallható ilyen kürt a valóságban. Itt egy astabil multivibrátorokkal (2db), hajókürt utánzó kapcsolása. Ennél bizonyára nagyon nehéz lehet egyszerűbben megoldani ezt a problémát. Itt kettő kis hangszóró van a rezgéskeltők végén, az egyik 420Hz, míg a másik 320Hz-en rezeg. Az ”igazibb” azért ez lenne ide az egyik képen…
(#) Tarhos válasza janocsi hozzászólására (») Aug 3, 2010 /
 
Kedves Janocsi!
Nekem ezen az oldalon lévő emberek a BARÁTAIM! És most már Te is személyes jóbarátommá váltál, mert önzetlenül akartál segíteni, ami jellemző erre az oldalra!
Bocsás meg, ha félreérthetően fogalmaztam! Megragadom az alkalmat akkor, hogy segítségeteket kérjem ennek a hajókürt elkészítésében, mert én ezzen nem fogok boldogúlni!!-Az ütemvezérlőt még csak csak megoldom, de ehhez a Ti segitségetekre is szükség lenne! Ha Valaki tudna ebben segíteni azt nagyon megköszönném, és természetesen ki is fizetném! Örülök, hogy ilyen sok BARÁTOM lett ezen az oldalon! Ültessétek átt ezt a fantasztikus összefogást az országra is!!!
Baráti tisztelettel
Tarhos
(#) zoly15 válasza janocsi hozzászólására (») Aug 4, 2010 /
 
Szia! Ennek a hajókürtnek a rajzát fel tudnád tenni nagyobb felbontásban? (kapcsold ki az automatikus méretezést)
(#) janocsi válasza zoly15 hozzászólására (») Aug 4, 2010 /
 
Szia!
Feltőltöm, de ExpressSCH-ban is oda raktam, az lenne az eredeti, amiben átrajzolva lett egy kéziről.
(#) zoly15 válasza janocsi hozzászólására (») Aug 4, 2010 /
 
Köszönöm szépen!
(#) Tarhos hozzászólása Aug 4, 2010 /
 
Kedves BARÁTAIM!
Köszönök Nektek mindent, fantasztikusak vagytok, de már még egyszer nem írom le! A zoly15 segit nekem, úgy hogy igen jó kezekbe kerültem! De azért még a kapcsolatot szeretném tartani Veletek! Csak így tovább!
Baráti üdvöulettel
Tarhos
(#) boliver válasza boliver hozzászólására (») Aug 4, 2010 /
 
Üdv! Senki nem tud ehhez a beltérihez kapcsolási rajzot?
(#) janocsi válasza boliver hozzászólására (») Aug 4, 2010 /
 
Szia!
Itt: láttam, valakinek van hozzá rajza. Vedd fel vele a kapcsolatot, ám a Link sajna elég régi már.
(#) psoft-hkristof hozzászólása Aug 4, 2010 /
 
Sziasztok!
Keresem az EMG 1567 típusú oszcilloszkóp teljes gépkönyvét. Google-t már próbáltam, csak a kapcsolási rajzot dobja ki, a szerviz információkra vonatkozó részét nem . Kérem a segítségeteket, ha valakinek megvan a teljes gépkönyv, akkor tegye elérhetővé számomra és azok számára, akik szintén keresik.

Köszi! Kristóf
(#) boliver válasza psoft-hkristof hozzászólására (») Aug 5, 2010 /
 
Üdv! Az ET-n csak az EMG -1568, de azt írják, hogy szinte megegyezik, csak kis extrák vannak benne! Bővebben: Link
(#) psoft-hkristof válasza boliver hozzászólására (») Aug 5, 2010 /
 
Hali!
Néztem azt a szkópot is, lehet csak én látom így, de szerintem nagyon eltérnek egymástól. Teljesen más a táp, a trigger, és úgy általában minden. Éppen ezért keresem a 1567-es teljes gépkönyvét, mert ott nincsenek ilyen eltérések. Mindenesetre köszönöm, hogy próbálsz segíteni.
(#) Sebi válasza psoft-hkristof hozzászólására (») Aug 5, 2010 /
 
Nem szép, de jól jöhet...
(#) Sebi válasza psoft-hkristof hozzászólására (») Aug 5, 2010 /
 
És még ezek...

1.rar

2.rar
   
(#) Ge Lee hozzászólása Aug 5, 2010 /
 
Üdvözletem!
Reflex RX800-hoz keresek rajzot.
(#) psoft-hkristof válasza Sebi hozzászólására (») Aug 6, 2010 /
 
Köszi, sajnos ebből is a szövegelős rész hiányzik, de azóta megoldódott a probléma(egy lehetetlen helyen égett el egy ellenállás).
(#) Tetye hozzászólása Aug 7, 2010 /
 
Sziasztok!
Tudnátok nekem segíteni egy kapcsi rajzzal?
Az erősítő aminek kéne a rajza az egy Ágota DS600-as de a régi BD-s. nem az ujj fajta.
Mind két oldala össze vissza van gányolva és le is vannak pukkanva.
Köszi!
(#) Tetye válasza Tetye hozzászólására (») Aug 7, 2010 /
 
Elfelejtettem írni ezt a fetes verziót, amiről fel tettem a képet, én is meg találtam, de nem erre van szükségem.
Amit javítok abban BD249-250 párok vannak.
Köszi.
(#) leocska66 hozzászólása Aug 7, 2010 /
 
Sziasztok!
Egy Koratel LT-107 kapcsirajzát keresem!
Akinek megvan legyen szíves megosztani mert nagyon fontos lenne!
Köszi
Tibi
(#) zoly15 hozzászólása Aug 7, 2010 /
 
Üdv mindenkinek! Keresek valami olyan kapcsolást. ami olyan lenne hogy: Van egy relé amit nekem be kéne húzatnom kb 3-5mp-re majd elengedne. Ennyi lenne a feladata. Mindezt úgy hogy ha megjelenik a 230V. Valami olyanra gondolok (hogy ne keljen trafó) hogy valami kondenzátort töltene fel, ahogy feltöltődik elenged a relé. Valaki tudna nekem ebben segíteni? A relé 12V-os, előtét ellenállással meg lehet oldani a 230V ról való hajtást? Az érintésvédelmi dolgokkal tisztában vagyok! Előre is köszönöm a rajzokat!
(#) leocska66 válasza leocska66 hozzászólására (») Aug 7, 2010 /
 
Senki ? :no:
(#) garamszegiroland hozzászólása Aug 8, 2010 /
 
Hello kapcsolási rajzot keresek egy orion bdn tv792 tipusu tv-hez. Elvileg 4400a a chassis száma
(#) sumi1 válasza garamszegiroland hozzászólására (») Aug 9, 2010 /
 

4400.rar
    
(#) Sebi válasza zoly15 hozzászólására (») Aug 9, 2010 /
 
Sorosan: 1N4007 dióda, katódjára 100µF/400V elkó pozitív, majd a relétekercs. Az elkóval párhuzamosan tégy egy 1Mohm ellenállást, ami kisüti. Ha túl gyakran kell meghúznia, akkor lehet, hogy a kondit még nem sütötte ki az ellenállás és ezért a meghúzás ideje rövidebb lesz.
Természetesen a meghúzási idő a relé áramfelvételétől és a kondi kapacitásától függ. Nagyobb reléhez nagyobb kondi kell a megkívánt behúzási idő eléréséhez.
(#) zoly15 válasza Sebi hozzászólására (») Aug 9, 2010 /
 
Köszönöm szépen! Naponta egyszer kell meghúznia.
(#) lacisabo hozzászólása Aug 9, 2010 /
 
Sziasztok.Egy sr 50-s simson robogóba keresek kapcsolási rajzot.Magyar nyelvűt ha lehet.Megszakítósat.Előre is köszönöm.
Üdv LAci.
Következő: »»   130 / 382
Bejelentkezés

Belépés

Hirdetés
XDT.hu
Az oldalon sütiket használunk a helyes működéshez. Bővebb információt az adatvédelmi szabályzatban olvashatsz. Megértettem