Fórum témák
» Több friss téma |
Fórum » Kapcsolási rajzot keresek
Témaindító: Kallai Csaba, idő: Márc 11, 2006
Témakörök:
Sziasztok!
Van egy Kenwood Café Roma típusú kávéfőzőm. Kenwood Az eredeti szerintem Ariete Café Roma 1315. Mert ugyan az a kettő. Ariete Elmondások szerint volt már javítva párszor. A bent lévő szivattyú nagyon kókánynak tűnik. Szeretném azt típus szerint leellenőrizni. Valamint a nyomásszabályzóját beállítani. Ehhez szükségem lenne egy service manualra. A neten keresem már pár napja de mindhiába. Valakinek megvan esetleg? Köszönöm.
Sziasztok!
Joule méterhez lenne szükségem kapcsolási rajzra, de ha valaki gyárt/forgalmaz ilyen terméket, az is érdekelne. Ahogy nézegettem neten, nem sok dolgot találtam róla, inkább wattmérőket láttam. Nekem olyan joule méter kéne, ami méri és tárolja a joulokat, nem csak valós időben mutatja. Köszi!
Hello!
A 1 Joule= 1Wsec. Tehát a Watt teljesítmény, a Joule meg munka. (Érdekes lenne "valós időben" mutatni) Fogalmam sincs mit szeretnél mérni és hogyan, de teljesítményt kell mérni, és azt időben integrálni. Ha teljesítményt már tudsz mérni (ott ahol kell), akkor ajánlom figyelmedbe ezt a kapcsolást. Ez ugyan nem teljesítményt mér, hanem Ah-t. Vagy is az áramot integrálja időben. De ha a Shunt ellenálláson eső feszültség helyett a teljesítménnyel arányos feszültséget tudsz rávezetni, akkor munka lesz belőle. De szerintem árulnak is, "fogyasztásmérő címmel". üdv! proli007
Helló azt szeretném kérdezni ,hogy quad motor-hoz nem tud valaki szerezni kapcsolási rajzot ,egyszerü kínai 150 cm3-s nincs márka neve föként a km órás része érdekelne elektromos km/h óra van rajta
előre is köszönöm!
Helló Mindenkinek.
Egy elég érdekes dologgal szembesültem a minap bütykörészés közben.Szóval van az autómban elektromos csomagtérnyitó.Ez egy bazi nagy elektromágnes.Ha nyitok a távval akkor 1 másodpercre behúz utána a vezérlő elveszi tőle a feszt.Na erre akartam én két ledet kötni,amik világítanak a csomi ajtóban.Volt késleltetőm meg fesz stabilizátor.Működött is szépen a rendszer mindaddig amíg nem kötöttem párhuzamosan az elektromágnessel.Akkor az istennek sem akart kigyúlni a két led.Ha a zárnyitó mágnes nélkül kötöttem rá hátul a mágnes vezetékére akkor jó volt.Ha elöl a vezérlőnél kötöttem a hátramenő szálra akkor is.Aztán elkezdtem kiszedegetni a dolgokat a rendszerből.Most van a mágnes,vele párhuzamosan a két led kopaszon minden nélkül polaritás helyesen,és csodák csodája de világít amíg a mágnes be van húzva.Erre kéne nekem valami egyszerű kapcsolás,hogy ezt az időt mondjuk 10-20 másodpercre kitolni.A bibi csak az,hogy a 12 voltos késleltetők nem működnek ebben a felállásban.Most vagy vezetékelek elölről a kocsi hátuljáig,amihez nem sok kedvem van.Jó lenne ha valaki tudna javasolni egy kapcsolást ami működőképes lehet.A fix infók.A led kék szinű 2000 cmd-s 2 darab előtét ellenállás nélkül.fix test van hátul.Plusz 12 volt pedig 1 másodpercig van.Vagyis nem is annyira 12 az mivel a ledek nem mennek galyra.megmérni nem tudtam pontosan mennyi fesz is van,mert túl lomha hozzá a multiméterem.Ha nagyon muszály fix plusz 12 voltot is tudok keríteni a csomiban.Első nekifutás az volt,hogy egy relét kötök párhuzamosan a zárnyitó mágnessel.Ez ad feszt a stabil 12 voltrol a ledeknek egy fesz stab ic-n keresztül.A relé által kapcsolt 12 voltot pedig késleltetem egy elektronikával.Na ez az út nem volt járható,mivel nem húzott be a relé.Csak azt nem értem,hogy ha a vezérlőnél kötöttem rá a nyitó szálra akkor meg mért működött a nyitóval együtt is.Eshet ekkora fesz 2 méter vezetéken?Ha valakinek lenne működőképes ötlete egy móriczka rajz kiséretében azt megköszönném üdv
A kondi méretétől függ a világítási idő. Ezt még lehet finomhangolni esetleg egy párhuzamos ellenállással a kondi mellé. Ezt az egészet a tekercsel párhuzamosan kell betenni.
Helló
Ez tényleg elég egyszerűnek tűnik.Ki is fogom próbálni,remélem bejön.Köszi a segítséget. üdv
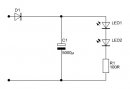
Sziasztok!
A képen látható modulhoz keresek kapcsolási rajzot! Ha valaki tud valamit, hogyan, vagy merre keressem az írjon! Köszönöm előre is! Üdv:Infinity80 Szerkeszteve : Ne püföld az entert, köszi !
Üdv mindenkinek.
Ha valaki tud segíteni a problémám megoldásában annak nagyon örülnék ![]() A gond a következő: Egy Yamaha FZR 600-as motorhoz keresek kapcsolási rajzot, méghozzá a motorvezérlő elektronikájához ![]() Ha valaki tudnak nekem ebbe segíteni, és ha megvan azt publikálnál annak nagyon örülnék. Előre is köszönöm a válaszokat
Na, emberek megvan. Már csak le kéne fordítani.
Bővebben: Link
Hello!
Mit kell ezen lefordítani? Ott a rajz. - Az IC1 egy Bandgap referencia "dióda" aminek feszültsége általában 1,23V. - A T1 a hőérzékelő elem. - A nullpontot az R5-el, a végértéket, az R2-vel lehet beállítani (kalibrálni). - A "VISTUP1" nem más, mint a digit multiméter. Ha ez lett volna a kérdés.. üdv! proli007
Üdv!
ezekre én is rájöttem rajz alapján csak lehet hogy valamit nem tudom mit ír a szöveg ami hasznos lehet. De köszi.
R5-tel 0fok (vode s kockami ladu) jégkockás vízben (mozgatva,kevergetve),
R2-vel 100fok (vo vriacej vode) forró vízben, vystup - kimenet (multimeter) 200mV méréshatárban a felbontás 0,1fok, a tranyóval 150fokig lehet mérni (mint bármely més Si félvezetővel).
Sziasztok!
Keresek egy olyan kapcsolást, ami a három fázis meglétét egy led-del jelezné, hasonlóan mint a három fázisú mérőkben van. Köszönöm!
Szia!
Ez egy fázissored és fáziskimaradás-jelző: Bővebben: Link
Köszönöm!
Ilyesmire gondolok, de nem áll rendelkezésre 12V, csak a három fázis. Ha 12V elő állítására is lenne egy korrekt megoldás, akkor ezzel a rajzzal össze lehetne állítani?
Segítséget szeretnék kérni vettem egy 110es 4 ütemü kínai quadot de akitöl vettem kiszedte a motort hogy megcsinálja és szétvagdalta a kábeleket kéne egy kapcsolási rajz hogy tudjam ki kivel van.
Biztosan 110V-hoz méretezték a kapcsolást. Értelem szerűen adaptálni kell az itteni viszonyokhoz.
Általában minden kábel más színű. Nem lehetne esetleg színt-színnel összekötni? Én tuti ebből indulnák ki. Végignézném, hogy megvan-e minden kábelnek az azonos színű párja és ha egyezik, akkor csak össze kell kötni az egyformákat. Meg olyan sok kábel nem is lehet, hogy ne lehetne megoldani a problémát.
Akkor viszont az egészet újra kell számolni, mert egyik ellenállás értéke sem jó!
Egy led-del szerettem volna, de ha más nem lesz...
Végül is így is jó... Köszönöm a segítségetek!
Én az R1-R2-R3-at dupláznám és slussz.
Sziasztok!
Van egy időrelém amit bekötési rajz és tudatlanságom miatt nem tudok bekötni. A kis "ügyes" még nem tudom mire, de beépíteném valahova. Aki többet tud róla, és megírja mit hova kell kötnöm azt megköszönöm. Köszi
Szevasz!
Rajzoltam neked egy 3 alkatrészes változatot! A lámpa lehet pl. egy LED méretű 230V-os Glimm lámpa, de rajzoltam mellé egy "LED-es" megoldást is a Glimm helyett, ha ehhez ragaszkodsz. A relék bármilyen mini relék lehetnek: pl. kis Finder vagy Schrack gyártmányok.
Köszönöm és azt is, hogy foglalkoztál vele!
Helló
Kaptam két panelt de nem tudom a beültetést.Ha valaki meg tudná mutatni a kapcsolási rajzot vagy beültetési rajzot annak örülnék ![]() Köszönöm
Helló dravecz!
A képen látható reléfoglalat szabványos számozása alapján a bekötés a következő: a 13. 14 pont a relé tekercse, azaz tápfeszültsége. Nem tudom, hogy a relén van-e valami adat? Mekkora lehet a tápfesze? Ide köss elsőnek 24V DC vagy AC-t. A forgató gombját állítsd minimumra, add rá a feszültséget, DYM típus jelzés valószínüen meghúzás késleltetést jelent, tehát a rajta levő LED-nek ki kell világítania a beállított idő letelte után. Az skála 1 értéke 1 percet jelent, türelmesen várni! Ha nem történik semmi akkor lehet, hogy 230V-os, azzal is megpróbálandó óvatosan! A foglalat további számozása alapján alapesetben négy váltóérintkezős reléről van szó mely szerint az 1-4-ig a nyitók, 5-8-ig a zárók, 9-12-ig meg a morse érintkezők közös pontjai. Nem biztos, hogy jelen esetben mind használva van. Gyári adatlapom nincs, szerintem megszünt magyar relé ez. |
Bejelentkezés
Hirdetés |




















