Fórum témák
» Több friss téma |
Fórum » Kapcsolási rajzot keresek
Témaindító: Kallai Csaba, idő: Márc 11, 2006
Témakörök:
A testeléseket is végig nézted? Valamint az összes csatlakozót, biztosító érintkezését, stb. ?
Szerintem csak jobb a gyárit megcsinálni, elég sok Opelban működik rendesen ![]() De, hogy azért a kérdésre is írjak valamit: ezt láttad már?
Helló!
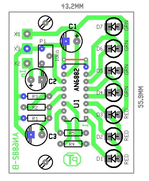
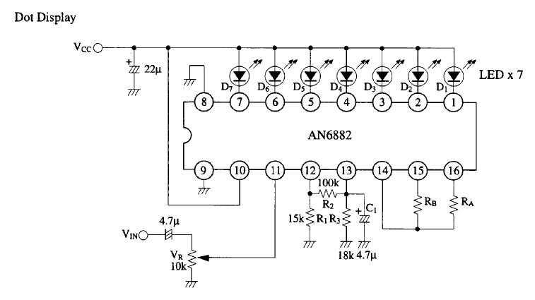
Valaki tud adni an6882-es kivezérlésjelző kapcsolási rajzot és nyáktervet? Kösz!
Idézet: „Első alkalommal be is néztem: (hibás döntés volt testhibára gyanakodni.., és járó, -de rángatózó motornál a gyújtótrafó 1-es pontját testre érintve komplett gyújtásmodul meghalt!” 1-es pontot letestelni? Az egyenlő azzal, hogy le fog állni a motor. Azt a pontot szaggatja meg a gyújtásmodul. Ha épp nem kell szikra, akkor testen van, ha pedig szikra kell, akkor lekapcsolja a testről és jön a szikra. Ekkor itt mérhető akkufesznél nagyobb fesz is, az önindukció miatt. A mágneses tér összeomlása következtében lesz a nagyfesz is, de itt is kialakul egy feszültség impulzus. Jobb esetben a gyújtásmodulban van erre védelem. Ja és elektronikus gyújtáshoz nem használható bármilyen trafó, amit csak előkotrunk a szekrény mélyéből. Ezeknek a trafóknak más ez ellenállása, más induktivitásuk van, mint egy sima megszakítós autóból bontott trafónak. Hasonló szitu volt már nálam is. Skoda trafó, nagyon hasonló elektronikus gyújtás(Opel Kadett). Szikra volt, de nem igazán erőteljes. 0,6mm gyertyahézagnál sem volt igazán szép szikra. Gyári új trafót tettem bele, ezután 1,2mm-es gyertyahézagnál is erőteljes szép kék színű szikra. Ha nem volt gyertya a kábelen, akkor akár 4-5mm-t is átcsapott. A nem hozzávaló trafó haza is vághatja a gyújtásmodult az eltérő(általában kisebb) ellenállása miatt. Mindent kicseréltél, csak épp a fő alkatrészt nem, ami a trafó. Kicseréled a fél autót, közben meg lehet, hogy épp előtted van a hiba okozója.
Keresem a TR 1408-as csővoltmérő kapcs. rajzát, előre is köszönöm!!!
Hello!
"Cipőt, a cipőboltban!" - szólt valaha a reklám. Miért nem a topikjában vagy a kapcsolások között keresed? De egy példa.. üdv proli007
Ez sajna nem az, ebben a műszerben van 1db ECC 82 és a nagyfesz mérésére meg egy EY 86-os, a diódák: 2db BY 238 és van még benne egy ZG 6.8(a fűtőfesz. stabilizálására).
Hello!
Halványan emlékszem erre a műszerre, (lekerekített sarkú tégla volt a jellegzetes kalapácsalakkal, és 120DA-s műszerrel) szerintem a suliban még után gyártottuk is.. Persze, csak az éppen 44 évvel ezelőtt volt. De kiindulási alapnak akkor is jónak kell lenni ennek kapcsolásnak. Az sem több, egy differenciál erősítőnél. De én más forrást nem tudok. üdv! proli007
De ez an6884.Nekem pedig an6882-esem van!
Nekem csak az egyenfesz. méréssel van gondom, kipróbáltam egy 250V-os szekunderű trafóval, egyenirányító egy Graetz-híd(BY 255), pufferkondi meg egy 2x100µF/350V. Viszont, ha kiszámoljuk, 250V váltóra kb. 350V egyen kellene, hogy legyen, erre a műszer nem mér csak 300V-ot. Az ellenállás mérése is rendben(0.5 és 1%-os ellenállásokat mértem minden tartományban).
Hello!
Bocs! Kapcsolási rajzot az adatlapon találsz, két félét is BAR (vonal) és DOT (pont) kijelzéshez. (Az IC marker (félkör) jelzése szerintem nem jó oldalon van.) üdv! proli007
Hello!
És pufferkondi volt a mérésben? Valamint terheletlen volt a táp? Mert különben mérhet bármit.. (Csak ez az egyetlen műszered van?) De ellenőrizheted a méréshatárokat, egy azonos ellenállásból álló feszültségosztó segítségével, hogy mindenhol mást mér, vagy csak ebben a méréshatárban? Mert ugye ez már, OFF itt! üdv! proli007
Szia!
köszi a tippet, de már volt próbálva. Az 1.1-es trabant is rohadt hasonló az opel gyújtásához(primer és szekunder kör ohm-os ellenállásra, hall jeladó tekintetében sincs nagy különbség, próbaképpen azzal lett először tesztelve.. két használt 1.1-es trabi és később 2 rendes opel belevaló trafóval is ugyanaz a szituáció és a hibajelenség is!(Csak azért nem rögtön opel trafóval néztem meg mert nem volt itthon a polcomon, illetve azért nem vettem egy újat mert nem hinném, hogy 4+1trafó is pontosan ugyanúgy és ugyanott lenne mondjuk menetzárlatos... A "lada tirisztoros gyújtása" ötlet másképpen jött.. Ez hosszú történet.. De a lényeg: Korábban találkoztam már ilyen gyújtással és nagyon ott volt! Illetve a lada trafót már direkt a tirisztoros gyújtáshoz vettem. Azért köszönöm a segítséget! Te nem tudnál segíteni tirisztoros lada rajzzal kapcsolatban, vagy valaki? Köszönöm előre is! Üdv:Infinity80
90-es évek eleji RT évkönyvben mintha láttam volna több tirisztoros gyújtás rajzot. Azokban kellene szétnézni. Akkortájt volt nagy divat a régi megszakítósokat a tirisztorosra feljavítani.
Hello!
Tekintve, hogy még Junior vagy, elkészítettem neked a nyáktervét is. A trimmer egy 64Y 10K / 753Y T93YB típusú, a többi gondolom látható. A piros vonal, egy alkatrész oldali átkötő vezeték. Remélem erre gondoltál. üdv! proli007
Sziasztok!
Egy régi képcsöves Sony tv szétszedése közben sikerült kimentenem egy TDA 7294 erősítő IC-t, tudna valaki adni hozzá valami jó kapcsolási rajzot adni, hogy erősítőt építhessek belőle? Nyákterv nem létszükséglet, fórszemes próbanyákra gondoltam csinálni.Jó lenne a két hangfalát, meg a "mélynyomóját" újradobozolni, és meghajtani vele. Előre is Köszi!
Szia! Nézz be a topicjába. Bővebben: Link
ohh, bocs elírtam a számát
(ez volt a vágólapon)..és kifutottam a szerkesztési időből!Amihez kapcsolási rajzot keresek, az a TDA7497!
Üdv keresek egy olyan kapcsolást ha létezik és programozást nem igényel! A lényege az elenne hogy 15 percenként bekapcsoljon és két percig behúzva tartson egy jelfogót ! Létezik ilyen kapcsolás?
Szia.
Ha nagyon egyszerűt akarsz, és szeretsz kísérletezni használhatsz egy villogtatót is, aminek a villogási ütemét a kondenzátor kapacitásokkal lehet változtatni.. A kapacitást pedig úgy kell megválasztani... Megkeresem majd, ha lesz időm, addig hátha érkezik használhatóbb ötlet is.
Jelenleg kísérletezni nincs idom bar szeretek ! Erősítő építéssel vagyok lefoglalva csak most valaki szolt hogy kellene neki egy ilyen vízpompához !
Ok. Ezt ajánlom. Bővebben: Link
Köszi!
Az az igazság, hogy ezt láttam már, de nem vagyok túl tapasztalt elektronika terén, és nem tudom értelmezni, az s_GND-nél IS látható háromszöget Esetleg te megtudod mondani, hogy mit jelöl? Oda a bemenet GND-je megy?
A teljesítmény és a jelföldet bátran összekötném.
Köszi, akkor nekiesek
Szia!
Köszi a segítséget, néztem már pár oldalt, de ez jól jött. -még oroszt is néztem, bár nem tudok oroszul. ![]() De hát sok kicsiből jön össze egy egész! ![]() Persze minden vezetéket átnéztem ami szóba jöhet, -egy fojtószelep potméter vezetékkel volt csak gond, ami kidörzsölődött és néha letestelt (ez szigetelve lett), de a hiba változatlan. Szóval az eredeti gyújtásmodult mindenképpen meghagyom, ha akarom ha nem, marad, mert ezen keresztül történik az injektor vezérlése is, illetve nélküle az ECU nemtudná szabályozni az előgyújtást sem, ugyanis C16NZ-nél még felső holtponti jeladó sincs!! ![]() -Mostmár alakulóban van egy kapcsolási rajz, egyenlőre csak gondolatban, de ha készen lesz (mármint nem csak virtuálisan) akkor lerajzolom és felteszem ide, még megépítés előtt, hátha találtok benne valami hibát.-Mert azért több szem többet lát, illetve, biztosan lesz majd néhány kérdésem, a tirisztor védelmével és tehermentesítésével kapcsolatban.(-Gondolok itt egy kisebb előtét ellenállásra.. illetve túlfeszültség impulzusokra..) Addig is köszi szépen a segítséget neked és mindenkinek! Üdv:Infinity80
Üdv!
Kondenzátor számkód táblázatra és induktivitás színkód táblázatot keresek.
Kondink van:Bővebben: Link
|
Bejelentkezés
Hirdetés |









(ez volt a vágólapon)..és kifutottam a szerkesztési időből!






