Fórum témák
» Több friss téma |
Fórum » Kapcsolási rajzot keresek
Témaindító: Kallai Csaba, idő: Márc 11, 2006
Témakörök:
a keresömbe mi irjak be mert a mert hiába irtam becsa azt a pic-eset adta meg amit nem tudok a PIC Megépiteni.
Hátnagyon köszönöm a segitségedet de kat ide semmi képeket nem adott vagy én vagyok nagyon kezdő majorka
Hat nem tudom mire akarod hasznalni de itt egy "egyszeru":Bővebben: Link
A pontos meresekhez keress digitalisat.
Sziaztok!
Két órája túrom a fórumot de sehol se találom! Egy időzítő lámpakapcsolót keresnék mozgásérzékelőhöz illetve kapcsolóhoz! Tulajdon képen az a kapcsolás kellene ami a mozgásérzékelős lámpákba van mert az kapcsolható időzítősre is és állandóra is ugye? Köszönöm!
Üdv Mindenkinek!
BLY91A típusú tranzisztorral felépített rf végfokhoz keresek kapcsolási rajzot.Köszönöm
Itt van egy, de számít ám a frekvencia is !!!!
Üdv!
Erősítőhöz szeretnék audio power meter/peak power indicator-t készíteni egy LM 3915 N-1 típusú led vezérlővel. Valaki tudna kapcsolási rajzot hozzá ami stereo ? Két csatornás az erősítőm, és azt szeretném hogy mind a két csatornát mérje, és hogy a legnagyobbat jelezze. Köszönöm!
Ha a gugliba beírod a tipusszámot ,dob ezer linket ....ez az egyik mondjuk ebből építs 2 db ot
A hozzászólás módosítva: Jan 23, 2014
Itt sok mindent megtalálsz audió és egyéb témában, közte van a keresett kapcsolás is.
Sziasztok!
Keresem az OPEL gyártmányú ASTRA GCC1.2 típusú 1999köbcentis 55KW-os 2002 évjáratú autó kapcsolási rajzát. A kilométer óra jeladójával van gond azt szeretném kikeresni. Ha valaki útba tudna igazítani az jó lenne. Köszönettel :pumpa
Szia!
Biztos hogy pontosak az adatok? Mert az elején azt írod 1200ccm aztán meg már 1999... de valószínűleg az 1.2-es amit az 55kW-is alátámaszt ha 16 szelepes. Egyébként ha jeladó gondod van akkor magát a jeladót cseréld, ami általában a bal első tengelyen/ben van.
Itt megtalálod, le kell tölteni
A hozzászólás módosítva: Jan 25, 2014
Szia!
Bocsánat valóban elírtam 1199köbcentis az autó. Én tudomásom szerint sajnos külön a jeladót nem lehet cserélni, csak egybe az egységgel. Még megpróbálom a kábelt kimérni hátha szerencsém lesz és itt van a gond. Gerenk-nek köszönöm a linket letöltöm és tanulmányozom. Köszi a segítséget mindkettőtöknek! Üdv:pumpa
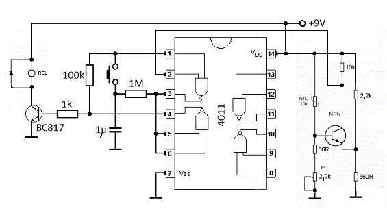
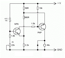
Sziasztok, egy olyan hőfokvezérlőnek keresem a kapcsoló rajzát, ami olyan 75-85 fokon nem ki hanem be kapcsol egy relét.
Egy számítógéphez kapható (vagy készíthető) ventilátor indító áramkör nem lenne jó? 12V kapcsol (oda ráteszel egy relét) és állíthatod a hőfokot.
Szia!
Mennyire pontos kellene? Várhatóan mennyire sűrűn kapcsolna és milyen hiszterézissel (differenciál)? De úgy is kérdezhetném, hogy mihez kellene.
Szia.
Erősítőbe kéne nekem. Annyira pontos nem kell, csak mint irtam kb 70-80 fokon tujon be kapcsoni egy relét.
Bővebben: Link
Bővebben: Link Bővebben: Link Az utolsót megcsináltam, erősírtőbe tökéletes megoldás, előlapi kijelzés is van rajta. A hozzászólás módosítva: Jan 30, 2014
Jó kis kapcsolások köszi, csak az a baj hogy nincs MBR10100 diódám nekem valami olyan kellene ami egy 10k ntc-el müködne. Olyat tudnátok ajánlani?
Bővebben: Link
Ezt is megépítettem, tökéletesen működik (proli007, Alkotó produkció).
Nekem valami kis egyszerübb kellene nem muszáj kivezérlésjelzővel.
Kettő alapfokú, viszont műv. erősítővel precízebb építhető.
Köszönöm a kapcsolásokat, az elsőt meg is építettem és hibátlanul müködik. Csináltam hozzá nyáktervet is, ha valakit érdekel
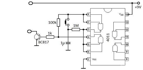
Csináltam az erősitőmbe régebben egy nyomógombos Mute vezérlést 4011-es ic-vel. Most ehez kellett ez a hőkapcsoló, azt szeretném elérni, hogy mind két kapcsolással lehessen vezérelni a relét, de nem nagyon sikerül ha a relére rákötöm mind a két kapcsolásnak a kimenetét a relé behúz és nem kapcsol ki sehogy sem. Megoldható hogy lehessen müködtetni mind a két kapcsolással a relét?
Hello! Pld. így.. üdv!
Szia jó megoldás, behúz a relé csak mikor lehűl a borda nem enged ki, bekapcsolva marad. Lehet mé valahogy korigálni?
Hello! Lehet, csak úgy gondoltam, ha kikapcsolt, akkor már túlmelegedett valami. Vagy is bekapcsolni kézzel kell ezután. Míg meleg, meg nem lehet bekapcsolni sem. Azért át kellene gondolni mit tegyen, hátha nem is ezt akarod, vagy esetleg nem logikus amit szeretnél..
Mert még mondani is fordítva mondod. Egy relé "meghúz és elejt". Valamint akkor kapcsol be, mikor meghúz. és nem fordítva. (Legalább is ha nem a nyugvóérintkezőt használja valaki..) üdv! A hozzászólás módosítva: Feb 1, 2014
Idézet: „Míg meleg, meg nem lehet bekapcsolni sem” Ez zavar hogy be lehet |
Bejelentkezés
Hirdetés |














