Fórum témák

» Több friss téma
Fórum » Kapcsolási rajzot keresek
 
Témaindító: Kallai Csaba, idő: Márc 11, 2006
Témakörök:
Lapozás: OK   318 / 385
(#) Pafi válasza exabit hozzászólására (») Jún 10, 2017 / 1
 
Sajnos egészen pontos értéket nem lehet mondani a cos(fi) ismerete nélkül, de legfeljebb

0,11÷(2×π×50×√(230^2-115^2))=1,76 µF kell, szóval az 1,5 µF valószínűleg tökéletes! Majd ellenőrizd feszméréssel!
(#) djcaveman hozzászólása Jún 10, 2017 /
 
Sziasztok.
Omnitronic P-250 rajzát keresem... google jó barát, de nekem az a rajz kellene, amiben egy-egy pár végtranyó van... Amit találtam, abban 2-2 pár van, és csak hangyányit hasonlít arra ami itt van...
A hozzászólás módosítva: Jún 10, 2017
(#) tasak hozzászólása Jún 12, 2017 /
 
Üdv. Mindenkinek! Kaptam egy Grundig music boy-150 tip. rádiót. Kidobták volna, mert nem szól... ,Amúgy meg egészen jó bőrben van,vagyis pofás kis darab. Ha valaki tudna róla egy kapcsolási rajzzal kisegiteni, megköszönném. Megpróbálnám életre kelteni, talán sikerül...Mert mint tudjuk: egy jó "KOTTA"az szinte fél siker. Előre is köszi, ha ebben valaki segítene... Üdv. tasak
(#) gyulank hozzászólása Jún 12, 2017 /
 
Gitár impedancia, és feszültség illesztésére nem gitár erősítőhöz tudtok javasolni valamit?
(#) Sebi válasza gyulank hozzászólására (») Jún 13, 2017 /
 
A gitár PU kimeneti feszültsége 2mV körül van - hasonlóan a dinamikus mikrofonhoz.
A bemeneted érzékenységét kellene tudni (általában odaírják mellé, vagy a dokumentációban szerepel). Ennek ismeretében simán lehet építeni egy előerősítőt.
Ha van dinPU bemenet (lemezjátszó) azon rendesen megszólal.
(#) lajcsy78 hozzászólása Jún 13, 2017 /
 
Sziasztok

LG XA63-DOU típusú hifihez valaki nem-e tudna kapcsolási rajzot??

Köszönöm
(#) gyulank válasza Sebi hozzászólására (») Jún 13, 2017 /
 
Jó, de mondjuk ilyen sima erősítőt, amire gondolom vonal kimenetre kell kötni, arra van direkt rajz, ami arra való? Impedanciaillesztéssel.
(#) Fülöp Ferenc 49 válasza Pafi hozzászólására (») Jún 15, 2017 /
 
Valami nem stimmel a képlettel , mert a 2,2 A fogyasztáshoz 352 nf jön ki eredményül. Nekem is van egy 120 v-os gépem 2,2 A fogyasztással , szerintem az eredmény kevésnek tűnik. segits ha tudsz légyszi.
(#) Pafi válasza Fülöp Ferenc 49 hozzászólására (») Jún 15, 2017 /
 
Elnézhettél két tizedes jegyet. 35,2 µF lesz az.

Viszont ekkora gépnél már vigyázni kell! Ventillátor egyáltalán? Más alkalmazásban nem mindig megengedhető a soros kondis módszer!
A hozzászólás módosítva: Jún 15, 2017
(#) Fülöp Ferenc 49 válasza Pafi hozzászólására (») Jún 15, 2017 /
 
Egy amerikából kapott kis fúrógépről lenne szó, 120 volt 2,2 A van ráírva , próbáld légyszives te is kiszámolni a képlettel , hátha rájövünk a hibára . Ha a 0.11-et osztom el ugyanazzal mint a 2.2 -t
akkor jóval nagyobb szám jön ki az utóbbival, ami kisebb kapacitást jelent, Köszi a választ
(#) Pafi válasza Fülöp Ferenc 49 hozzászólására (») Jún 15, 2017 /
 
Ami nagyobb az nagyobb. A "képlet" Faradban (SI alapmértékegység) adja meg a kapacitást, csak arrébb kell tenned a tizedesvesszőt 6 helyiértékkel, hogy µF legyen.

Viszont fúrógépre nem jó.
A hozzászólás módosítva: Jún 15, 2017
(#) Temela hozzászólása Jún 17, 2017 /
 
Sziasztok!

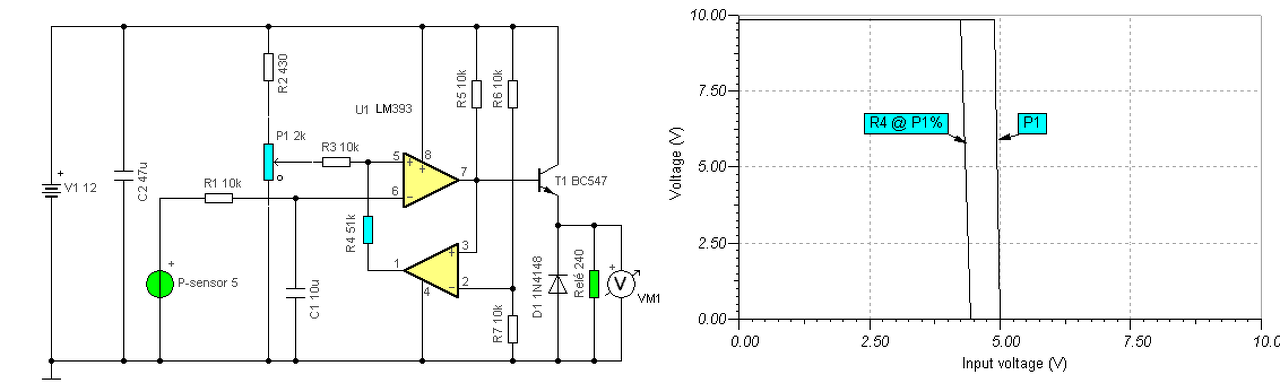
Nyomásérzékelő jeladóhoz szeretnék építeni kapcsoló áramkört. A bemenetnek 0-10v-ig kellene kellene fogadni és egy kacsoló kimenet. (természetesen hiszterézis állíthatósággal). Hidroforra lenne elektronikus nyomáskapcsoló a mechanikus helyett. Eddig még nem találtam semmit, hátha lenne valakinek használható rajza.
Köszönöm a segítséget.
(#) Sebi válasza Temela hozzászólására (») Jún 18, 2017 /
 
Pedig egyszerűen beírhattad volna a fórum keresőjébe...
Bővebben: Link
(#) proli007 válasza Temela hozzászólására (») Jún 18, 2017 /
 
Hello! Kicsit pontosíthattad volna a dolgot. Mit működtet, mekkora értéket állítottál volna be min-max. Mekkora hiszterézisre gondoltál. stb. De ha így megfelel..
A P1-el lehet beállítani a kapcsolási értéket és az R4 változtatásával a hiszterézis nagyságát. (R4 értékével fordítottan arányos a hiszterézis nagysága, de mindig a kapcsolási érték százalékában hat. Tehát ha pld. 10bar a kapcsolási érték és 1bar a hiszterézis, akkor a kapcsolási értéket 5bar-ra állítva a hiszterézis is 0,5bar lesz.)
A hozzászólás módosítva: Jún 18, 2017
(#) Gafly válasza proli007 hozzászólására (») Jún 18, 2017 /
 
Mellesleg ez gyanúsan boltban polcról leemelhető terméknek tűnik, amit nem feltétlenül kell újra és újra feltalálni...
Tudom, az ilyenekért fizetni kell a boltban
(#) Temela válasza Sebi hozzászólására (») Jún 18, 2017 /
 
Köszi!
Igen.
(#) Temela válasza proli007 hozzászólására (») Jún 18, 2017 /
 
Köszi!
Igen, ilyesmire gondoltam. ("hidroforra lenne...")
Megfelel amit feltettél. Kérdésem csak annyi, hogy a bemenet 0-10 V -ig van-e vagy kell valami még hozzá? A szenzor a nyomás függvényében 0-10v-ig adja a jelet.
Lehet, buta volt a kérdés. A voltage (V) az ábrán a max. bemenőt jelenti vagy a tápfeszt? (bár a kapcsolási rajzon 12v tápfesz (v1) van.
A hozzászólás módosítva: Jún 18, 2017
(#) proli007 válasza Temela hozzászólására (») Jún 18, 2017 /
 
A bementi feszültség 0..10V lehet. A kapcsolási pontot a P1--el lehet beállítani. Jelenleg a szimulációban középen van, így 5V-nál kapcsol, mint ahogy a grafikonon is látható. (Természetesen mindennek van egy "értelmezhető bementi tartománya". Mert ha a kapcsolási értéket nullára állítod, akkor a hiszterézis is nulla lesz. De ez ne zavarjon.)
A tápfeszültség 12V. A P1 is 0..10V-ig szabályozható, ha kiszámolod. A 10V onnan jön ki, hogy a relére a tápfeszültség értékénél valamivel kisebb feszültséget fog kiadni az áramkör. De erre a relé simán meg fog húzni, mert nincs benne feszültségmérő.. (A "voltage (V)" a kimeneti feszültség, az Input voltage (V) pedig a nyomásszenzorról érkező feszültség szimulációja.
A grafikonon azt látod, hogy 10V a kimenti feszültség (relé húz), amíg a bement el nem éri az 5V értéket. Ekkor nullára esik le (ejt a relé). Majd visszafelé jövet (csökken a nyomás), csak 4,5V-on lesz ismét 10V (húz a relé). A visszabillenési pontot lehet az R4 értékével állítani.
(#) Szabi1 hozzászólása Jún 18, 2017 /
 
Sziasztok! Ennek a UPS-nak keresem a kapcsolási rajzát.
(#) Temela válasza proli007 hozzászólására (») Jún 18, 2017 /
 
Köszönöm szépen!

Ilyenre gondoltam.
(#) otvenkilenc hozzászólása Jún 18, 2017 /
 
AFM gyártmányú TUE40 esztergagép kapcsolási rajzát keresem.
(#) szikorapéter hozzászólása Júl 17, 2017 /
 
Sziasztok. Twin Line 300 kapcsolási rajzát keresném,és akár panelrajzát is. A válaszokat előre is köszönöm.
(#) otvenkilenc hozzászólása Júl 17, 2017 /
 
Trakis AWI- 250 AC/DC tirisztoros hegesztőgép logikai vezérlő kapcsolási raját keresem.
(#) macera2 hozzászólása Júl 17, 2017 /
 
Üdvözlet mindenkinek!
Asus Xonar DG hangkártya e.k. rajzát keresem. Ugyanis az egyik kimenő csatornája, ha letiltom a kártyát, akkor is "sistereg". Hátha valamelyik elkó cseréjével, v. árnyékolással megoldható lenne a probléma.
(#) Pafi válasza macera2 hozzászólására (») Júl 18, 2017 /
 
Nekem képek alapján úgy tűnik hogy szemmel szinte végig követhető az áramkör a kimenet felől visszafelé a fő IC-ig. Esetleg 1-2 helyen (elkóknál) még ki kell csipogni. Nagyobb kérdés hogy hogyan tudod megkülönböztetni a jó alkatrészt a rossztól, és hogy nem a fő IC-ben van-e a hiba. Amúgy működik az a csatorna?
(#) mraulajos hozzászólása Júl 22, 2017 /
 
Hali!
Ennek a NUX-122AMK hangsugárzónak a kapcsolási rajzában ha segítene valaki, megköszönném.
(#) soos csaba hozzászólása Júl 22, 2017 /
 
Sziasztok!
Nincs meg véletlenül valakinek a PROEL 1300-as erősítő rajza?, a PROEL 1400-as rajzát meg leltem, de nem stimmel ez a rajz a 1300-aséval!
Ha valakinek meg van azt meg köszönném!
(#) Tarbur hozzászólása Júl 25, 2017 /
 
Sziasztok!
Tudnatok ajanlani olyan (elsosorban keszen megveheto) aramkort ami a csokkeno feny fuggvenyeben szabalyozza a rakapcsolt ledeket? Tehat mar szurkuletkor elkezdenenek pislakolni a ledek, majd ahogy sotetedik egyre erosebben. Max 12V-ig bezarolag. Koszonom elore is!
(#) wbt válasza Tarbur hozzászólására (») Júl 25, 2017 /
 
NPN tranzisztor Emmiter=GND, GND-Bázis-ra fotoellenállás, a Bázis felhúzva néhány Kohm-al +Tápra, Kollektor meg +Tápra meg a LED. Kérdés, mekkora áram kell, mert ez disszipatív. A felhúzóval (illetve a fotoellenállás típusával) be tudod lőni az érzékenységi küszöböt/meredekséget. Esetleg még a fotoellenállással párhuzamosan egy nagyobb kondi.Jó játék.
(#) Tarbur válasza wbt hozzászólására (») Júl 25, 2017 /
 
Köszönöm! Megpróbálom dekódolni az infót és megépíteni.
Következő: »»   318 / 385
Bejelentkezés

Belépés

Hirdetés
XDT.hu
Az oldalon sütiket használunk a helyes működéshez. Bővebb információt az adatvédelmi szabályzatban olvashatsz. Megértettem