Fórum témák
» Több friss téma |
Igen ki lehet hozni,én is készítettem már pc táp trafóból bontás nélkül,2x50V kijött belőle.
Erről lehetne többet is tudni? Engem-és gondolom többeket-nagyon érdekelne ez az átalakítás, na és az új vezérlés i. Feltéve, ha publikus!
Mit szeretnél tudni? A trafó a PC tápból kibontott sok helyen fellelhető EI33. Ezt úgy keresgéltem, válogattam ki, hogy a vasmag és a feltekert huzal, valamint szigetelés közé beférjen még 3,5 menet 0.15 mm átmérőjű huzal. Ezt ügyesen befűzöd, és ahogy a képemen is látszik rá van tekercselve ez az extra 3,5 menet. Erről kapja a tápot az IR2153 IC alapkapcsolása egy soros 56 Ohm + 1n4148 dióda kombóval. Annyi van még, hogy az IC indító áramát 3db sorosan kapcsolt 270 kOhm ellenállás szolgáltatja a 325 V körüli DC busz feszültségéből. Az IC tápja 47µF lowesr + 100nF kondit tartalmaz. Ezzel így kb 2 másodperc alatt bekapcsol a táp.
Jól meg kell pufferelni a primer oldalt! Különben esni fog a kimenet is több Voltot is akár. Nekem annyi pufferrel csak 1-2 V feszültség esés van, minden féle stabilizálás nélkül. Kapcsi freki 60-66 kHz között van. Asszem 1nF + 18 kOhm az RC oszci. De lehet tévedek. Meg kellene néznem. de ez lényegtelen, mert be tudod lőni 60 kHz-re. A kimenet nekem úgy alakul, hogy egy PC táp trafó 2 x 25 V feszültséget ad. Sorba kötöttem a DC-ket. Graetz kapcsolásban egyenirányítok. Aztán a másik trafó dettó ez. Sorba kötöttem és van 4 X 25 V beton stabilan. Ebből 2 x 50 V kapja a Végfok, és a kivezetett 25 V -okon megy az előfok. Így mindent meghajt a táp az erősítőben jó hatásfokkal. Még a trafó is kézmeleg marad. Na most ha egy trafóval akarsz 2 x 50 V -ot, akkor két diódával egyenirányítol. Egyik ág tölt egy Kondit, a másik ág a másikat. Viszont csak akkor lesz szimmetrikus a kimenet ha pont 50% a kitöltési tényező. Szóval ebben az esetben +- pár Volt feszültség eltérés lesz, mert hiába az IC, még sose láttam hajszál pontosan beállni.
kiszámoltam a menetszámot, 35 menet jött ki. megtekertem 6x0,125 huzalból a 35 menetet, majd kiszámoltam a szekunder menetszámot, az 10 menet lett. szekunder oldalon duplán vettem 0,5 mm huzalt és egymás mellé téve a vezetéket tekertem fel a 10 menetet.
induktivitás mérések: 5 mH szórt 0,1 mH (szerintem még ez nagyon nem jó, de sehogysem tudok jobb értékeket elérni :@ ) bekötöttem a trafót a tápba (cimopata cikke alapján drótozott) az áramváltón egy félig szinusz félig négyszög jel jelent meg. nem az igazi, de próba szerencse, elkezdtem terhelni, szépen terhelhető volt, kb 1A-t vettem ki 40V-on akkor kezdtek a fet-ek melegedni. 5A 38V az utolsó mérés, ekkor a fet-ek átmentek rövidbe, a melegedés miatt, mert forró volt a borda. a szkópon egy félszinuszhoz hasonló jel volt. a szinusz a maxról indult és az alsó végén ismét maxra ugrott. (tudom, háromszögből szinusz lesz a cikk alapján) a remény megvan, még rengeteg számolás és kísérletezés, tekerés van még hátra, de legalább ha sikerül végre eltalálni a menetszámot akkor jó kis táp lesz ez az erősítőmnek. szópábrákat nem fotóztam sajnos. kérdés: hogyan tudom meghatározni a kellő huzalátmérőt? A hozzászólás módosítva: Feb 10, 2015
Számolj kb. 4A/mm^2-tel, ennek megfelelően válaszd meg a szálak számát, de figyelj arra, hogy keresztmetszetről és nem átmérőről van szó.
Ha hűtenéd kis ventivel, 4.5-5 amper/mm^2-re is felmehetsz.
A trafó menetszáma az jó,de a keresztmetszet az nagyon kevés.Milyen fetek vannak benne?mekkora a rezonáns kondi?a frekit utánhúztad mikor a tápot terhelted hogy a leg szinuszosabb áram legyen?A trafó mágnesezőt vidd lejjebb légréssel.A feteknek nem szabadna számotevően melegedniük,még borda nélkül sem.
Köszi, ezen még kicsit rágódnom kell, nincs túl nagy tapasztalatom az ilyen tápok építésében, így elsőre nehezen érthető. Na meg az IC-t sem ismerem, így a freki beál
Köszönöm, elmélyülök akkor ebben kicsit, én is jobban örülnék, ha nem kellene szétbontani a trafót. Úgy se kell sok ezer watt nekem!
Fel lelhető ezekről a tápokról valami publikus nyák terv valahol a fórumon?
Na akkor csakis a kedvedért, legyen publikus
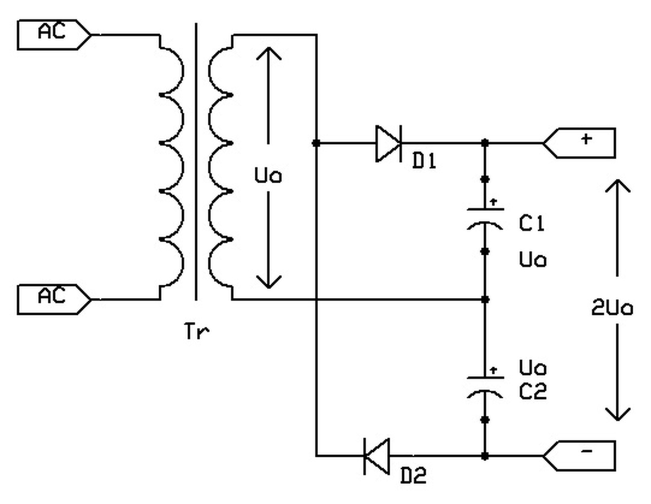
Ez a plazma hangszórónk tápja, ami ugye 25V-ot ad ki magából, de a primer oldal az minden körülmény között ha így van megcsinálva 100% - hogy működik. A szekunder egyenirányításától meg az függ, hogy 1x25V, 2x25V, 1x50V, 1x100V vagy 2x50V -jön ki.Remélem így oké. És menni fog az utánépítés. Teljes kapcsolási rajz és nyákterv és dokumentáció. A hozzászólás módosítva: Feb 10, 2015
A kapcsolást mi rajzoltuk, saját elgondolásból van így, remekül működnek ezek a tápok a mai napig, és hatalmas előnyük, hogy minimál alkatrésszel, trafó méretezés és áttekercselés nélkül lazán hozzák a 200-300 W folyamatos terhelést is. Valami olyat szerettem volna, amit a kezdők, tanulók könnyen össze tudnak hozni. Na ez lett belőle. Ha valahol hibáztam, akkor a hibákért elnézést és tessék szólni, javítom.
De nem szabad, hogy hiba legyen benne, max csak késő hajnalokon elrajzoltunk apróságokat.
Azt szokták még csinálni ha nagyobb feszültség kell és nem kell nagy áram, hogy szétbontják a trafó leforrasztott kivezetéseit a lábain. A 12V-os rész általában 1 szál huzalból van, az 5V-os rész viszont 2-3 szálból párhuzamosan. Ha ezek vége szét van bontva és a párhuzam helyett sorba van kötve, akkor az egyébként maximum 2x26V helyett 2x50V lesz a trafó szekundere. PC trafó sch.
Az elnevezésben azért van egy kis bibi, mert ugye ez nem pwm táp mivel fix kitöltésen megy. A hálózati zavarszűrőt sem jó lespórolni róla.
Oh és varázsütésre itt a nyák szuper!!
![]() Egy kérdésem lenne azok a soros ellenállások (270k) amik az IC tápját adják hány wattosak? Szekunder oldal kettős diódája kicsit csalafinta.
Kettős dióda csalafinta?Ez nálad mit jelent?Az ellenállások tized wattosak és csak indítják az ic.
Köszönöm, nagyon sokat segítettél! Nem is álmodtam ennyi segítségről! Ezt így már szinte gyerekjáték lesz utánaépíteni. PC táp trafó meg van elég elfekvőben. Még egyszer köszönöm!
A tok feliratára gondoltam (GDS). Köszönöm a választ, nálam valami gubanc lehetett a múltkor, mert vagy 3W-os ellenállás volt ugyancsak hasonló pozícióban, de az melegedett rendesen, ezért is voltam kíváncsi, hogy ezek milyenek.
Tényleg egyszerű terv. Áramkorlátot, áramszabályozást milyet javasolnál hozzá?
Egy olvadó biztosítékot a kimenetre. Egy nagyon rövid ideig biztos kibírja a kimeneti zárlatot, mivel erre is volt példa, de egyébként nálunk a végfoknak van védelme, így a táp nem kapott. Viszont, ha nagyon akarjátok, akkor egy áramváltó tekercs méretezéssel meg egy tranzisztorral egy két alkatrésszel, az IC oszcillátora leállítható. Ez jó védelemnek, de elég szívós a táp, ha csak olvadó bizti is van a kimeneten jó lesz. Mondjuk 300W-ra számolva.
A táp elnevezése valóban nem PWM, mert nincs impulzus szélesség moduláció. Csak kapcsolóüzemű táp. Fixfrekin. SMPS jobb lett volna. De nem én írta, hanem az egyik tanuló. Örülök, hogy lerajzolta.
Valamilyen úton módon le lehet szabályozni 2*40Vra?
Leszabályozni?A trafót kell annyira megtekerni.
Ha EI33 trafót használok akkor ugye tudok kapni 2*50Voltot. Tekerjek le belőle?
Igen 2x50V lesz Kb.Ha meg már szétszednéd,mert anélkül le nem tekersz belőle,akkor annyira tekered amennyit akarsz.Lehet 2x40V.
Elég akkor a szekunder részét szétszedni?
A szétszedés mindig is a mesterségem volt, de az összerakásnál már jöttek a problémák..
Az összerakásnál egyetlen probléma van, hogy nem árulnak minden sarkon mylar szalagot, de a nagykerek sem tartanak, erre szakosodott üzletben lehet csak beszerezni, nem is éppen olcsón. Meg ugye ahány féle mag, annyi fajta szélességű kellene...
Lehet valamivel helyettesíteni? Mondjuk sütőpapírral?
Inkább csak a sorok között, az életemet nem bíznám a sütőpapírra. De azt mondom hogy ha fújsz egy kevés lakkot a papír alá, feltekersz 2-3 réteget belőle a primer után majd újra lefújod egy rétegben és utána tekered a szekundert, akkor el nem tudom képzelni hogy átüssön. Nekem a hegesztő inverterem is így van megcsinálva, pedig abban néha a szaga is jön a trafónak...
Meg kellene most már csinálnom azt a 4kV-os szigetelésvizsgálót amit szeretnék, és akkor többet tudnék mondani.
Kedves Urak!
Lenne egy gyors kérdésem. Pepe fórumtárs által publikált kapcsolás kapcsolás működőképes lehetne e Kd mester 270W os erősítője előtt Bővebben: Link. Főleg a dupla trafós lenne az érdekes. Szóba jöhet még a sek áttekerése is. Válaszokat előre is köszönöm |
Bejelentkezés
Hirdetés |




de ez lényegtelen, mert be tudod lőni 60 kHz-re. 
Ez a plazma hangszórónk tápja, ami ugye 25V-ot ad ki magából, de a primer oldal az minden körülmény között ha így van megcsinálva 100% - hogy működik. A szekunder egyenirányításától meg az függ, hogy 1x25V, 2x25V, 1x50V, 1x100V vagy 2x50V -jön ki.








