Fórum témák
» Több friss téma |
Fórum » Kapcsolóüzemű tápegység
Témaindító: Rendszer, idő: Feb 18, 2006
Témakörök:
Egy gyengébb PC-táp 12 voltján 1000 µF/16 voltos kondi van, mint a te paneleden (talán) a c10-es.
Nem egyértelmű az írásodból, megkapja-e tényleg a 12 voltot vagy csak a próba tápon. Kérdés, mivel méred a kimenőfeszt... mert ha 12 volt kimegy, az amper se lehet kevés. Szerintem becsap a műszer vagy nem pontosan fogalmaztál. Szkóppal jobb lenne nézni ( ha van), mert ha pwm-ben menne ki, az is más.. az átlagot mutatnáa műszer.. de akkor a c10 kondi kiszáradt. 60 -70 wattot a 2x100 µF primerrel is kéne tudnia. 5-7 mp után mi történik? Nem kapcsol vissza, ki kell húzni és újra megy addig....? Azt kell megnézned, (valszín) miért tilt le a táp. A hozzászólás módosítva: Aug 28, 2014
Megválaszolom saját kérdésem, a 400v puffer kondi és a vezérlő IC 7-es lában lévő kondi volt a rossz. Ezek cseréje után a táp hibátlanul működik.
5-7 mp után 0A megy a peltierhez, és ha kihúzom, utána megint ez a helyzet.
Még kicserélem azt a 16V-os 1000mikroF konfit és akkor megírom mi a helyzet.
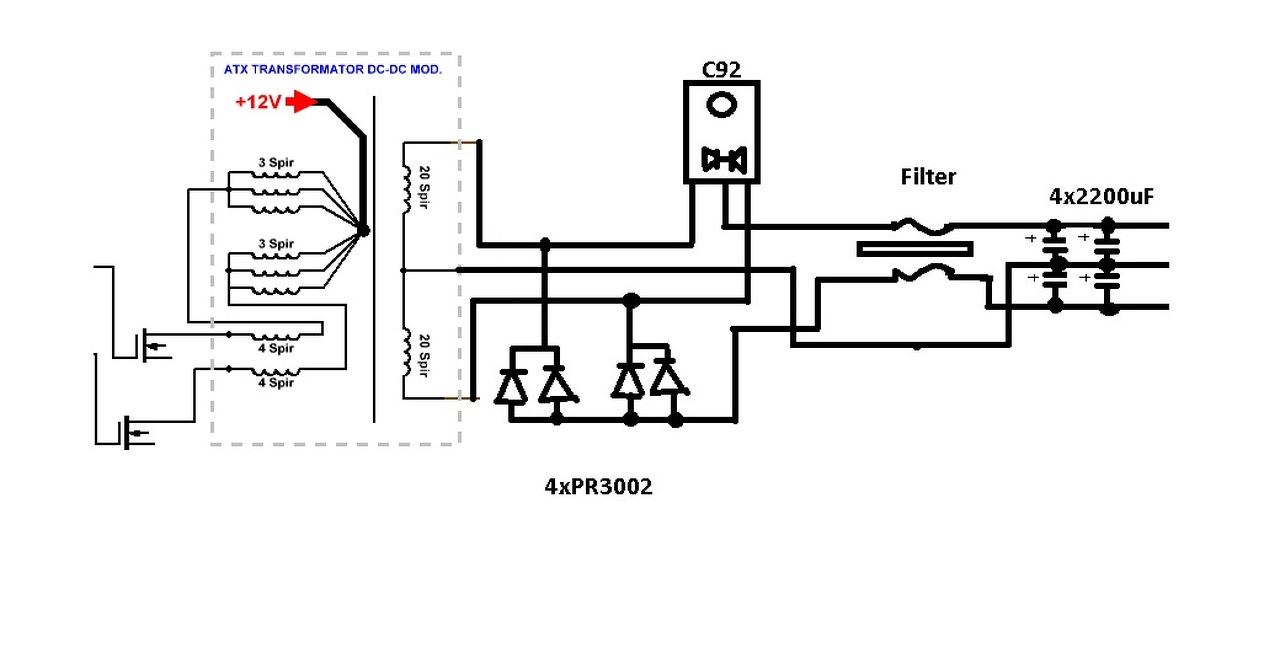
Sziasztok! Készítettem egy kapcsolóüzemű invertert 12V ból +/- 30V ra de csak a +30V jön ki belőle,tehát a negatív oldal nem. PC táp trafót használ. Ugye a szekunder oldalon lehet a baj? A negatív tápba 2x párhuzamosan PR3002 diódákat raktam, nem az lehet a baj?
A hozzászólás módosítva: Aug 28, 2014
Azt kéne megtudnod, ha a csere nem hoz semmit, mi tilt le... de a fél amperes áram oda meg kevés... a 12 volt "csúcs"-e vagy itt is az 5 voltos rész szabályozna vissza?
Ha feltennéd a kapcsrajzot, nem lenne nagy baj..
![]() Ez a júl. 20.-i tápod? Megírtam akkor is, égőkkel hogyan próbáld ki, diódák nélkül először! Csak a szekunder oldal rajza elég, de úgy , ahogy van! A hozzászólás módosítva: Aug 28, 2014
Mellékeltem az általam készített szekunder részt is.
Igen ez az, csak nem volt időm foglalkozni evel, és most elővettem megint. A hozzászólás módosítva: Aug 28, 2014
Ha így van kötve, elvileg jó.
De tényleg tegyél már rá diódák nélkül egy sor izzót ( 3 x 24 voltost ) a két végpont közé, tehát a 2 x 20 menetre, aztán mindkét 20 menetre, látod-e a dupla fesz különbséget? Ha a +30 terhelhető rendesen, a tekercsek is jók ( nem félhullám pl...) - tehát valamit mégse úgy kötöttél a negatív ágban.. valami átkötés nincs vagy hasonló.... A hozzászólás módosítva: Aug 28, 2014
Kerítek égőt és megnézem. Ugye elvileg ha nem világít erősebben a 2x20 meneten akkor vagy a trafó kuka, vagy nem jó a vezérlés. Pl ha a kondenzátor nem érintkezne, akkor volna feszültség a kimeneten, csak nem elég?
Biztosan... valamivel több kondikkal, de világítana rendesen.
Itt nem színusz van, tehát akkora hullámvölgyek nincsenek. Minden más jó szerintem, mert a + fesz is kétutasból jön, tehát ha az okés, a negatívnak is jónak kéne lennie. A hozzászólás módosítva: Aug 28, 2014
Kipróbáltam, +29 és -31 V van, egy kontakthiba volt. Ez a feszültségkülönbség a diódák miatt van ugye?
Lehet... nézd meg külön egy pár amperes terheléssel, mekkora a nyitófesz.
Mindenesetre a negatívot dupla ( 4) diódával egyenrángatod, kevesebb lesz rajta a veszteség ( Uf megoszlik picit), a + pedig csak 1-1et kap. Már ott nem ugyanaz a helyzet... de valszín a c92-nek kicsit nagyobb a nyitója.
Ha zavar a különbség, tegyél a kimenet negatív ágba egy soros 5-10 amperes diódát, ne schottkyt és mindjárt hasonlóbb lesz a két ág..
A hozzászólás módosítva: Aug 28, 2014
Nem jó, kicseréltem a kondikat, de így se. Most 0A-t vesz vel a peltier. Az összes kondit cseréltem, további ötlet?
köszi
Amennyiben hasonlít arra a táprajzra, ami a panel alatt van, akkor indulj el a standby résztől..
Megvan-e a TL494 ( féle..) tápja és a +5 volt... vannak-e impulzusok a kimenetéről, a meghajtó tranyók mit csinálnak.. A pc-táp átalakítás topikban van sok utalás, mitől, hogyna tilt le, stb... Gondolom, a bemenő 320 VDC is megvan ( Q1 koll., Q2 emitter ). A hozzászólás módosítva: Aug 28, 2014
Az áramot hogy méred? Mert ha szűretlen PWM-feszültség van a kimeneten, akkor azt egy normál ampermérővel nem tudod rendesen megmérni. A feszültség meg van az elemen? Ha nincs kimeneti feszültség, akkor valamit elrontottál a kondicserék közben.
A mérőműszerem kinai, és a mérőszondás sincsennek jó állapotban, ha egy tizedes pontossággal mérek úgy emlékszem +/-31,5V van de az biztos hogy egyforma volt az üresjárati feszültség
Igen, az üresjárati más, de terhelve, több ampernél ha megnézed a diódák nyitóirányú karakterisztikáját adatlapokon, láthatod a különbséget. A hőfok még külön beleszól.
Keverve lenne jó, hogy a + és a - ágba is jusson mindkét fajtából, akkor talán egyformábbak lennének a feszek terhelve is.
Természetesen a két terhelés 1-2 %on belül legyen, úgy van értelme szőrözni.
Pont tegnap javítottam egy tápot és ott is a vezérlő ic kondija volt rossz, érdekes, ezeknél nem jut el a púposságig, mert akkor már nem menne.
Lemértem 50v/47µF-ból 13µF volt és volt, hogy bekapcsolt, volt, hogy nem, szóval ennél ez volt a küszöb. Üdv
Értem. Feszültség van az elemen. Elkezdem a panelen mérni, hogy mi a helyzet. Esetleg konkrét dolgok, amik elromolhatnak? köszi
Rakj pluszban egy párszáz µF-os kondenzátort az elem sarkaira és mérd meg úgyis a feszültséget. Ha így is meg van a feszültség és mégsem hűt, akkor ez egy paranormális aktivitás.
Sziasztok!
Van egy mascot 8620-tipusú kapcsolóüzemű tápom,aminek13.5VDC-t kellene biztosítania,de ahelyett csak 3.18V jön ki belőle. Nem látok benne semmi külsőleges égési vagy egyéb hibára utaló jelet. Mi lehet szerintetek a gond?
Próbálj kapcsrajzot keresni hozzá, aztán tedd fel.. vagy legalább dobozold ki, fényképeket csatolj...
Keresgéltem kacsolásit,de sajnos nem találtam sehol. Külsérelmi nyom sehol sem látszik rajta,
kicsit méregettem is de nem sok mindenre jutottam. Áram alá helyezéskor egy kis fura hangot ad,mid amikor kattan egy relé csak sokkal tompább,nyekergősebb hang.
Azt a nagy tranzisztort mérd ki ami a hűtőbordán van.
A nagy tanzisztoron 300VDC-t mértem.
Nem leszolni szeretném senki ötletét,én többféle módszert és szűrést kipróbáltam a konverterrel előállított anódfeszültséghez,sajnos rossz tapasztalatom hogy akármennyire is próbálkozom,visszahallom azt ahogy működik az előtte álló áramkör. Megfelelő puffer is megvolt,sőt sokszor szerintem túllőtem a célon akkora volt a pufferbank.
Még TL494-el is megpróbáltam a dolgot de nekem nem akart összejönni. Lehet mert még kicsit zöldfülű vagyok. Kíváncsian várom én is az ötletedet.
Most hogy túrom a német és angol nyelvű oldalakat, ahol ilyen flyback módszerrel táplálnak anódkört, azért látok biztató tapasztalatokat.
egy a sok fórum közül meg egy másik Ezekkel a kapcsolóüzemű táp áramkörökkel nekem sincs még nagy gyakorlatom, de megépítettem két áramkört is, amivel komolyabb alkatrész válogatás nélkül is sikerült 200V20mA anódtápot előállítani. Ha a kapcsolófreki 20kHz vagy inkább 40-50kHz, annak már nem szabad beleszólnia a hangba. A puffer növelése nem sokat számít ilyen frekiken. Nagyon kényes az induktorok minőségére, a kapcsoló fetek Rds_on és charge paramétereire, az egyenirányítók gyorsaságára és a kondik minőségére. Ha ezek megfelelően össze vannak hangolva, ezekkel a 8 lábú céláramkörökkel lehet 50-150mA 180-200V tápokat létrehozni. Csak érdekességképp említem meg, hogy sok DAC-minicsöves preamp áramkört táplálnak ilyen áramkörökkel, ami a hájend csúcsa állítólag. A hozzászólás módosítva: Szept 30, 2014
Kíváncsiságom kielégíthetetlen. Nagyon várom.
Nálam ott is probléma volt hogy a TL494-es valamiért mintha "szintetizátort" játszott volna,elég látványos volt a jelalakban ez a fajta megnyilvánulása. Valószínű itt volt a probléma. Próbáltam BD139 által hajtott trafót is az még borzasztóbb volt. Valami olyat kellet volna alkotnom ami nagy freqvencián képes az anódfeszültség előállítására. |
Bejelentkezés
Hirdetés |










Még
Lehet mert még kicsit zöldfülű vagyok. Kíváncsian várom én is az ötletedet.





