Fórum témák
» Több friss téma |
Fórum » Kapunyitás gombnyomásra olcsón! - avagy automata kapu házilag
Témaindító: szabi83, idő: Feb 2, 2006
Gondolom a dokumentációjában benne van, mekkora max távolságot tud, azon belül bárhova.(de a két kapufélfa teljesen jó szokott lenni.)
Hello!
Az infrakapu reléjét szeretném helyettesíteni egy optocsatolóval, kicseréltem már egyszer, de az ellenállás mindig melegedett előtte, valamint szerintem nem is működött megbízhatóan! Tud valaki valami egyszerű kapcsolást, 5 vagy 12V-ról szeretném vezérelni és 12V-ot szeretnék kapcsoltatni!? Nem vagyok jártas az optocsatolók terén! Köszi a segítséget!
A ledje elé egy tápfeszültségre méretezett (kb 10-15mA) ellenállás kell.(akár az 5V-os táphoz képest is használhatod. A kimeneti oldalon viszont nem szabad túllépni a kimeneti tranzisztor határadatait.
Más, ilyen táppal próbáltad eredetileg? A kondenzátor 1000µF volt legalább?
Sziasztok!
Segítséget szeretnék kérni adott egy első szériás Rewlex s60 garázsnyitó, amelyre az új típusú távirányítókat nem lehet tanítani. A nagykerben egy külső dobozos RS multi 434 vevőt kaptam. Érdeklődtem a bekötését illetően, segítséget nem kaptam. Érdeklődni szeretnék, hogy hogyan tudom az új vevőt összekötni a garázsnyitóval? Köszönettel!
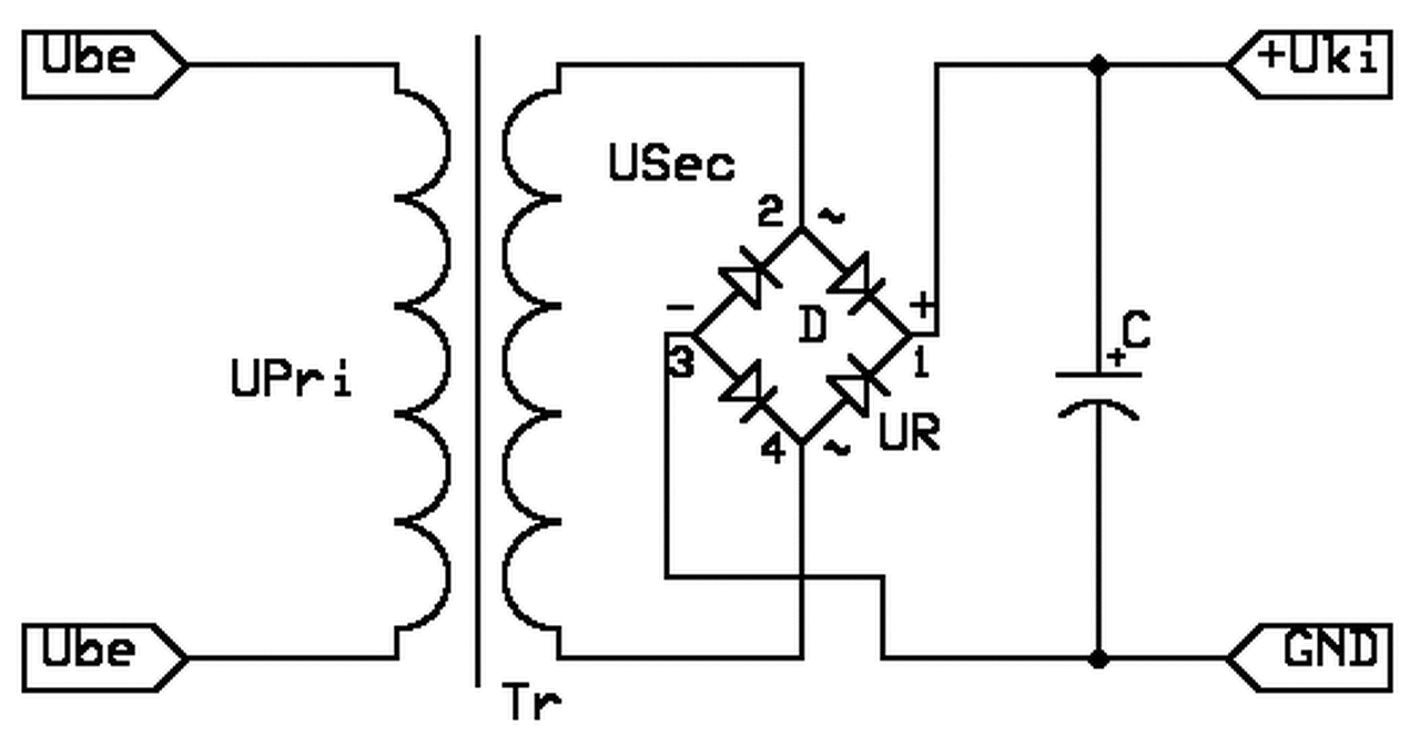
Szia! Értelem szerűen ellenálláson keresztül meghajtod az optocsati LED-jét, a tranzisztorral pedig meghajtasz egy nagyobb áramú tranzisztort, ami elbírja az időzítődet. Lerajzoltam neked mire is gondoltam.
Hali!
Nyomó gombos működtetési lehetőség nincs a kapudon?
Ahová a nyomógomb be van, vagy be lehet kötni, oda kösd az újjonan vásárolt vevőből a kimenő két szál vezetéket. Ettől konyhaibb nyelven nem tudom leírni.
Hello!
Köszi, már megcsináltam az egész kapcsolást, minden tökéletesen működik! Köszi a segítséget mindenkinek!
Hello!
Van valakinek valami tippje, hogy álló helyzetbe, önmagába mi történhet egy elektromos kapcsolással, hogy megzavarodik??? Napkitörés volt??? Az eddig jól működő kapcsolás, most épp fordítva működik azt is össze-vissza, már kicserélgettem alkatrészeket benne, de semmi változás! Ha így halad akkor a kukába végzi az egész!
Nem tudom milyen szituáció az ami igényli egy infrasorompó reléjének leváltását optocsatolósra?
Tipus?
Én próbáltalak rávezetni, keresd az okot azzal hogy eltakarod , még hibás a kiinduló pontod. .Szép listát is írtam mit mérj, ez után még mit szeretnél tudni. Hogyan és miben segítsünk?
A hozzászólás módosítva: Ápr 26, 2014
Hello!
Ne haragudjatok, de én voltam a f..z, ugyanis semmi baja nincs a kapcsolásnak! Az adóban cseréltem ki az infra diódát, de nem ugyanolyan típusra ami előzőleg volt benne, erre nem figyeltem. Gondolom interferencia volt, azért működött fordítva, mert ha a vevőre írányítottam, akkor fordítva, de ha kicsit mellé világítottam vele, akkor jól működött az egész, ez csak akkor esett le mikor több dologgal (pl:távirányító, lézermutató) világítottam meg! Úgyhogy bocsi a hülyeségemért! De azért köszi!
Szia!
Gondoltam, hogy valamit csinálhattál vele, csak nem írtad és azért bolondult meg. Nem szokott olyan lenni, hogy csak magától megbolondul egy áramkör, főleg nem egy ilyen "buta" áramkör. Legalább ezt is tudjuk most már, hogy mi okozta a problémát. Csak hogy ne érezd magad hü**én, én is jártam már így és nem kis időbe telt mire rájöttem.
Na igen, utólag már nevetek rajta, de tegnap viszont evett a méreg, és majdnem kidobtam az egészet a kukába, pedig már csak a dobozolás hiányzik a vevőből!
![]() Az adónak meg növelnem kell a teljesítményét, mert még nem elegendő a hatótáv! Elhiszem, szemét egy valami, mikor az ember a saját hülyesége miatt szenved, főleg ha az valami kis apróság. Az a lényeg, hogy nem szabad feladni!
Üdv mindenkinek.
Én itt új vagyok, csak segítséget szeretnék kérni. Van egy 220 voltos kétszárnyú kapunyitóm ami tökéletesen működik, amíg nem jön a nyári felhőszakadás. Ezek után az egyik motorján, már csak a tekercselés segít. Már kb, 3-4 alkalommal volt tekerve.8-10 ezer-ft. per alkalom. Ha én 12 voltos ablaktörlő motorra cserélem a 220-ast, akkor elég egy 12-es megfelelő trafó és két db relé ami megfordítja a forgásirányt? Megköszönöm a jó szándékú emberek segítségét.
Szia.
Neked nem motorcsere kell, hanem szigetelés a gyári motorra, mert beázik nagyon!
Amúgy ősszel mikor már fagyos éjszaka után jön egy napsütéses nappal, akkor meg a pára keletkezik a motor belsejében és keletkezik a zárlat.
Tehát már eldöntöttem, hogy a 12 voltos motor egy kis nedvességtől még teker. Azért kérdeztem a hozzáértőket, hogy egy 12 voltos trafó és két relé elég e az átalakításhoz. Amúgy a gerincem műtve van és nekem ez nagyon jó, hogy nem kell kiszállni a kocsiból.
Szia!
Lapozz vissza a 71, oldalra,ott láthatod az én egyedi ablaktörlő motoros megoldásomat,a mechanika is egyedi,lentebb megtalálod a teljes kapcsolást is,hátha segít vagy felkelti az érdeklődésedet.
Arra gondoltam, hogy rossz a szigetelés a motornál, mert annak NEM szabadna beáznia vagy ilyesmi. Nem látom értelmét és elég értelmetlen dolognak tartom, hogy nem a hiba elhárítása a cél, hanem csak menjen amíg bírja. A 12V-os motor is elromlik egyszer és akkor jön a csere? Nem értem ezt a gondolatot. Pont amiatt kellene elhárítani a hibát, hogy megbízhatóan működjön és ne kelljen a Te állapotodba, feleslegesen kínlódni. Persze ez az én véleményem, nem kell megfogadni se meg semmi, csak elmondom amit gondolok. A gyári rendszert biztos nem cserélném le, egy másikra.
Szia
Egy gyári 220-as motort lecserélni gagyi ablaktörlőmotoros kóborára? Ez visszalépés a technika terén! Tegyél fel pár képet a motorrol, tipusa? Inkább ezt kéne megoldani. Üdv
PROTECO a típusa, de már 10 éves. Most megyek a tekercselőhöz délutánra ígérte, hogy elkészül a tekercseléssel.
Addig a másik motorba ami tökéletesen működik, levettem a hajtómű házról a motort, amit négy imbusz csavar fog és tetem a motor és a hajtómű ház közzé egy ó gyűrűt, mert nem volt közte, de fogok tenni a másikba is. Gondolom itt a víz már nem fog beszivárogni ! Lenne még egy kérdésem hozzátok, mégpedig az, hogy milyen antenna kellene ehhez a típushoz, hogy már messzebbről is vegye a jelet és ha az antenna zsinórba bele van toldva az csökkenti e ezt a távolságot. A válaszokat előre is köszönöm.
Szia!
Egyetértek az előttem szólókkal, ne variáld át. Ez gyárilag kültéri, nem ázhat be (elvileg). Ha mégis, az vagy szerelési hiba van, vagy gyártási hiányosság (pl.: mint írtad, hiányzott az "O" gyűrű). Rádió: -Mennyi most a hatótáv? -Milyen frefvencián megy? Ha az antennakábelt akarod hosszabbítani, inkább komplett kábel csere, ne hosszabítsd meg. (Egyébként egy fotó a meglévő antennáról és vevőről többet segítene.) A hozzászólás módosítva: Júl 16, 2014
Akkor már csak a kábel csatlakozási pontját kell kiszigetelni és kész is, többet nem ázhat be. Ahogy Szammer is írta, az antennakábelt jobb egybe cserélni, mint toldozgatni és ha az általa kért információknak még eleget teszel, akkor könnyebben tudunk is segíteni.
A múltkor javítottam egy elektronikát, gumitömítéses gyűrű ellenére beázott, mondjuk ehhez 1 hét felhőszakadás + klíma kondenzvíz oda folyt kellett.
Szóval meg kell jól oldani a tömítést, ezt így fórumon keresztül mi se tudjuk megoldani. Még annyi, hogy az a proteco jó motor, ne cseréld le, valamint nézd meg a motor állórész házának alján szokott lenni egy furat, az esetleges víz távozás céljából, láttam már olyat, hogy ez eltömült és a zárkioldón keresztül odafolyó víz nem tudott távozni. A kioldót is nézd meg, nem-e ott megy be a vizecske. Antenna: 17 centis (kb ) negyedhullámú, ha 433 mhz, Az antennát koaxal minél magasabbra, ha fémkapu akkor annak a tetejére kell. A hozzászólás módosítva: Júl 16, 2014
Nagyon szépen köszönöm mindenki segítő válaszait, tanácsait. Tényleg nagyon rendesek vagytok.
Amúgy felraktam a megtekercselt motort, most megyen szépen. még szétfogom szedni és a kioldónál jól átnézem. Leviszem a műhelybe, nagyítóval jól átnézem és ha van ott hely megnyomom egy kis zsírral. Azt úgy is csak akkor mozgatni ha nincs áram és kiakarom nyitna a kaput. Visszatérve az antennára, Ha felteszem az oszlop tetejére az már másnapra eltűnik. Esetleg milyen hosszú lehet a kijövő kábel, mert akkor kicserélném újra és nem lesz benne toldás. A típus : PROTECO Q 35 hátha így könnyebb utánanézni. Még egyszer köszi mindenkinek ! ! ! |
Bejelentkezés
Hirdetés |






Gondoltam, hogy valamit csinálhattál vele, csak nem írtad és azért bolondult meg. Nem szokott olyan lenni, hogy csak magától megbolondul egy áramkör, főleg nem egy ilyen "buta" áramkör. Legalább ezt is tudjuk most már, hogy mi okozta a problémát.

Elhiszem, szemét egy valami, mikor az ember a saját hülyesége miatt szenved, főleg ha az valami kis apróság. Az a lényeg, hogy nem szabad feladni! 
