Fórum témák
» Több friss téma |
Remélem ez a termosztát nem kínai neked, ha mégis, akkor tényleg nem elég a fórumbeli segítség. Egy hozzáértő személy kell megépítse. Nekem ilyen van. Már több, mint 20 éve kelteti a csibéket. Mint minden áramkörnek, ennek is van hátránya. Élesztés közben ha valamit rövidre zársz, mind a három tranzisztor megmegy. Ne sajnáld a megment tranzisztorokat (nagyon). Kis erősségű tranzisztorok vannak benne. Az enyém három db. BC172-vel van elkészítve.
Szia
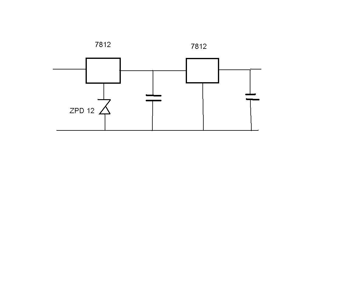
Mi lenne, ha a trafó helyett, vennél egy adaptert. Akár, több feszültségre. de neked a 12V kell, de inkább a 15V és 1A. Abból egy 7812IC vel stabil 12V tudsz csinálni. Ha a trafód 230V/33V ha egyenirányítód, és puffereled, kb. : 40V környékén lesz. Ha a 33V márt egyenirányítás /pufferelés után mérted. akkor is magas mert a 7812IC 24V bemeneti feszültségre tervezték. Tehetsz két 7812IC az elsőt egy zenerrel 12V –al feljebb kell emelni, akkor a 33V éppen jó, de a 40V még mindig magas. A 40V nál tranzisztorral csökkenteném, mondjuk 16V ig egy 15V zennerrel majd 7812IC De ez a 33V hoz is használható. Hűtőborda kell mind két esetbe. Illetve a 7812IC nek is. De mind két esetbe fűtőtestet készítesz. Azért mondom a adaptert, tesco gazdaságos. De itt is kapható. Bocsi a moricka rajzért üdv. Bővebben: Link Csak a 1A változat kell keresni A hozzászólás módosítva: Ápr 17, 2013
Hello! Azt mindig meg kell fontolni, érdemes-e gombhoz kabátot keresni.. Főleg ha mást is ösztönzöl utánépítésre. üdv!
hello. Bele tudod még varrni a tl43 1-et? Megköszönném. Az én tudásom nem terjed idáig. Üdv.
Hello! Közben rájöttem egy "suszter mattra", nem is szükséges a TL431. Mert a +12V tápfeszültség és a műszer közé egy fehér Led-et kötünk, akkor az a 12V-ból a 3V-ot levonja. A műszer így 9V-ot kap, viszont az LM35 tápfeszültsége megnövekedik 3V-al, és már kész is vagyunk.. üdv!
A hozzászólás módosítva: Ápr 21, 2013
Sziasztok!Volna nekem egy kérdésem,megépítettem egy hőfokszabályzó kapcsolást keltetőbe,és egy 40wattos izzót működtet.Tökéletesen működik,minden nagyon jó,be tudom rajta klasszul lőni a 37.8 fokot is,csak egy a baj,amikor eléri a maximális hőfokot,elkezd diszkólámpa szerűen villogni,és így nem jósolok hosszú élettartamot az izzónak...
egy szilárdtest relével oldottam meg a teljes kapcsolást,mutatom a kapcsolásokat is,nemtudom hogy valaki fel tette-e már ezt a megoldást,mivel nem sok időm van a honlap böngészésére sajnos :S A 3,3k-s NTC-t lefotóztam,és azt is megmutatom nektek.Szerintetek hogyan lehet megszűntetni az idegesítő másodperc ritmusú izzó villogását,hogy ne tegye tönkre sem,de maradjon meg az optimális beállítottsága is. Válaszotokat előre is köszönöm!Ha valami eszembe jut még,kérdezek A hozzászólás módosítva: Ápr 27, 2013
Még annyit hogy remélem nem éppen az NTC az ami a főbűnös,mert nem lenne jó cserélni,mivel két hét is eltelik kb mire lejön egy alkatrész az elektronikai szaküzletbe,ahová szoktam járni,én pedig erre is több mint 2 hetet vártam.Mire lejött beleuntam a keltető építésbe.:S
Valahogyan nem lehetne kiküszöbölni ezt a villogást egy másik alkatrész cserével? A hozzászólás módosítva: Ápr 27, 2013
Hello! Nem látszik, hogyan tápláltad mag a kapcsolást.
- Ha nem stabilizált a 12V (amúgy nem lenne szükséges) akkor a 10..47µF kicsi lehet szűrésnek. - Az LM723 nem szeret 10V alatt működni, ha a brummfeszültség belóg ez alá, az megjelenhet a referenciában is. Mivel az NTC oldal szűrve van, a potis oldal meg nincs, bekerülhet a brumm a komparátor bemenetére. - A komparátornak elég kis hiszterézise van, így néhány mV feszültség különbségre már átvált. Ha a bemenetre zaj kerül, el kezdhet "kapkodni". Ennek oka lehet a tápoldal terhelésének visszahatása, vagy a bementi zaj (hálózati frekvencia). Az NTC oldali szűrés T=R*C. A 47µF választása esetén is 1,5k*47u=70ms. (Az NTC ellenállása és az R* ebből a szempontból párhuzamosan van) Látszatra jónak tűnik, a hálózat 10 v. 20ms-jához képest. Csak hogy a Tau a jel 67%-ra vonatkozik. Az a 3,3V-hoz képest 2,2V. Csak éppen a komparátor érzékenysége ennél kb. 500-szor érzékenyebb. Mert a jelnek nem a 67%-ára kell menni, csak a 0,2%-ra. Tehát ez lényegesen rontja a szűrés hatásfokát. Vagy is jelentősen csökkenthető a bementi zaj, ha az RC időállandóját megnöveljük. Pld. úgy ha egy 10..22kohm ellenállást teszünk R* és C1 közé. - De gond van az erősítő gerjedését gátló C2 kondival is. Hiszen hiába van visszacsatolva az invertáló bemenet felé, mivel a GND felé ott van a C1. Ez csökkenti a visszacsatolás képességét C2-nek. Vagy is hogy a C2 hatásos legyen, a C1 és az IC 4-es lába közé is kellene ellenállás. C1 is lehet nagyobb, mert itt nem szükséges a komparátor gyors működése. - Az áramkörben az R4 ellenállás teljesen felesleges. Minek terhelni a referenciát, mikor terheli azt az NTC és a poti hálózata is. Inkább az R4 helyére egy 10..47µF-os kondit kellene próbára tenni. - Ha az IC-re tápfesz oldal felől hat vissza a zavar, akkor célszerű lenne az IC tápot leválasztani a relét működtető áramkörről. Vagy is egy diódát tenni a +12V és a 12-es láb közé, és egy 47..100µF-os kondit a 12-es és 7-es láb közé. - Egyébként a C4 is ennek a zavarjelnek a kiszűrése lenne a feladata. Csak éppen a tranyó differenciális bázis-emiteter ellenállása meglehetősen kicsi, így a kondi nem a vele párhuzamos R6 ellenállásával találkozik, hanem a tranyó kis bementi ellenállásával. Ahol a kondi kb. 600mV feszültségén a tranyó zárva, míg 650mV felett nyitva van. Nos, gond csak ennyiféle lehet, egy ilyen egyszerű áramkör mellett is. Ki kel próbálni ezeket a módosításokat, lehet egy vagy kettő beépítése már hatásos. üdv!
Köszönöm szépen a válaszodat,valamelyiket megpróbálom,remélem,sikerülni is fog
Még annyit hogy a kapcsolást egy hálózati kis szabályozható rádiós adapterről üzemeltetem,valószínűleg ez okozhatja a problémát? :S
A hozzászólás módosítva: Ápr 27, 2013
Hello! Akkor elsőként a 12-es láb diódás elválasztását próbáld meg, vagy a C3 szűrőkondit cseréld 470..1000µF-ra. üdv!
A hozzászólás módosítva: Ápr 27, 2013
és milyen diódát tehetnék bele??meg még gondolkodom az lm 317-ben is,ahogy írtam:S
Hello!
- Tehetsz stabil tápot is, de annak a kimenő feszültségnél, még 3V-al magasabb "nyers" feszültség kell. Ha most pont az a gond, hogy kicsi a feszültség még rosszabbat teszel. - De alapvetően a 723-nak nem kellene stabil táp. Hiszen van belső referenciája a 7,2V. A relének meg végképp nem kell. Sőt én még szűrést sem szoktam pazarolni a relére. Akkor nem lepkézik a táp, mikor a relé behúz. - De a relének nem gond a kétutas jel, de az SSR-nek esetleg fejtörést okoz. Viszont a 723 belső tranyójával is meg lehet hajtani az SSR-t. És tranyó sem kell hozzá. Csak egy jó nagy kondi a tápra. - Én tápnál, mindig 1N400x diódát használok, mert az hálózati egyenirányító, és bírja a löketeket. Mert egy 1N4148 az kisjelű dióda. Már pukkantottam el 24V-on, azóta nem használom ilyen célra. De ha csak filózol a dolgon, soha nem fogsz előbbre jutni.. üdv!
Az C1 és az IC 4-es lába közé kb mekkora ellenállás kellene?már tervben van az új panel
Hello! Egy 1..10kohm-ot, hogy hasson az 1nF-os visszacsatolás. üdv!
Sziasztok! Hozzám került egy keltető miben nem tette a dolgát a vezérlés.. Sajnos nem tudtam kiolvasni mert védett tartalom volt bent de megoldottam úgy,hogy készítettem egy másik vezérlést bele mit glaci fórumtárs is megépített Bővebben: Link. Nagyon stabilan működik teszi a dolgát rendesen. Most elhatároztam építek magamnak is egyet mivel már régóta tervezem..glaci fórumtársnak köszönöm a sok segítséget!
A hozzászólás módosítva: Máj 3, 2013
Jé, kikelt a digitális csirke! Ráadásul a kirakatban..
ÜDV! mindenkinek !!
tanácsot szeretnék kérni !!iletve véleményt !! szeretnék keltetögépet csinálni és kitaláltam azt is hogy hogyan adot egy szigetelt tetövel elátott 150tojás befogadására elég nagy doboz én ugy terveztem hogy az aljára egy a doboz méreteivel azonos széleségüés hoszuságu pár centi magas edénybe vizet teszek ebbe a vizbe hejezem el a cekészt ami melegiti a vizet természetesen a kelö höfokon kikapcsol az elektronika a tojásokat ugy a doboh közepe táján hejezném el egyszorba a légcserét én egy a vizben spirálalakban feltekert töb hejen perforált csö végén lévö akvárium lélegeztetögépel oldanám meg ami egy páratartalommérö egységel van öszekötve és igy szabájozhato a páratartalom is a tojások szintjén lene egy digitális pára és hömérségletmérö elenörzés céljábol !! tudom hogy bonyolultnak hangzik de filérekböl öszetüdnám épiteni nekem az lenne a kérdésem hogy mi a jelentösége hogy a legtöb bevált keltetönek felülröl kapja a meleget és hogy ventilátoral keverik a levegöt ??egyáltalán van e bármi kihatása a tojás kelési arányára hogy alulrol avagy felülröl kap meleget ?? kérem ha valaki tud segiteni esetleg tanácsotadni ne habozon iváncsi vayok mások tölem joban hozáértök véleményére !!!
Szia
Gondolj bele hogyan van a természetben.Felül a kotlós,alul a nedves talaj.Ha az egész alját vizzel töltöd,nemhogy fűteni de szellőztetni kell mert sok a pára.Nem kell befujni a levegőt csak szellőztetni de módjával.Szerintem keltetőépités témában nézz át mási fórumra is. Idézet: „Üdvözlök mindenkit! Olyan problémám van, hogy egy keltetőt szeretnék készíteni, már meg van hozzá majdnem minden, csak a legfontosabb nincs. Amivel a hőmérsékletet tudnám szabályozni. Egy hőfokszabályozó rajzra lenne szükségem. Ha valaki tud egy egyszerű rajzot, ami nem mechanikus, kérem szépen, hogy ossza meg velem. Köszönettel: Bfg10k” Üdv! Én is csak most ismerkedem a témával de szerintem nem érdemes elkezdeni gyártani mert van készen is olcsón itt: http://cgi.ebay.com/ws/eBayISAPI.dll?ViewItem&item=160884551442 3,356.16 HUF Ugyanezt a vaterán is árulják csak dupla ennyiért. Szerintem ennél olcsóbban nem lehet megépíteni. Igaz kínai de manapság minden az. Ami a lényeg hogy elég pontos. Ha kell valakinek jelezzen mert most készülök rendelni magamnak, ha kell megrendelem neki is. Ha meg nem viszi el akkor mehet fel a vaterára.
Szia!
Az idézetben azt olvasom: Ami nem mechanikus.... Viszont amit te készülsz rendelni az bizony mechanikus , relés! (nem kötözködésképpen
Biztos igaz. A lényeg hogy keltetőgéphez jó legyen.
Ehhez elvileg már "csak" a doboz kell meg hőmérő. Meg pár év tapasztalat. Ha majd kipróbálom leírom hogy sikerült. A hozzászólás módosítva: Jún 1, 2013
Sziasztok
Van egy ovolux 100 típusú belga keltetőm! tönkre ment benne egy ellenállás 13 k és 5% van ráírva! Nem kapok sehol Tudna valaki segíteni? vagy mivel lehet helyettesíteni? Köszönök minden tippet! Üdv Laci
Szerintem ez 15 k 5 W nem pedig amit írsz. Azt pedig itt http://www.tme.eu/en/details/ax5w-15k/5w-wirewound-resistors/royal-...w-15k/ lehet kapni.
Moderátor! elnézést kérek a LINK-et nem fogadta el. A hozzászólás módosítva: Jún 9, 2013
Helló!
Jól Írtam 13K 5% megpróbálok jó képet készíteni róla, és feltöltöm!
Hello! Ha csak 5%-os, akkor nem lehet egy precíz helyen. Tegyél be egy 12kohm-ot, az majdnem befér az 5%-ba.. üdv!
|
Bejelentkezés
Hirdetés |



















